UKW-Batterie-Super mit den russ. Subminiaturröhren 1SH29B, 1SH24B und 1SH17B
von Oliver Ludwig



Die Anregung zu diesem Aufbau kam ursprünglich aus einer Idee für den ersten Bastelwettbewerb - mein damaliges Konzept sah 8 Röhren 1SH29B und Kopfhörerempfang auf UKW vor. Leider hatte sich gezeigt, dass der Aufbau einfach zu schwierig nachvollziehbar war, zudem mussten alle Stufen mit den Gehäusedeckeln verlötet werden und fast alle Bandfilter und Spulen selbst gewickelt werden, am Ende hatte man nichts mehr außer einem komplett zugelöteten rechteckigen Metallkasten, wenngleich die geringe Größe beeindruckend war.
Deshalb habe ich das Konzept komplett geändert und einen deutlich größeren UKW-Empfänger aufgebaut, der jedoch ebenfalls auf den russischen Subminiaturröhren basiert und bei dem man nur die Oszillator- und Abstimmspule im Tuner, sowie eventuell das Ratiofilter selbst wickeln muss.
Der Aufbau ist gegliedert in Tuner (bestehend aus Oszillatorteil mit Abstimmdrehko und Mischstufe), ZF-Teil und NF-Gegentakt-Endstufe.
Meine früheren Versuche mit selbstschwingender Mischstufe im Tuner wären zwar prinzipiell ebenso machbar, allerdings ist bei dieser der gesamte Aufbau sehr kritisch, weshalb ich mich letzten Endes doch für eine Trennung in Oszillator und Mischstufe entschieden habe.
Das Gesamtgerät ist als kombiniertes Netz-Akku-Gerät ausgelegt, wobei für den Heizakku eine 4000mAh Monozelle (eine echte, nicht die Mogelpackung aus dem Baumarkt mit teilweise nur 1200mAh Kapazität), für den Anodenakku entweder 5 x 9V-Akkus (á 8,4V) oder ein Block aus Knopfzellen (gab es mal im Forum) verwendet wird.
Die Akku-Betriebsdauer liegt sowohl für Anoden- als auch Heizakku bei etwa 5-6 Stunden, geladen werden sie danach im Gerät, wobei jedoch auf eine "intelligente" Ladeschaltung verzichtet wurde, d.h. nach 14 h ist die Ladefunktion von Hand abzuschalten.
Auf die genaue Schaltung von Netzteil und Ladeschaltung gehe ich hier nicht näher ein, da sie zum Großteil abhängig ist von dem verfügbaren Netztrafo, den verwendeten Akkus, dem Aufbau, der Baugröße etc. ist.
Da ich auf jeden Fall auch Lautsprecherempfang wollte, habe ich mich der Endstufe zuliebe doch für eine Anodenspannung von ca. 40V entschieden. Wer nur Kopfhörerbetrieb möchte, kann Tuner und ZF auch für geringere Spannungen auslegen, dazu müssen lediglich einige Widerstände geändert werden.
Aufgrund der vorgegeben Platinenlayouts sollte das Ergebnis durchaus reproduzierbar sein, wenngleich es ein wirklich größeres Projekt ist, das einiges an Zeit voraussetzt..
Insbesondere ist es nicht als das erste Projekt eines Röhrenanfängers gedacht. Gerade der UKW-Bereich ist wirklich kritisch im Aufbau und wer diese Anleitung nachbauen will, muss sich (insb. beim Tuner) genau an die Anweisungen halten.
Zudem sollte man den Umgang mit der Blechschere gewöhnt sein und vor allem die Gehäuse und Deckel einigermaßen maßhaltig biegen können. Eventuell können auch fertige Gehäuse (z.B. segor) eingesetzt werden, allerdings steht man dann vor dem Problem die Platinen HF-dicht in das nächstgrößere Gehäuse einzupassen, auch werden sich in größeren Gehäusen die parasitären Schaltungskapazitäten und -Induktivitäten wohl anders auswirken, so dass man die Schaltung u.U. etwas abändern muss.
Zum Abgleich ist sowohl ein HF-Prüfsender für UKW als auch ein ZF-Prüfsender (modulierbar) eigentlich Vorraussetzung, theoretisch ist es auch ohne diese Geräte machbar (wurde mal im Forum beschrieben) und meinen ersten Aufbau habe ich auch ohne spezielle Prüfsender abgeglichen- das benötigt aber wirklich viel Zeit und außerdem auch das Glück, gleich beim Grundabgleich etwas zu hören.
Auf die genaue Funktionsbeschreibung eines Superhets möchte ich hier nicht vollständig eingehen. Zum Grundprinzip: Durch den Drehkondensator werden sowohl der Abstimmkreis als auch ein Oszillator abgestimmt, der Abstimmkreis auf die zu empfangende Frequenz von 87.5 bis 108 MHz, der Oszillatorkreis stets 10.7MHz höher als der Abstimmkreis. In der Mischröhre werden die empfangene Frequenz und die erzeugte Oszillatorfrequenz gemischt, daraus ergibt sich (unter anderem) auch eine Frequenz von nur noch 10,7MHz, die jedoch immer noch die ganze Modulation des abgestimmten Senders enthält- und diese 10.7Mhz bleiben immer gleich, egal, auf welchen Sender abgestimmt wird, also kann man die nachfolgende Verstärkerstufen fest auf diese Frequenz abstimmen und deren Anzahl beliebig wählen, sie brauchen nicht bei jeder Senderwahl neu abgestimmt werden.
Die ZF-Stufen stellen im Prinzip einen mehrstufigen Festfrequenzempfänger für 10,7 MHz dar.
Die Demodulation des Signal geschieht schließlich mit einem Ratiodetektor

Achtung, noch etwas ganz wichtiges:
Sowohl ZF-Stufe als auch Tuner können bei fehlerhaftem Aufbau, falschem Abgleich oder mangelnder Schirmung als Sender arbeiten, die Störstrahlung ist deshalb unbedingt bei der ersten Inbetriebnahme zu überprüfen - ich übernehme mit dieser Anleitung keine Verantwortung dafür, dies muss jeder selbst überprüfen.

Der Tuner:




Schaltbild Tuner
(Mit der Maustaste das Bild anklicken, es wird dann in voller Auflösung dargestellt.)

Im Oszillatorteil arbeitet eine 1SH29B in ECO-Schaltung. Die ECO-Schaltung erzeugt eine hohe Schwingamplitude, so das der Abgriff der Oszillatorspannung fast direkt am kalten Ende der Schwingkreisspule erfolgt und der Oszillator vollkommen geschirmt sein muss, um starke Störabstrahlung zu vermeiden. Im geschirmten Oszillatorteil befindet sich auch der Drehkondensator. Seine Versorgungsspannung erhält der Oszillator über Durchführungskondensatoren von der Mischstufe, auf der Layoutseite der Platine gibt er (natürlich ohne Durchführungs-Kondensatoren und manuell zu verdrahten) zum einen die Drehko-Kapazität für die Abstimmspule, zum anderen die Oszillatorfrequenz weiter. Da der Drehko zwischen den Plattenpaketen nicht geschirmt ist, koppelt ein geringer Teil der Oszilatorfrequenz hierüber auf die Abstimmspule ein. Dieser Effekt ist natürlich nicht erwünscht, wird aber durch die Abstimmung auf eine jeweils 10,7 MHz tiefere Frequenz der Abstimmspule wieder soweit abgemildert, dass kaum eine nennenswerte Ausstrahlung der Oszillatorfrequenz auftritt - im Freien lag sie beim Mustergerät in etwa bei 5-6m. Um sie weiter zu verringern, sollte der Anodenwiderstand R3 so hoch gewählt werden, dass der Oszillator gerade noch gut anschwingt, die Schwingamplitude aber nicht zu groß wird. Sollte er mit den 15 kOhm nicht anschwingen, kann der Wert verringert werden.
In der Mischstufe ist ebenfalls die 1SH29B eingesetzt. Ihre Kathode (Heizung) ist für die HF der Oszillatorfrequenz von Masse getrennt, indem sie über eine bifilar gewickelte Drossel geheizt wird. Dies ermöglicht die Einspeisung der Oszillatorfrequenz über die Katode, während das empfangene Signal der Abstimmspule über das Gitter eingespeist wird. Die Oszillatorfrequenz geht über einen Keramiktrimmer an die Katode, dieser Trimmer stellt (als Katodenkondensator) gleichzeitig eine gewisse Entdämpfung der Pentode für die Abstimmfrequenz dar (wird er zu klein eingestellt, erfolgt Eigenerregung der Mischstufe auf der Empfangsfrequenz).
Diese eigentlich nur für Trioden übliche Schaltungsmaßnamen erwies sich bei der geringen Betriebsspannung ausnahmsweise auch für die Pentode als Vorteil, wenngleich sie den Tuner spannungsabhängig machen, d.h. seine max. Betriebspannung muss insb. bei Batteriebetrieb auf die minimal zu erwartende Batteriespannung begrenzt werden, damit es nicht zur Eigenerregung kommt und dennoch ein gleichmäßig guter Empfang über die gesamte Batterielebensdauer erreicht wird..
Die Mischröhre arbeitet auf ein Standart ZF-Bandfilter, dessen Ausgangssignal wird geschirmt auf den Eingang des ZF-Bausteins übertragen.
Als Antenne dient eine Teleskopantenne, deren Länge bei ca. 90 cm liegen sollte.
Wichtig: eigentlich sollten im Tuner induktionsarme Widerstände verwendet werden, aber ich habe ihn mit gewöhnlichen ¼ W Kohleschichtwiderständen aufgebaut. Bitte keine Metallfilmwiderstände verwenden. Obwohl ich selbst eher das Gegenteil erwartet hätte, war der Ersatz einiger Widerstände durch die Metallfilm-Bauart stets die Ursache stundenlanger Fehlersuche - offenbar gibt es unter den Metallfilmwiderständen teilweise ganz besonders "induktionsreiche" Exemplare, die mir die ganze Schaltung verstimmten.
Der gesamte Tuner kommt in ein Weißblechgehäuse von etwa 55 mm Höhe, das man aus 55mm breiten Streifen selbst biegen kann. Dabei sind Oszillator und Mischerteil vollkommen mit einem durchgehend eingelöteten Blech getrennt (auch die Platine)
Falls der Tuner für andere Spannungen als 36V angepasst werden soll, sind insbesondere folgende Werte zu ändern:
Anodenwiderstand der Oszillatorröhre
Anodenwiderstand der Mischröhre (Fußpunkt ZF-Filter)
Im Gegensatz zur obigen Tunerschaltung erwies sich in der Praxis später ein induktives Ankoppeln der Antenne an die Abstimmspule effektiver, insb. wurde der Einfluß der Antennenlänge auf den Abstimmkreis dadurch reduziert.
In der praktischen Ausführung ist dies berücksichtigt, auch in der Wickelanleitung zur Abstimmspule und dem Bestückungsplan.
Hier das Platinenlayout (1:1 aus DPI auszudrucken und mit der bedruckten Seite zur Platine belichten):

Layout Tuner
(Mit der Maustaste das Bild anklicken, es wird dann in voller Auflösung dargestellt.)

Die fertige Platine ist standardmäßig mit 0.8mm zu bohren, lediglich die Anschlüsse für das Bandfilter, Oszillator- und Abstimmspule und die Lötstützpunkte werden mit 1 mm gebohrt. Beim Drehko muß die Mittelachse entsprechend bis zu 10 mm aufgebohrt werden, die Masseanschlüsse auf etwa 3mm und die eigentlichen Anschlüsse auf 1.3 mm. An dem mittleren Teilungsstrich wird sie getrennt, beide Teile sind jedoch später analog in das Weißblechgehäuse einzubauen.
Die Bestückung:

Bestueckung Tuner
(Mit der Maustaste das Bild anklicken, es wird dann in voller Auflösung dargestellt.)

Alle schwarz eingezeichneten Bauelemente werden auf der regulären Bestückungsseite der Platine eingesetzt, zweckmäßigerweise von den niedrigsten zu den höheren Bauelementen arbeiten. Bei den (stehend montierten) Röhren kommt deren Markierung (Punkt) immer auf den mit 1 bezeichneten Anschluss, die anderen folgen analog wie sie aus dem Glassockel kommen, die Anode wird isoliert verlängert und in den mit "A" bezeichneten Anschluß auf der Platine verlötet. Der Abstand der Röhrenunterkannte von der Platineoberfläche sollte zwischen 2 und 3mm betragen.
Beim Drehko ist darauf zu achten, dass es wirklich die beiden kleineren Plattenpakete sind, die in die mit "FM" bezeichneten Anschlüsse eingelötet werden.
Danach werden beide Platinen in ein 55 mm hohes und passend zurechtgebogenes Weisblechgehäuse (bewährt hat sich 0,4mm Stärke, dünneres ist zu labil und das dickere lässt sich kaum vernünftig biegen und löten) mit Trennwand zwischen Oszillator und Mischstufe eingelötet (dabei sollte zwischen unterer Gehäusekante und Layoutseite noch etwa 5mm Luft bleiben), in das zuvor in der Trennwand zwischen Oszillator und Mischstufe zwei 3mm-Bohrungen für die auf der Layoutseite zu brückenden Stützpunkte (rot) als auch in halber Höhe insgesamt vier Löcher für die Durchführungskondensatoren an den entsprechenden Stellen gebohrt wurden.
Rot gezeichnete Bauteile und Brücken werden jetzt direkt auf der Layoutseite eingelötet (Die Brücken natürlich isoliert, insbesondere die zwei, die die Trennwand zwischen Oszillator und Tuner durch die zuvor gebohrten 3mm-Löcher nehmen), alle blau eingezeichneten Elemente erst nach Einbau in das Weißblechgehäuse auf der Bestückungsseite, wobei die Durchführungskondensatoren ungefähr in halber Höhe des Weisblechgehäuses (ca. 27mm) angebracht werden.
Keine Sorge wenn nicht alle Bohrungen bestückt sind - es ist das Layout meiner Experimentierplatine für den Tuner, in dem sich später so manches Bauteil als überflüssig erwiesen hat.
Die ZF wird über ein Koaxialkabel herausgeführt, die Abschirmung dabei unmittelbar vor dem Eintritt in das Gehäuse mit diesem verlötet und stellt auch eine gewisse Zugentlastung dar.
Je nach Ausführung und Länge dieses Kabels muss später eventuell C19 angepasst werden, da die Kabelkapazität hier mit eingeht.
Jetzt muss man sich noch zwei passende Deckel für das Tunergehäuse biegen, der auf der Lötseite erhält ein Loch für das Skalenrad bzw. die Drehkoachse, der auf der Bestückungsachse die entsprechenden Löcher zum Abgleichen.
Wie bereits oben bemerkt, sollte der Tuner mit einer stabilisierten Spannung versorgt werden, die bei Batteriebetrieb in etwa bei der minimal zu erwartenden Batteriespannung (wenn Akku oder Batterie fast leer sind) liegt, Idealerweise 36 V. Hier deshalb noch eine (Silizium)-Schaltung zur Spannungsstabilisierung des Tuners:


Stückliste zum Tuner: Rö1, Rö2 1SH29B
R1 470 kOhm (1/4 W)
R2 15 kOhm (1/4 W)
R3 68 kOhm (1/4 W)
R4, R5 1 MOhm (1/4 W)
R6 4,7 kOhm (1/4 W)
C1, C10 Keramik-Trimmer 4-14 pF Rastermaß 7.5mm (z.B. Oppermann)
C2, C11 39 pF (Keramik, kleine Ausführung)
C3 56 pF (Keramik, kleine Ausführung)
C4, C5 , C12, C14 1 nF (Keramik, kleine Ausführung)
C6, C7, C16, C17 10 nF (Keramik, kleine Ausführung)
C8 Trimmer 2-20 pF Rastermaß 7.5mm
C9 UKW Drehko (Oppermann DA 800 (Seilscheibe) oder DA 804 (4mm Achse)
C13 entfällt da induktive Ankopplung der Antenne (Drahtbrücke, siehe Bestückungsplan)
C15 0,1 uF (Keramik, kleine Ausführung)
C18 22 pF (Keramik, kleine Ausführung)
C19 18 pF (Keramik, kleine Ausführung), hängt von Ausf. und Länge des Kabels zum ZF-Verstärker ab
C20 2,2 nF (Keramik, kleine Ausführung)
Dr1, Dr2 Festinduktivität (Widerstandsbauform) 5,6 uH
Dr3 bifilare Drossel (siehe Abschnitt Spulen)
Dr4, Dr5 Festinduktivität (Widerstandsbauform) 68 uH
Bf1 UKW-ZF-Filter ( Oppermann Fi 3107 A)
Zusätzlich 4 Durchführungskondensatoren 4.7 - 10nF, möglichst kleine Ausführung. (Oppermann, Reichelt Elektronik)
Spulen:

Oszillator- und Abstimmspule müssen selbst gewickelt werden, ebenso die bifilare Drossel Dr3. Als Spulenkörper für L1 und L1 dient ein halbiertes, abgewickeltes Bandfilter Fi 3107 A von Oppermann ohne Abschirmhaube und Kerne, als Wickelkörper für die bifilare Drossel kann eigentlich jeder Isolierkörper benutzt werden, der ein Außenmaß zwischen 4 und 6mm aufweist.
Dabei ist darauf zu achten, dass man die Teilspulen nicht stramm wickelt und in der gespannten Stellung verlötet: man lässt sie zunächst aufspringen, biegt den entsprechenden Teil nach und verlötet ohne Spannung mit den Anschlüssen. Danach wird der gesamte Aufbau satt mit Sekundenkleber oder "UHU-Hart" o.ä. fixiert.






Der ZF-Verstärker:

Eingangsteil:


Ratiodetektor:


Schaltung ZF

Schaltung ZF
(Mit der Maustaste das Bild anklicken, es wird dann in voller Auflösung dargestellt.)

Der ZF Verstärker besteht aus 5 mehr oder weniger identischen Verstärkerstufen. Diese ungewöhnlich hohe Anzahl resultiert aus der geringen Anoden- und Schirmgitterspannung und dem Fehlen einer HF-Vorstufe im Tuner. Zum Vergleich habe ich mir auch mal einige russische Millitärempfanger wie den R848 mit eben den 1SH29B, 1SH24B angeschaut -5 ZF Stufen waren auch dort üblich, dazu kamen noch 3-4 HF-Vorstufen mit der 1SH24B, das ganze allerdings bei 70V Anodenspannung).
Alle Einzelstufen sind mit der 1SH29B aufgebaut, bei höheren Spannungen dürfte auch die 1SH24B reichen, die kommt nebenbei mit einem Fünftel des Heizstroms aus, ist aber nicht anschlusskompatibel (für das Layout).
Alle Stufen sind neutralisiert (Schirmgitterneutralisation mit dem nur 2.2nF großen Schirmgitterkondensator), die letzte Stufe arbeitet auf das Ratiofilter, der Ratiodetektor ist mit zwei Germanium - Dioden aufgebaut (unkritisch, Si-Dioden wie die 1N4148 funktionieren genauso).
Auf eine Begrenzung habe nach früheren Versuchen mit einer Regelung über das Bremsgitter der letzten ZF-Röhre verzichtet, da die Ratiodetektorschaltung an sich schon eine sehr gute Begrenzerwirkung hat.
Jede Stufe ist gegenüber der folgenden verdrosselt, wobei anodenspannungsseitig die Drosseln in Reihe liegen, auf der Heizspannungsseite wurde wegen dem Heizstrombedarf von 60 mA pro Röhre jede Drossel getrennt auf die durchzuschleifende Heizleitung gelegt.
Bedingt durch den wirklich engen Aufbau ist zusätzlich noch eine umfangreiche Schirmung notwendig, die ganze Platine kommt in ein Weißblechgehäuse und zusätzlich werden noch die Einzelstufen durch je ein Blech auf der Bestückungsseite voneinander getrennt.
Die selbstzuwickelnde, abgleichbare Spule Dr11 nach dem Ratiofilter dient der einstellbaren AM-Unterdrückung. Da ich keinen AM-modulierbaren Messsender hab, weiß ich auch nicht, ob das korrekt funktioniert, es wurde nur theoretisch nach alten Schaltungsvorlagen übernommen. Wer keinen Wert auf die gute AM-Unterdrückung legt bzw. sie nicht einstellen kann, ersetzt diese Spule durch einen 47 Ohm-Widerstand.
Am Ausgang erhält man das NF-Signal, dass jedoch nur sehr hochohmig belastet werden darf (sonst Verzerrungen).
Die im Schaltplan noch eingezeichneten 1M Ohm-Widerstände und 100pF-Kondensatoren vom Fußpunkt der Gitterkreisspulen einer jeden ZF-Stufe nach Masse entfallen bei der geringen Betriebsspannung - stattdessen wird der Fußpunkt des Gitterkreises der ZF-Filter jeweils direkt mit Masse verbunden. Für höhere Betriebsspannung werden sie benötigt, sollten aber nicht wie ursprünglich vorgesehen, auf der Bestückungsseite stehend montiert werden, sondern mit möglichst kurzen Anschlüssen auf der Layoutseite.
Auch der ZF-Verstärker kommt in ein 55mm hohes Weisblechgehäuse. Dabei ist noch zusätzlich je eine Trennwand zwischen jeder Röhre und dem darauffolgenden ZF-Filter einzulöten, die jedoch 3-4 mm oberhalb der Platine enden kann und nicht vollständig verlötet sein muß.
Mit den angegeben Bauteilen ergibt sich ein optimaler Arbeitsbereich mit einer Anodenspannung zwischen 36 und 42V, für höhere Betriebsspannung sind alle Schirmgitterwiderstände (R1, R4...) und Anodenwiderstände (R2, R5...) entsprechend zu vergrößern.

Das Platinenlayout:

Layout ZF
(Mit der Maustaste das Bild anklicken, es wird dann in voller Auflösung dargestellt.)

Bestückung:

Bestueckung ZF
(Mit der Maustaste das Bild anklicken, es wird dann in voller Auflösung dargestellt.)

Analog zum Tuner fängt man mit den vier Drahtbrücken für die Heizspannungsversorgung und den 4 Brücken zum Fußpunkt Gitterkreis der Bandfilter an, dann Drosseln, Widerstände (alle stehend und so wie eingezeichnet), zum Schluß die Röhren und Filter.
Nach dem Verlöten in einem passenden Gehäuse noch die Kondensatoren auf der Layoutseite und Dr2. Für Heizung und Anodenspannung werden wieder in etwa halber Gehäusehöhe zwei Durchführungskondensatoren angebracht, das Ausgangssignal wird durch eine kleine Aussparung auf der Layoutseite mit gewöhnlichem Mikrophonkabel zum Lautstärkepoti geführt. Für die ZF-Verbindung zum Tuner muss ein möglichst kurzes Stück Koaxialkabel benutzt werden, der Flexibilität wegen hab ich ein 4mm Kabel für Satelliten-Anlagen benutzt, das lässt sich auch löten.
Jetzt ist noch je ein Deckel für Layout und Bauteileseite aus Weisblech anzufertigen, wobei der auf der Bauteileseite gleich Bohrungen zum Abgleich über den Bandfiltern bekommt.

Stückliste zum ZF-Verstärker: Rö1, Rö2, Rö3, Rö4, Rö5 1SH29B
D1, D2 Ge-Diode, z.B. AA143, evtl. auch Standart Si-Diode 1N4148
R1, R4, R7, R10, R13 68 kOhm (1/4 W)
R2, R5, R8, R11, R14 4,7 kOhm (1/4 W)
R15 10 kOhm (1/4 W)
R16, R17 470 Ohm (1/4 W)
R18, R19 15 kOhm (1/4 W)
C1, C8, C15, C22, C29 1 nF (Keramik, kleine Ausführung, z.B. Reichelt Elekronik)
C2, C9, C16, C23, C30 10 nF (Keramik, kleine Ausführung)
C3, C10, C17, C24, C31 2,2 nF (Keramik, kleine Ausführung)
C4, C11, C18, C25, C32 10 nF (Keramik, kleine Ausführung)
C5, C12, C19, C26, C33 18 pF (Keramik, kleine Ausführung)
C6, C13, C20, C27 22 pF (Keramik, kleine Ausführung)
C34 33 pF (Keramik, kleine Ausführung)
C36, C37, C38 330 pF (Keramik, kleine Ausführung)
C 39 2,2 uF (Elko, 25V)
Dr1 bis Dr10 Festinduktivität (Widerstandsbauform) 68 uH
Dr11 Siehe Abschnitt Spulen oder Ersatz durch 47 Ohm-Widerstand.
Bf1, Bf2, Bf3, Bf4 UKW-ZF-Filter ( Oppermann Fi 3107 A)
Bf5 Ratiofilter 10.7 Mhz, selbstgewickelt auf abgewickeltem Spulenkörper Fi 3107 A
Zusätzlich 2 Durchführungskondensatoren von 4.7 oder 10 nF, kleine Bauform (z.B. Reichelt)
Spulen:

Bf5 und Dr11 müssen selbstgewickelt werden, wobei für Bf5 auch das Ratiofilter 45.12 von Gerd Reinhöfer verwendbar sein sollte, die Anschlüsse passen, weiß jedoch nicht ob die entsprechenden Kondensatoren schon drin sind, falls ja entfallen die auf der Platine natürlich.
Dr11 wird auf einem halben, abgewickelten Bandfilter Fi3107 A (Oppermann) ohne Abschirmbecher aufgebracht. Bei geringeren Anforderungen kann es durch einen 47 Ohm Widerstand an den entspr. Anschlüssen 1 und 2 auf der ZF-Platine ersetzt werden.
Achtung beim "Halbieren", die Wickelkörper sind extrem zerbrechlich.
Nach dem Wickeln und verlöten sollte der gesamte Aufbau mit Sekundenkleber oder "UHU-Hart" o.ä. fixiert werden.




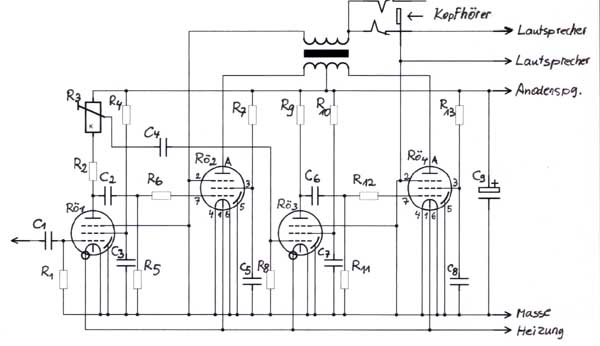
Der NF-Verstärker:




Schaltbild Endstufe
(Mit der Maustaste das Bild anklicken, es wird dann in voller Auflösung dargestellt.)

Er ist als Gegentaktendstufe mit zwei 1SH29B ausgelegt. In der Vorstufe sitzt eine 1SH17B (ebenfalls passen würde die 1SH18B, bei anderem Layout auch die 1SH29B, die jedoch ein anderes Anschlussbild hat und bei deren Bestückung einige Anschlüsse "gekreuzt" werden müssten), welche die erste 1SH29B ansteuert, außerdem liegt in ihrem Anodenkreis ein Trimmer, mit dem ein einstellbares Signal zur Ansteuerung der Phasenumkehrstufe mit einer 1SH24B eingestellt wird. Dieses Schaltungsprinzip ist mehr oder weniger von Gerd´s "Zwerg"-Verstärker übernommen. Mit dem Trimmer wird letztlich die Symmetrie der beiden Endröhren eingestellt.
Auch die Phasenumkehrstufe steuert direkt die zweite Endröhre an.
Achtung: Die "krummen" Widerstandswerte sind kritisch und sollten nicht durch den nächsten gerade vorhandenen Wert ersetzt werden.
Als Ausgangsübertrager hat sich durchaus ein kleiner Netztrafo (ab 1.8VA) mit 2x115V prim. /9V sek. bewährt. Deutlich bessere Ergebnisse allerdings konnte ich mit einem selbstgewickelten AÜ auf 32mm-Kern erzielen, hier habe ich für die Primärwicklung über beide Wickelkammern verteilt insgesamt 4000 Wdg. 0.08 mm Kupferlackdraht mit Mittelanzapfung aufgebracht, sowie 4 x 100 Wdg. 0.2 mm CuL für die Sekundärwicklung, wobei zwei davon ganz innen, zwei davon außen in den beiden Kammern liegen und alle vier parallel geschaltet wurden - jeweils Wicklungssinn beachten! Unvergossene und unverschweißte Kerne zum Umwickeln sind übrigens häufig in älteren Steckernetzteilen zu finden.

Platinenlayout:

Layout Endstufe
(Mit der Maustaste das Bild anklicken, es wird dann in voller Auflösung dargestellt.)

Bestückung:

Bestueckung Endstufe
(Mit der Maustaste das Bild anklicken, es wird dann in voller Auflösung dargestellt.)

Die rot gezeichneten Kondensatoren C2 und C6 sind auf der Layoutseite einzulöten.

Bei der liegenden Montage der Röhren ist folgendes zu beachten: der durch einen Punkt markierte Anschluß liegt wie angegeben. Das Schirmgitter wird direkt am Sockel Richtung Anode gebogen und nach 3mm nach unten, Pin 5 bzw. 3 bei den 1SH29B liegt also unterhalb der Röhre. Die anderen Anschlüsse folgen analog - siehe hierzu auch den Anschlussplan Röhren weiter unten.
Das Layout für den Ausgangsübertrager wurde auf spezielle Trafos zugeschnitten, der Platz reicht wohl auch für andere, eventuell müssen die Anschlüsse jedoch neu gebohrt und das ganze auf der Layoutseite manuell verdrahtet werden.
Das Trimmpoti R3 wird so eingestellt, dass man an den Gittern beider Endröhren (1SH29B) ein gleich hohes Signal erhält, wenn man einen Prüfton auf den Eingang gibt.
Das Ausgangssignal der ZF habe ich über ein Lautstärkepoti von 220 kOhm auf den Endstufeneingang gegeben.

Stückliste zur Endstufe: Rö1 1SH17B
Rö2, Rö4 1SH29B
Rö3 1SH24B
R1, R8 1,8 MOhm (1/4 W)
R2 220 kOhm (1/4 W)
R3 Trimmpoti 100 kOhm
R4 1,5 MOhm (1/4 W)
R5, R11 1 MOhm (1/4 W)
R6, R12 1 kOhm (1/4 W)
R7, R13 15 kOhm (1/4 W)
R9 330 kOhm (1/4 W)
R10 2,2 MOhm (1/4 W)
C1, C3, C4, C7 100 nF
C2, C5, C6, C8 330 nF
C9 47 uF (63V)
Zusätzlich: Netztrafo 2x115V primär 9V sekundär ca 1,8 VA als AÜ oder selbstgewickelt, Klinkenbuchse für Printmontage
Beim fertigen Aufbau zeigte sich noch, dass die Endstufe eine starke Klingneigung hatte, d.h. man hörte bei ganz geringer Lautstärke stets leise einen sehr hohen Ton. Dem konnte allerdings abgeholfen werden, indem die beiden Endröhren (Rö2 und Rö4) mit je einem Tropfen Heißkleber auf der Platine fixiert wurden.

Anschlussbilder der Röhren


Abgleichanleitung:

Die Schaltung sollte vor dem Abgleich komplett aufgebaut und bereits mechanisch stabil fixiert sein, ebenfalls das Koaxialkabel vom Tuner zur ZF.
Die Teleskopantenne muß ebenfalls bereits angeschlossen und voll ausgezogen sein (Tunerabgleich)

ZF-Abgleich:

Vorab: nicht abgeglichene ZF-Verstärker neigen beim Abgleich zu Eigenschwingungen, weil das Ausgangssignal einer Stufe bei falschem Abgleich des Folgekreises nicht richtig an diesen abgegeben werden kann. Mit der beschriebenen Methode, rückwärts vom Ausgang zum Eingang abzugleichen sollte dies jedoch eigentlich keine Probleme bereiten. Falls jedoch Schwierigkeiten auftreten, sollte parallel zu allen Primärkreisen der Bandfilter 1-5 je ein 15 kOhm Widerstand direkt auf der Layoutseite eingelötet werden. Nach dem ersten Abgleich kann dieser wieder entfernt werden.
Alle Kerne sind so voreinzustellen, dass die Kunstoffhaube des Kerns in etwa bündig mit der Abschirmhaube ist, lediglich beim Ratiofilter (Bf5) wird er deutlich weiter herausgedreht.
Die Deckel auf der Bestückungsseite von Tuner und ZF bleiben zunächst noch weg, die auf der Layoutseite müssen drauf sein.
Der Dr11 wird bündig mit dem Deckel eingestellt.
Anode von Rö2 im Tuner wird auf Masse gelegt.
Für den ZF-Abgleich gibt man den Ausgang des Ausgangsübertragers auf ein Oszilloskop oder Outputmeter (Lautstärkeregler auf Maximum, Lautsprecher nicht angeschlossen)und schließt einen fm-modulierten Prüfsender mit 10,7 MHz an die Anode von Rö4, stellt den Signalpegel des Prüfsenders so ein, dass man die Modulationsfrequenz deutlich auf dem Oszilloskop sieht.
Jetzt wird der Kern Sekundärkreis von Bf5 ganz ausgedreht und zuerst der Primärkreis auf Maximum gebracht, dann der Sekundärkreis wieder bis zum Maximum eingedreht.
Jetzt den Prüfsender an die Anode Rö3 anschließen, eventuell den Signalpegel verkleinern.
Kern vom Sekundärkreis Bf4 ganz ausdrehen, vom Primärkreis Bf4 auf Maximum bringen, danach wieder den vom Sekundärkreis eindrehen bis auf Maximum.
Prüfsender an Anode Rö2, Signalpegel eventuell weiter runter. Sekundärkreis Bf3 ganz raus, Primär auf Maximum, dann wieder Sekundär auf Maximum.
Das ganze noch mal mit Anode Rö1 und Bf2 wiederholen.
Jetzt den Kurzschluss von Anode Rö2 des Tuners entfernen und dort den Prüfsender anschließen. Sekundärkreis Bf1 der ZF ganz ausdrehen, Primärkreis auf Maximum, dann wieder Sekundärkreis auf Maximum.
Messsender an den Antenneneingang des Tuners und Bf1 des Tuners in gleicher Weise abgleichen.
Den zweiten Deckel der ZF aufsetzen, den immer noch am Antenneneingang angeschlossen Prüfsender so einpegeln, dass sich ein gut sichtbares Signal am Oszilloskop ergibt und jetzt von Sekundärkreis Bf5 der ZF bis Primärkreis Bf1 des Tuners jeden Kern nacheinander auf Maximum bringen, jedoch keiner sollte mehr deutlich verstellt werden müssen.
Den endgültigen Abgleich habe ich nach dem Tunerabgleich rein nach Gehör vorgenommen, insbesondere den Sekundärkreis von Bf5 (Ratiofilter) - die übliche Methode schied hier aus, da dazu der Abschirmdeckel geöffnet sein müsste und sich das ganze dadurch zu sehr verstimmt.

Tunerabgleich:

Sollte man beim folgenden Abgleich von C1 oder C10 an den Endwert kommen und nicht vollständig abgleichen können, muß der jeweilige 39pF-Kondensator im Tuner entsprechend verringert und C1 bzw. C10 durch einen 2-20pF Trimmer ersetzt werden.
Die Teleskopantenne muß bereits angeschlossen und voll ausgezogen sein.
Nur der Deckel auf der Layoutseite wird aufgesetzt.
C8 wird fast ganz ausgedreht.
Wer einen Grid-Dipper mit möglichst genauer Skala im Bereich von 98,7 bis 118,7 MHz hat stellt den Dipper auf 98,7 MHz und den Drehko des Tuners auf Linksanschlag, bringt dessen Spule an die Oszillatorspule L1 heran, und verstellt nun C1 bis der Dipper zunächst Resonanz und sein Zeiger beim weiterdrehen von C1 plötzlich in die Gegenrichtung ausschlägt, er also ein Signal empfängt.
Jetzt Dipper auf 118,7 MHz, Drehko auf Rechtsanschlag und mit C9 (im Drehko integriert) bis zum Zeigerauschlag abgleichen.
Beide Schritte mehrfach wiederholen.
Wer keinen Dipper hat, kann auch ein normales UKW-Radio neben den Tuner stellen, allerdings sollte die Skala dessen möglichst genau sein.
Am Drehko wird eine linaer geteilte Skala (88-108 MHz) und ein Zeigerknopf provisorisch angebracht.
Den danebengestellten UKW-Radio auf 98,7 MHz einstellen und den Drehko des Tuners auf Linksanschlag und verstellt nun C1 bis im UKW-Radio das Rauschen verschwindet (Empfang des unmodulierten Oszillators).
Jetzt UKW-Radio auf 107,7 MHz, Drehko mit der provisorischen Skala auf 97 MHz und mit C9 (im Drehko integriert) wieder bis zum Verschwinden des Rauschens abgleichen.
Auch hier beide Schritte mehrfach wiederholen.
Wenn bisher alles soweit funktioniert, und man den Lautstärkeregler aufdreht, sollte man jetzt bereits ein UKW-Rauschen hören. Drehko auf Rechtsanschlag bringen. C8 ganz ausgedreht (das Rauschen sollte verschwinden) und wieder bis zum Einsatz des Rauschens eingedreht, dann noch ein kleines Stück weiter. (So dass mit Sicherheit keine Rückkopplung -verschwinden des Rauschens- mehr eintritt, auch wenn man den Drehko langsam über den gesamten Bereich dreht). Sofern man mit C8 das Rauschen nicht zum Aussetzen bringen kann, bleibt er in Mittelstellung (halb eingedreht).
Für den folgenden Abgleich ist es wichtig, dass man sowohl in der Nähe von 88 MHz als auch von 108 MHz starke Ortssender hat, ansonsten ist ein UKW-Prüfsender vorzuziehen.
Die Antenne ausrichten und in der Nähe Linksanschlag Drehko einen Sender suchen und möglichst exakt (auf Optimum) abstimmen. Findet man noch keinen Sender, ist C10 stufenweise zu verstellen. Jetzt mit C10 auf minimales Rauschen bringen, ist das nicht möglich, evtl. C9´ verstellen (sollte etwa ¾ ausgedreht sein) und noch mal mit C10 abgleichen.
Nun einen Sender in der Nähe Rechtsanschlag suchen und mit C 9´ auf minimales Rauschen bringen. C9´ist allerdings sehr feinfühlig zu verändern.
Beide Schritte mehrfach wiederholen.
Mit C8 läßt sich eventuell noch die Empfindlichkeit erhöhen, es darf jedoch über den gesamten Empfangsbereich kein Schwingungseinsatz der Mischröhre erfolgten.

ZF und Ratiodetektor habe ich danach bei einem schwachen, deutlich verrauschten Sender noch einmal rein nach Gehör nachgestellt. (Bei einem starken Sender ist das sinnlos, da er meist bereits im Ratiodetektor begrenzt wird und man einige Bandfilter ganz massiv verstellen kann, wenn man einen solchen zum Abgleich auswählt.

So, jetzt erst mal viel Spaß wenn sich einer die Arbeit machen will, dieses Projekt nachzubauen, an dem ich nun (mit kurzen Pausen) fast anderthalb Jahre einen Teil meiner Freizeit verbracht habe.
Meinen herzlichen Dank an die vielen Teilnehmer im Forum, die mir immer mit ausführlichem Rat zur Seite standen und es überhaupt erst ermöglicht haben, dass ich dieses Projekt nun endlich zu einem guten Ende gebracht habe. Schließlich hatte ich anfangs noch überhaupt keine Ahnung von einem Superhet, geschweige von den zusätzlichen Tücken die bei UKW die hohe Frequenz mit sich bringt.
Auch dieser Aufbau hat sicherlich noch einige Fehler - aber er funktioniert. Falls jemand einen Fehler findet -
Bitte mitteilen.

Hier noch einige Fotos vom Chassis:
Chassis Rückseite, links oben der Tuner, unten die ZF, ganz rechts die Anodenbatterie. Die Endstufenplatine ist oben rechts liegend montiert.




Chassis Vorderseite, unterhalb des Tuners ist ein 5mm-Rohr als Achse für den Skalenknopf eingelassen, über das ein Skalenseil geführt wird. Das Lautstärkepoti ist auf dem ZF-Deckel verlötet.
Den Netztrafo habe ich etwas zu klein ausgelegt, bzw. das Gehäuse zu klein für einen größeren - er gibt leider nicht genügend Heizspannung ab, um sie noch vernünftig zu sieben, so dass man bei schwacher Lautstärke ein deutliches Brummen bekommt. Zum Laden der Akkus ist er jedoch in Ordnung, und bei größerer Lautstärke hört man das Brummen nicht mehr. Den ganzen Aufbau wollte ich nicht mehr umschmeißen, um einen größeren Netztrafo reinzubekommen.




Hier nochmal ein Bild vom Gehäuse: Trotz der 11 Röhren und den eingebauten Akkus ist das Gesamtgerät noch relativ kompakt - und leider auch ziemlich schwer, zumindest merkt man beim hochheben, dass es kein Transistorradio ist.


Gruss, Oliver Ludwig

Zurück