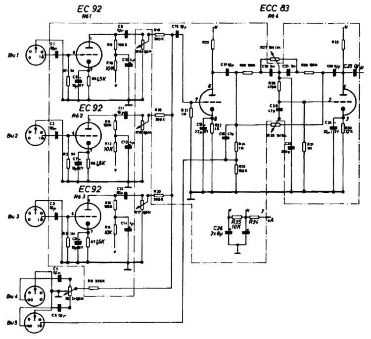
Herkules-Schaltbild-gesplittet.zip
Das nachfolgende Bild zeigt den (verkleinerten) Platinen-Bestückungsplan der transistorisierten Vorstufe
mit Klangregelung; eigentlich uninteressant ihn hier vorzustellen, jedoch der Vollständigkeit halber zeige ich es hier.
Als nächstes dann der Original-RIM-Anschlußplan zum Ausgangsübertrager :
Mein Freund Uwe, der mir diese RIM-Baumappe auslieh, hatte seinen RIM-Ausgangsübertrager
für diesen Herkules-Verstärker auseinandergebaut, ihn abgewickelt und dann neu bewickelt, um die Daten zu
erhalten. Uwe stellte mir seine so gewonnenen Trafo-Wickeldaten freundlicherweise zur Verfügung:
Uwe versprach mir auch, mir eine genauere Erklärung zuzusenden die beschreibt wie die einzelnen Bezeichnungen in
diesem Wickelplan aufzuschlüsseln sind.
Das nachfolgende Bild zeigt den Anschlussplan des Netztrafos :
Als nächstes der (verkleinerte) Platinenbestückungsplan :
Die nachfolgenden Bilder stellen dann die (verkleinerten) Chassis-Ansichten dar, jeweils mit Aufbau und Verdrahtung.
Zunächst die Frontplatte :
Das folgende Bild zeigt das (verkleinerte) Chassis von der Oberseite :
- und nun (auch verkleinert) von der Unterseite :
Von einem Besucher meiner Seiten erhielt ich die frührere Röhrenmischstufe des RIM-Herkules:

Mit einer besseren Bildqualität kann ich leider
nicht dienen...!