Eine weitere Variante der EL34-Verstärker bietet der im folgenden Link vorgestellte
Gegentakt-Röhrenmischverstärker mit EL 34 und EL503 dar. Hier wird eine weiter doch sehr nachbausichere
Variante eines EL 34-Verstärkers und im weiteren Verlauf dieser Seite ein Vewrstärker mit der Endpentode EL 503
vorgestellt.
Im Internet fand ich die beiden folgenden hochinteressanten Schaltungen mit der EL 34, die erste zeigt einen
Gegentakt-Verstärker mit 2 x EL 34 :

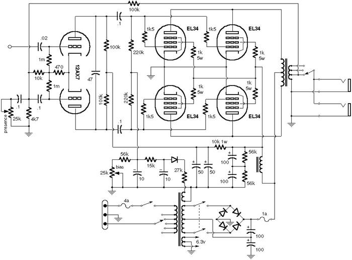
- und die nächste Schaltung zeigt die fast identische, jedoch mit 4 x EL 34 aufgebaute Schaltung :
Ein weiterer toller Verstärker war (und ist immer noch..) der Telefunken-Mischverstärker V317. Er werkelt mit
4 x EL 34 pro Kanal.
Aufgrund der
großen Datenmenge des Schaltbildes habe ich es hier, mit Rücksicht auf die Ladezeit, sehr stark komprimiert
dargestellt.
Mit einem Mausklick kann man es sich in der Originalgröße anzeigen lassen.

Ein weiterer
High-End-Verstärker war (und ist) der Klein & Hummel-Verstärker Telewatt Ultra, dieser gibt seine Leistung über
2 x EL 34 pro Kanal an die Lautsprecher ab.
Aufgrund der großen Datenmenge des Schaltbildes habe ich es hier, mit Rücksicht auf
die Ladezeit, sehr stark komprimiert dargestellt.
Mit einem Mausklick kann man es sich in der Originalgröße
anzeigen lassen.
Zurück zur Hauptseite