Der Klein+Hummel-Verstärker TELEWATT VS-70
Von einem Besucher meiner Homepage erhielt ich die komplette Bedienungsanleitung mitsamt
Schaltbild zum Klein+Hummel - Verstärker TELEWATT VS-70. Ich stelle ihn hiermit möglichst Originalgetreu vor.

Bedienungsanleitung TELEWATT VS-70 High Fidelity Verstärker Stereo + Mono
Lesen Sie vor der Inbetriebnahme diese Anleitung und beachten Sie die darin aufgeführten Empfehlungen. Stellen Sie
den Verstärker so auf, daß die während des Dauerbetriebs entwickelte Wärme nicht gestaut wird. Der
Verstärker muß auf einer ebenen Unterlage stehen, damit die an der Unterseite des Verstärkers befindliche
Öffnung nicht verdeckt wird. Gegenüber einer etwa vorhandenen Rückwand soll der Mindestabstand 5 cm betragen.
Die Haube des Verstärkers, welche sich im Dauerbetrieb stark erwärmt und eine Temperatur bis zu 50 Grad annehmen
kann, darf nicht als Ablage für irgendwelche Gegenstände verwendet werden.


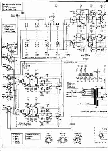
Aufgrund der großen Datenmenge des Schaltbildes habe ich
es hier, mit Rücksicht auf die Ladezeit, sehr stark komprimiert dargestellt.
Mit einem Mausklick kann man es sich in der Originalgröße anzeigen lassen.
Die Werte der einzelnen Widerstände und Kondensatoren findet man in der Stückliste, am Ende dieser Seite.
Netzspannung
Der Verstärker enthält einen Universal-Netztransformator für alle vorkommenden Wechselspannungen von 110
bis 245 Volt. Der Verstärker arbeitet sowohl an 50 Hz als auch an 60 Hz Netzen. Das Umschalten auf die am
Aufstellungsort vorhandene Netzspannung geschieht mit dem an der Rückfront des Verstärkers befindlichen
Spannungswähler. Durch Abschrauben der Sicherungskappe und Herausziehen der Einstellscheibe sind die Spannungen 110,
125, 145, 220 und 245 Volt einstellbar. Beim Verlassen des Werks ist der Verstärker auf 220 V eingestellt. Beim
Umschalten auf Spannungen von 110 bis 145 Volt muß die im Sicherungshalter befindliche Feinsicherung von 1 Amp. gegen
eine solche von 2 Amp. ausgewechselt werden. Dies ist genau zu beachten, da durch falsche Spannungseinstellung und
ungeeignete Sicherungen entstehende Schäden von der Gewährleistungspflicht ausgenommen sind.
Netzkabel
Entsprechend den in Westdeutschland geltenden Sicherheitsvorschriften ist der Verstärker mit einem Schuko-Stecker und
einem Schuko-Kabel ausgerüstet. Die Schutzerde dieses Kabels (rote Ader) ist fest mit dem Verstärkerchassis
elektrisch verbunden. Es sei dringend davor gewarnt., irgendwelche Änderungen an dieser Stelle vorzunehmen.
Netzschalter
Beim Einschalten des Verstärkers zeigt die oberhalb des Netzschalters befindliche rote Signallampe (Glimmlampe) die
Betriebsbereitschaft durch das Vorhandensein der Anodenspannung an. Nach weiteren 20 Sekunden sind die Röhren angeheizt
und der Verstärker ist spielbereit.
Das langsame Erlöschen der Signallampe beim Ausschalten ist normal, während ein sofortiges Erlöschen beim A
usschalten auf einen Fehler schließen läßt.
Eingangswahl
An den Verstärker können bis zu 5 verschiedene, voneinander unabhängige Tonquellen angeschlossen werden.
Das Umschalten auf die verschiedenen Tonquellen erfolgt mit dem Eingangswahlschalter, dessen Stellungen von links nach rechts
im Uhrzeigersinn markiert sind mit:
Mikro - Band - Phono - Radio I - Radio II
Um ein Übersprechen der Eingänge sicher zu vermeiden ist der Schalter so konstruiert, daß er die nicht
gewählten Eingänge kurzschließt.
Phono-Entzerrer
Da bei der Aufnahme von Schallplatten grundsätzlich eine Höhenanhebung verbunden mit einer Bassabsenkung vorgenommen
wird, ist für die frequenzlineare Wiedergabe ein Phono-Entzerrer erforderlich. Der Frequenzgang des Phono-Entzerrers im
Verstärker VS-70 ist umschaltbar. Steht der Schalter auf "EUROP" so ist sein Frequenzgang dem europäischen
CCIR-Schnitt, auf "USA" dem amerikanischen RIAA-Schnitt angepasst.
Leider haben sich die Hersteller von Schallplatten noch nicht einheitlich entschliessen können auf dem Etikett die
Entzerrung vorzuschreiben. Ist der Aufnahmeschnitt unbekannt, so wird die Entzerrung nach persönlichem Empfinden
gewählt.
Betriebsart
Der Verstärker kann mittels Schiebetasten in verschiedenen Mono- und Stereo Arbeitsstellungen betrieben werden.
Im Einzelnen ergeben sich durch einfachen Tastendruck folgende Wiedergabemöglichkeiten:
STEREO normal Stereowiedergabe bei Verwendung von Stereo Tonabnehmern, Stereo- (Rote Taste) Mikrofonen,
Stereo-Tonbandgeräten und FM-Stereo-Tunern.
Die grüne Signallampe leuchtet nur in dieser Stellung.
STEREO invert wie vor, es sind jedoch die beiden Seiten (links und rechts) vertauscht.
MONO A+B Wiedergabe monauraler Tonquellen mit beiden Kanälen. Normale Arbeitsstellung für die Wiedergabe
über Mono-Tonabnehmer, Mono-Mikrofon, Mono-Tonbandgerät und derzeitige UKW-Vorsatzgeräte, z.B. TELEWATT EM-10.
LINKS A Wiedergabe über linken Kanal, sowohl bei MONO- wie bei STEREO-Tonquellen.
RECHTS B Nur bei STEREO-Tonquellen Wiedergabe über den rechten Kanal.
In Fällen wo der Verstärker mit nur einem einzigen Lautsprecher betrieben wird, ist grundsätzlich die Taste
MONO A+B zu drücken.
Basisbreite
Mit diesem Regler können die Signale des linken und rechten Stereokanals gemischt werden, um bei zu breiter
Lautsprecherbasis oder bei Aufnahmefehlern einen übertriebenen Stereo-Effekt zu mindern. Wird - wie nachfolgend
beschrieben - ein dritter Lautsprecher am PHANTOM-Ausgang des Verstärkers angeschlossen, so kann mit diesem Regler
dessen Lautstärke beeinflusst werden.
Normalerweise ist der Regler jedoch in der Stellung MAX zu belassen (Entgegen dem Uhrzeigersinn bis zum Anschlag).
Balance
Unter normalen Abhörbedingungen und beim Betrieb gleichartiger Lautsprecher ist der Balance-Regler auf die
Dreiecksmarke zu stellen. Die richtige Einstellung der Balance wird am einfachsten dadurch geprüft., indem die Taste
MONO A+B gedrückt und abgehört wird. Bei richtiger Einstellung der Balance scheint der Klangkörper in der
Mitte zwischen den beiden Lautsprechern zu liegen. Eine Drehung des Reglers im Uhrzeigersinn bedeutet eine Lautstärke
zunähme des rechten Kanals und umgekehrt.
Lautstärke
Die Wiedergabe-Lautstärke wird mit dem als Doppel-Potentiometer ausgebildeten Spezialregler für beide Kanäle
gleichzeitig eingestellt. Erzielt man bereits auf dem ersten Teilstrich eine mehr als ausreichende Lautstärke, so ist
dies ein Zeichen dafür, daß die NF-Spannung der an dem betreffenden Eingang angeschlossenen Tonquelle zu gross
ist. Es empfiehlt sich daher, die von den NF-Tonquellen gelieferten Signale so zu dosieren und einzupegeln, daß sich
etwa dasselbe Lautstärke-Niveau wie bei PHONO ergibt.
Bei RADIO I: NF-Signale mittels Pegelregler einstellen.
Bei M1KRO: Besprechungsabstand vergrössern.
Bei BAND: Lautstärke am Tonbandgerät herabsetzen.
In der Stellung "Laut" ist der Frequenzgang des Verstärkers über den gesamten Tonbereich linear, in der
Stellung "Leise" wird eine Absenkung mittlerer Frequenzen vorgenommen, was einer scheinbaren Bass- und
Höhenanhebung entspricht. Durch diese "Entzerrung" wird für kleine Lautstärken eine Anpassung an
die Gehörempfindlichkeit (Fletcher-Munson Kurve) bewirkt und damit eine Wiedergabe-Verbesserung erzielt.
Verwenden Sie die Stellung "Leise" jedoch nur dann, wenn sehr leise Wiedergabe gewünscht wird.
Zeigt der Reglerknopf auf die Dreiecksmarke, dann erfolgt eine gleichmässige Verstärkung aller tiefen Frequenzen.
Drehung im Uhrzeigersinn ( + ) bewirkt Bassanhebung und umgekehrt.
Zeigt der Reglerknopf auf die Dreiecksmarke, dann erfolgt eine gleichmässige Wiedergabe aller hohen Frequenzen.
Drehung im Uhrzeigersinn ( + ) bewirkt Höhenanhebung und umgekehrt.
In der roten Normalstellung (Dreiecksmarke) ist das Multifilter wirkungslos und es werden alle Frequenzen gleichmäesig
übertragen.
Die links der roten Taste befindlichen schwarzen Tasten dienen als Rumpelfilter, wobei je nach Tastenwahl die Grenzfrequenzen
60 oder 120 Hz einstellbar sind.
Die rechts der roten Taste befindlichen schwarzen Tasten dienen als Höhenfilter, wobei je nach Tastenwahl die
Frequenzen 4 oder 8 kHz einstellbar sind.
Selbstverständlich können je eine Rumpel- und Höhenfiltertaste gleichzeitig gedrückt werden. Je nachdem
ob die Taste 60 oder 120 (Rumpeln) gedrückt wird, ist der untere Übertragungsbereich auf 60 bzw. 120 Hz begrenzt,
womit sich Rumpelgeräusche von Plattenspielern, Tonabnehmern, Schallplatten sowie Trittschallgeräusche von
Mikrofonen und Brummstörungen aller Art ausschalten oder abschwächen lassen.
Je nachdem ob die Taste 4 k oder 8 k gedrückt ist, wird der obere Übertragungsbereich auf 4 bzw. 8 kHz begrenzt,
womit Klirrverzerrungen, Rauschen und Überlagerungspfeifen des Programms ausgeschaltet oder abgeschwächt werden
können.
Anschlüsse an der Rückseite des VS 70
Rechts / B
Ausgangsklemmen 0, 4, 8 und 16 Ohm zum Anschluss des rechten Lautsprechers, z.B. TELEWATT Studio-Lautsprecher oder TELEWATT
Lautsprecherbox. (Rote Lautsprecherleitung an Klemme 0, weisse Lautsprecherleitung an 4, im Falle von TELEWATT Lautsprechern.)
Ausgangs klemmen 0, 4, 8 und 16 Ohm zum Anschluss des linken Lautsprechers, z.B. TELEWATT Studio-Lautsprecher TL-2 oder
TELEWATT Lautsprecherbox LB-122. (Rote Lautsprecherleitung an Klemme 0, weiße Lautsprecherleitung an 4, im Falle von
TELEWATT Lautsprechern. )
Grundsätzlich gilt: beide Lautsprecher müssen gleichartig gepolt sein.
Mono
Ausgangsklemmen für den Anschluss eines Lautsprechers für den Fall, dass der Verstärker in einer MONO-Anlage
betrieben wird.
Oder: Ausgangsklemmen für den Anschluss eines Nebenlautsprechers in Nebenräumen, wobei die Aussteuerung von beiden
Kanälen gemeinsam erfolgt (Summenschaltung A+B). Die Informationen des linken und rechten Kanals werden zu einem
"kompatiblen" Signal zusammengefügt. Rückwirkungen auf die Stereo - Hauptlautsprecher sind nicht
wahrnehmbar.
Jeder Lautsprecher von 4 bis 16 Ohm kann an diese Klemmen angeschlossen werden. Soll der Lautsprecher mit voller Leistung
betrieben werden, so ist ein Modell mit einer Schwingspulen-Impedanz von 4-5 Ohm vorzuziehen.
3. Kanal
Ausgang für den Anschluss eines dritten Lautsprechers, welcher zum "Ausfüllen" einer zu breiten
Lautsprecherbasis dient. Dieser Lautsprecher wird mit der Differenz des linken und rechten Kanals betrieben, er erhält
umso mehr Leistung zugeführt, je stärker der Stereo-Effekt in der Aufnahme enthalten ist. Wird mit dem
vorerwähnten Rasisregler der Stereo-Effekt reduziert, so geht im gleichen Masse die Lautstärke des dritten
Lautsprechers zurück.
Wird der Verstärker in der Betriebsart MONO A+B betrieben (z.B. bei Rundfunkwiedergabe) so entfällt die
Differenzbildung und der dritte Lautsprecher bleibt stumm. Dasselbe gilt, wenn anstelle einer STEREO-Schallplatte eine
MONO-Schallplatte wiedergegeben wird - auch hier ist eine Differenzbildung nicht möglich und der Lautsprecher bleibt
stumm.
Sollte in dem vorerwähnten Beispiel der dritte Lautsprecher bei MONO-Aussteuerung nicht stumm bleiben, so muss der
Balanceregler nachgestellt werden.
Phono K
Stereo-Normbuchse (3-polig) für alle handelsüblichen, hochohmigen Kristalltonabnehmer. Passende Stecker sind in
den Fachgeschäften erhältlich, z.B. HIRSCHMANN MAS 3 oder PREH 5991. Abschirmung und Nullleiter des Phonokabels
sind mit Kontakt 2 zu verbinden, der linke Eingang (A) ist mit Kontakt 3, der rechte Eingang (B) mit Kontakt 1 zu verbinden.
Ein innerhalb des Verstärkers, an diesem Eingang liegendes Netzwerk wandelt die Charakteristik des piezoelektrischen
Kristalls auf diejenige eines magnetdynamischen Tonabnehmers um, sodass der Phonovorverstärker-Entzerrer des VS-70 auch
heim Betrieb mit Kristall-Tonabnehmern wirksam ist. An diesem Spezialeingang des VS-70 kann man daher mit Kristall-Tonabnehmern
eine hohe Wiedergabe-Qualität erzielen.
Phono M
Stereo-Normbuchse (3-polig) für alle handelsüblichen magnetdynamischen Tonabnehmer. Tonabnehmer der Marken DUAL,
ELAC, PICKERING, PHILIPS, SHURE sind direkt an diesen Eingang - ohne irgendwelche Zwischenglieder - anschliessbar, da im
VS-70 ein hochwertiger, besonders verzerrungsarmer Studio-Vorverstärker enthalten ist.
Sehr niederohmige Tonabnehmer, wie z.B. diejenigen der Marken NEUMANN und ORTOFON benötigen einen Eingangsübertrager.
Neuerdings ist der ORTOFON Tonkopf jedoch mit im Kopf eingebauten Eingangsübertragern erhältlich, was eine
erhebliche Vereinfachung der Montage bedeutet.
Die Kapazität der Zuleitung für magn. Tonabnehmer sollte so gering wie möglich sein. Kapazitäten von
einigen 100 pF können je nach der Induktivität des Tonkopfes eine Höhenresonanz oder einen Höhenabfall
verursachen.
Passende Stecker sind in den Fächgeschäften erhältlich, z.B.HIRSCHMANN MAS 3 oder PREH 5991, Abschirmung und
Nulleiter des Phonokabels sind mit Kontakt 2 zu verbinden. Der linke Eingang (A) ist mit Kontakt 3 der rechte Eingang (B)
mit Kontakt 1 zu verbinden.
Plattenspieler mit im Laufwerk eingebautem Vorverstärker dürfen an diesen Eingang nicht angeschlossen werden.
Sofern man nicht vorzieht, den Tonabnehmer direkt mit dem Phono M Eingang des VS-70 zu verbinden, sind für diesen
Sonderfall die Eingänge RADIO I und RADIO II geeignet. Der Eingangswahlschalter ist dann anstelle auf PHONO auf RADIO
zu stellen.
Mikro
Stereo-Normbuchse (5-polig) mit folgender Kontaktbelegung:
Nulleiter und Abschirmung an Kontakt 2
Mikrofon Links an Kontakt 1
Mikrofon Rechts an Kontakt 4
Der Eingang ist hochohmig. Reicht bei der Verwendung von niederohmigen dynamischen Mikrofonen die erzielte
Wiedergabelautstärke nicht aus, so muss ein Eingangsübertrager (sogenannter Kabelübertrager)
dazwischengeschaltet werden. Als Stecker sind geeignet: HIRSCHMANN MAS 50 S oder PREH 8-7618.
Band
Stereo-Normbuchse (5-polig) für Wiedergabe und Aufnahme, gemäss folgender Kontaktbelegung:
Nulleiter und Abschirmung an Kontakt 2
Bandwiedergabe Links an Kontakt 3
Bandwiedergabe Rechts an Kontalrt 5
Bandaufnahme Links an Kontakt 1
Bandaufnahme Rechts an Kontakt 4
Passende Stecker sind in den Fachgeschäften erhältlich z. B.
HIRSCHMAKN MAS 50 S oder PREH 8-76l8.
Bei richtiger Anschaltung des Tonbandgeräts kann jedes Programm das über den Verstärker wiedergegeben wird,
in hoher Qualität aufgenommen werden. Die Band-Aufnahmespannung ist linear d.h. unabhängig von allen
Reglerstellungen. Die Aufnahmespannung steht an einem Ausgangswiderstand von 56 000 Ohm zur Verfügung, sodass eine
Kabelkapazität von einigen 100 pF zugelassen werden darf.
Bei RADIO I und RADIO II ist die vom VS-70 abgegebene Band-Aufnahmespannung etwa das 2-fache der dem Verstärker
zugeführten Eingangsspannung. Bei PHONO M und MIKRO ist die abgegebene Band-Aufnahmespannung etwa 20 mal grüsser
als die zugeführte Eingangsspannung. Es kann daher angenommen werden, dass im Mittel etwa 100 mV für die
Bandaufnahme vorhanden sind.
Radio I
Stereo-Normbuchse (3-polig). Passende Stecker sind in den Fachgeschäften erhältlich, z.B. HIRSCHMANN MAS 3 oder
PREH 5991. Abschirmung und Nulleiter des abgeschirmten Zuleitungskabels zum Rundfunk-Vorsatz (z.B. TELEWATT F M-Tuner FM-10)
sind mit Kontakt 2 zu verbinden. Der linke Eingang (A) ist mit Kontakt 1, der rechte Eingang (B) mit Kontakt 3 zu verbinden.
Mit den neben der Eingangsbuchse befindlichen Pegelreglern kann das Eingangs Signal nötigenfalls herabgesetzt werden.
Stellt man fest, dass bereits in der Anfangsstellung des Lautstärkereglers eine hohe Lautstärke erzielt wird, so
ist die Eingangsspannung zu hoch und muss durch Linksdrehen des Pegelreglers herabgesetzt werden.
Radio II
wie unter Radio I beschrieben, lediglich ohne dazwischengeschaltete Pegelregler. Dieser Eingang ist für beliebige
Tonquellen zu verwenden, beispielsweise für Fernsehton, Kristall-Tonabnehmer, Tonbandgeräte usw.
Nähere Aufschlüsse gibt das Schaltbild VS-70 129/227.
Fernregler
Anschluss für Fernregler gemäss Schaltbild VS-70 129/227. Als Fernregler ist jedes gute Tandem-Potentiometer mit
einem Widerstand von 2 x 50 000 Ohm und logarithmischer Kennlinie, sowie mit einer Gleichlaufgenauigkeit von 2 dB geeignet.
Dieses Potentiometer gehört nicht zum Lieferumfang des VS-70 und ist über die Fachwerkstatt zu beschaffen. Als
Leitung verwende man 2-adrige abgeschirmte Stereo-Leitung. Mit dem Einführen des Steckers (HIRSCHMANN MAS 3 oder PREH
5991) ist die Betriebsbereitschaft für Fern-Lautstärkeregulierung hergestellt. Es wird empfohlen den Fernregler
zunächst voll aufzudrehen und mit dem Lautstärkeregler des Verstärkers die Maximallautstärke zu
wählen, erst darnach wird mit dem Fernregler die gewünschte Lautstärke eingestellt.
Störungen
Die im Verstärker verwendeten Bauteile, wie Kondensatoren, Widerstände und Silizium-Gleichrichter sind für
höchste Betriebssicherheit dimensioniert und lassen daher einen jahrelangen störungsfreien Betrieb erwarten.
Beispielsweise darf bei den an zahlreichen Stellen verwendeten Langlebensdauer-Kondensatoren mit einer Lehensdauer von
mindestens 100 000 Betriebsstunden gerechnet werden.
Sollte trotzdem der Verstärker gelegentlich Störungen zeigen, so wird es sich in fast allen Fällen um
Röhrenfehler handeln. Die verdächtige Röhre wird am einfachsten gegen eine neuwertige, als einwandfrei
bekannte Röhre versuchsweise ersetzt. Das Heraussuchen einer fehlerhaften Röhre mit dem
Röhrenprüfgerät lässt zwar Funktionsstörungen der Röhre erkennen, eine qualitative Beurteilung
nach Brummgeräuschen, Rauschen usw. kann jedoch nur im Verstärker selbst vorgenommen werden. Röhren welche
innerhalb der 6-monatigen Garantiezeit ausfallen, werden unter Vorlage der Röhrengarantiekarte, welche jedem
Verstärker beigefügt ist, vom Röhrenhersteller kostenlos ersetzt. Der Verkäufer Ihres Verstärkers
ist angehalten, den Röhrenersatz für Sie durchzuführen.
Material-Garantie
Auf die im Verstärker verwendeten Bauteile mit Ausnahme der Röhren, für welche eine besondere Regelung gilt,
leisten wir eine Garantie von 12 Monaten gerechnet ab Verkaufsdatum. Auf Grund dieser Garantieleistung, verpflichten wir uns
zum kostenlosen Ersatz dieser Teile, sofern es sich um Materialfehler und nicht etwa um durch unsachgemässe Behandlung,
falschen Anschluss oder Netzüberspannung entstandene Schäden handelt. Das schadhafte Teil ist uns kostenfrei, mit
einem kurzen Fehlerbericht unter Angabe der Werknummer des Verstärkers wie folgt einzusenden:
KLEIN + HUMMEL Abt. Kundendienst
K e m n a t
bei Stuttgart
Wie vorher bereits erwähnt, beträgt die vom Röhrenhersteller geleistete Garantie 6 Monate. Im Schadensfall
muss die Abwicklung über Ihren Fachhändler erfolgen.
Leistungs-Garantie
Der Verstärker VS-70 durchläuft vor dem Versand eine Qualitätskontrolle.
Wir garantieren daher, dass Ihr Verstärker beim Verlassen des Werks die von uns propagierten Leistungsdaten aufweist,
wobei wir uns Toleranzen von ± 10 Prozent (vorwiegend durch Röhrentoleranzen bedingt) vorbehalten müssen. Bei evtl.
Beanstandungen ist uns der Verstärker kostenfrei, in seiner Originalverpackung vorschriftsmässig verpackt, mit
allen Unterlagen sowie einem Fehlerbericht wie folgt einzusenden:
KLEIN + HUMMEL Abt. Kundendienst
K e m n a t
bei Stuttgart
bei Bahnsendungen mit dem Zusatz: Bestimmungsbahnhof Stuttgart-Degerloch.
Werden die aus der Leistungs-Garantie herrührenden Beanstandungen innerhalb von 4 Wochen, ab Verkaufsdatum vorgebracht,
so erfolgt die Fehlerbehebung kostenfrei.
Abziehen der Haube des Verstärkers
Nach dem Entfernen der 4 Messingschrauben an der Gehäuse-Unterseite, kann das Verstärkerchassis nach hinten aus
der Haube gezogen werden, ohne dass irgendwelche Anschlüsse - mit Ausnahme des Netzkabels, welches aus der Netzsteckdose
zu ziehen ist - entfernt werden müssen.
Beim Herausziehen gehe man behutsam vor damit keine Verbindungsleitungen abgerissen und keine Bauteile beschädigt werden.
Beim Einbau verwende man unbedingt die Original-Messingschrauben, würden anstelle von Messingschrauben Eisenschrauben
verwendet, so wäre ein Anstieg der Brumm Spannung zu erwarten.
Einstellung des Symmetrie-Reglers
Nach denn Einsetzen einer neuen Endröhre EL 36 oder nach längerer Betriebszeit, ist mittels des Symmetrie-Reglers
auf minimalen Endstufen-Brumm einzustellen. Der Symmetrie-Regler befindet sich auf der Endstufen-Platine und ist auch bei
aufgesetzter Haube durch die Luftöffnungen mit einem Schraubenzieher einstellbar. Diese Einstellung auf minimalen
Endstufen-Brumm ist gleichzeitig das Verzerrungs-Minimum, sodass eine besondere Kontrolle hierfür entfallen kann.
Zur Einstellung des Brumm-Minimums wird empfohlen, die Vorröhre ECF 80 aus ihrer Fassung zu ziehen (es entfällt
dann die brummkompensierende Wirkung der Gegenkopplung und das Brumm-Minimum wird ausgeprägter).
Wird nunmehr der Verstärker bei angeschlossenen Lautsprechern eingeschaltet, dann muss ein starkes Brummen zu hören
sein, welches mittels des Symmetrie-Reglers auf Minimum zu stellen ist. Der Regelbereich ist ausreichend, um die
fertigungstechnisch bedingten Röhren-Toleranzen ausgleichen zu können. Extrem unterschiedliche Röhren EL 36
können jedoch nicht in allen Fällen symmetriert werden, so daß von einer Anzahl Röhren EL 36 die best
geeignetsten auszusuchen sind. Nach erfolgter Einstellung auf Brumm-Minimum wird die Röhre ECF 80 wieder eingesetzt.
Achtung: Die Anschlusskappen der Röhren EL 36 dürfen nicht verwechselt werden, da sonst eine Zerstörung des
Ausgangsübertragers eintreten kann.
Um einer Verwechslung vorzubeugen, ist eine der Anschlusskappen farbig markiert, ebenso das dieser Röhre
gegenüberliegende Chassisteil.
Einstellung des Brumm-Reglers
Nach dem Einsetzen einer neuen Röhre ECC 83 oder nach längerer Betriebszeit kann es nötig werden, den
Vorstufen-Brumm mittels des Brumm-Reglers auf minimales Brummen einzustellen. Der Brumm-Regler befindet sich an der
Chassis-Rückseite und wurde beim Verlassen des Werks optimal eingestellt. Da die Vorstufen des Verstärkers mit
Gleichstromheizung, anstelle der sonst üblichen Wechselstromheizung betrieben werden, ist eine Nachstellung nur bei
Röhren mit starker Brummanfälligkeit notwendig.
Um die Einstellung eindeutig vornehmen zu können,, gehe man wie folgt vor:
a) Eingangswahlschalter auf MIKRO stellen {da diese Stellung besonders brummeinpfindlich ist)
b) MIKRO-Eingangsbuchse nicht belegen (um etwa von aussen einstreuenden Leitungsbrumm auszuschalten)
c) Balance auf Dreiecksmarke
d) Lautstärkeregler nach rechts bis zum Anschlag drehen
e) Bassregler nach rechts bis zum Anschlag drehen
Bei angeschaltetem Verstärker und angeschlossenen Lautsprechern stellt man nunmehr mittels des Brumm-Reglers auf
minimalen Brumm ein. Hat man nach dieser Empfehlung das Brumm-Minimum gefunden, so darf das Brummen bei linear eingestelltem
Bassregler kaum wahrzunehmen sein. Ein Brummen bei angeschlossenem Eingang lässt auf eine äussere Brumm-Einstreuung
schliessen. Man überprüfe in diesem Fall den Steckeranschluss, die Abschirmung des Kabels und den Kabelanschluss
an der Tonquelle.
Änderungen vorbehalten
Technische Daten TELEWATT VS-70
Ausgangsleistung
2 x 45 Watt NF-Impulsleistung (Music -Power nach IHFM-Definition)
2 x 30 Watt Dauertonleistung (40 Hz - 20 kHz)
Verzerrung
lt. Protokoll Nr. 14499. 6l der Phys. -Techn. Bundesanstalt für 30 Watt
60 Hz .......0,63% (Gesamtklirrgrad K2 bis K6)
1 kHz ..... 0,3%
5 kHz ..... 0,31%
10 kHz ...... 0,22%
Intermodulationsgrad für 30 Watt ca. l,5% bei 50 / 6000 Hz und 1:4.
Frequenzgang
ab Radio-Eingang 25 Hz - 20 kHz + 0,2 dB
Rechteckdurchlass
Eine Rechteckfolge-Frequenz von 10 kHz wird praktisch unverformt und ohne Einschwingvorgänge übertragen,
entsprechend einer oberen Grenzfrequenz von 100 kHz (17 Watt).
Eingänge
2 x Phono Magn. 4,5 mV (47 kOhm)
2 x Phono Kristall 310 mV (68 kOhm)
2 xMikro 5 mV (1 Megohm)
2 x Radio I 40 mV (1 Megohm)
2 x Radio 11 40 mV (1 Megohm)
2 x Band 40 mV (1 Megohm)
Übersteuerungssicherheit der Eingänge
210 mV bei Phono Magn.
5,5 V bei Phono Kristall (über 1000 pF)
250 mV bei Mikro
l, 8 V bei Radio und Band
Phono-Entzerrung
umschaltbar auf RIAA (USA) und CCIR (Europa)
Maximale Abweichung von der Sollkurve ± 0,5 dB.
Klangregelung
Bass-Anhebung + 15 dB bei 20 Hz
Bass-Absenkung - 18 dB bei 20 Hz
Höhen-Anhebung +15 dB bei 20 kHz
Höhen-Absenkung - l5 dB bei 20 kHz
Multifilter
Rumpelfilter: 60 Hz oder 120 Hz wählbar
Höhenfilter: 4 kHz oder 8 kHz wählbar
Kurvensteilheit 12 dB / Oktave
Balance
Regelbar + 15 dB
Störabstand
des Endverstärkers 93 dB
aller Stufen ab Radio I 70 dB
aller Stufen ab Phono 60 dB
Ausgänge
Linker und rechter Kanal je 4, 8 und 16 Ohm
Summen-Ausgang A+B für den Betrieb eines einzelnen Mono-Lautsprechers (2 x 30 Watt)
Differenz-Ausging A-B für den Betrieb eines dritten Stereo-Lautsprechers (Phantom-Kanal)
Tonbandaufnahme
Ausgangswiderstand 56 kOhm, unbeeinflusst von allen Reglern. Verstärkung der Aufnahme Spannung bezogen auf
Eingangsspannungen
Phono und Mikro ca. 20 fach
Radio und Band ca. 2 fach
Übersprechdämpfung
in beiden Richtungen besser als 45 dB (1000 Hz)
Stabilität
Sicherheitsabstand gegen Schwingen ca. 20 dB
Netzteil
110 / 127 / 145 / 220 / 245 V umschaltbar
Stromaufnahme 90 VA
Vollweggleichrichtung mit zwei Silizium-Dioden Typ S&H Si-1
Röhrensatz
6 x ECC 83 (Vorstufen)
2 x ECF 80 (Phasenumkehr- und Treiberstufe)
4 x EL 36 (Gegentaktendstufen)
(Auch hier gilt wieder, wie oben - wenn Sie Sich diese beiden Schaltpläne auf Ihren Computer
kopieren und anschließend ausdrucken, werden Sie sie in gut lesbarer Qualität vorfinden.)