Einfacher Clipper-Zusatz

Das Modulationsspektrum von Amateursendern soll nicht breiter als etwa 300...2500 Hz sein. Dieses Frequenzspektrum reicht für gute Sprachverständlichkeit im Funkverkehr aus und vermeidet Störungen der Nachbarnkanäle (Splattern).
Er eignet sich ferner für Tonbandfreunde, wenn Trickaufnahmen von telefonähnlichem Charakter gemacht werden sollen.
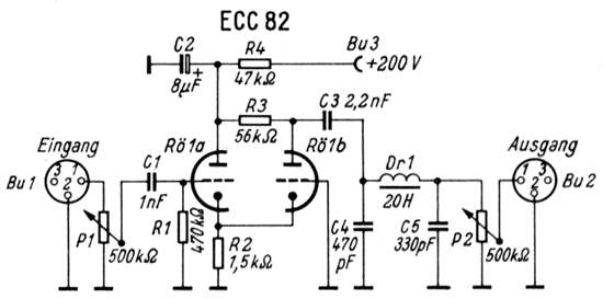
Die erwünschte Frequenzbandbeschneidung im oberen und unteren Bereich ist mit einem Clipper nach folgendem Schaltbild möglich :


Von Anschluß 1 der Buchse Bu 1 gelangt die Nf-Spannung über P 1, C 1 - dieser Kondensator senkt die Tiefen ab - zum Gitter der Röhre Rö 1a, deren Anode wechselspannungsmäßig über C 2 Massepotential hat. Diese Triode arbeitet in Anodenbasisschaltung (Kathodenfolger), während die zweite Triode (Rö 1b) in Gitterbasisschaltung betrieben wird. R 2 ist gemeinsamer Kathodenwiderstand. Beide Röhrensysteme erhalten über R 4 ihre Anodenspannung. R 3 ist der Anodenarbeitswiderstand des zweiten Systems.
Die verstärkte Nf-Spannung wird über C 3 zum Tiefpaßfilter C 4, Dr.1, C 5 und von dort über P 2 zum Anschluß 1 der Ausgangsbuchse Bu 2 geführt.
Die Frequenzkurve zeigt bei 300 Hz einen starken Abfall der tiefen und bei 2500 Hz einen ebenso starken Abfall der hohen Frequenzen.


Das folgende Bild zeigt den mechanischen Aufbau, er kann auf einfachste Weise auf einem Experimentierboard (Lochplatine, 130 x 100 mm) aufgebaut werden.



Viel Spass beim Nachbau ..

Zurück zur Hauptseite