Eingangsanzeige mit Nixie VFD Röhre IV-3 / IV-6
Falls ihr dieses oder ähnliches 4 Kanal Eingangsmodul für eure Röhrenverstärker nutzt, habe ich eine Lösung bezüglich der Kanalanzeige über VFD Röhren ( die gibt es recht günstig bei Aliexpress, eBay usw. )

Die Bezeichnung ist:
4 CH Audio Input signal Selector Relay Board
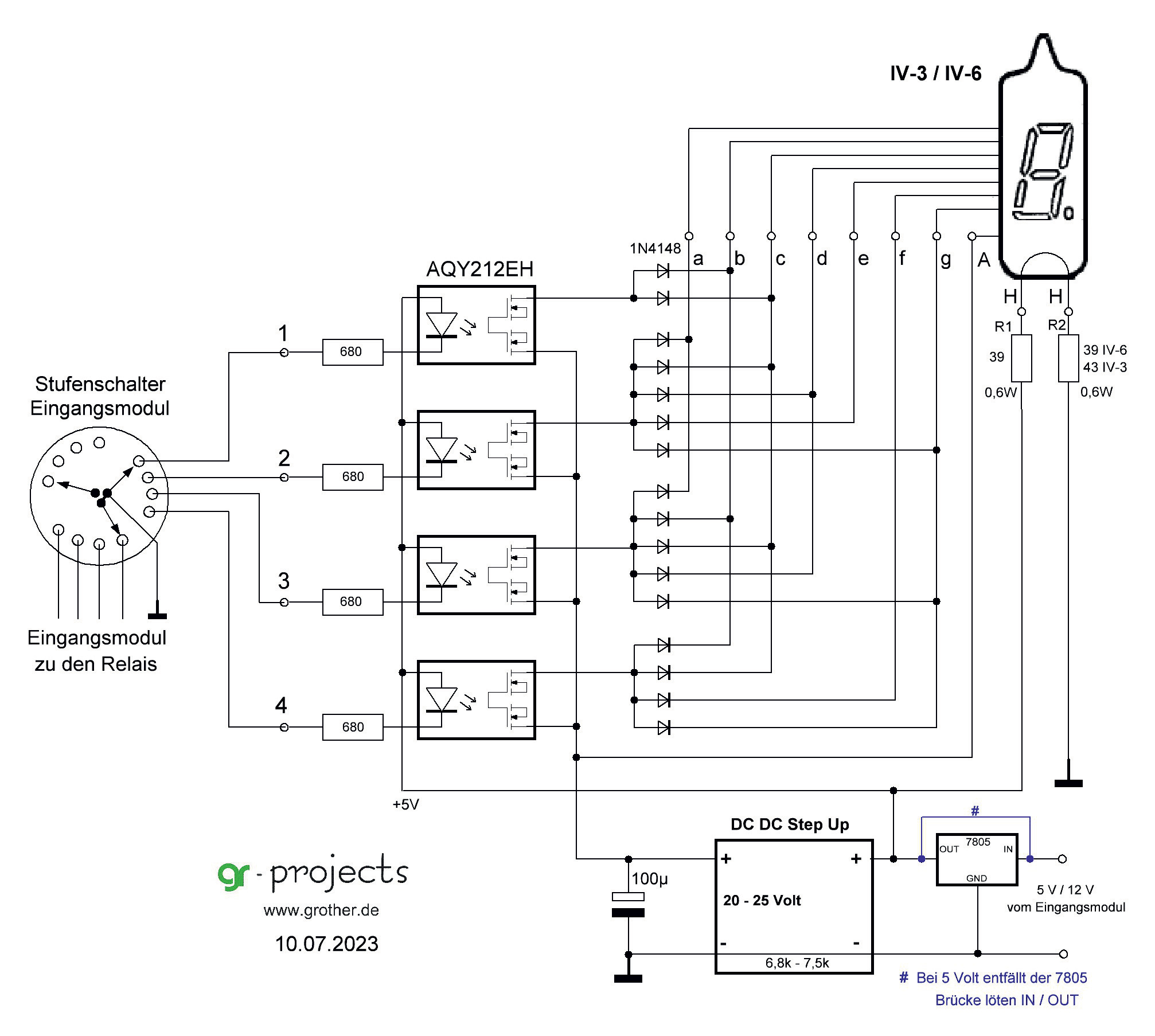
Hier ist die Kanalanzeige mit Led´s realisiert - nicht stilgerecht für Röhrenverstärker. Ich habe eine Anzeige realisiert mit VFD Röhre die den eingestellten Kanal 1 - 4 anzeigt Die Schaltung:

Das Layout der Platine ist vorgesehen für IV-3 und IV-6 VFD Röhren.
Ihr könnt auch die größere IV-11 Röhre einsetzen. Lötpunkte dafür sind vorhanden. Der Widerstand R2 wird dann durch eine Brücke ersetzt
Zur Funktion:
Der Stufen bzw. Drehschalter, Eingangsmodul schaltet bei den meisten Modulen Minus. Am Schalter, Ebene 2 müssen dann die 4 Drähte für den Eingang 1-4 gelötet werden. Beim Schaltkontakt Mitte muss eine Brücke gelötet werden von Ebene 1 nach Ebene 2
Falls das Eingangsmodul Plus schaltet, dann den Minus vom Eingangsmodul nach Schaltkontakt Mitte Ebene 2 löten.
Hier die bestückte Platine 93mm x 33mm


Den Bausatz incl. IV-6 Röhre könnt ihr bei mir bekommen 22,00€ incl. Versand Die Platine 4,50€ incl. Versand ( Stand 07/2023 )

www.grother.de
Günter Rother
mail@grother.de