Ein Mittelwellen-Einkreiser mit einer Röhre ECC 82

Wer sich vornimmt, einen einfachen Wechselstrom-Einkreiser für Kopfhörerempfang zu bauen, merkt bald, daß dabei das Netzteil am teuersten ist. Die üblichen Netztransformatoren und Selengleichrichter sind für Empfänger mit einer Lautsprecher-Endröhre bestimmt, sie werden bei einer Kopfhörer-Schaltung nur zum kleinen Teil ausgenutzt, so daß man unnötig Geld ausgibt wenn man sich ihrer bedient. Beim hier beschriebenen Gerät wird ein normaler Lautsprecher-Übertrager mit einem Anpassungsverhältnis von 7 KOhm auf 5 oder 8 Ohm - z.B. von einer EL-84-Endstufe aus einem defekten alten Groß-Super - als Netztransformator benutzt. Allerdings wird ein Ausgangs-Übertrager mit einer Ausgangs-Impedanz von 4 Ohm und 8 Ohm benötigt.
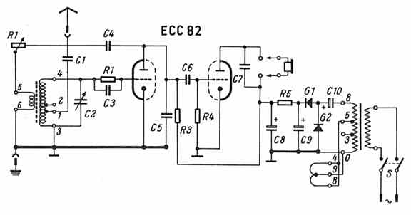
Zur Gleichrichtung dienen zwei Dioden und zur Siebung genügen ein Widerstand und zwei 50-uF-Elektrolytkondensatoren.

Die Schaltung


Das linke System der Röhre ECC 82 arbeitet als rückgekoppeltes Audion, bei dem der Rückkopplungsgrad mit dem Regler R 1 eingestellt wird. Das rechte System wird als Nf-Verstärker betrieben. Auf einen Ausgangsübertrager wird verzichtet, der Kopfhörer liegt unmittelbar in der Anodenleitung. Diese Maßnahme ist in diesem Ausnahmefall unbedenklich (keine Berührungsgefahr), denn die Anodenspannung des Gerätes beträgt nur rund 20 V. Allerdings müssen die Wicklungen des Transformators T einwandfrei voneinander isoliert sein !

Im Netzteil findet der bereits erwähnte Lautsprecherübertrager Verwendung. Er wird mit seiner hochohmigen 7 KOhm-Wicklung an das 220-V-Netz angeschlossen. Man kann leicht nachrechnen, daß dann an seiner niederohmigen 5 Ohm-Wicklung rund 6 V Wechselspannung liegen, mit denen sich die ECC 82 heizen läßt.


Das Übersetzungsverhältnis beträgt also 37,5 so daß sich die Spannungs-Abwärts-Transformation wie folgt ergibt: 220 / 37,5 = ~ 6 Volt
Aus der 8-Ohm-Anzapfung gewinnt man über C 10 die erforderliche bescheidene Anoden-Gleichspannung. Die beiden Dioden G 1 und G 2 arbeiten als Spannungsverdoppler und laden C 9 auf rund 21 V auf, von denen hinter dem Siebglied R 5 / C 8 noch 18 bis 19 V zur Verfügung stehen. Das reicht für den vorliegenden Zweck völlig aus.
Gleichfalls zur Senkung der Baukosten trägt bei, daß C 8 bis C 10 Niedervolttypen und daher billig sind.
Ferner wird im rechten System der Doppelröhre auf ein Katoden-R/C-Glied verzichtet, weil die erforderliche Gittervorspannung durch Anlaufstrom an R 4 entsteht.
Um ausreichende Rückkopplung zu erhalten, muß C 4 evtll. bis auf 220 pF vergrößert werden und der günstigste Wert von C 1 ist zu erproben.

Der Aufbau
Das nächste Bild zeigt, wie das Chassis angefertigt wird und aus dem übernächsten Bild geht hervor, wie man die Einzelteile auf dem Chassis anordnet.


Zur Verdrahtung benutzt man verzinnten 0,6 - mm isoliertem Kupferdraht. Die Drahtführung kann in allen Einzelheiten aus dem nächsten Bild entnommen werden.


Der Abstimmkondensator C 2 ist an der Frontplatte zu befestigen.
Die in den vorigen Bildern eingezeichneten und umrandeten Großbuchstaben A bis D dienen als Hilfe, sie zeigen an, wie eine in der Unteransicht des Chassis verlaufende Leitung oberhalb desselben anzuschließen ist. Am besten beginnt man mit dem Verdrahten der Leitung A, dann folgen B, D und E. Die beiden Drähte C (220 V~) sind dicht beieinander zu verlegen (am besten verdrillen) vorsichtshalber durch einen Isolierschlauch zu ziehen und eng an das Chassis anzudrücken. Zwischen der Spule und dem auf dem Bild nichtbenutzten großen runden Ausschnitt sitzt eine Lötösenleiste mit fünf Lötfahnen, die als Verdrahtungsstützpunkte dienen. In der Mitte rechts vom folgenden Bild ist diese Leiste gleichfalls gut zu erkennen. (Der erwähnte große runde Ausschnitt wurde für eine evtll. vorgesehene Erweiterung mit einer Lautsprecher-Röhre vorgesehen.)



Die Inbetriebnahme
Da das Gerät in erster Linie für den Anfänger bestimmt ist, sei auf einiges hingewiesen, was dem erfahrenen Praktiker längst geläufig ist : Vor dem Anschluß an das Netz müssen noch einmal sorgfältig alle Verbindungen überprüft und mit dem Schaltbild sowie den Verdrahtungsplänen verglichen werden.
Vor allem achte man sehr sorgfältig darauf, daß an keiner Stelle unbeabsichtigt ein Kurzschluß auftreten kann. Besonders kritisch sind in dieser Hinsicht kurze blanke Drahtenden, die in Chassis-Nähe liegen (z. B. Anschlüsse der Röhrenfassung). Ferner ist zu kontrollieren, daß nicht ein vom Lötkolben abgefallener Zinntropfen irgendwo versteckt sitzt und einen Fehlkontakt bewirkt.
- Und noch eine ganz eindringliche Warnung: Zwar beträgt die Anodenspannung nur etwa 20 V und ist deshalb ungefährlich, aber die Netzleitung, die zum Schalter am Rückkopplungsregler und von da zum Transformator läuft, führt 220 V.
Ein unbeabsichtigtes Berühren blanker Kontakte kann sehr gefährliche Folgen haben !

Das Einschalten erfolgt durch eine kurze Drehung am Schalter S des eben erwähnten Reglers.
In dieser Einstellung ist die Rückkopplung noch sehr schwach. Mit dem Drehknopf von C 2 wird jetzt ein Sender gesucht und gleichzeitig R 1 vorsichtig weiter nach rechts gedreht. Dabei muß auch C 2 nachgestimmt werden. Bei diesem Vorgang nimmt die Lautstärke immer mehr zu und die Abstimmung (der Drehbereich von C 2, in dem der Sender zu hören ist) wird "schmäler".
Dreht man R 1 zu weit nach rechts, so beginnt das Audion zu schwingen und im Kopfhörer wird ein Pfeifen hörbar, dessen Tonhöhe sich beim Verstellen von C 2 ändert. Dadurch entstehen Störungen in benachbarten Empfängern, weil jetzt aus unserem Audion ein kleiner, unerlaubter Sender wird.
Man darf also grundsätzlich niemals die Rückkopplung so weit treiben, daß Pfeifen auftritt. Das wäre auch sinnlos, denn die beste Lautstärke und gleichzeitig die höchste Trennschärfe erhält man bei einer Einstellung von R 1, die knapp vor dem berüchtigten "Pfeifpunkt" liegt.
Wichtig ist, daß der verwendete Kopfhörer möglichst hochohmig ist. Der übliche Wert liegt bei rund 2000 Ohm.
Wer die Trennschärfe des dieses kleinen Empfängers verbessern will, kann versuchsweise den Wert von C 1 verkleinern und gleichzeitig die Antenne mit dem Kontakt 2 der Spule verbinden. Mit einer guten, möglichst hoch gelegenen und frei ausgespannten Antenne hört man am Tage ausgezeichnet die starken Mittelwellen-Sender. Abends sind die meisten europäischen Sender vernehmbar.

Als MW-Empangsspule (Audionspule) kann eine handelsüble verwendet werden, z.B. wie auf den Bildern ersichtlich die Spule Nr. 402 der Fa. Amroh - oder man wickelt sie sich auf einem Siemens- oder Goerler-Schalenkern-Bausatz. Die auf dem Bild eingezeichnete linke Spule (Rückkopplung) sollte etwa 10 Wdg. aufweisen, die rechts eingezeichnete Spule insgesamt etwa 55 Windungen, bei Anzapfungen bei der 25. und der 30. Windung (Antennenanzapfung).

Die nächsten Bilder zeigen zum Abschluß noch einmal den Empfänger aus verschiedenen Positionen.







Tip zum Schluß : Versucht's mal mit einer ECC85..
- Und noch ein Tip : Durch die Art der Rückkopplung ist das Gerät geradezu prädestiniert für den KW-Empfang, bastelt mal mit den Spulen herum - z.B. die linke Wicklung mit 2-3 Windungen, die rechte mit 15 - 20 Windungen, - einfach mal ausprobieren..

Zurück zur Hauptseite