Ein Mittelwellen-Langwellen-Einkreiser mit einer Röhre ECL 86

Mit dem schon zuvor vorgestellten Einkreis-Empfänger mit der Röhre ECC 82 versuche ich Schaltungen vorzustellen mit heute noch gut erhältlichen, sehr preiswerten Röhren. - Warum sollte auch jedes Radio, welches aus Spaß am Basteln, an der Freude ein Radio selbst hergestellt zu haben, unbedingt mit den kaum noch erhältlichen alten großen Röhren aufgebaut werden ?
Für den hier vorgestellten Einkreiser, der mit einer Rundfunkempfängerröhre der E-Serie, einer ECL 86, aufgebaut ist, wird zweckmäßigerweise zunächst ein universelles Netzteil hergestellt, das die Heiz- und Anodenspannungen liefert.
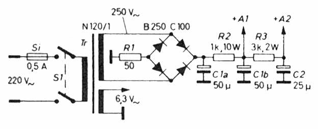
Als Netztransformator wird z.B. der Typ "N 120/1" (Engel) verwendet. Die Heizwicklung gibt eine Spannung von 6,3 V bei einer zulässigen Belastung von 3,8 A ab. An der Sekundärseite des Transformators kann man 300 oder 250 V entnehmen. - Ich verwendete einen Netztrafo aus einer alten, irreparablen Philetta, ebenso den Ausggangstrafo, - diese Philetta hatte entgegenkommenderweise eine ECL 86 als Endstufensystem - somit hatte ich dann auch gleich alles zu meiner Verfügung ..
Dieses Netzteil kann auch für den vorher von mir vorgestellten Einkreis-Empfänger mit der ECC 82 verwendet werden - hierdurch hat man dann bei diesem Empfangsteil die Möglichkeit eine Endstufenröhre mit einzuplanen.
Da nur Röhren der E-Serie benutzt werden, reichen die 250 V des Philetta-Trafo's völlig aus.
Die Gleichrichtung der Wechselspannung erfolgt mit einem Gleichrichter in Graetz-Schaltung (B 250 C 100), der maximal 250 V, 100 mA liefert. - Siehe das folgende Bild der Netzteil-Schaltung.


Der Lade- und der erste Sieb-Elektrolytkondensator (C 1a, C 1b) sind in einem Becherkondensator mit der Kapazität 50 + 50 uF zusammengefaßt. - R 1 stellt dabei einen Schutzwiderstand für den Anodenkreis dar, dieser ist ein normaler, kleiner 0,1 - 0,15-Watt-Widerstand. Da der gesamte Strom, der dem Netzteil entnommen wird (außer dem Heizstrom) über R 1 fließt, brennt er bei Überbelastung durch und wirkt so als Sicherung.
Der Siebwiderstand R 2 gewährleistet in Verbindung mit dem Siebkondensator C 1b eine ausreichende Siebung der Betriebsspannung +A 1. Die Spannung +A 2 wird zusätzlich durch R 3 und C 2 gesiebt.
Vor dem Netzschalter S 1 liegt ein Sicherungselement, in das die der Leistung des Netztransformators entsprechende Sicherung Si (0,5 A) eingesetzt werden muß.

Mechanischer Aufbau
Eine 2... 3 mm dicke Pertinax- oder Aluminiumplatte mit den Abmessungen 200 x 120 mm bietet - sollte das Netzteil separat als Universal-Netzteil aufgebaut werden - genügend Platz für den Aufbau. Auf der Unterseite erhält sie Gummipuffer, die mindestens 14 mm hoch sein sollten. Dadurch gewinnt man genügend Platz für die Befestigungsschrauben und -muttern der Einzelteile sowie für die Verdrahtung.

Der MW-LW-Einkreisempfänger
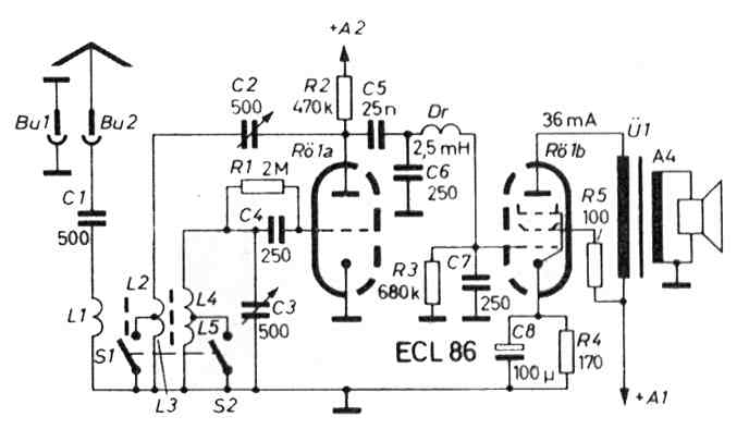
Ein leistungsfähiger Einkreiser erfordert nur einen geringen Aufwand. Die NF-Röhre ECL86 läßt sich dafür sehr gut verwenden, wenn man das Triodensystem in Audionschaltung betreibt. Der Pentodenteil liefert ausreichende Verstärkung für guten Lautsprecherempfang.

Audionstufe
Bei der Audionschaltung entsteht am Steuergitter eine negative mittlere Gleichspannung, der die Tonfrequenzspannung überlagert ist. Die am Gitter der Audionröhre liegende Niederfrequenz (NF) wird in der Röhre verstärkt und an der Anode kapazitiv über C 5 abgenommen.


Als Spulenkörper wird ein Vogt-Schalenkern "5 N 34/28 FC" verwendet, auf den alle fünf Spulen gewickelt werden. L 1 ist die Antennenankopplungsspule. Zwischen dem Spulenanfang und der Antennenbuchse liegt noch der Kopplungskondensator C 1.
Der Empfänger ist für zwei Wellenbereiche (Mittel- und Langwelle) ausgelegt. Bei LW müssen S 1 und S 2 geöffnet sein. Damit liegen die Spulen L 2 und L 3 sowie L 4 und L 5 hintereinander. Der Schwingkreis für LW besteht also aus L 4, L 5 und dem Drehkondensator C 3 und wird über die Audionkombination R 1, C 4 an das Steuergitter des Triodensystems der Röhre angekoppelt.
Die Rückkopplungsspule L 2, L 3 liegt über den Drehkondensator C 2, mit dem sich der Rückkopplungsgrad einstellen läßt, an der Anode. Die Rückkopplung setzt sehr weich ein, denn der Arbeitspunkt liegt richtig im flachen Kennlinienteil des Triodensystems.
Bei MW-Empfang sind S 1 und S 2 zu schließen, dadurch werden die Spulen L 3 und L 5 kurzgeschlossen. Dann stellt L 4 die Schwingkreisinduktivität und L 2 die Rückkopplungsspule dar.

NF-Endstufe
Vor dem Gitter der Endröhre, dem Pentodensystem der ECL 86, liegt eine Siebkette (C 6, C 7, Dr) zur Aussiebung etwaiger HF-Reste. Die Drossel Dr hat eine Induktivität von 2,5 mH, sie kann z.B. für ein paar Pfennige über Conrad-Elektronik bezogen werden.
Der Kathodenwiderstand R 4 ist mit dem 100-uF-Kondensator C 8 überbrückt, um eine Stromgegenkopplung zu verhindern. Das Pentodensystem Rö 1b benötigt einen Außenwiderstand von 7 kOhm, der von der Primärwicklung des Ausgangsübertragers gebildet wird.
Die Schaltung zeigt, daß zwei verschiedene Betriebsspannungen verwendet werden. Diese beiden Spannungen +A 1 und +A 2 entnimmt man dem Netzteil.

Zum Abschluß noch die Wickeldaten der Empfangs-Spule:



Zurück zur Hauptseite