Fahrrad - Super




An allen möglichen und unmöglichen Orten tönen Lautsprecher - am Strand, auf der Wiese, im Wald und aus im Hundertkilometertempo dahinbrausenden Autos. Der meist im Staub seiner verkehrsteilnehmenden Brüder dahinkriechende Radfahrer empfindet die ab und zu an sein Ohr dringenden Musikfetzen geradezu als Herausforderung und man darf sich nicht wundem daß einer aus dieser Gilde sich schließlich hinsetzte und einen 'Fahrradsuper' konstruierte. - Was dabei herauskam, ist so originell, daß ich es unseren fahrradfahrenden Losern nicht vorenthalten wollte.

Natürlich muß ein Fahrradsuper möglichst klein sein, damit er sicher und praktisch angebracht werden kann. Das läßt sich leicht ermöglichen, wenn man ihn in drei Teilen montiert:
Empfänger,
Lautsprecher und
Anodenbatterie.
- Letztere wird in einer Seitentäsche am Gepäckträger untergebracht.

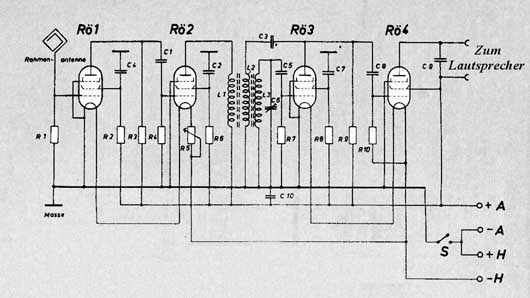
Aus dem Schaltbild ist zu ersehen daß das Gerät mit einer doppelten Hochfrequenzvorstufe arbeitet, die einwandfreien Empfang während des Fahrens gewährleistet. Dadurch kann man auch die Antenne verhältnismäßig kurz halten. Beim Mustergerät ist sie nur 80 cm lang. Damit das Gerät nicht so teuer wird, ist der Empfänger als Einkreiser ausgeführt. Selbstverständlich kann man den Fahrradsuper auch als fest eingestellten Ortsempfänger bauen.
Die Bestückung besteht aus den Wehrmachtsbatterieröhren RV 2,4 P 700.
Die von der Antenne aufgefangene Spannung wird dem Steuergitter von Röhre l zugeleitet. In dieser Röhre wird die Antennen-Spannung aperiodisch vorverstärkt, das heißt, alle von der Antenne aufgenommenen HF-Spannungen werden verstärkt. Es wird also noch keine Abstimmung vorgenommen. Über C l gelangt die Hochfrequenz an das Gitter der Röhre 2. Auch in dieser Stufe wird noch nicht abgestimmt. Die nochmals verstärkte Antennenspannung wird nun von der eigentlichen Antennenspule L1 auf den Gitterkreis L3 der Audionröhre (Rö3) übertragen. Mit C6 wird die Abstimmung des gewünschten Senders vorgenommen. L2 ist eine Rückkopplungswicklung und C3 der dazugehörende Rückkopplungskondensator. Dieser kann abstimmbar gemacht werden. Hierfür eignet sich ein Quetschdrehko von ca. 180 bis 200 pF Endkapazität.


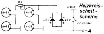
Von der Anode der Röre 3 gelangt die Niederfrequenz über C8 zur Endröhre, wo sie verstärkt und im Lautsprecher hörbar gemacht wird. Die Lautstärkeregulierung wird durch ein in den Heizkreis von Rö l und Rö 2 geschaltetes Potentiometer erreicht. - Mit dem Potentiometer ist Schalter S verbunden.
Der Pluspol der Heizbatterien wird im Gerät mit dem Minuspol der Anodenbatterie verbunden. Durch diese Maßnahme erhalten alle Röhren eine Gittervorspannung von ca. 2 V.


Der Bau des Fahrradempfängers ist relativ einfach. Er mißt lediglich 200 x 80 x 80 mm; der Lautsprecher wird in ein Gehäuse von 140x140x90 mm eingebaut. Es wurde ein permanentdynamischer Lautsprecher von 130 mm Durchmesser verwendet. Damit sich das Gerat an dem Rahmengestell des Fahrrades gut anbringen läßt, wurden am Boden der beiden Gehäuse je zwei Fahrradpumpenhalter angeschraubt.

Zunächst wird die Montageplatte (Teil l) angefertigt, die gleichzeitig als Gehäusedeckel dient.


Eine Baubeschreibung hierzu erübrigt sich, da aus den Zeichnungen alles klar und deutlich ersichtlich ist. Bei der Montage der Röhrensockel (Teil 2) achte man darauf, daß die in der Zeichnung angegebene Gradstellung der Röhrenfassungen genau eingehalten wird !

Dann werden die Teile 4a und 4b hergestellt. Unter Umständen erhält man diese Stützpunktplatten maßgerecht beim Radiofachmann. Ihre Herstellung macht aber keine Schwierigkeiten :
Zwei Pertinax- oder andere Isolierplatten werden nach den in der Zeichnung angegebenen Maßen ausgeschnitten und an den Breitseitenkanten mit je vier Lötösen versehen. Bevor nun die Teile 4a und 4b nach dem Montageplan eingebaut werden, setzt man das Potentiometer (Teil 8) in Teil 1 ein. Auf Teil 4 a wird der vorher nach der Spulentabelle gewickelte Görlerspulenkörper F 202 befestigt. Die herausragenden Drahtenden werden dem Verdrahtungsplan entsprechend angelötet.


Teil 3, ein MP-Blockkondensator von 2 x 0,1 uF (C2 und C7), wird nun ebenfalls auf Teil l montiert. Die Teile 6 und 7 werden nach der Zeichnung angefertigt und unter starkem Druck mit UHU-Alleskleber (oder UHU-Plus) auf Teil l befestigt.
Teil 6 dient als Isolierung zwischen der Montageplatte und den Batteriekontaktplatten. An die herausragenden Lötfahnen der beiden Kontaktplatten, welche etwas nach oben gebogen sind, müssen bei der Verdrahtung die Heizleitungen angelötet werden. Nachdem die drei isolierten Buchsen in die vorgebohrten Löcher von Teil l eingesetzt sind, ist der mechanische Aufbau fertig, und man kann mit dem Verlöten der elektrischen Teile beginnen.


Bei der Verdrahtung der Widerstände und Kondensatoren fängt man mit dem Verlegen der Heizleitungen an. Danach wird eine Stufe nach der anderen geschaltet, wobei man mit der Endstufe beginnt. Die Teile 4a und 4b werden nach dem Verdrahtungsplan geschaltet. Hier muß man sich an den Schaltplan halten, da auf kürzeste Leitungen Wert gelegt wurde. Zum Schluß werden an Teil 4a noch die Anodenzuleitungsdrähte gelötet, die an beiden Enden mit Anodenspezialsteckern versehen wurden.

Beim Bau des Gehäuses richtet man sich nach der obigen Zeichnung. Teil 4 bildet die Trennwand zwischen dem eigentlichen Gerät und den beiden Heizbatterien.
Ist das Gehäuse verleimt und getrocknet, so schmirgelt man es mit feinem Sandpapier glatt. Abschließend wird es mit einem Lackanstrich versehen.

Als Stromquelle werden eine 90-V-Anodenbatterie (hergestellt aus 10 Stück 9-Volt-Blockbatterien) und zwei parallel geschaltete Taschenlampenbatterien von je 4,5 V verwendet. - Bei mäßigem Gebrauch hält eine Anodenbatierie etwa ein Vierteljahr, die Heizbatterien 20 - 25 Stunden. Diese lange Lebensdauer der Heizbatterien wurde dadurch erreicht, daß je zwei Röhrenheizfäden hintereinander angeordnet wurden.


Sind Gerät und Gehäuse fertiggestellt, so können sie zusammengebaut werden. Zuvor werden die Minusktontaktfahnen der beiden Heizbatterien in der Mitte nach hinten umgebogen, wodurch ein besserer Kontakt zustande kommt. Dann werden Batterien und Empfänger ins Gehäuse versenkt und der Deckel mit vier Holzschrauben befestigt.
- Wichtig ist, daß die Pluskontaktfahnen, dem Montageplan entsprechend, rechts oben stehen. Unser Super muß am Fahrrad gut befestigt sein, damit er nicht schon bei der ersten Erschütterung davonfliegt.

Stückliste :

Widerstände:
R 1 - 30 kOhm 0.25 W
R 2 - 1 MOhm 0,25 W
R 3 - 100 kOhm 0.25 W
R 4 - 20 kOhm 0,35 W
R 5 - 10 - 50KOhm Potentiometer
R 6 - 100 kOhm 0,25 W
R 7 - 2 MOhm 0,25 W
R 8 - 1 MOhm 0.25 W
R 9 - 300 kOhm 0.25 W
R 10 - 1 MOhm 0,25 W
Kondensatoren:
C 1 - 100 pF 250 V
C 2 - 0,1 uF 350 V
C 3 - 100pF 250 V
C 4 - 10.000 pF 150 V
C 5 - 100 pF 250 V
C 6 - 30 - 500-pF Drehkondensator
C 7 - 0,1 uF 250 V
C 8 - 10.000pF 250V
C 9 - 5000 pF 250 V
1 MP -Blockkondensator
Röhren:
Rö 1 - RV 2,4 P 700
Rö 2 - RV 2,4 P 700
Rö 3 - RV 2,4 P 700
Rö 4 - RV 2.4 P 700
Sonstige Einzelteile:
4 St. Röhrenfassungen für RV 2,4 P 700
3 St. isolierte Telefonbuchsen
2 St. Anodenstecker
1 St. Spulenkörper Görler F 202 - siehe nachfolgendes, letztes Foto
1 St. Drehknopf für Drehkondensator
2 St. Batteriekontaktplatten (Messing)
4 St. Röhrenfassung (-sockel) f. RV 2,4 P 700
1 St. Pertinaxplatte
1 St. Montageplatte (Alublech)
Auf dem letzten Bild ist zu erkennen wie ein Görler-Spulenkörper aussieht. Links ein fertig zusammengesetzter, davor erkennt man die Einzelteile des Spulenbausatzes. Er besteht aus dem äßeren Körper aus Ferrit mit einem ein / ausschraubbaren Kern, auch aus Ferrit. Dort hineingesetzt wird der Spulenkörper aus Plastik - man erkennt noch die einzelnen Kammern. links neben des Plastikspulenkörpers die Bodenplatte wiederum aus Ferrit, die, nach wickeln und prüfen der fertigen Spule, mit Kleber (Sekundenkleber, UHU-Endfest, etc.) dauerhaft fixiert wird.

Nachtrag: Diesen kleinen Super kann man auch ohne weiteres - in einem Holzgehäuse eingebaut - als Radio in die Stube stellen. - Hierfür würde ich allerdings dann die Wehrmachtsröhren RV 12 P2000 empfehlen.



Zurück zur Hauptseite