Einröhren - Frontempfänger

In alten Funkschauheften von 1932 fand ich einige Leserbeiträge, die sich mit Einröhren-Empfängern beschäftigten. Da die Verfasser sich zu diesem Zeitpunkt an der Front befanden war es für sie wichtig, einerseits so klein wie irgend möglich aufzubauen, andererseits aber einen bestmöglichen Empfang zu erreichen. Aus diesen Erfordernissen entstanden oft die abenteuerlichsten Schaltungen - aber auch oft gute Ideen, die dann später von der Radioindustrie als Innovation aufgegriffen wurde.
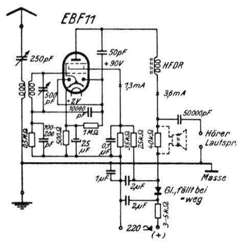
Die vollständige Schaltung eines solchen Frontempfängers (der Verfasser hieß Rolf Gruhle) zeigt das erste Bild. Ungewöhnlich ist hier die kapazitive Antennenregelung; mit ihr hat es folgende Bewandtnis: Wird der Aufbau so durchgeführt, daß ohne Antenne (bzw. bei sehr kurzer Antenne) die Röhre zu schwingen anfängt, so kann man mit diesem Drehkondensator bei normaler Hochantenne die Empfindlichkeit ganz bedeutend steigern (bis zum Schwingungseinsatz). Diesen Einsatzpunkt kann man sich nun je nach Bedarf und Antenne beliebig einstellen (u. U. Trimmer 1 bis 5 pF zwischen Gitter und Anode oder Schirmgitter).


Grundsätzlich könnte auch eine Dreipol-Verbundröhre (EBC11) Verwendung finden, jedoch ergibt eine Fünfpolröhre größere Leistung. Allerdings muß bei der letzteren ein Kompromiß insofern geschlossen werden, als durch Einschalten eines Anodenwiderstandcs die HF-Verstärkung sinkt, die NF-Verstärkung aber mit Ra-Vergrößerung ansteigt. Der günstigste Wert liegt bei etwa 40 kW, wenn Widerstandskopplung verwandt werden soll (Siehe Diagramm).


Je nach Lautsprecher ist es aber genau so möglich, ja oft besser, wenn er direkt in den Anodenstromkreis gelegt wird (ausprobieren!).
Ob das Netzteil mit Transformator und Gleichrichterröhre oder Kompaktgleichrichter ausgeführt wird, hängt von den Verfügbaren Einzelteilen ab. Mit Kompaktgleichrichter konnte das Gerät selbst auf eine Größe von 8 x 8 x 4,5 cm gebracht werden. Wichtig ist die Stabilität der beiden Drehkondensatoren (isolierter Aufbau!).
So bringt dieses Gerät eine weitere Vereinfachung und Empfindlichkeitssteigerung; es hat sich als "Soldatenknirps" sehr gut bewährt.

Am interessantesten und wichtigsten für den Bastler ist meist immer die Frage nach dem Aufbau der Spulen. Die nächste Schaltung beschreibt einen weiteren Einröhren-Frontempfänger (Verfasser E. Lörtsch) mit einer etwas eigenwilligen aber sehr interessanten Spulenanordnung mitsamt Spulenkoppler.


Bei der Herstellung der Spulen geht man am besten so vor, daß man auf einen Körper von 35 mm Durchmesser die Windungszahl der betr. Spule (Drahtstärke 0,2 mm) wild aufwickelt, sie dann mit vorher untergelegtem Bindfaden abbindet und dann vom Körper herunterzieht. Sind alle vier Spulen auf diese Art gewickelt, so werden sie auf starken Karton- oder Pertinaxstreifen befestigt und auf einem Gestell angeordnet, wie es das nachfolgende Bild zeigt.


Die inneren beiden Spulen dienen zur Antennenankopplung und müssen sich zur Seite schwenken lassen. Der Abstand der einzelnen Spulen beträgt etwa 10 mm. Der Gitterspule mit 200 Windungen steht die Antennenspule mit 80 Windungen gegenüber, der Gitterspule mit 80 Windungen die Antennenspule mit 40 Windungen. Im übrigen ist es ganz unwichtig, was für eine Spule verwendet wird; die Hauptsache ist, daß sie für den gewünschten Wellenbereich dimensioniert ist.
Die Werte der Kondensatoren und Widerstünde gehen aus der Schaltung hervor. An Stelle von R1 laßt sich auch eine gute Hochfrequenzdrossel verwenden. Der erstaunlich geringe Aufwand an Siebmitteln ist auf eine Kompensation der Brummspannung durch das Reflexprinzip zurückzuführen. Bei herausgezogenem oder schlecht eingestelltem Detektor ist ein starker Brummton zu hören; bei gut eingestelltem Detektor dagegen ist er derart gering, daß man ohne weiteres einen dynamischen Lautsprecher mit dem Gerät betreiben kann, bei Verwendung größerer Röhren, wie z. B. der RES 164, ist es vorteilhaft, etwas größere Siebkondensatoren (C 3 und C 4) zu verwenden und R 4 Anstatt mit 10 kW nur mit 3 kW einzusetzen.

Viel Spass beim Nachbau ..

Zurück zur Hauptseite