Spannungsverdoppler-Schaltungen (Kaskade)
Für diverse Anwendungen werden Gleichspannungen benötigt, die erheblich höher sind
als die zur Verfügung stehende Transformator- oder Netz-Wechselspannung. Für diese Anwendungen kommen
Spannungsverdoppler- oder Spannungsvervielfacher-Schaltungen in Betracht.
Einen Schaltungsvorschlag dazu stellte ich bereits vor langer Zeit auf meiner Seite "Bastelprojekte, Tips & Tricks
vor, unter dem Linknamen Kaskade.
Hierbei ging es darum, Magische Augen, deren Anzeige-Leuchtkraft am Ende sind, durch eine erheblich höhere
Anodenspannungsversorgung wieder "frisch", also hell leuchtend zu bekommen. Dieses funktioniert in fast allen
Fällen - die alternative wäre (wie ich dort bereits schon schrieb), das betreffende Magische Auge in den
Mülleimer zu werfen.
Eine weitere Möglichkeit wäre eine U-Röhre, die eine erheblich höhere Heizspannung benötigt, mit
6,3 Volt zu betreiben - was Sinn macht, denn einen UM 11 ist bedeutend billiger zu bekommen als eine EM 11.
Ich hatte in den vergangenen Monaten einige Anfragen bekommen nach Funktionsweise und nach weiteren Kaskaden-Schaltungen.
Um diesen Anfragen gerecht zu werden, stelle ich nun die folgenden weitergehenden Möglichkeiten und Grundlagen hier vor.
Auf der "Kaskade"-Seite stellte ich die unsymmetrische Verdoppelung vor. - Hier aber, zunächst, die
unsymmetrische.
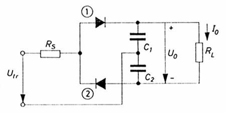
Die symmetrische Spannungsverdoppler-Schaltung, auch als Delon- oder Greinacher-Schaltung bekannt, liefert eine
erdsymmetrische Ausgangsspannung.
In der ersten (positiven) Halbwelle wird der Kondensator C 1 über die Gleichrichterzelle 1 aufgeladen, in der zweiten
Halbwelle wird über die Gleichrichterzelle 2 der Kondensator C 2 aufgeladen; die Ausgangsspannung setzt sich aus der
Summe der Kondensatorspannungen zusammen.
Hier erkennt man den Verlauf der Ausgangsspannung bei der symmetrischen Spannungsverdoppler-Schaltung.
Spannungsverhätnis U0 AV / Utr M bei Spannungsverdoppler-Schaltungen in
Abhängigkeit vom Produkt w CRL. Es gilt C = C1 = C 2.
Der Effektivwert der Kondensatorströme ist

Während der negativen Halbwelle wird der Kondensator C 1 über die Gleichrichterzelle 1 auf den Scheitelwert der
Transformator-Wechselspannung aufgeladen, in der positiven Halbwelle wird über die Gleichrichterzelle 2 der Kondensator
C 2 aufgeladen. Da die Kondensatorspannung UC 1 in der positiven Halbwelle in Reihe mit der
Transformator-Wechselspannung liegt, kann C 2 nahezu auf den doppelten Scheitelwert der Wechselspannung aufgeladen werden,
wobei C 1 entladen wird. Der Ausgangsstrom wird von der Gleichrichterzelle 2 sowie vom Kondensator C 2 geliefert.
Das folgende Bild zeigt den Spannungsverlauf der unsymmetrischen Spannungsverdoppler-Schaltung, die auch als Villard-Schaltung
bezeichnet wird.
Die Sperrspannungs-Belastung der Gleichrichterzellen beträgt bei beiden Schaltungen U R W M =
2 U tr M.
Der Vorteil der symmetrischen Spannungsverdoppler-Schaltung liegt in der niedrigeren Welligkeitsspannung, deren Frequenz im
Gegensatz zur unsymmetrischen Spannungsverdoppler-Schaltung gleich der doppelten Netzfrequenz ist. Bei der unsymmetrischen
Spannungsverdoppler-Schaltung muß der Kondensator C 1 für den Effektivwert des Ausgangsstromes ( IC1 RMS
= I0 RMS ) dimensioniert sein, es müssen Wickelkondensatoren oder bipolare Elektrolytkondensatoren eingesetzt
werden; gepolte Elektrolytkondensatoren lassen sich nur bei niedrigen Strömen verwenden.
Spannungsverlauf bei der unsymmetrischen Spannungsverdoppler-Schaltung
Ein wesentlicher Vorteil der unsymmetrischen Spannungsverdoppler-Schaltung liegt darin, daß diese Schaltung zu einem
Spannungsvervielfacher ausgebaut werden kann.
Aus der unsymmetrischen Spannungsverdoppler-Schaltung abgeleitete Spannungsvervielfacher-Schaltung.
Nachdem beim Spannungsverdoppler der Kondensator C 2 bereits auf 2 Utr M aufgeladen war, wird jetzt von C 2
der Kondensator C 2 über die Gleichrichterzelle 3 auf 2 Utr M aufgeladen, so daß in der darauffolgenden
positiven Halbwelle die Transformatorspannung mit der Spannung von C1 (Utr M) und von C 2 (2 Utr M)
in Reihe liegt und die Reihenschaltung von C 4 und C 2 jetzt auf 4 Utr M aufgeladen wird. Zu beachten ist,
daß auch C 3 für den Effektivwert des Ausgangsstromes ausgelegt werden muß.