Kofferradio mit Batterie-Röhren
(Aus einem alten Bastelbuch, Kopien wurden mir dankenswerterweise von Thomas Schönfelder zur Verfügung gestellt)

Für den Bau schnurloser Röhrengeräte gibt es die direktgeheizten Batterieröhren. Sie benötigen eine Heizspannung von 1,4 V und Anodenspannungen zwischen 60 V und 80 V. Diese Spannungen können wir getrennten Batterien entnehmen: zwei parallel geschalteten Monozellen von 1,5 V (Heizzellen) und einer Anodenbatterie von 67,5 V.
Das Batteriegerät soll nach dem Bausteinprinzip aufgebaut werden. Wir beginnen mit dem NF-Verstärker, dessen Schaltung im Bild dargestellt ist.


Da wir den Aufbau eines zweistufigen NF-Verstärkers kennen, wollen wir nur auf einige röhrenbedingte Besonderheiten eingehen. Auffällig sind der 10-MOhm-Gitterableitwiderstand Rg der Vorröhre DF 96 und die Kondensator - Widerstands - Kombination C4 R5 zwischen Masse und Gitterwiderstand der Endröhre DL 96. Sowohl der Einzelwiderstand R2 als auch die Kombination C4 R5 dienen dem Erzeugen der erforderlichen Gittervorspannung. Da bei Batterieröhren die Kathode unmittelbar mit dem Heizfaden verbunden ist, dürfen wir nicht wie üblich eine RC-Kombination in die Kathodenleitung legen. Über den Kathodenwiderstand würde dann auch der Heizstrom fließen und einen Spannungsabfall verursachen. Die Folge wäre, daß die Heizspannung erhöht werden müßte. In der Schaltung fließen die Elektronen vom Minuspol der Anodenbatterie über den Widerstand R5 nach Masse und rufen einen Spannungsabfall mit positiver Polarität am masseseitigen Ende von R5 hervor. Der Gitterwiderstand R6 liegt also auf einem negativeren Potential als die mit Masse verbundene Kathode der Endröhre. Die Höhe des Spannungsabfalls und damit die negative Gittervorspannung hängt vom Anodenstrombedarf des gesamten Gerätes ab. Wir wissen, daß die Gittervorspannung konstant bleiben muß und sich nicht im Takt der zu verstärkenden Wechselspannung ändern darf. Deshalb schaffen wir für den Wechselstromanteil eine Umleitung geringen Widerstandes durch den zu R5 parallelgeschalteten Kondensator C4. Für das Entstehen einer negativen Vorspannung am hochohmigen Gitterwiderstand R2 der DF 96 ist ein sehr geringer Strom verantwortlich: der Anlaufstrom. Noch bei Gitterspannungen bis -2 V gelangen die aus der Kathode emittierten Elektronen teilweise bis zum Gitter und fließen über R2 nach Masse ab. Der dadurch entstehende Strom beträgt etwa 0,1 µA. Nach U = R • I ergibt das einen Spannungsabfall von
U = 10 MOhm x 0,1 µA = 10 x 106 A x 0,1 • 10-6 A = 1 V ,
um den das Gitter negativer als die auf Masse liegende Kathode wird. Wir bauen den Verstärker ohne Potentiometer, Lautsprecherübertrager und Lautsprecher auf einer Montageplatte aus 3 mm dickem Pertinax auf. Die einzelnen Bauelemente ordnen wir auf der Oberseite der Platte an und verdrahten auf der Unterseite.

Das folgende Bild zeigt einen Vorschlag, wie der Verstärker aufgebaut werden kann.


Zunächst wieder eine Audionschaltung...

Als ersten Empfänger bauen wir ein Audion nach dem folgendem Bild auf.


Für einen tragbaren Kofferempfänger stehen nicht immer eine Hochantenne und eine gute Erdleitung zur Verfügung. Deshalb wickeln wir die Schwingkreisspule auf einen Ferritstab von 10 mm Durchmesser und 200 mm Länge. das nächste Bild zeigt den Aufbau der Ferritantenne.


Die drei Spulen wickeln wir gleichsinnig auf einen selbstgefertigten Spulenkörper aus verklebtem und schellackgeftränktem Zeichenkarton. Er muß sich auf dem Ferritstab noch verschieben lassen, da dessen Permeabilität von der Mitte nach außen abnimmt und so der übliche Spulenabgleich durchgeführt werden kann. Den bewickelten Spulenkörper kleben wir mit zwei Abstandsklötzchen aus Hartholz auf eine 55 mm x 30 mm große Pertinaxplatte. Den Trimmer und die beiden Lötösen haben wir schon vorher angebracht. Über die Spule L1 kann induktiv eine Außenantenne angekoppelt werden.

Zum Aufbau des Audions:


a) Anordnung der Bauelemente auf der Montageplatte, b) Verdrahtungsplan (von unten gesehen)

Das Audion wird analog dem Verstärker auf einer Montageplatte nach vorherigem Bild aufgebaut. Die Ferritantenne, den Drehkondensator und den Rückkopplungskondensator befestigen wir nicht auf der Montageplatte, sondern im Gehäuse. Da wir später an Stelle des Audions einen Überlagerungsempfänger einbauen wollen, verwenden wir gleich einen kleinen Zweifach-Drehkondensator mit Feintrieb. Beim Audion bleibt ein Statorpaket frei.


- Das Gehäuse unseres Batterie-Empfängers, rechts die Rahmenverbindung.

Das Gehäuse stellen wir aus 5 mm dickem Sperrholz her. Die wichtigsten Abmessungen sind im Bild enthalten. Zunächst sägen wir die vier Rahmenbrettchen aus und verleimen sie; in jeden Winkel kleben wir ein Holzstück ein, damit der Gehäuserahmen stabil genug wird. Die Lautsprecherschlitze in der Frontplatte sägen wir mit der Laubsäge aus und bohren auch gleich die Löcher für den Drehkondensator (A1), Potentiometer (A2) und Rückkopplungskondensator (A3).
Dann leimen wir die Frontplatte in den Rahmen ein. Nach dem Trocknen werden sämtliche Kanten zunächst mit einer Feile, anschließend mit Schmirgelpapier sauber geglättet. Wie die Einzelteile im Gehäuse angeordnet werden, entnehmen wir dem nächsten Bild.


Wir befestigen sie mittels Senkschrauben M 3, die zunächst fest mit dem Gehäuse verschraubt werden. Mit einer zweiten Mutter M 3 befestigen wir dann die Teile. Die erforderlichen Haltewinkel konstruieren wir selbständig.
Für den Anschluß der Anodenbatterie benötigen wir zwei Druckknöpfe. Dazu eignen sich vorzüglich die Kappen der Kohlestifte alter Batterien. Die Kappe einer 4,5-V-Flachbatterie verwenden wir für den Minuspol, die einer 1,5-V-Monozelle für den Pluspol. Die Kappe der Monozelle müssen wir etwas zusammendrücken. Wenn später unsere erste Anodenbatterie verbraucht ist, können wir auch die dort angebrachten Druckknöpfe abmontieren und für den Anschluß der neuen Batterie verwenden. Die beiden Heizzellen löten wir entweder direkt in die Schaltung ein, oder wir konstruieren zwei Klemmfassungen. Die Messingstreifen alter Flachbatterien eignen sich dafür gut als Federkontakte.
Das Batterie-Audion gleichen wir mit einem Resonanz-Frequenzmesser (Grid-Dip-Meter) ab: bei 510 kHz durch Verschieben des Spulenkörpers auf dem Ferritstab, bei 1620 kHz durch Verdrehen des Trimmers. Nach erfolgreicher Funktionsprobe bauen wir sämtliche Teile wieder aus, lassen aber die Senkschrauben im Gehäuse. Mit Holzspachtel decken wir alle Schraubenköpfe ab und füllen damit auch alle Vertiefungen im Gehäuse aus. Nach 24 stündiger Trocknungszeit schleifen wir mit feinem Schmirgelpapier das gesamte Gehäuse noch einmal ab. Dann streichen oder spritzen wir es ein- oder zweifarbig, ganz nach unserem persönlichen Geschmack.
Zum Antrieb des Drehkondensators benötigen wir ein Skalenrad. Das Skalenrad selber sägen wir aus 4 mm dickem Plexiglas aus. Sein Durchmesser beträgt 80 mm. Der Drehknopf hat einen Durchmesser von 35 mm. Auf der Rückseite der Plexiglasscheibe ritzen wir als Zeiger einen Radius ein und füllen die Vertiefung mit schwarzer Tusche aus. Den Drehknopf streichen wir mit der zweiten Gehäusefarbe.
Mit dem Einbau des Lautsprechers beginnt die Endmontage. Wir kleben grobmaschig gewebten Dekorationsstoff auf eine etwa 3 mm dicke Pappscheibe, die etwas größer als der Lautsprecher ist und in die wir vorher mit der Laubsäge zwei der Lautsprechermembrane angepaßte Öffnungen gesägt haben. Die stoffüberzogene Pappe schieben wir so über die vier Schraubenbolzen im Gehäuse, daß der Stoff unmittelbar an der Gehäusewand anliegt. Auf die Pappscheibe folgt der Lautsprecher, der mit vier dicken Gummischeiben, Unterlegscheiben und Muttern M 3 befestigt wird und die Pappe an das Gehäuse drückt. Die Gummilagerung verhindert ein unter Umständen sehr störendes Mitschwingen des Gehäuses.
An einer passenden Stelle schrauben wir eine Telefonbuchse für den Antennenanschluß ein. Dann bauen wir noch einen Traggriff aus Sperrholz oder Pertinax, streichen ihn ebenfalls an und verschrauben ihn mit dem Gehäuse. Nun können auch alle anderen Teile wieder eingebaut werden. Eine rasch herausnehmbare Rückwand mit einigen Schallaustrittsöffnungen schließt den Gehäuseaufbau ab. Zum Schluß kleben wir unter das Skalenrad eine in Frequenzen geeichte Skale aus Zeichenkarton.
Wer Lust hat, entwirft für den etwas leeren Raum unterhalb der Lautsprecherschlitze eine die Breite betonende Figur, die sich mit der Laubsäge aus poliertem Alu-, Messing- oder Kupferblech aussägen läßt. Ein Anstrich mit farblosem Nitrolack verhindert ein Erblinden der polierten Oberfläche. Das nächste Bild zeigt unser fertiges Batteriegerät.



____________________________________________________________________________

Vermutlich stellen wir bald fest, daß die Leistung unseres Kofferempfängers einige Wünsche offen läßt. Mit einer 2 bis 3 m langen Außenantenne können wir zwar noch etwas nachhelfen, Befriedigung wird uns aber erst ein Überlagerungsempfänger bringen.

... und dann ein Überlagerungsempfänger


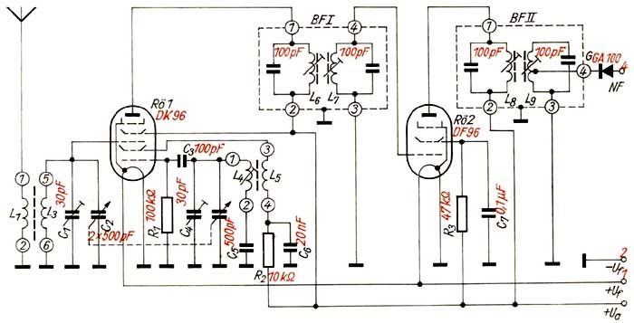
Als Misch- und Oszillatorröhre dient hier die Heptode DK 96, als ZF-Verstärker die DF 96 und als Demodulator eine HF-Germaniumdiode. Eine besondere Schwundregelschaltung ist nicht enthalten, kann aber eingebaut werden.
Das nächste Bild zeigt die Montageplatte für den Überlagerungsempfänger.


Die Oszillatorspule L4 wickeln wir wie die Spule des Eingangskreises (auf dem Ferritstab) aus HF-Litze 20 • 0,05. Sie erhält 85 Windungen, die gerade in die mittlere und die untere Kammer eines Standardspulenkörpers passen. Die Rückkopplungsspule kommt in die obere Kammer und erhält 35 Windungen aus 0,2 CuL. Die vier Bandfilterspulen gleichen denen, die bei Gerd Reinhöfer-Electronic erhältlich sind.

Der Einbau des Überlagerungsempfängers macht nicht viel Schwierigkeiten. Wir löten das Audion am NF-Verstärker und am Drehkondensator ab und die neue Schaltung dafür ein. Zunächst gleichen wir in der bekannten Art den ZF-Verstärker auf 470 kHz ab, dann den Oszillatorkreis. Wir koppeln die modulierte HF unseres Resonanz-Frequenzmessers auf die Ferritantenne und stellen bei 510 kHz mit der Oszillatorspule und bei 1620 kHz mit dem Oszillatortrimmer auf Lautstärkemaximum ein. Das wiederholen wir einige Male und beenden den Abgleich am Trimmer. Zum Schluß gleichen wir den Eingangskreis ab. Bei 600 kHz suchen wir die größte Lautstärke durch Verschieben der Spule, bei 1300 kHz durch Verdrehen des Trimmers an der Ferritantenne. Größere Änderungen des Eingangskreises dürften nicht mehr erforderlich sein, da er ja bereits für das Audion abgeglichen war. Da eine Frontplattenöffnung durch den Wegfall des Rückkopplungsdrehkondensators frei geworden ist, setzen wir ein Potentiometer von 100 kOhm zur Klangregelung ein. Ein Ende verbinden wir mit Masse, die Mitte über einen Kondensator von 0,01 µF und ein abgeschirmtes Kabel mit der Anode der Endröhre DL 96.
An diesem kleinen Kofferempfänger werden wir sicherlich Freude haben. In der Trennschärfe steht er anderen, groß Radios, um nichts nach. Im Gegenteil - durch die Richtwirkung der Ferritantenne können teilweise auch noch Sender getrennt werden, die im großen Radio zusammen einfallen.
Ein Wort noch zu den Heizbatterien: Wir verwenden auf keinen Fall normale Monozellen, sondern nur die besonders gekennzeichneten, erheblich stärkeren Alcalischen Zellen. Sobald nämlich die Heizspannung unter 1,3 V sinkt, bereiten sowohl die Rückkopplung des Audions als auch das Schwingen des Oszillators besonders am langwelligen Ende des Mittelwellenbereiches einige Schwierigkeiten. Deshalb sollten wir öfters die Batteriespannungen nachmessen.

Die beiden folgenden Bilder zeigen die Daten der verschiedenen Batterie-Röhren sowie deren Sockelschaltungen.





Zurück zur Hauptseite