Radio und Verstärker mit Niederspannungs-Röhren

Auf der Bastelseite stellte ich schon einige Empfänger mit Niederspannungsröhren vor, wie z.b. das Fahrad-Radio oder auch den RIM-Piccolo 58 - zur großen Freude einiger Bastler die als Besucher meiner Seiten diesen entdeckten und ihn nachbauten. Der Rim-Piccolo, mit der Röhre DCC 90 (3A5) bestückt, kann sogar schon mit einer 9-Volt-Batterie - für die Anodenspannung - betrieben werden.

(Sehr viele freuten sich über solche Empfänger, die zwar mit Röhren - aber dennoch nicht mit gefährlichen Spannungen arbeiten. Viele haben ganz einfach Angst, mit höheren Spannungen zu arbeiten, ihnen ist es ganz einfach zu gefährlich.
Auch Väter, die mit ihren Söhnen (vielleicht auch Töchtern..?) basteln wollen, ihnen zeigen wollen was sie früher, in ihrer Jugend, so begeisterte - denen sind die hohen Anoden- und ganz besonders Netzspannungen zu gefährlich. Denn wie schnell hat man, in einem unbedachten Moment, den falschen Draht angefasst oder kommt mit einem Schraubenzieher oder einer Pinzette an einen spannungsführenden Punkt der Schaltung.
Dieses ist mir schon etliche Male passiert, trotz größter Vorsicht - und es gibt sicherlich nicht einen Bastler, dem dieses noch nicht passierte.
Deshalb erhielt ich dahingehend auch eine Menge Zuschriften, auch mit der Bitte noch mehr solcher Schaltungen zu veröffentlichen.)


Auch die Militärröhre RV2,4P700, die im Vorläufer des Piccolo 58, dem Piccolo von 1949, eingesetzt wurde ist oft schon mit einer Anodenspannungb ab etwa 12 Volt einsetzbar, obwohl in den Datenblättern 150 Volt angegeben wurde.
Alle diese Röhren wurden für erheblich höhere Anodenspannung entwickelt als z.B. die im alten oder neuen RIM - Piccolo. Für die DCC 90 (3A5) wird sogar 90 Volt Anodenspannung angegeben - und sie funktioniert schon bestens mit 9 Volt..

Als die Autoradios modern wurden, als es schon gute Leistungstransistoren gab um Lautsprecher-Endstufen damit aufzubauen, gab es aber noch keine guten HF-Transistoren.
Die Firmen Valvo und Telefunken, aber auch Tungsram, etc. entwickelten deshalb spezielle Röhren für Autoradios, die mit Niederspannungen arbeiteten.
So wurde zum Beispiel die ECC 86 entwickelt. Diese Röhre wird mit einer Heizspannung von 6,3 Volt - und einer Anodenspannung von ebenfalls 6,3 Volt (!!) versorgt, sie wurde speziell dafür entwickelt.
Man kann also mit einer 6,3-Volt Heizspannung gleichzeitig die Anodenspannung erzeugen - man stelle sich nur einmal die Möglichkeiten vor, die man mit einer solchen Röhre hat !

Es wurden aber noch eine Serie weiterer Röhren entwickelt, wie die ECH 83, EBF 83, EF 97 und EF 98. Alle diese Röhren werden mit 6,3 Volt Heizspannung und etwa 12 Volt (einige 12 Volt, andere bis 12,6 Volt) Anodenspannung betrieben.
Somit ließe sich ein kompletter Großsuper mit Niederspannungsbetrieb aufbauen - oder ein vorhandener umrüsten, ich denke da zum Beispiel an einige Geräte, die mit diesen Röhren arbeiten.
- Wenn es da nicht das Problem mit der Endstufenröhre gäbe, dafür gibt es keinen Ersatz, weil es nicht möglich ist aus einer solch niedrigen Anodenspannung eine akzeptable Lautsprecherleistung zu erziehlen. Deshalb wurden in Autoradios, die mit Niederspannungsröhren arbeiteten, Transistor-Endstufen eingebaut.

Für uns Radio-Bastler aber, denen Transistoren ein Graus sind (und dieses gilt ganz speziell für mich.. isch krieg’ Plack davon ..), käme eine solche Endstufe nicht in Betracht.
Aber wir haben ja auch immer noch die Möglichkeit, mit einem Kopfhörer zu arbeiten.

Hier stelle ich zunächst eine Schaltung vor, die mit der HF-Pentode EF 98 arbeitet. - Die Schaltungen auf dieser Seite, sowie manches an Schaltungsbegelitenden Text fand ich in einem kleinen Buch des Kultusministeriums des Landes Schlewig-Holstein, herausgegeben für Lehrer zur Vorbereitung des Physik-Untericht’s :

KW - Audion mit Niederspannungsröhre EF 98


Die Schaltung dieses Audions weicht vom üblichen ab. Durch Einkopplung der Antenne in das nicht abgeblockte Schirmgitter ist die kapazitive Beeinflussung des Schwingkreises durch die Antenne so gering, daß das Audion eichbar ist. Auch ist es weitgehend störstrahlungsfrei, so daß eine Vorstufe entfallen kann. Der Abgriff für die Katode muß so gewählt werden, daß die Rückkopplung bei einem Punkt der Schirmgitterspannung einsetzt, der höchste Empfindlichkeit des Audions bewirkt. Da die Schwingfreudigkeit mit Ansteigen der Frequenz abnimmt, muß der richtige Anzapfpunkt der Spule durch Versuch ermittelt werden. Für das 80-m-Band liegt dieser Punkt bei einem Fünftel vom kalten Ende her gesehen. Die Schaltung ist bis 30 MHz brauchbar. Sollte sich in der Nähe des Empfangers ein starker Mittelwellensender befinden, so ist die Antennenzuleitung über einen Saugkreis, der auf die Frequenz des störenden Senders abgestimmt ist, an Masse zu legen. Die Drossel von 2,5 mH zwischen Antenne und Masse leitet die auf die Antenne induzierte Brummspannung von 50 Hz ab. Durch die festen Parallelkondensatoren läßt sich optimale Bandspreizung erreichen. Bei einer Drehkondensatorkapazität von 11 pF bewirkt z. B. ein 37-pF-Kondensator Spreizung für das 80-m-Band.
Windungszahl : 42 Wdg. auf Spulenkörper von 30 mm Durchmesser bei 30 mm Wickelbreite.

Hinweis : Diese Audionschaltung ist für Kurzwellenempfang ausgerichtet - ich habe auf meinen Bastelseiten aber genügend Beispiele, auch mit genauen Daten der Spulen, vorgestellt so daß jeder für sich leicht dieses KW-Audion in ein MW-Audion umrüsten kann.

Die nächste Schaltung beschreibt einen Verstärker mit zwei Röhren EF 98, mit einem Ausgangstrafo für einen Kopfhörer.


Dieser Verstärker ist für Kopfhörerbetrieb ausgelegt, gestattet jedoch in Verbindung mit einem 0,1-Watt-Lautsprecher, wie sie in den kleinen Japan-Transistorradios eingebaut waren, auch brauchbare Zimmerlautstärke. Seine Ausgangsleistung beträgt etwa 11 Milliwatt. Auch hier ist der Eingang gegen eindringende Hochfrequenz geschützt. Im Gegensatz zur üblichen Pentodenschaltung liegen die Kathoden ohne RC-Kombination direkt an Masse, damit von der geringen zur Verfügung stehenden Anodenspannung nicht noch ein Teil am Kathodenwiderstand verlorengeht. Deshalb muß die Gittervorspannung durch Anlaufstrom am 10-MOhm-Gitterableitwiderstand gewonnen werden. Dadurch stopfen Krachstörungen den Verstärker anfangs etwa 100 Millisekunden zu, dies ist also hier als normal zu betrachten.

Obwohl ich weiter oben schrieb, "ich bekomm' Plack" bei der Verwendung von Transistoren, bleibt oft keine Wahl.. leider. Diesen Empfänger und Verstärker mit Batterien zu betreiben wäre ein Unding angesichts der benötigten Heizströme für die Röhren.
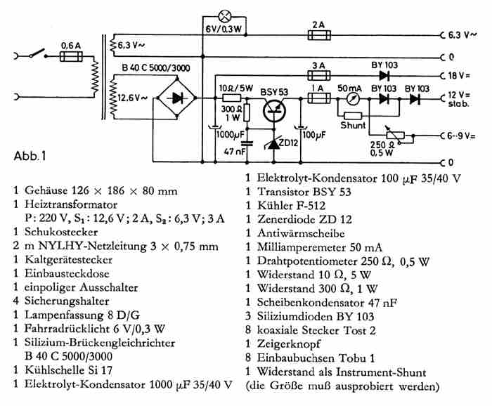
Deshalb hier noch eine Stromversorgung mit stabilisierten Ausgangsspannungen für die Heizungs- und Anodenversorgung.


Diese Netzteilschaltung wurde als Universal-Schaltung ausgelegt - da wir aber nur 12 Volt für die Anodenspannungen benötigen, können die Bauteile für die 18 Volt- und einstellbare 6-9 Volt ersatzlos entfallen.

Eine weitere, sehr interessante Niederspannungsröhre habe ich im Katalog von Oppermann entdeckt. Es ist die Triode DC 762, die dort zum sagenhaft niedrigen Preis von 6,85 / Stück, unter der Best.-Nr. DC 762, erhätlich ist.
Nur kurz ein paar Daten, die diese Röhre deutlich hervorheben: Ua 6,6 Volt, max. 12 Volt; Ia 400 uA, max. 600 uA; S = 150uA / V; Uf min. 1,05 V, max. 1,25 V.
Diese direkt geheizte Triode, die vom Spannungs- und Leistungsbedarf schon einem Transistorverstärker entspricht - aber mit ihrem Eingangswiderstand so hoch ist wie sie kein Transistorverstärker erreichen kann - ist ideal geeignet, um damit Empfänger zu bauen, sogar unglaublich hochempfindliche Empfänger.
Als erstes stelle ich ein Foto dieser außergewöhnlichen Röhre vor, danach das Datenblatt.




Wie man erkennt, ist es eine sogenannte Bleistift-Röhre, deren Steuergittereingang oben an der Spitze herausgeführt wurde - ideal um Meßspitzen damit auszustatten. Anhand des Sockelschaltbildes erkennt man, das sie einen Sockel ähnlich des Miniatursockels mit 7-pin aufweist, wie sie z.B. die EC 92, EL 95 aufweist. Die Anschlüsse sind als lange Lötanschlüsse herausgeführt, wovon aber nur drei dieser Anschlußdrähte belegt sind.

Viel Spass beim Nachbauen !

Zurück zur Hauptseite