Radio-RIM - Bausatz "Piccolo 49" - ein Batterie-Einröhren-Einkreisempfänger.

Vor einiger Zeit stellte ich hier den RIM-Piccolo 58 vor. Dieser war die Weiterentwicklung des Piccolo's von 1949, den ich hier nun vorstellen möchte. Der Zeit entsprechend, kurz nach dem Krieg, wurden die damals noch in ungeheuren Mengen vorrätigen Militär-Röhren eingesetzt, hier, im Piccolo waren es die RV 2,4P 700. Wie man weiß bedeutet die erste Zahlenkombination die Heizspannung der Röhre, hierbei sind es also 2,4 Volt Heizspannung - entwickelt und gebaut wurde diese Röhre für den Batterie-Betrieb.

Hier der Original-Text aus der Radio-RIM-Bauanleitung von 1949 :

"Der Bastler ist immer wieder auf der Suche nach lohnenden Schaltungen und Empfänger-Konstruktionen, bei deren Verwirklichung er gegenüber den Industrieempfängern einen Vorteil hat.
Er befaßt sich deshalb in erster Linie mit solchen Geräten, die fabrikmäßig nicht hergestellt werden. Dabei ist es Sache der Fachzeitschriften und der bastelfreundlich eingestellten Rundfunkhändler, ihn mit geeigneten Anregungen, Unterlagen und Bauteilen zu versehen.
Ein Empfänger dieser Art ist der im Rim-Labor entstandene R I M - P i c c o l o, ein Taschenempfänger mit zwei Röhren für Kopfhörerempfang, der sich durch geringes Gewicht (1200 Gramm) und niedrigen Preis (komplett mit Röhren, jedoch ohne Batterien und Holzgehause DM. 20.-) auszeichnet, ferner dadurch, daß er leicht nachgebaut werden kann. Er eignet sich infolgedessen auch für den Anfänger.
Der RIM-Pikkolo ist ein williger Begleiter bei Bergtouren und Ausflügen, beim Sport und bei Wochenendfahrten. Er stellt jederzeit den Kopfhörerempfang des Ortssenders bzw. des nahen Bezirkssenders sicher, abends bringt er sogar eine ganze Reihe von Stationen.
Nach der Schaltung ist es ein Audionempfanger mit Rückkopplung und nachfolgender Niederfrequenzstufe.
Als Röhren werden solche des Typs RV 2,4 P 700 in Triodenschaltung benutzt, die aus einer Taschenlampenbatterie geheizt werden. Drei weitere Taschenlampenbatterien liefern die Anodenspannung.
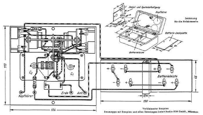
Der Aufbau des Empfängers ist denkbar einfach. Die Lichtbilder und der verkleinerte Bauplan zeigen alles Nähere. Die Teile sitzen sämtlich auf einer Frontplatte aus Pertinax und nehmen mit dieser einen Teil der Holzkassette in Anspruch, während der freibleibende Raum durch die Batterien eingenommen wird. Quergestellt ist eine Batterieleiste befestigt, die mit Rundkopfschrauben zur Stromabnahme versehen ist. Der Deckel der Kassette hat Platz für den Kopfhörer und etwas Antennenleitung."

- Soweit der Original-Text. Weitere Info's zu diesem Gerät kann man sich aus dem Artikel zum Nachfolger des Piccolo von 1949, dem Piccolo 58, holen - Schaltungs- und auch Gehäusetechnisch hatte sich hierbei nichts geändert.
Die nachfolgenden Bilder zeigen die von RIM in der Bauanleitung dargestellten "Lichtbilder".









_________________________________________________


Auf den folgenden Fotos erkennt man das fertig aufgebaute und funktionsfertige Gerät :





Viel Spass und viel Erfolg beim Nachbau ..

Zurück zur Hauptseite