Radio-RIM - Bausatz " Piccolo 58 " - ein Batterie-Einröhren-Einkreisempfänger.

Vor einigen Tagen bekam ich von einem Besucher meiner Site - Hallo, Gerd.. - die Kopien eines Handbuches, welches einem Bausatz beilag, über den Selbstbau eines kleinen Batterie-Empfängers. Hersteller war die Fa. Radio RIM in München, sie vertrieb den Bausatz unter dem Namen "Piccolo 58".
Diese Schaltung ist deshalb so interessant, weil sie mit nur vier Stück 4,5-Volt-Flachbatterien auskommt - also mit 18 Volt - deshalb möchte ich sie hier vorstellen. - Ich zeige die Bauanleitung hier so wie sie ist, mit nur sehr geringfügungen Änderungen.


(Vom Gerd werde ich, sobald er seinen Original-Piccolo 58 restauriert hat, ein Foto erhalten und es dann hier vorstellen.)

Technische Daten :

Schaltung: Rückkopplungs-Audion mit Niederfrequenz-Verstärker. Wellenbereich: 520 - 1610 KHz (Mittelwelle). Röhre: Doppeltriode 3 A 5 (DCC 90). Stromversorgung: 4 Taschenlampenbatterien mit je 4,5 V. Stromverbrauch: Heizstrom 100 mA, Anodenstrom 0,5 mA. Besonderheiten: Hochwertiger Schwingkreis mit Trolitulisolation am Drehkondensator und Hf-Litze für die Abstimmspule. Abmessungen des Empfänger-Chassis (ohne Batterien): 100 x 140 x 75 mm Abmessungen des Empfänger-Gehäuses (einschl. Batterien): 200 x 140 x 90 mm. Gewicht mit Batterien: ca. 1200 gr.

Allgemeines

Mit dem Bau von Radioapparaten befaßt sich seit der Einführung des Rundfunks im Jahre 1925 neben der einschlägigen Industrie auch noch eine weitere große Gruppe - die der Radiobastler. Während jedoch die Industrie bei der Herstellung der Radiogeräte sowohl auf die Wünsche des Publikums als auch auf eigene fabrikatorische Belange Rücksicht zu nehmen hat, sei es im Hinblick auf bestimmte Empfangsleistung und Wiedergabequalität, oder auf die Preisgestaltung der Geräte, verfolgt der Bastler mehr individuelle und ideelle Zwecke. Er vertritt eigene Ansichten und steckt sich selbst sein Ziel und freut sich, wenn ihm der Selbstbau geglückt ist. Auf äußerliche Feinheiten und schärfste Kalkulation des Endpreises legt er in der Regel wenig Wert.
Es ist daher kein Zufall, daß man gewisse Gerätegrößen als unbestrittenes "Reservat" des Bastlers betrachten kann. Die Industrie verspricht sich von solchen Typen infolge zu kleiner Auflagezahlen keinen lohnenden Absatz und nimmt daher diese Empfänger garnicht erst in ihr Fertigungsprogramm auf. Zu dieser Empfängerklasse zählt auch das nachstehend beschriebene Empfangsgerät "RIM-Pikkolo 58", ein Kleingerät nit zwei Röhrensystemen, Batteriespeisung und Kopfhörerempfang.

Die Schaltung - seit 8 Jahren im Prinzip unverändert - hat sich tausendfach bewährt. Die jetzige Änderung beruht nur im Austausch der bisher verwendeten Wehrmachtsröhren RV 2,4 P 700 gegen eine moderne Batterie-Doppeltriode 3 A 5 ( Ersatz-Type : DCC 90).


An den Gehäuse-Abmessungen war eine Änderung bedauerlicherweise nicht möglich, da die Stromversorgung aus 4 Taschenlampenbatterien ein wesentliches Merkmal der Pikkolo-Schaltung ist und eine nennenswerte Verkleinerung nicht zulässt. Die bisherige Größe (200 x 140 x 90 mm) bei einem Betriebsgewicht von 1200 gr. einschließlich Batterien und Gehäuse ist auch im Zeitalter der Miniaturbauteile immer noch ansprechend und verhindert Schwierigkeiten beim Bau.
Der "RIM-Pikkolo 58" eignet eich deshalb besonders für alle Interessenten, die sich Erfahrungen beim Aufbau einfacher Empfangsgeräte erwerben wollen. Für einige Mark Einzelteile und wenige Stunden Arbeit erhält man einen Empfänger, der auch an Behelfsantennen (Drahtmatratze, Fenstergitter, Heizungsrohre) lautstarken Empfang des nächsten Mittelwellensenders liefert und abends mit zusätzlichen Stationen überrascht. Der Batterieverbrauoh ist durch die mehrfache Ausnützung jeder Einzelbatterie sehr klein.

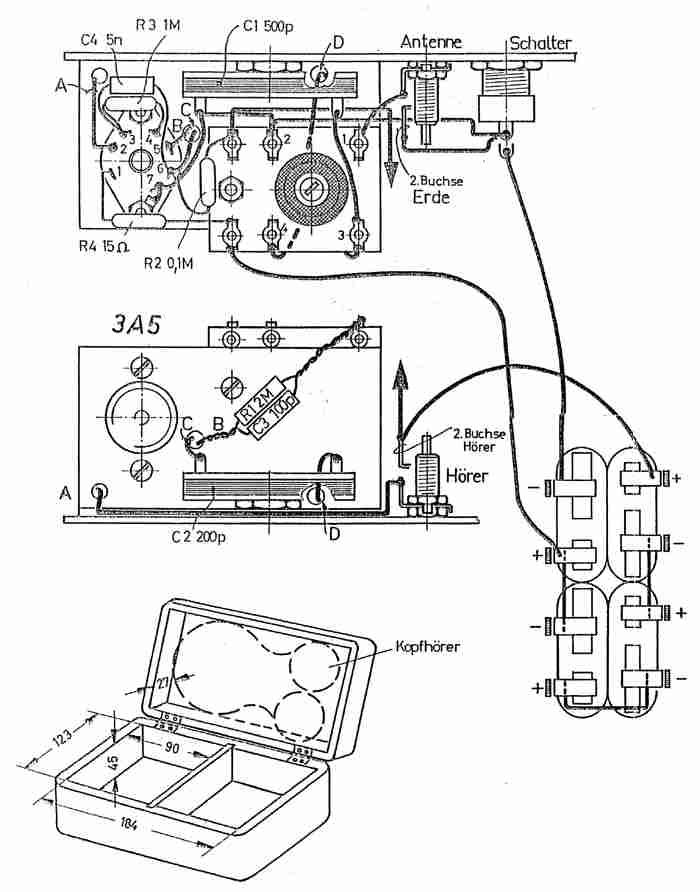
A. Die Schaltung.

Auf den ersten Blick hält man es kaum für möglich, daß zwei Röhren-Systeme mit einer Spule, 4 Kondensatoren und drei Widerständen einen wirklich arbeitsfähigen Empfänger ergeben. Beim Betrieb aus Batterien sind aber alle Siebglieder überflüssig und die Zahl der Einzelteile kann sich auf das unbedingt Notwendige beschränken.
Die Funktion läßt sich leicht erkennen, wenn wir den Weg der von der Antenne aufgefangenen Hf-Spannung durch den Empfänger verfolgen:
Von der Antennenbuchse, die im Schaltbild durch einen nach oben gerichteten Pfeil gekennzeichnet ist, führt eine Leitung zur Antennenspule ( L 1), die mit der Gitter- (L 5) und der Rückkopplungsspule (L 2) auf einem gemeinsamen Spulenkörper untergebracht und deshalb mit ihnen "gekoppelt" ist. Durchfließt die von der Antenne aufgefangene Energie auf dem Weg zur Erdbuchse die Antennenspule, dann entsteht um diese Spule herum ein magnetisches Feld, dessen Kraftlinien auch die benachbarten Spulen schneiden und in ihnen eine Spannung erzeugen. Durch diese "induktive" Kopplung, die deshalb so heißt, weil sie an das Vorhandensein von Spulen, also "Induktivitäten" gebunden ist, erfolgt eine Energieübertragung von einer Spule zur anderen, ohne daß dazu eine Drahtverbindung nötig ist.
Der Abstimmkreis besteht aus der Schwingkreisspule (L 5) und dem parallel dazu liegenden Drehkondensator C 1. Wird in diesen Schwingkreis durch die Antennenspule (L 1) die Antennenenergie, d.h. ein Gemisch aus den Frequenzen aller näherliegenden Sender, eingekoppelt, dann kann durch entsprechende Einstellung des Drehkondensators der Abstimmkreis in "Resonanz" mit einer der vorhandenen Frequenzen gebracht werden. Angestossen durch die entsprechende Senderfrequenz, geraten die Elektronen - die kleinsten elektrischen Teilchen des Schwingkreises - in entsprechende Pendelbewegungen und lassen den Kreis auf der Sendefrequenz mitschwingen. Da nun vorwiegend die Schwingung des eingestellten Senders den Kreis beherrscht, werden unerwünschte Nachbarsender weitgehend unterdrückt.
Wird jetzt das Steuergitter des linken Systems der Doppeltriode 3 A 5 an den Schwingkreis gelegt, dann bildet das Steuergitter und der Heizfaden ein elektrisches Ventil, dessen Gleichrichterwirkung darauf beruht, daß ein Stromfluss nur in einer Richtung (vom Heizfaden zum Gitter) möglich und die Gegenrichtung gesperrt ist. Diese Ventilwirkung wird hier benutzt, um die Modulation (Sprache, Musik) von der Trägerwelle des Senders, die ja nur das drahtlose Transportmittel ist, abzutrennen. C 5 arbeitet dabei als speicherndes Glied, das durch R 1 langsam entladen wird. Dieser Vorgang wird "Demodulation" genannt.
Das Vorhandensein der Modulation am Steuergitter ergibt noch einen zweiten Effekt: Da die (positive oder negative) Aufladung des Steuergitters die Großen des Anodenstromes bestimmt, erscheinen die kleinen Spannungsänderungen am Gitter auch als kräftige Anodenstromschwankungen an der Anode und ergeben eine sehr erwünschte Verstärkung im gleichen Röhrensystem.
Es leuchtet ein, daß trotz des Gleichrichtervorganges noch kleine Reste der Hochfrequenz aus dem Schwingkreis über das Steuergitter in den Anodenstrom und damit an die Anode gelangen. Speziell für diese Hf-Reste ist durch den Drehkondensator C 2 ein Weg nach Masse zur Spule L 2 eröffnet. Je größer die Kapazität des C 2 eingestellt ist, desto mehr Hf kann zur L 2 fließen.
L 2 sitzt auf dem gleichen Spulenkörper wie L 1 und L 5, ist also mit ihnen gekoppelt. Die über C 2 in den Schwingkreis zurückgebrachte, "zurückgekoppelts" Hf ist bekanntlich ein Teil der Empfangsfrequenz und bewirkt, da sie die gleiche Schwingungszahl wie die Pendelbewegung im Schwingkreis C 1/L 3 aufweist, eine kräftige Unterstützung des Schwingvorganges. Diese Unterstützung gleicht dem Anstoßen einer Schaukel stets im richtigen Moment. Die Hf-Spannung im Schwingkreis wird deshalb größer und die Lautstarke des eingestellten Senders wächst an.
Die Stärke der Rückkopplung läßt sich durch entsprechende Einstellung des C 2 soweit treiben, daß der Kreis C 1/L 3 in Eigenschwingungen gerät, die nicht mehr vom empfangenen Sender bestimmt werden und durch das bekannte Rückkopplungspfeifen gekennzeichnet sind. Unser kleines Audion ist in diesem Augenblick zum Sender geworden, der den zuviel zugeführten Energiebetrag über die Antenne abstrahlt und im Umkreis von einigen hundert Metern (bei Benutzung einer Hochantenne) hörbar wird. Der Punkt der besten Lautstärke und Trennschärfe liegt ganz dicht vor dem Einsetzen des Pfeifens, sodaß es nicht nötig und ratsam ist, das Audion unnötig lange pfeifen zu lassen.
Wenn wir uns die Arbeitsweise des linken Systems der 3 A 5 zusammenfassend betrachten, haben wir die Wirkungsweise einer Audionschaltung verstanden.
Die drei Aufgaben: a) Hf-Gleichrichtung (Demodulation), b) Rückkopplung und c) Nf-Verstärkung sind in dieser Schaltung vorteilhaft vereinigt und sind das ganze Geheimnis der Leistungsfähigkeit einfacher Geräte.
Um den Weg des gleichgerichteten und verstärkten Signales weiter zu verfolgen, kehren wir zur Anode des Audions zurück. Sie erhält die höchste Batteriespannung (18 Volt) über den Widerstand R 2 zugeführt und übt deshalb eine beträchtliche Saugwirkung auf die aus dem Heizfaden austretenden Elektronen aus. Da dieser Elektronen-Strom durch die Steuerwirkung des Gitters im Takt der demodulierten Spannung schwankt, ändert sich auch der Spannungsabfall am Widerstand R 2 im gleichen Rhythmus.
Diese Tonfrequenzschwankungen werden durch C 4 abgegriffen und an das Steuergitter des rechten Triodensystems gebracht, das über R 3 eine negative Vorspannung aus dem Spannungsabfall an den Beizfäden erhält. Auch hier bewirken kleine Spannungsänderungen am Steuergitter große Stromänderungen des Anodenstromes, sodaß die Spule des Kopfhörers von einem stark (im Takte der Modulation) schwankenden Strom durchflossen wird. Die Kopfhörerspule ist wiederum der Teil eines Elektromagneten, dessen Magnetismus sich mit den Stromschwankungen ändert. Da vor den Polen dieses Magneten sich eine dünne Stahlscheibe - die Membran - befindet, wird diese Membran getreulich den Stromschwankungen folgen und sie in Schällschwingungen umsetzen, die unser Ohr als Musik oder Sprache aufnimmt.
Die Stromversorgung des "RIM-Pikkolo 58" besteht aus 4 normalen Taschenlampenbatterien mit je 4,5 V Spannung. Eine davon wird als Heizbatterie benutzt, um die beiden Heizfäden der Röhre (je 1,4 V/ 100 mA) zu versorgen. Während für andere Anwendungen beide Fäden parallel geschaltet sind und dann 1,4 V / 200 mA benötigen, wurde im Pikkolo die Serienschaltung gewählt, um den Heizstrom von 100 mA beizubehalten. Die Heizspannung von 2,8 - 5 V bei einer Batteriespannung von 4,5 V ergibt sich durch Vorschalten des Widerstandea R 4. An der Verbindungsstelle beider Heizfäden (Kontakt 4) wird außerdem die Gittervorspannung für die Endtriode durch R 3 abgegriffen.
Weitere 3 Taschenlampenbatterien ergeben zusammen mit der Heizbatterie eine Anodenspannung von 18 Volt, bei der nur ein sehr geringer Anodenstrom ( ca. 0,3 mA ) fließt.
Die kleine Belastung der Anodenbatterie ist der besondere Kniff dieses Empfängers, da sie einen besonders sparsamen Betrieb ermöglicht.
Ist nämlich die Heizbatterie soweit verbraucht, daß die Lautstärke absinkt, dann kann eine der Batterien aus der Anodenstromquelle als Heizbatterie benutzt werden. Die verbrauchte Batterie erholt sich bei der geringen Belastung im Anodenstromzweig wieder und wird noch lange ihren Dienst tun. Es bestehen keine Hindernisse, für die Anodenspannung eine moderne Kleinbatterie zu benutzen, allerdings geht damit der Vorteil verloren, die Batterien untereinander auswechseln zu können.

B. Aufbau und Verdrahtung

Da alle mechanischen Teile im Bausatz montagefertig geliefert werden, sind zum Zusammenbau des Gerätes nur Schraubenzieher, Flachzange und Lötwerkzeug notwendig. Wenn der nachstehende Arbeitsgang eingehalten wird, sind die wenigen Teile in kürzester Zeit montiert. Der Rückkopplungsdrehkondensator C 2/200 pF wird auch als Halterung für den Alu-Montagewinkel benutzt. Man muß daher zuerst feststellen, welcher der beiden Drehkondensatoren C 2 / 200 pF und welcher C 1/500 pF ist. Wenn wir jeden der beiden Drehkondensatoren von der Seite her betrachten, läßt sich deutlich erkennen, daß die Zahl der feststehenden Platten verschieden ist. C1/500 pF hat sechs dünne Aluminiumplatten, C 2/200 pF dagegen nur 3.

1.) Die beschriftete Frontplattenabdeckung ist auszudrucken und auszuschneiden und nach Anfertigung der Ausschnitte (strichliert) auf die Pertinax-Frontplatte aufzukleben, wobei die Ausschnitte möglichst genau zur Deckung zu bringen sind. Ein Anstrich mit farblosem Lack oder Überkleben mit durchsichtigem Klebestreifen verhindert das Unansehnlichwerden der Beschriftung.



2.) Auf die Rückseite der Öffnung "Rückkopplung" wird der mit einer entsprechenden Ausstanzung versehene Schenkel des Montagewinkels gelegt. Stimmen die Öffnungen überein, wird C 2/200 pF nach Abschrauben seiner Mutter hindurchgesteckt und auf der (beschrifteten) Vorderseite durch Festziehen der Mutter festgehalten.

3.) In gleicher Weise, nur ohne Winkel, ist C 1/500 pF in der Öffnung "Abstimmung" zu montieren. - Siehe auch hier die Anmerkung am Schluß !



4.) Von den 4 Telefonbuchsen werden die Muttern abgeschraubt, die Buchsen von der Frontseite her durchgesteckt und mit je einer Mutter auf der Rückseite festgehalten. Auf jede der Buchsen stecken wir dann eine große Lötöse auf und halten sie mit je einer weiteren Mutter fest. Die beiden Muttern auf jeder Buchse sind sehr kräftig festzuziehen, um später Wackelkontakte zu vermeiden. Ein Tropfen Alleskleber ist hierfür eine wirksame Unterstützung.

5.) Vom Schalter S ist die runde Haltemutter abzuschrauben und die Sechskant-Mutter auf dem Gewindehals so einzustellen, daß die Vorderkante des Gewindes nach dem Durchstecken durch die Frontplatte nur 2-3 mm herausragt. Auf dieses herausstehende Stück wird die runde Haltemutter aufgeschraubt und festgezogen.

6.) In den senkrecht enporstehenden Teil des Montagewinkels ist die Röhrenfassung einzubauen. Sie wird von C 1 her in den Winkel eingesetzt und mit zwei kurzen 3 mm-Schrauben befestigt. Bevor wir die eine Mutter aufschrauben (neben Kontakt 7) ist noch eine einpolige Erdlötöse auf die Schraube aufzusetzen, um eine Lötverbindung mit dem Winkel zu schaffen.

7.) Die Spule mit L 1/2/3 ist auf einem Pertinaxbrettchen befestigt, die Anschlüsse sind an numerierte Lötösen geführt. Die Spulengrundplatte ist an der eingezeichneten Stelle mit einer längeren 3 mm-Schraube zu montieren, wobei eine kurze Abstandsrolle zwischen Winkel und Spulenplatte Berührung der Lötösen mit dem Metall des Winkels verhindert.

8.) Nach Abschluss des Aufbaus ist die Verdrahtung an der Reihe. Beim Fehlen jeder Löterfahrung sollten erst einige Probelötungen gemacht werden, bevor die Verdrahtung begonnen wird. Das dem Bausatz beiliegende Lötzinn soll die Benutzung ungeeigneter Lötmittel verhindern, es enthält in seinem Inneren bereits das Flussmittel Kolophonium.

9.) Auch bei der Verdrahtung ist es ratsam, eine vernünftige Reihenfolge einzuhalten. Zunächst werden die reinen Drahtverbindungen hergestellt, dann die Einzelheiten eingebaut, wobei R 3/C 4 den Anfang macht.

10.) Den Abschluss bildet das Anlöten der drei farbigen Litzen für die Verbindung zu den Batterien. Das Gerät ist dann kräftig zu schütteln, um Drahtreste und Lötzinnspritzer zu entfernen. Ein genauer Vergleich der entstandenen Verdrahtung mit dem Bauplan soll Schaltfehler oder fehlende Leitungen entdecken helfen. Das Foto zeigt, wie die Verdrahtung nun aussehen sollte.



C. Inbetriebnahme.

Die Stromquelle besteht, wie bereits erwähnt, aus 4 Taschenlampenbatterien, die hintereinander ( in Serie ) geschaltet werden. Wir stellen die Batterien so auf, wie es die Zeichnung zeigt und achten streng auf die richtige Reihenfolge der langen und kurzen Anschlussfahnen. Mittels entsprechender Stücke Schaltlitze und der beiliegenden Batterieklemmen werden die Batterien miteinander verbunden. Zum Schluss sind die drei Batterieleitungen zum Empfänger an den eingezeichneten Stellen einzuklemmen. Alle Klemmschrauben an der Batterie und den Verbindungsdrähten sollten gut festgezogen werden, da jeder schlechte Kontakt zum Versagen des Empfängers führen kann.

Nach dem Anschluß ist eine nochmalige Überprüfung des geschaffenen Zustandes, besonders der Batterieleitungen, anhand der Zeichnung angebracht. Vor dem Einsetzen der Röhre 3 A 5 sollte unbedingte Sicherheit geschaffen sein, daß nicht versehentlich die Anodenspannung am Heizfaden liegt. Falls ein Voltmeter vorhanden ist, sollte eine Messung zwischen Punkt 1 der Röhrenfassung und dem Montagewinkel eine Spannung von ca. 4,5 Volt ergeben. Auch der Anschluss eines Lämpchens mit 5,5 - 6 V Spannung zwischen Punkt 1 und Chassis kann uns diese Gewißheit verschaffen.

Erst jetzt wird die Röhre aus ihrer Verpackung genommen und in die Fassung eingesetzt. - Vorsicht, die Kontaktstifte müssen dabei ganz gerade sein und sorgfältig auf die entsprechenden Öffnungen der Kontaktfedern aufgesetzt werden. Ein gewisser Widerstand, den die Federn dem Einschieben entgegensetzen, ist normal und darf keinesfalls durch Aufbiegen der Federn beseitigt werden !

Nach Anschluß des Kopfhörers, Antenne und Erdleitung wird der Kippschalter S eingeschaltet. Sollte sich dabei herausstellen, daß seine "Ein"-Stellung nicht mit der Beschriftung übereinstimmt, wäre der Schalter nach Ablöten der Anschlüsse und Lockern der Haltemutter entsprechend zu verdrehen, wieder anzuschliessen und zu befestigen.
Der erste Handgriff ist das Durchdrehen der Abstimmung, um evtl. einen naheliegenden Sender hörbar werden zu lassen. Beim Drehen am Knopf "Rückkopplung" muß ein dumpfes Knacken zu hören sein, das den Einsatz der Eigenschwingungen anzeigt.
Hören wir dann einen Sender, müssen wir uns daran erinnern, daß der Punkt größter Lautstärke und Trennschärfe dicht vor dem Einsetzen des Pfeifens liegt. Mit der Rückkopplung läßt sich in gewissen Grenzen auch die Lautstärke regulieren, besser ist es aber, die Rückkopplung stets kurz vor dem Rückkopplungseinsatz zu halten und die Lautstärke durch entsprechende Änderung der Antennenlänge zu regulieren.
Die zweckmäßigste Bedienung ist in jedem Fall schnell herausgefunden und Sie werden bei den Versuchen immer wieder feststellen, wie leistungsfähig die einfache Schaltung des "RIM-Pikkolo 58" ist.

D. Einbau ins Gehäuse.

Wird das Original-Holzgehäuse verwendet, dann sind in der Trennwand zunächst zwei 5mm-Bohrungen anzufertigen, deren Abstand durch die Ausstanzungen in der Frontplatte festgelegt sind. In die entstandenen Löcher werden mit einem größeren Schraubenzieher die beiden Spezial-Schrauben geschraubt, bis sie im Holz verschwunden sind. Sie tragen außen ein Holzgewinde und innen ein 3mm-Metallgewinde und dienen zur Befestigung der Frontplatte an der Trennwand. Deshalb muß diese besonders gut im Gehäuse verankert sein.
Die Batterien finden, flach nebeneinander gelagert, in einem der durch die Trennwand geschaffenen Abteile Platz. Für die Zuleitungen ist mit einem Messer eine entsprechende Rille in die Oberkante der Trennwand zu schneiden. Für den eigentlichen Empfänger steht das andere Abteil zur Verfügung.
Die Frontplatte mit dem betriebsfertigen Gerät wird nun auf die Trennwand aufgelegt, wobei sie gleichzeitig auch die Abdeckung für das Batteriefach bildet. Sie wird mit zwei Rändelschrauben, die durch die Frontplatte hindurchgesteckt werden, im Innengewinde der beiden Spezialschrauben gehaltert. Das Foto auf der ersten Seite dieser Baumappe zeigt das Aussehen des fertigen Gerätes. Im Klappdeckel findet auch der Kopfhörer Platz, sodaß der "RIM-Pikkolo 58" rauher Behandlung im Wandergepäck gewachsen ist.

Eine Skizze zur Selbstanfertigung des Gehäuses mit einer Materialstärke von 10 mm zeigte der Verdrahtungsplan.
Der schnelle Aufbau, die einfache Verdrahtung und die Inbetriebnahme des "RIM-Pikkolo 58" wird Ihnen sicher viel Spaß machen. Wir wünschen "Guten Empfang" und freuen uns immer über Erfahrungsberichte.

Ihr RIM-Bastelonkel


München, den 16.5.1958 Anmerkung Anm. 01: Es ist keine Zeitersparnis, wenn die bereits Drehkondensatoren zur Kürzung der Achsen nicht mehr ausgebaut würden. Die Lagerung der Achse im Gehäuse ist nicht so stark, daß sie der Biege- und Druckbelastung durch das Absägen der Achse in eingebautem Zustand gewachsen wäre. Die Folge dieses Vorgehens wäre ein stetes zeitweiliges Aussetzen des Drehkondensators im Betrieb. Nur durch Auswechseln der entsprechenden (defekten) Teile könnte der Fehler behoben werden.
Die kleine Mühe des Ausbauens macht sich also stets bezahlt. Wenn die benötigte Achslänge vor dem Ausbau mit einen Messer o.a. an der Achse angezeichnet wurde, läßt sich die im Schraubstock eingespannte Achse an der bezeichneten Stelle mit einer Eisensäge oder Laubsäge mit Metallsägeblatt sauber abschneiden. Der Drehkondensatorkörper wird dabei mit einer Hand leicht festgehalten, um ein Herunterfallen beim letzten Sägestrich zu verhindern.
Einige Striche mit der Flachfeile über die scharfe Sägekante der gekürzten Achse erleichtern das Aufsetzen des Knopfes. Ein so pfleglich behandelter Regler ist schnell wieder eingebaut und funktioniert einwandfrei.

_________________________________________________


Auf den folgenden Fotos zeige ich zunächst den Spulenbausatz - ein Siemens-Schalenkern mit einem 2-Kammer-Spulenkörper, man erkennt sehr gut die Einzelteile.


Das folgende Bild zeigt zwei dieser Spulensätze im zusammengesetzten Zustand, daneben eine Röhre 3 A 5 von RCA.


Das folgende Bild schließlich zeigt eine fertig gewickelte und zusammengebaute Spule.


Die Spule wird nach folgenden Angaben gewickelt:
1. Kammer 22 Windungen CuL Seide 20 x 0,05 für den Eingangskreis; 2. Kammer 10 Windungen CuL Seide 20 x 0,05 für die Antenne; 10 Windungen CuL Seide 20 x 0,05 für die Rückkopplung.
- Sollte beim Nachbau die Rückkopplung nicht einsetzen, so müssen die Anschlüsse der Spule L3 vertauscht werden.

Viel Spass und viel Erfolg beim Nachbau ..

Zurück zur Hauptseite