Ein größeres Röhren-Prüfgerät zum Selberbauen
Aus dem Buch von Heinz Richter - "Messpraxis"

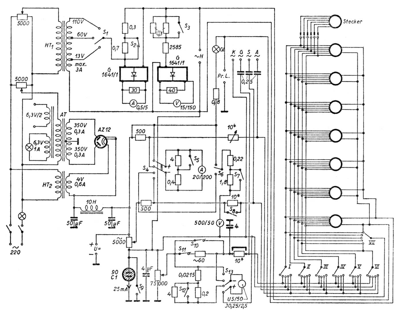
Die Schaltung ist im folgenden Bild wiedergegeben. Das Gerät enthält fünf verschiedene Meßinstrumente; es genügen kleine und billige Typen, da Präzisionsmessungen kaum erforderlich sind. Im Mustergerät wurden Instrumente mit Vollausschlag bei 0,25 mA verwendet, denen jeweils abgeglichene Vor- bzw. Nebenwiderstände für die betreffenden Meßbereiche zugeordnet sind.

Schaltbild
(Mit der Maustaste das Bild anklicken, es wird dann in voller Auflösung dargestellt.)

Die Heizspannungen werden einem Netztransformator HT 1 entnommen, der sekundärseitig Anzapfungen von 13, 60 und 110 V aufweist. Die kleinste Wicklung soll maximal 4 A liefern können, die anderen dürfen eine kleinere Belastbarkeit haben. Die Heizspannung wird durch ein Potentiometer von 500 W eingestellt, an dem sich die Netzspannung für die Primärseite beliebig abgreifen läßt. Das Heizstrom-Meßinstrument arbeitet mit einem Meßgleichrichter (im Mustergerät wurde der Siemenstyp G 16 41/1 verwendet). Wechselstromseitig sind die benötigten Parallelwiderstände angeordnet, wobei mit S2 zwei verschiedene Meßbereiche gewählt werden können. Der Schalter S1 dient zur Grobeinstellung. Die Heizspannung wird mit einem Voltmeter gemessen, das ebenfalls einen Meßgleichrichter nebst Vorwiderstand erhält. Die Vorwiderstände werden mit S3 umgeschaltet. Der Heizstrom fließt zu der im Schaltbild rechts sichtbaren Halteranordnung; die Röhrenhalter sind durch mehrere Kreise angedeutet. Dabei wird die Heizleitung immer dort angeschlossen, wo sie üblicherweise zu finden ist.

Die für den Anoden-, Hilfsgitter- und Gitterkreis erforderliche Gleichspannung wird mit einem Transformator AT und einer Gleichrichterröhre, z. B. der AZ 12, erzeugt. Die Heizung der Gleichrichterröhre erfolgt durch einen besonderen Transformator HT 2, weil die Spannung von AT veränderlich sein soll, was ebenfalls mit Hilfe eines in der Primärseite liegenden Potentiometers von 5 000 W geschieht. Der Transformator HT 2 sorgt demnach für eine konstante Heizung der EZ 80.
Die Siebung erfolgt mit Kondensatoren von jeweils 50 µF und einer Drossel von 10 H. Von dort wird die Spannung auf die einzelnen Elektroden verteilt, wobei die nach oben führende Leitung zur Speisung der Anoden dient. In dieser Leitung liegt ein Widerstand von 500 W als Parallelwiderstand für den Strommesser, der Widerstand kann mit S4 in der oberen Stellung in den Kreis eingeschaltet werden. Mit S5 kann man zwischen den beiden Meßbereichen umschalten. Ferner ist ein kurzschließbarer Widerstand von 10 W vorgesehen, um auch gelegentlich dynamische Messungen durchführen zu können. Von dort geht eine Leitung auf je einen Kontakt von 6 Vielfachschaltern I - VI. Damit kann die Anodenspannung an jeden beliebigen Anschluß des Röhrenhalters geführt werden. Benötigt z. B. die untere Röhre am obersten linken Anschluß die Anodenspannung, so stellt man den Schalter I auf den äußersten rechten Kontakt. Auf diese Weise ist jede nur denkbare Verbindung möglich.

Die Anodengleichspannung wird mit einem weiteren Voltmeter in der oberen Stellung von S6 gemessen. Mit S7 kann man einen anderen Meßbereich wählen.

Die Meßspannung für die verschiedenen positiven Hilfsgitter kann an dem Widerstand von 5 000 W geregelt werden, der ebenfalls mit der Siebkette verbunden ist und dessen unteres Ende mit dem oberen Anschluß einer Stabilisatorröhre 90 C 1 in Verbindung steht. Die Spannung wird an dem Potentiometer abgegriffen, über einen Meßwiderstand von 500 W geführt und gelangt über einen weiteren Widerstand von 10 W der mit S8 überbrückt werden kann, auf jeweils einen weiteren Kontakt der Stufenschalter I - VI. Demnach kann auch diese Spannung an ganz beliebige Röhrenanschlüsse geschaltet werden. Der Strom in den Hilfsgitterkreisen läßt sich mit dem zu S4 gehörenden Amperemeter messen, wobei S4 dann nach unten gestellt werden muß. Zur Spannungsmessung dient dasselbe Instrument wie für die Anodenspannung; der Schalthebel von S6liegt dann unten.

Als Nullpunkt der Anoden- und Hilfsgitterspannung ist der obere Anschluß des Stabilisators zu betrachten, der mit einem weiteren Kontakt der Schalter I - VI in Verbindung steht. Der Stabilisator soll die negativen Gittervorspannungen konstant halten. Parallel dazu liegt außer einem weiteren Beruhigungskondensator ein Potentiometer von 75 kW zum Abgriff der negativen Spannungen. Der Abgriff führt zu S10 und S11, womit verschiedene Meßbereiche eingestellt werden können. Mit S13 kann man das zugehörige Instrument entweder so schalten, daß die negative Gittervorspannung oder daß der eventuell auftretende Gitterstrom bestimmt werden kann. S12 dient zur Umschaltung des Meßbereiches. Ein Widerstand von 10 kW in der Gitterleitung kann wieder für dynamische Messungen verwendet werden und ist bei statischen Messungen kurzgeschlossen. Von diesem Widerstand führt eine andere Leitung zu jeweils einem weiteren Kontakt der Schalter I - VI. Mit S9 kann man die negative Vorspannung kurzschließen, falls eine besonders große Anodenspannung gebraucht wird.
Die beiden Potentiometer für die Spannungsregelung müssen entsprechend hoch belastbar sein. An besonderen Klemmen kann man die Anodenspannung gegebenenfalls ebenso wie die Heizspannung unmittelbar entnehmen. Die Anschlüsse K, G, S und A, die jeweils über Kapazitäten von 0,25 uF mit den Elektrodenanschlüssen für Kathode, Gitter, Schirmgitter und Anode verbunden sind, dienen zur Untersuchung der Röhre in ihrem dynamischen Verhalten. Dann liegen in sämtlichen Arbeitskreisen Widerstände, und man steuert das Gitter der Röhre mit Wechselspannung. Die verstärkten Spannungen können einem Kathodenstrahloszillographen zugeleitet werden, so daß die unmittelbare Kennliniendarstellung auf dem Leuchtschirm möglich wird.
Die Prüf-Glimmlampe Gl kann für Elektrodenschlußprüfungen verwendet werden. Eine Erweiterung des Prüfgerätes durch zusätzliche Röhrensockel ist jederzeit möglich. Aufbau und Verdrahtung sind unkritisch, weil man es nur mit niederfrequenten Wechselspannungen und Gleichspannungen zu tun hat. Die Gefahr des Auftretens wilder UKW-Schwingungen besteht bei diesem Gerät natürlich; beobachtet man solche Erscheinungen, so muß man gegebenenfalls provisorisch in die Gitterleitung einen Schutzwiderstand legen oder aber grundsätzlich zu Adaptern übergehen, was allerdings relativ umständlich und nicht ganz billig ist.

Selbstverständlich stellt dieser Aufbauvorschlag nur ein Beispiel dar. Jeder Praktiker kann die Schaltung gegebenenfalls seinen Bedürfnissen entsprechend anpassen.

Zurück zur Hauptseite