Einfach aufzubauendes Prüfgerät für Röhren
Das hier von mir im folgenden beschriebene Röhrenprüfgerät bietet große Vorteile bei der Bedienung.
Es läßt sämtliche vorkommenden Röhrenschäden schnell und eindeutig erkennen und besitzt den
Vorteil, daß praktisch alle in- und ausländischen Röhren geprüft werden können. - Eine
Ergänzung von Röhrensockeln ist jederzeit möglich, wenn auch nicht notwendig.
Wie der Aufbau des Prüfgerätes letztendlich vorgenommen wird - ob eine flache Kastenform oder eine Pultform -
soll jedem selbst überlassen bleiben. Auch die Wahl, ob das Gerät mit Prüfsockeln (die oft nur noch schwer
erhältlich sind) aufgebaut wird oder auf sie verzichtet wird - hier dann also nur mit Prüfkabeln, an den Enden
z.B. Krokodilklemmen, geprüft wird kann auch jedem selbst überlassen bleiben.
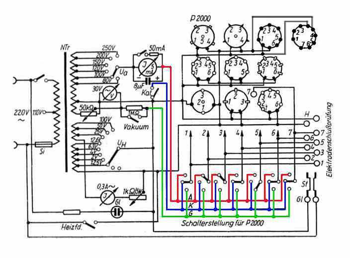
Der zu prüfenden Röhre werden Wechsel-Spannungen zugeführt, wobei die Anode und das Schirmgitter
Spannungen zwischen 80 und 250 V erhalten, die durch einen Stufenschalter Ua entsprechend
eingestellt werden können.
Das Steuergitter bekommt über einen Regelwiderstand von 50 kOhm eine Spannung von 0 bis 30 Veff.
Man kann für den Regelwiderstand eine Skala anfertigen, die von 0 bis 30 V geeicht ist oder man schaltet parallel zum
Regelwiderstand ein Wechselspannungsmessgerät und eicht diesen auf die jeweiligen Spannungen von 0 bis 30 V. -
Letzteres bietet auch noch den Vorteil, die Steuergitterwechselspannung genauer einzustellen und abzulesen.
Bei diesem Prüfverfahren wird erreicht, daß die Kathode während der positiven Halbwelle der Wechselspannung
sehr hoch belastet wird, so daß man durch ein Anodenstrom-Meßinstrument von 5 mA die Emissionsfähigkeit
der Kathode bestimmen kann.
Die zu prüfende Röhre bekommt die betriebsmäßige Aussteuerung mit Wechselspannung - ein aufwändiges
Netzteil fällt daher weg.
Das Anodenstrominstrument ist in drei farbige Bereiche : blau - unbrauchbar, grün = noch brauchbar und rot = gut
unterteilt. Darunter befindet sich außerdem noch eine Prozentangabe in 0 ... 40%, 40 ... 70 % und 70 ... 100 %,
wodurch die Leistung direkt in Prozenten bei Röhren mit 0 V Gittervorspannung abgelesen werden kann. - Für
Röhren mit Gittervorspannung wird die Leistung in Prozent mit Hilfe der Leistungstabelle ermittelt.
Die Heizspannung kann der jeweils zu prüfenden Röhre in den Bereichen 1,25 - 2 - 4 - 6,3 - 12,6 - 25 - 50 -100 V
durch einen Stufenschalter UH eingestellt und zugeführt werden. Außerdem ist noch für
Röhren, die eine hohe Heizspannung haben eine Heizstrommessung vorgesehen, wobei ein Wechsel-Strommessgerät von
0.3 A verwendet wird. Der Heizstrom kann durch einen Regelwiderstand von l kOhm auf den entsprechenden Stromwert der zu
prüfenden Röhre genau eingestellt werden. - Diese Messung ist aber nicht unbedingt erforderlich, sie kann
entfallen - dann entfält auch das Meßgerät hierfür.
Denkbar - wäre auch eine regelbare Gleichspannung für die Heizung (obwohl ich nicht weiß, ob und wie
das Prüfgerät dann funktioniert : mit Wechselspannung messen - Diodenwirkung der Röhren .. - und dann mit
Gleichspannung heizen.. - müsste ausprobiert werden) - mit einem Gleichspannungsmeßgerät (z.B. ein LCD-Panel
von Conrad-Elektronik : DC-Spannungsmodul M, Best.-Nr. 13 02 30-11 für DM 19,95 - oder ein besseres, weil mit automatischer
Bereichswahl : DC-Spannnungsmodul Auto Range, Best.-Nr. 13 11 48-11, für DM 29,95) könnte dann stufenlos die
Heizung von Null bis auf 120 Volt eingestellt werden, wodurch dann auch wirklich jede nur denkbare Röhre mit den
exotischsten Heizspannungen geprüft werden kann, - sofern die Heizstromaufnahme der zu prüfenden Röhre die
Stromabgabe des Trafos und der Spannungsregelung nicht übersteigt.
Diese Regelung wäre auch erheblich billiger, weil der Aufwand für die Herstellung des Netztrafo's ganz extrem
geringer wird, - hier benötigt man nur noch max. drei Abgriffe für die Heizspannung, diese wären 15 Volt /
2 Amp., 25 Volt / 1 Amp. Weiterhin dann noch eine weitere Wicklung von den 25 bis zu 120 Volt (also eine 95-Volt-Wicklung)
mit nur 0,5 Amp.
Der Arbeits-Aufwand, um einen Trafo mit einer solchen Menge von Abgriffen (Anschlüssen) herzustellen wie in der
Schaltung angedeutet, ist sehr aufwändig und macht ihn dadurch sehr teuer.
Es gibt z.B. bei Conrad-Elektronik für etwa 7,50 DM einen Linear-Regler, er heißt HIP 5600. Dieser kann von
1,2 - 300 Volt regeln, bei einem Strom von ca. 10 mA. - In Verbindung mit einem kräftigen Längstransistor, z.B.
dem guten alten 2 N 3055 (wenn er diese hohen Spannungen aushalten könnte..) erhielte man dann eine absolut stabile,
hervorragend regelbare Spannung. - In nächster Zeit werde ich hier noch eine geeignete Schaltung vorstellen.
Ich werde auch in nächster Zeit zwei Transformatorberechnungen hier vorstellen, einer mit etlichen Abgriffen von
0 - 120 Volt Heizung und 0 - 250 (evtll. auch bis 300) Volt Anodenspannung; der zweite Trafo dann mit nur drei
Heizungsabgriffen plus den Anodenspannungen, wie schon beschrieben.
Mit diesem Röhren-Prüfgerät ist ferner eine Heizfaden-Durchgangsprüfung mit Hilfe einer Glimmlampe
möglich. Bei Kurzschließen eines Kippschalters, der sich im Heizkreis befindet, wird durch Aufleuchten der
Glimmlampe festgestellt, ob der Heizfaden in Ordnung ist.
Weitere Möglichkeiten gestatten die Röhre auf Vakuum, Kathoden- und Elektrodenschluß zu prüfen, wobei
man letztere wieder in 13 verschiedene Schlußmöglichkeiten unterteilen kann. Gleichzeitig können die Buchsen
für die Elektrodenschlußprüfung zu Leistungsprüfungen von Röhren benutzt werden, wenn im
Röhrenprüfgerät kein passender Sockel vorhanden ist. Man schaltet dann mit Hilfe von Meßkabeln die
Elektroden der zu prüfenden Röhre an die jeweiligen Krokodil-Klemmen o.ä. an.
Als nächstes sei noch auf die Bedienung des Gerätes hingewiesen. Wie schon anfangs erwähnt, können
sämtliche in-und ausländischen Röhren geprüft werden, vorausgesetzt daß man über eine gute
Röhrentabelle verfügt, die mit den entsprechend zu prüfenden Röhren sowie mit den üblichen
Röhrenwerten ausgerüstet ist. - Es werden bei diesem Röhrenprüfverfahren also keinerlei Steckkarten
benötigt !
An Daten, um eine bestimmte Röhre prüfen zu können müssen zur Verfügung stehen:
a) Heizspannung bzw. Heizstrom,
b) Anodenspannung bzw. Anodenstrom,
c) negative Gittervorspannung,
d) Sockelschaltbild.
Die Elektroden der einzelnen Röhrensockel - außer den Heizfadenelektroden - sind, wie aus der Schaltung
ersichtlich, im Uhrzeigersinn mit den Ziffern 1 ... 7 gekennzeichnet. - Diese Kennzeichnung hat nichts mit der
Kennzeichnung in den Röhrenhandbüchern gemeinsam !
Betrachtet man sich diese Schaltung genauer stellt man sehr schnell eine sehr gefährliche Verdrahtung fest - es ist
die Prüfung des Heizfadens mittels der Glimmlampe.
- Ich habe, um das Schaltbild nicht allzu kompliziert zu machen diese Beschaltung so gezeichnet. - DAS IST FALSCH !!
Richtig ist, diese Verdrahtung an den Nullpunkt der Anoden-Prüfspannung zu legen - das ist der Punkt, an dem das
Wechselspannungs-Voltmeter an der Anodenleitung - Punkt 30 Volt - angeschlossen ist - der andere Pol der Heiz-Prüfleitung
ist der 200- oder 250-Volt-Sekundäranschluß am Trafo. Somit kann kein gefährliches Netzpotential innerhalb
der Schaltung auftreten.
Jede Elektrode von 1 bis 7 führt zu je einem Dreifachschalter, der wahlweise auf Anode (rote Leitung A), Kathode
(blaue Leitung K) oder Steuergitter (grüne Leitung G) eingestellt werden kann.
Beispiel P 2000:
a) Man sucht sich in einer Röhrentabelle die P 2000,
b) bestimmt deren Werte und das Sockelschaltbild,
c) stellt die Heizspannung von 12,6 V
d) und eine Anodenspannung von 150V ein.
e) Gittervorspannung auf 2,5 V (entweder am Voltmeter oder an einer geeichten Skala am Regelwiderstand).
f) Man wählt die jeweilige Schalter-Stellung der 7 Schalter nach dem Sockelschaltbild und beginnt bei:
Elektrode 1 = Schutzgitter - Schalter 1 auf Kathode
Elektrode 2 = Anode - Schalter 2 auf Anode
Elektrode 3 = Schirmgitter - Schalter 3 auf Anode (gleiche Spannung wie Anode)
Elektrode 4 = Kathode - Schalter 4 auf Kathode
Elektrode 5 = Steuergitter - Schalter 5 auf Gitter
Elektrode 6 = nicht vorhand. - Schalter 6 auf Kathode
Elektrode 7 = nicht vorhand. - Schalter 7 auf Kathode
Damit ist die Einstellung beendet, das Gerät kann eingeschaltet und die Röhre geprüft werden.
Eine weitere Tabelle zeigt in der horizontalen Achse den jeweils für die Röhre entsprechenden Anodenstrom
Ja nach Angabe der Röhrentabelle an. In der vertikalen Achse sind die gemessenen Werte
Ja1, die am Instrument abgelesen werden, festgehalten.
Man verfährt nun in der Weise, daß nach Beispiel P 2000 der Anodenstrom Ja (bzw. ein
zehnfach höherer Wert hiervon) nach Angabe der Röhrentabelle (2 mA = 20 in der Leistungstabelle) in der
horizontalen Achse ermittelt wird. In der vertikalen Achse sucht man sich den angezeigten Instrumentenwert (angenommen 18),
geht horizontal bis in Spalte mit 20 und liest somit eine Leistung von 90 % bei einer Spannung von 150 V Ua
ab.
Wem dieses Verfahren vielleicht im ersten Moment unüberschaubar und kompliziert erscheinen mag, der kann beruhigt sein -
mit einem kleinen, wirklich nur kleinem bißchen Übung hat man sehr schnell "den Dreh raus" und kann
schnell und effizient seine Röhren auf Funktion und Leistungsfähigkeit überprüfen.
Im Zusammenspiel mit meinem Röhren-Regeneriergerät, welches ich auf meiner Homepage auch zum nachbauen vorstellte
hat nun jeder alle Möglichkeiten..
Noch einmal zur Verdeutlichung ein Beispiel um eine EL 84 zu prüfen :
Pin 1 der EL 84 ist nicht belegt. Hier ist noch Pin 1 mit dem eingezeichneten Pin 1 der Schaltung identisch, hier kommt
also Leitung 1 auf Schalterstellung K.
Pin 2 ist auch noch mit 2 identisch, es ist das Steuergitter, Leitung 2 wird also auf G geschaltet.
Pin 3 auch noch identisch mit 3, dieses ist Kathode, Leitung 3 also auf K schalten.
Pin 4 und 5 der EL 84 sind Heizung, werden mit der Ziffernfolge des Prüfgerätes übersprungen.
Pin 6 EL 84 ist nun Pin 4 der Schaltung, Pin 6 ist nicht belegt (nicht vorhanden), es wird also Leitung 4 auf K geschaltet.
Pin 7 der EL 84 entspricht Pin 5 der Schaltung, ist Anode, also hier Leitung 5 auf A.
Pin 8 der EL 84 ist Leitung 6 der Schaltung, nicht vorhanden; Leitung 6 auf K.
Pin 9 der EL 84 ist Leitung 7 der Schaltung, ist das Schirmgitter und wird auf Anode geschaltet, - hier dann also Leitung 7
auf A schalten. - Das war's !
- Hier noch, zum Schluß, ein Foto des Röhrenprüfgerätes - so könnte der Eigenbau auch bei Euch
aussehen..
Viele Anfragen, viele E-Mails erhielt ich seit meiner Veröffentlichung des doch recht
einfach aufgebauten (aber dennoch hervorragend funktionierenden !) Röhrenprüfgerätes. Die Fragen gingen
teilweise sehr ins Detail, - Fragen, - wie funktioniert eigentlich das Vakuum-Messen einer Röhre, etc., stürmten
auf mich ein.
Die Möglichkeit, ohne verher anzufertigende Prüfkarten auszukommen begeisterten fast alle..
Nun, zunächst einmal vielen herzlichen Dank all' denen, die mir schrieben, - ganz besonders herzlichen Dank
natürlich an die, die mich - für die Mühe und Sorgfalt, die ich mir für diesen Artikel machte - lobten,
mir mit teils begeisterten Worten dankten.
Solche Briefe, solche E-Mails spornen natürlich an...
Und so setzte ich mich auch (gehorsam) hin, um die folgenden Seiten mit Schaltskizzen, Beschreibungen, Erklärungen..,
zu verfassen, zu schreiben.
Um denjenigen, die so viele interessierte Fragen hatten (und teilweise noch haben - ich kann wirklich nicht immer alle
Mails sofort beantworten, es sind oft zu viele - ich bitte diejenigen hiermit Aufrichtig um Verzeihung) fundiertere
Erklärungen über die Funktionsweise eines Röhrenprüfgerätes zu geben, folgt eine
Funktionserkärung mit Schaltbeispielen, - diese sind (nicht nur !) für den Anfänger gedacht.
Die Röhren gehören zweifellos mit zu den wichtigsten Teilen des Empfängers. Damit ist aber auch schon
gesagt, welche große Bedeutung den Röhren zukommt. Geringe Schäden einer Röhre können ein
Gerät zum völligen Versagen bringen, während ähnliche kleine Fehler an anderen Einzelteilen durchaus
nicht immer derartige Folgen zeigen.
Deshalb gehört auch das Röhrenprüfen mit zu den wichtigsten Arbeiten des Radio-Sammlers und -bastlers. Wer
weder sein Röhrenprüfgerät kennt noch etwas vom Röhrenprüfen versteht, wird selbst mit einem sehr
guten Prüfgerät nur einen kleinen Prozentsatz von Röhrenfehlern feststellen können. Um die Arbeitsweise
der verschiedenen Prüfgeräte verständlich zu machen, ist es zunächst einmal erforderlich, sich mit den
Röhrenfehlern zu befassen.
Die Vorprüfung
Die Prüfung einer Röhre hat nicht nur den elektrischen, sondern auch den mechanischen Zustand zu
berücksichtigen. Diese Untersuchung sollte zuerst vorgenommen werden, um zu verhindern, daß durch irgendwelche
mechanischen Fehler und dadurch hervorgerufene Elektrodenschlüsse Überlastungen der empfindlichen Instrumente
bzw. des Prüfgerätes eintreten.
Prüfung des Heizfadens
Diese Prüfung kann allgemein mit Hilfe eines Durchgangsprüfers (z. B. Voltmeter, Glimmlampe usw.) vorgenommen
werden. Da dieses Verfahren jedoch nicht völlig eindeutig ist empfiehlt es sich, die Stromaufnahme durch Einschalten
eines Strommessers in den Heizkreis zu messen und einen Vergleich des gemessenen Heizstromes mit den Betriebswerten
anzustellen.
Elektrodenschlußprüfung bzw. Isolationsprüfung
Die Berührung zweier oder mehrerer Elektroden innerhalb der Röhre führt zu einem Kurzschluß der
Röhre. Diese Fehler treten jedoch oft nur im betriebswarmen Zustand der Röhre auf. Die Untersuchung soll deshalb
immer mit eingeschalteter Heizung vorgenommen werden. Jede Elektrode wird dann gegen alle übrigen Elektroden
auf Kurzschluß hin untersucht.
Ist kein direkter Schluß vorhanden und vermutet man nur einen Isolationstehler, so ist die
Elektrodenschlußprüfung mit einem entsprechenden Ohmmeter oder mit einer Meßbrücke zu einer
Isolationsprüfung zu erweitern. - Oft kommt es aber auch vor, daß Elektrodenschlüsse im betriebswarmen
Zustand aufgehoben werden. Dann ist die Prüfung nach der angegebenen Methode wenig aussichtsreich und wird vorteilhaft
durch eine Klopfprüfung (leichtes anklopfen der Röhre z.B. mit dem Griffteil eines Schraubendrehers) im
Empfänger ersetzt.
Kathodenisolation
Ein Fehler, der häufiger vorkommt, bildet die mangelhafte Kathodenisolation. Sie ist nur bei indirekt geheizten
Röhren anzutreffen und auf schlechte Isolation zwischen dem Heizfaden und der emittierenden Schicht, der Kathode,
zurückzuführen. - Da der Fehler nur im betriebswarmen Zustand der Röhre auttritt, muß die Prüfung
mit eingeschalteter Heizung vorgenommen werden.
Prüfgeräte
Die grundsätzliche Schaltung eines Vorprüfers zeigt das folgende Bild.
Mit Hilfe eines Durchgangsprüfers werden nacheinander die verschiedenen Elektroden abgetastet, ohne daß sich ein
Aufleuchten der Glimmlampe zeigen darf. Nur beim Anlegen der Prüfenden am Heizfaden muß Durchgang vorhanden sein.
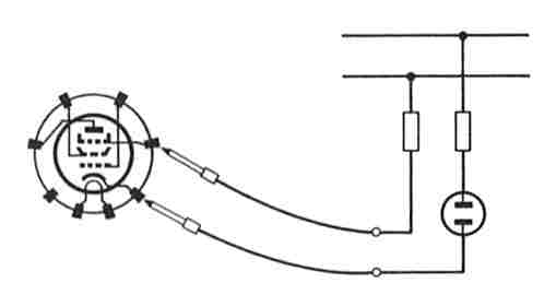
Die einfache Ausführung eines Elektrodenschlußprüfers zeigt das nächste Bild.
Das Gerät besteht aus einem Spannungsteiler, an dem die Spannung für die Glimmlampe abgenommen wird, die gerade
so groß ist, daß die Glimmlampe nicht zündet. Die Unterteilungen des Spannungsteilers sind mit den
verschiedenen Elektrodenanschlüssen der Röhre verbunden.
Besteht zwischen irgendwelchen Elektroden ein Schluß, so wird ein Teil des Spannungsteilers kurzgeschlossen. Damit
verschiebt sich die Spannung an den Enden der Glimmlampe, die dann aufleuchtet. - Nachteilig hierbei ist, daß sich
durch die Vielfältigkeit der Sockelschaltungen nicht sofort die Lage des Kurzschlusses erkennen läßt.
Vorteilhafter erweist sich daher eine Prüfeinrichtung nach dem folgenden Bild.
Auf der Sekundärseite eines Transformators werden Lämpchen angeordnet, die man in die Zuführungsleitungen
der einzelnen Elektrodenanschlüsse der Röhre schaltet. Tritt nun ein Kurzschluß an den Elektroden auf, so
leuchtet das entsprechende Lämpchen auf. Hierdurch werden aber Windungen auf der Sekundärseite des Transformators
kurzgeschlossen, so daß auf der Primärseite eine höhere Stromaufnahme eintritt. Der erhöhte
Primärstrom erzeugt am Widerstand R einen Spannungsabfall, der die Spannung an der Primäreite um so mehr
herabsetzt, als Windungen auf der Sekundärseite kurzgeschlossen werden, d. h. der Widerstand R begrenzt den Strom und
verhindert ein Durchbrennen der Lampen.
Die elektrische Prüfung
Ist die Röhre als mechanisch einwandfrei vorgeprüft, so hat die elektrische Prüfung die Arbeitsfähigkeit der Röhre zu untersuchen. Es ist festzustellen, ob die Röhre die erforderlichen Betriebsströme besitzt und in der Lage ist, die notwendige Steuerwirkung hervorzurufen.
Bei direkt geheizten Röhren läßt die Ergiebigkeit der Kathode im Laufe der Zeit merklich nach, wodurch die
Betriebsströme unter den Normalwert sinken und damit die Arbeitsfähigkeit der Röhre beeinträchtigen.
a) Messung der Betriebsströme
Bei Mehrgitterröhren ist es besonders wichtig, die Betriebsströme der einzelnen Elektroden getrennt zu messen.
Man muß darauf achten, daß an den entsprechenden Elektroden die vorgeschriebenen Betriebsspannungen liegen.
Diese Spannungswerte findet man für jede Röhre in den Kennlinienfeldern (Röhren-Handbüchern, etc.)
angegeben. Bei der Prüfung z. B. der Röhre AL 4 - siehe nächstes Bild - wird der Anoden- und
Schirmgitterstrom gemessen und dann die Röhre unter betriebsmäßigen Bedingungen geprüft. Die
Größe der Ströme muß sich dann mit den in den Kennlinienfeldern Ia = f
(Ug1) und Ig2 = f (Ug1) angegebenen Werten
decken.
Bekanntlich liegen ja im Empfänger nicht nur die verschiedenen Gleichspannungen an einer Röhre, sondern es werden
dem Steuergitter Wechselspannung zugeführt und der Anode Wechselspannung bzw. -leistung entnommen.
Daraus ist ersichtlich, daß eine Messung unter den tatsächlichen Arbeitsbedingungen nicht stattfindet. Man nennt
diese Prüfung "Statische Messung".
b) Steuerfähigkeit bzw. Steilheitsprüfung
Die dem Steuergitter einer jeden Röhre nachgeahmt. - Man mißt also den Anodenstrom bei den verschiedenen
Gittervorspannungen. Wie z. B. im folgenden Bild dargestellt, wird die Gittervorspannung einmal an die richtige Spannung
- G 1 und das anderemal an eine etwas kleinere oder größere negative Gittervorspannnung - G 2 geschaltet.

Ist die Röhre in Ordnung, so müßten verschiedene Anodenströme angezeigt werden. Aus der
Stromänderung kann man jetzt am Instrument nicht nur die Steuerfähigkeit der Röhre beurteilen, sondern auch
die Steilheit aufnehmen.
Die Steuerfähigkeit einer Röhre ist in erster Linie durch die Steilheit der Kennlinie gekennzeichnet. Mithin
ist die Steilheit die wichtigste Röhreneigenschaft.
Eine genauere und einfachere Methode stellt die nach Barkhausen angegebene Brückenschaltung dar.

Die Röhre arbeitet mit den vorgeschriebenen Betriebsspannungen und dem zugehörigen
Kathodenwiderstand. Die Wechselspannung
Ug
wird an das Steuergitter gelegt und erzeugt einen Anodenwechselstrom
Ia.
Durch diesen entsteht an dem Widerstand R ein Spannnungsabfall
I
a x R. Der Widerstand wird so lange verändert, bis die Brücke abgestimmt ist, d.h. der
Spannungsabfall entspricht der Wechselspannung. Da die beiden Spannungen
Ug und
Ia
x R um 180 ° phasenverschoben sind, heben sie sich auf.
Formelmäßig ausgedrückt ist also

Die Steilheit S ist aber gleich dem reziproken Widerstandswert

auch gemäß der Definition der Steilheit. Es kann also bei entsprechend geeichtem Regler R die Steilheit an
diesem direkt abgelesen werden. Es ist dann hierbei darauf zu achten, daß der Regler R mit dem Anodenstrom der
Endröhren belastbar sein muß. Da sich der innere Widerstand der Spannungsquelle zu dem Wert des Reglers R bzw.
dem Kathodenwiderstand Rk addiert, darf dieser nicht größer als 10 Ohm sein. Dies wird
für 800 Hz durch einen Kondensator von 20 uF erreicht.
c) Vakuumprüfung
Das Vakuum einer Röhre ist noch als ausreichend und gut zu bezeichnen, wenn die Elektronen auf ihrem Wege von der
Kathode zur Anode nicht mehr auf Luftmoleküle stoßen. Treffen nun Elektronen, bei schlechtem Vakuum, auf
Luftmoleküle, so wird diesen ein Elektron entzogen und der Molekülrest ist positiv geladen, weil ihm ja ein
negatives Elektron, ein Ion fehlt.
Da das Steuergttter fast immer negativ ist (mit Ausnahme von Spezialröhren wie z.B. die KDD1), fließt jetzt ein
Gitterstrom, der sogenannte lonengitterstrom. Am Gitterableitwiderstand tritt dann ein Spannungsabfall auf, der die negative
Gitter-Vorspannung herabsetzt.
Durch diese Verschiebung der Spannung ändert sich der Anodenstrom und wird um so größer, je kleiner die
negative Gittervorspannung ist. Nimmt diese Spannung bereits positive Werte an, so ist die Röhre gefährdet.
Durch mangelhafte Isolation an den Röhrenfassungen und durch Aufdampfen von Bariumoxyd auf die Steuergitterdrähte
können ebenfalls Gitterströme entstehen. Es kommt vor, daß bei der Herstellung der Röhre sich etwas
Bariumoxyd auf das Steuergitter niederschlägt. Das dem Heizfaden benachbarte Steuergitter hat ja bekanntlich nur einen
Abstand von 0,5 mm und weniger. Da die Röhre im Betrieb recht warm wird, so kann das Steuergitter ebenfalls die
Aussendung von Elektronen beginnen. - Auch hier entsteht am Gitterwiderstand ein Spannungsabfall, der die Gitterspannung
herabsetzt.
Ferner können auch Gitterströme fließen, wenn das Steuergitter während des Betriebes fast Null Volt
Gitterspannung erreicht und einige Elektronen aufnimmt. Es fließt dann ein Elektronengitterstrom, der ebenfalls die
Gitterspannung erhöht. - Für die Röhre ist dieser nicht so nachteilig wie der lonengitterstrom.
Bei der Prüfung legt man einen Widerstand von 1...2 MOhm an das Steuergitter - siehe nächste Bild -, an dem ein
Spannungsabfall entsteht. Letzterer erhöht oder erniedrigt die Gittervorspannung und beeinflußt damit auch den
Anodenstrom. Ist die Stromänderung durch Kurzschließen des Widerstandes erheblich größer, dann
fließt ein zu großer Gitterstrom urid die Röhre ist unbrauchbar. Man muß dabei beachten, daß
die Prüfung bei negativer Gittervorspannung vorgenommen wird. Auf diese Weise werden Fehlmessungen durch
Gitterströme vermieden.
d) Prüfgeräte
Bei hochwertigen Prüfgeräten ist es erforderlich, nicht nur den Anodenstrom, sondern mindestens auch den
Schirmgitterstrom und die dazugehörigen Spannungen messen und einstellen zu können. Nach der Vorprüfung
werden die Röhren auf ihre Steilheit geprüft und es ist auch möglich, Kennlinien aufzunehmen.
Meist verzichtet man aber auf die vielen und teuren Instrumente und verwendet für die Röhrenprüfgeräte
eine Schaltung, wie sie grundsätzlich im nächsten Bild wiedergegeben ist.
Durch das Instrument in der Katodenleitung fließt der gesamte Elektronenstrom, d.h. die Summe von Anoden- und
Schirmgitterstrom. - Es ist dabei unmöglich, etwas über die Stromverteilung zwischen Anode und Schirmgitter
auszusagen. Da die Röhre ja einer Vorprüfung unterzogen wurde, kann angenommen werden, daß die
Stromverteilung innerhalb der Röhre in Ordnung ist. Das Instrument in der Katodenleitung zeigt ebenfalls wie das
Instrument in der Anodenleitung den Zustand der Röhre an. Wichtig dabei ist nur daß die Röhren mit den
vorgeschriebenen Betriebsspannungen geprüft werden.
Zur Bedienungserleichterung verfügen diese Geräte über besondere Einrichtungen, wie Schablonen, automatische
Steckkarten u. dgl. Hierdurch werden zwangsweise die richtigen Betriebsspannungen eingestellt.
Aber es ist auch bei diesen Geräten möglich, durch Wahl von verschiedenen Arbeitspunkten zwei oder drei Punkte
der Kennlinie aufzunehmen und mit den normalen Kennlinien zu vergleichen.
Für all diese bisher beschriebenen Prüfgeräte ist kennzeichnend, daß die Röhren mit den
vorgeschriebenen Spannungen geprüft werden. Ein anderes Prinzip, das in den USA besonders verbreitet ist, stellt der
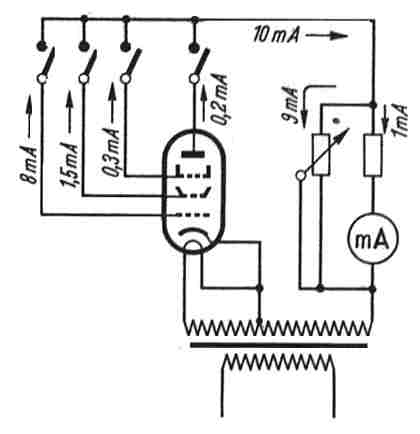
Leistungsprüfer dar - siehe nächstes Bild.
Die Röhre wird aus einem Netztransformator geheizt und erhält gleichzeitig eine kleine Anodenwechselspannung.
Sämtliche Gitter liegen mit der Anode zusammen an dieser Wechselspannung.
Jedesmal, wenn das mit dem Strommesser verbundene Ende der Sekundärwicklung des Transformators positiv ist, fließt
ein Elektronenstrom durch die Röhre von der Kathode nach den gerade positiven Gittern und nach Anode. Es entstehen
Gleichstromstöße, die einen Zeigerausschlag am Instrument hervorrufen.
An der Anode und damit an den Gittern der zu prüfenden Röhre sind nur 20 Volt wirksam, da am Instrument und
Widerstand R1 ein Spannungsabfall von 12 Volt entsteht. Durch Vorschalten des Widerstandes R1 ist das Instrument in ein
Voltmeter mit Endausschlag 12 Volt verwandelt.
Ist die ganze Röhre kurzgeschlossen, dann würde die ganze Wechselspannung, nämlich 32 Volt, am Instrument
und Widerstand R1 liegen, also eine dreifache Überlastung eintreten. Dadurch ist das Instrument nicht gefährdet.
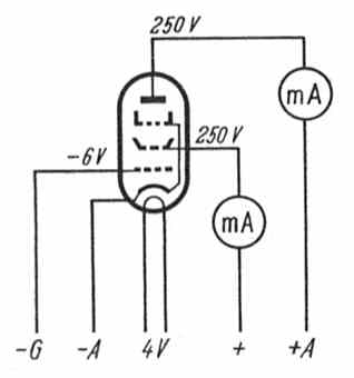
Bei der Prüfung fließt durch die Röhre ein Gleichstrom von ca. 10 mA. Die Stromverteilung innerhalb der
Röhre ist im folgenden Bild dargestellt.
Das Steuergitter liegt der Katode am nächsten und zieht deshalb die meisten Elektronen an (ca. 80 % des Gesamtstromes).
Das folgende Schirmgitter nimmt dagegen einen viel schwächeren Strom auf und das Bremsgitter einen noch kleineren,
ebenfalls die Anode.
Unter Ausnutzung dieser Stromverteilung wird in den Zuführungen der Gitter-und Anodenleitungen je ein Schalter oder
eine Taste gelegt, die im Ruhezustand geschlossen sind. Wird der Schalter bei der Prüfung geöffnet, dann muß
der Strom sinken - und zwar um so mehr, je näher die betreffende abgeschaltete Elektrode der Katode liegt. Durch die
Betätigung einer oder mehrerer Schalter kann man dann über den Zustand der entsprechenden Gitter bzw. Anode
aussagen. Dieser Leistungsprüfer gestattet, auf die einfachste Weise einen Strom durch die Röhre zu schicken und
diesen zu beobachten. Nachteilig ist nur, daß die Prüfung kein genaues Urteil über die Kathodengüte
erlaubt.
Bei allen diesen besprochenen Messungen handelt es sich um statische Röhrenprüfungen. Es können aber
noch zusätzliche Fehler beim Arbeiten im Empfänger auftreten, die durch die statische Prüfung nicht
erfaßt werden. Hierzu gehören Schwingen, Rauschen, Pfeifen, Kratzen, Klingen und Verzerrungen bei bestimmten
Frequenzen.
Diese lassen sich nur in einer Gebrauchsprüfung feststellen. Es ist dann zweckmäßig, diese Röhren in
einem Gerät mit der störanfälligen Schaltung zu untersuchen.
Viel Spass und viel Erfolg beim Nachbau ..