Grosses Röhrenprüfgerät

In der Vergangenheit bemerkte ich aufgrund einer hohen Anzahl von Anfragen per eMail das doch ziemlich große Interesse an dem von mir hier bereits veröffentlichten Röhrenprüfgerät, welches noch recht einfacher Natur war. Einem kommerziellem Röhrenprüfgerät wie beispielsweise dem Funke W19 konnte es logischerweise nicht "das Wasser reichen".
Aber gerade an solchen "besseren" Röhrenprüfgeräten scheint ein hohes Interesse zu bestehen - wie sonst lassen sich eBay-Preise von nahezu 4.000 DM (!!) erzielen? - Und das war nicht nur einmal, das war einige male der Fall daß solche völlig durchgeknallten Preise gezahlt wurden.
Deshalb hier nun mein neuer Beitrag, ein durchaus dem Funke W19 gleichwertiges Röhrenprüfgerät. Nur mit dem Unterschied daß bei dem hier vorgestellten keine Prüfkarten notwendig sind ..
Die hier vorgestellte Nachbauanleitung stammt aus der Funkschau, sie wurde 1952 vorgestellt.

Nachstehend wird ein neuentwickeltes Röhrenprüfgerät beschrieben, das auf Lochkarten und Tabellen verzichtet, trotzdem aber auf dem Ladentisch, d. h. von Laien bedient werden kann. Das Gerät arbeitet nach dem Prinzip des Röhrenleistungsprüfers, weist aber verschiedene Neuerungen und Vereinfachungen auf.


Allgemeines
Für die Einstellung der Heizspannung wird ein Stufenschalter benutzt. Die Skala dieses Schalters ist aber nicht nur mit den einzelnen Heizspannungen versehen, sondern enthält auch noch die Anfangsbuchstaben der verschiedenen Röhrenarten, z. B. den Buchstaben "D" bei 1,4 Volt, "K" bei 2 Volt, "A" bei 4 Volt usw., so daß also auch der Laie ohne weiteres die richtige Röhrenheizung einstellen kann.
Bei den Allstromröhren mit ihren unterschiedlichen Heizspannungen sind die wichtigsten Typen neben der betreffenden Spannung angeführt. Ferner ist der Heizschalter mit dem Netzschalter gekuppelt, so daß er zum Schluß der Prüfung immer auf Null zurückgeführt werden muß. Die Gefahr des versehentlichen Überheizens von Röhren wird dadurch wesentlich verringert.
Ein zweiter Spezialstufenschalter dient in Verbindung mit einer Glimmlampe zur Heizfadendurchgangs- und Elektrodenschlußprüfung sowie auch zur Emissionsprüfung. Seine Schaltebene enthält - gemäß den Röhrenpolen - neun Kontakte, die nacheinander von einem Schleifkontakt abgetastet werden.
Gleichzeitig läuft aber ein Kurzschlußring mit, der Immer nur einen kleinen Sektor, nämlich den angetasteten Kontakt, freiläßt, alle übrigen acht Kontakte aber jeweils kurzschließt. Es ist mit diesem Schalter also möglich, jeden einzelnen Röhrenpol gegenüber allen anderen auf Durchgang bzw. Kurzschluß zu prüfen. Natürlich ist es auch möglich - und das ist für die Emissionsprüfung wichtig -, den Elektrodenschalter so zu stellen, daß die Kathode an dem Einzelkontakt liegt, ganz gleich, an welchem Sockelkontakt sie angeschlossen ist. Es ergibt sich damit die Prüfanordnung, wie sie bei Leistungsprüfern üblich ist: nämlich die Kathode führt Spannung gegenüber allen anderen miteinander verbundenen Elektroden. Daher ist in allen Fällen nur eine Prüffassung für jede Röhrenart notwendig, ausgenommen bei Röhren mit unterschiedlicher Anordnung der Heizungsanschlüsse.
Neu ist weiterhin die Anwendung einer Glimmröhre - am besten der Universal-Glimmröhre UR110 - zur Emlsstonsprüfung und zur Feststellung von Elektrodenunterbrechungen. Wird sie nämlich zunächst statt eines Meßinstrumentes in den Stromkreis "Katode - miteinander verbundene Elektroden" geschaltet, so leuchtet sie auch bei Anlegen einer Wechselspannung nur einseitig - beispielsweise rechts - auf, da ja die zu prüfende Röhre in dieser Schaltung als Ventil wirkt. Statt der Kathode läßt sich natürlich jeder andere Röhrenpol mit dem Elektrodenschalter als Einzelpol schalten. Die Kathode ist dann mit den übrigen Elektroden verbunden. Bei Anlegen einer Wechselspannung leuchtet die Glimmröhre wieder auf, diesmal aber links, da der Stromverlauf jetzt umgekehrt ist. Bei einer Endpentode würde beispielsweise die Glimmlampe in drei Stellungen des Elektrodenschalters links aufleuchten, nämlich in den Stellungen Gitter, Schirmgitter und Anode als Einzelpole, und nur in einer Schalterstellung rechts (Kathode als Einzelpol). Daraus ergeben sich zwei Nutzanwendungen:
1. Durch Ihr Rechtsaufleuchten zeigt die Glimmlampe eindeutig an, in welcher Stellung des Elektrodenschalters die normale Prüfschaltung hergestellt ist (Kathode als Einzelpol).
2. Da die Glimmlampe beim Drehen des Elektrodenschalters so oft links aufleuchtet, wie die zu prüfende Röhre Elektroden (außer Kathode und Heizung) hat, ist dies gleichbedeutend mit einer Prüfung der Röhre auf Elektrodenunterbrechung. Allerdings ist bei den kleinen Batterieröhren der Elektronenstrom so gering, daß bei der Schaltung von Anode und Bremsgitter als Einzelpole die Glimmlampe nicht mehr aufleuchtet. Dies fällt jedoch kaum ins Gewicht, da Elektrodenunterbrechungen bei Miniaturröhren praktisch nicht vorkommen.


Aufschluß über den Emissionszustand kann natürlich nur ein Meßinstrument geben. Es wird durch eine Drucktaste an Stelle der Glimmlampe in den Meßkreis geschaltet und zeigt überschlägig den Zustand der Röhre an.
Durch geeignete Auswahl des Vor- und Nebenwiderstandes gelingt es leicht, mit zwei Skalen - eine für direkt und eine für indirekt geheizte Röhren - auszukommen.
Wichtig ist noch die Prüfung der einzelnen Systeme in Verbundröhren, z. B. der ECH - oder der ECL-Typen; auch sie läßt sich mit Hilfe des Elektrodenschalters und der Glimmlampe leicht und ohne Tabellen durchführen. Bekanntlich findet bei der Röhrenleistungsprüfung zwischen der Kathode und der ihr am nächsten gelegenen Elektrode, dem Steuergitter, der weitaus größte Stromfluß statt (ca. 80 mA). In zwei Stellungen des Elektrodenschalters also, wenn nämlich jeweils die beiden Steuergitter der Verbundröhre als Einzelpole geschaltet werden (Linksaufleuchten der Glimmlampe!), muß nach Drücken der Meßtaste der Zeiger des Meßinstrumentes auf "brauchbar" ausschlagen. In gleicher Weise können auch die beiden Systeme von Gleichrichterröhren einzeln geprüft werden. Natürlich muß dem Meßinstrument ein Meßgleichrichter vorgeschaltet werden, analog der links und rechts aufleuchtenden Glimmlampe. Auch eingebaut ist ferner die angewandte Methode der Vakuumprüfung. Ohne auf Einzelheiten näher einzugehen, sei hier nur kurz erwähnt, daß Röhren mit thermischer Gitteremission oder mit Isolationsfehlerströmen ebenfalls unter Vakuumfehler eingestuft werden.
Hierfür wurde folgendes Verfahren als brauchbar gefunden: Wie schon erwähnt, ist die Stromverteilung in der Röhre bei der Leistungsprüfung unterschiedlich, und zwar derart, daß die Anode infolge ihrer größten Entfernung von der Kathode am wenigsten am gesamten Stromfluß teilnimmt. Die Glimmröhre zeigt dies auch deutlich, denn sie leuchtet in dieser Stellung des Elektrodenschalters (Anode als Einzelpol) am schwächsten, und beim Druck auf die Meßtaste wird praktisch kein Strom angezeigt. Anders aber, wenn das Vakuum In der Röhre sich verschlechtert, dann wird der Stromfluß von der Kathode zur Anode größer. Natürlich nehmen auch die anderen Elektroden am erhöhten Stromfluß teil, aber zwischen ihnen und der Kathode ist dieser ja ohnehin höher und gut meßbar. Wenn man nun alle Elektroden zwischen Anode und Kathode abschaltet, dann kann man solche Vakuumfehler an einem empfindlichen Instrument (0,4 bis 1 mA Endausschlag) gut ablesen. Bei einer einwandfreien Röhre bewegt sich der Zeiger kaum aus seiner Ruhelage, während er bei einer schadhaften Röhre 2 mm und mehr, je nach Grad der Vakuumverschlechterung, ausschlägt. Bei Fehlerströmen infolge thermischer Gitteremission, wie sie z. B. gelegentlich in Endröhren auftreten, muß das Steuergitter vor der Prüfung auf erhöhte Temperatur gebracht werden, da auch im normalen Betrieb die Temperaturerhöhung den Fehlerstrom verursacht. Dies gelingt auf einfache Weise, wenn man für etwa eine halbe Minute eine Wechselspannung von ca. 20 V zwischen Kathode und alle anderen miteinander verbundenen Elektroden legt. Da das Steuergitter den größten Strom aufnimmt, erwärmt es sich auch am meisten und hat nach kurzer Zeit die Temperatur erreicht, die es zur Emission braucht, falls sich emissionsfähige Substanzen darauf niedergelassen haben. Es sei hier ausdrücklich darauf hingewiesen, daß die kurzzeitige Belastung - es fließen etwa 80 bis 100 mA - nicht schadet. Versuchsweise wurden einwandfreie, neue Röhren stundenlang mit dieser Wechselspannung belastet, ohne daß hinterher irgendeine Beschädigung der Röhren festzustellen war.
Selbstverständlich können Batterieröhren, z. B. die empfindlichen D-Röhren, dies nicht vertragen: man muß deshalb durch Schaltmaßnahmen Vorsorge treffen, daß diese Wechselspannung auch nicht versehentlich an die Batterieröhren gelangen kann.
Da erfahrungsgemäß in vielen Bastlerwerkstätten kaum die Möglichkeit besteht, Kondensatoren mit Werten über 1 µF zu prüfen, wurde mit geringem zusätzlichem Aufwand eine Meßeinrichtung hierfür vorgesehen.

Die Schaltung
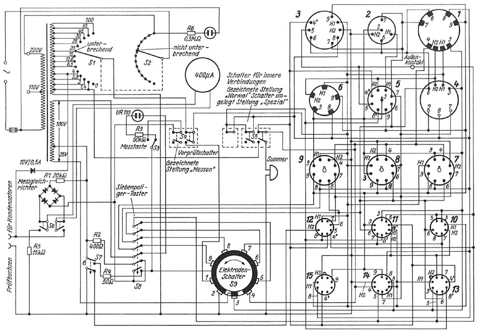
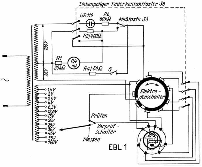
Im Prinzipschaltbild ist zur besseren Übersicht nur eine Röhrenfassung gezeichnet. Als Prüfbeispiel dient die Röhre EBL 1. An ihr läßt sich die Funktion des siebenpoligen Federkontakttasters für die Vakuumprüfung am besten erkennen.


In der Stellung "Prüfen" des Vorprüfschalters liegen alle neun Röhrenpole an den neun Kontakten des Elektrodenschalters. Acht von ihnen sind jeweils durch einen Kurzschlußring miteinander verbunden, dessen Schleifkontakt in der Ruhestelle der Meßtaste zu einem Pol der Glimmröhre führt. Am anderen Pol der Glimmröhre liegt in Reihe mit der 125-Volt-Wicklung des Netztransformators der Einzelkontakt des Elektrodenschalters. Besteht nun zwischen letzterem, d. h. zwischen dem jeweils an ihm liegenden Röhrenpol und irgendwelchen anderen durch den Kurzschlußring miteinander verbundenen Röhrenelektroden eine Verbindung, dann ist der Stromkreis geschlossen und die vom Wechselstrom durchflossene Glimmlampe leuchtet an beiden Polen auf. Dies muß sie in zwei von den neun Schaltstellungen des Elektrodenschalters tun, wenn nämlich jeweils einer der beiden Heizungspole an dem Einzelkontakt liegt.
In allen anderen Stellungen des Elektrodenschalters darf die Glimmlampe nicht aufleuchten, andernfalls sind Elektrodenkurzschlüsse vorhanden. Es muß jedoch beachtet werden, daß bei einigen modernen Röhren, z. B. bei der EF 80, entweder die Kathode an zwei Sockelstifte geführt ist, oder daß anderweitig innere Verbindungen an sonst freien Sockelstiften liegen. Die Glimmröhre zeigt dies natürlich als Elektrodenschluß an. Da der Röhrenhersteller für diese inneren Verbindungen aber stets die gleichen Röhrenpole benutzt, kann man sie jeweils mit einem Kippschalter (Stellung "Spezial" im Gesamtschaltbild) abschalten. Man braucht hierfür aber zwei Schalter, S 5 und den links daneben gezeichneten Einfachschalter, weil bei einzelnen Röhren (EF 41, DL 92) mehrere freie Röhrenpole durch innere Verbindungen belegt sind. Da dieser zweite Schalter nie allein, sondern nur in Verbindung mit dem ersten benötigt wird, schaltet man seine beiden Pole zu den beiden freien des ersten Kippschalters parallel. In Stellung "Normal" von S 5 ist dann der Zusatzschalter außer Funktion. Beide Schalter sollten aber zu Beginn jeder Röhrenprüfung in Stellung "Normal" stehen, damit nicht bei anderen Röhren statt innerer Verbindungen Elektroden abgeschaltet werden. Deshalb wurde ein kleiner Wechselstromsummer vorgesehen, der in Stellung "Spezial" des ersten Kippschalters anspricht. Die Schaltung des Summers und der Kippschalter ist dem Gesamtschaltbild zu entnehmen, aus dem auch zu ersehen ist, daß lediglich bei sechs Röhrenfassungen auf innere Röhrenverbindungen Rücksicht zu nehmen ist.

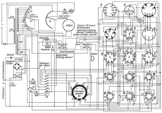
Mit einem Mausklick auf dieses 
verkleinerte Gesamtschaltbild wird es in voller Größe auf dem Bildschirm dargestellt
Mit einem Mausklick auf das Gesamtschaltbild wird es in voller Größe angezeigt.

Zu erwähnen ist noch die Schaltung der Miniaturfassung für Batterieröhren (Fassung 12). Aus dem Schaltbild ersieht man, daß der Pol 4 über den ersten Kippschalter läuft. An diesem Pol liegt z. B. bei der DF 91 und DK 91 ein Abgriff des Minuspols der Heizung, der natürlich abgeschaltet werden muß.
Das gleiche geschieht bei einigen Batterieröhren der Preßglasserie. Bei der DL 92 und DL 94 liegt hingegen am gleichen Pol der Mittelabgriff der Heizung, der ebenfalls abzuschalten ist. Diese beiden Röhren müssen aber dann bei der Prüfung mit 2,8 Volt geheizt werden, da ihre beiden Heizfäden hintereinandergeschaltet sind.
In Stellung "Messen" des Vorprüfschalters wird der eine Heizpol der Prüfröhre, der zur Vorprüfung an einem der neun Kontakte des Elektrodenschalters lag, an den Schleifer des Heizreglers gebracht. Dieser Regler ist ein Stufenschalter mit zwei getrennten Schaltebenen S 1 und S 2, dessen Ebene S 2 zum Ein- und Ausschalten des Netzes benutzt wird.
Man erreicht durch die Kupplung mit dem Heizregler, daß letzterer nach beendeter Prüfung immer auf Null zurückgeführt wird. Die Spannungen an den Wicklungen des Netztransformators gehen ebenfalls aus dem Gesamtschaltbild hervor. Es ist dabei zu beachten, daß die 25-V-Teilwicklung (Meßwicklung) bis 150 mA belastbar sein muß, weil diese Spannung durch Drücken des Federkontakttasters G (S 7) auch für die Gitteremissionsprüfung gebraucht wird. Dieser Taster enthält einen Arbeits- und einen Ruhekontakt. Letzterer liegt in der Heizungszuführung der Miniaturfassung und schützt die empfindlichen Batterieröhren.
Die Schaltung für die Vakuumprüfung von indirekt geheizten Endröhren geht aus dem Prinzipschaltbild hervor. Ein siebenpoliger Federkontakttaster S 8 (sechs Ruhe- und ein Arbeitskontakt) bewirkt folgende Schaltvorgänge: vier Ruhekontakte liegen in den Zuleitungen vom Elektrodenschalter zu den Röhrenfassungen, um auch bei Verbundröhren alle Elektroden, außer der Anode, abschalten zu können. Ein weiterer Kontakt schaltet den Nebenwiderstand zum Instrument und der sechste die Glimmröhre ab. Der Arbeitskontakt legt das Meßinstrument in den Stromkreis. Es ist unbedingt darauf zu achten, daß der Arbeitskontakt erst dann schließt, wenn alle Ruhekontakte unterbrochen sind. Dasselbe ist auch bei dem Taster für die Gitteremissionsprüfung zu beachten. Die Meßtaste S 3 hat ebenfalls einen Ruhe- und einen Arbeitskontakt.
Bei ihrer Betätigung wird die Glimmlampe abgeschaltet und das Meßinstrument über den 25-V-Abgriff der Transformatorwicklung in die Meßleitung gelegt. Letztere führt im Gesamtschaltbild noch über einen Schaltkontakt des Vorprüfschalters S 4, um die Meßtaste in Stellung "Prüfen" außer Betrieb zu setzen.
Im Prinzipschaltbild ist das Instrument der besseren Übersicht wegen ohne Meßgleichrichter gezeichnet, ebenfalls fehlt hier die Schaltung für die Prüfung bzw. Messung von Kondensatoren. Aus dem Gesamtschaltbild ist zu ersehen, daß hierfür nur wenige zusätzliche Teile erforderlich sind. Die Umschaltung von der Röhren- auf die Kondensatorenprüfung besorgt gleichfalls ein doppelpoliger Kippschalter S 6. Die Skala des Meßinstrumentes ist zusätzlich in µF geeicht. Eine kleine Zwergglimmlampe über dem Instrument dient zur Einschaltkontrolle des Prüfgerätes.

Mechanischer Aufbau
Alle Einzelteile werden auf eine Hartpapierplatte (Pertinax) von 4 mm Stärke montiert, deren Maße und Bohrungen aus dem Bohrplan zu entnehmen sind. Auch aus den Fotos gehen die Anordnung der Teile hervor. Die rechte obere Schraube am Netztransformator trägt den Sicherungshalter und die kleine Lötösenleiste für die Widerstände R 1 und R 2. Die Wicklungsenden des Netztransformators sind so anzuordnen, daß die Netzwicklung links - unterhalb des Haltebleches für die Gleichrichter - und die Meßwicklung 0-25-125 V rechts am Transformator herausgeführt werden, an dem dafür Lötösenleisten anzubringen sind. Die Anschlüsse bzw. Anzapfungen der Heizwicklung sind auf der Rückseite des Transformators, also zum Heizregler hin, herauszuführen. Für die Halterung der Glimmröhre UR110 werden kleine Halteschellen (10 mm breit) aus federhartem, dünnem Messingblech gebogen und zusammen mit der Abdeckplatte für die Glimmlampe am rechteckigen Ausschnitt der Montageplatte verschraubt (siehe Bild).


Der kleine Summer läßt sich gut neben der Miniaturfassung 12 anbringen, wenn man die eine Befestigungsschraube dieser Fassung mit zur Befestigung des Summers benutzt. Zusätzlich kann man dann noch die Leitung vom Kippschalter zum Summer mit starkem Draht ausführen, um eine zweite Halteschraube für den Summer einzusparen. Die Anordnung der Röhrenfassungen ist aus dem Bohrplan zu ersehen. Einige Fassungen mußten doppelt vorgesehen werden, weil bei verschiedenen Röhrentypen die Heizungsanschlüsse voneinander abweichen. Lediglich für Octal-röhren sind drei Fassungen erforderlich, zwei für amerikanische (7 und 8) und eine für europäische Octalröhren (9). Die Lage der Heizungspole kann man oben auf den Fassungen kennzeichnen. Fassung 10 ist für die Miniaturröhren der Lorenz-Reihe, Fassung 11 für Miniatur-D-Röhren, Fassung 14 nur für die ECC 81 und Fassung 15 nur für AZ 41 und DL 41 bestimmt. Mit den vorgesehenen 15 Fassungen können alle gängigen Röhrentypen, auch die neuesten, geprüft werden. Wer auch kommerzielle oder sonstige ausgefallene Röhren (Post-, Militärröhren) prüfen möchte, kann sich außerdem noch eine achtpolige Prüfschnur anfertigen, die auf der einen Seite mit dem Sockel einer ausgedienten Röhre und auf der anderen Seite mit acht kleinen Klemmen versehen wird. In dieser Schnur brauchen nur die beiden Heizungsanschlüsse gekennzeichnet werden.
Die Verdrahtung des Gerätes führt man am besten farbig - entsprechend den neun Röhrenpolen - aus. Dadurch werden Schaltfehler leichter vermieden. Um induktive Beeinflussungen der Glimmlampe zu verhüten, sollten besonders alle Leitungen zu den Röhrenfassungen möglichst frei und nicht in Kabelbäumen verlegt werden. Das fertige Chassis wird in ein stabiles Holzgehäuse eingebaut, dessen Oberseite etwas abgeschrägt ist.

Eichung des fertigen Gerätes
Die Einteilung der Meßinstrumentenskala ist im Bild wiedergegeben. In ihm entsprechen die eingetragenen Meßwerte einer Skaleneinteilung von 0 bis 40. Diese Meßpunkte brauchen natürlich nicht durch Messungen ermittelt, sondern sie können einfach von einem Skalenblatt mit der Einteilung 0 bis 40 auf die neue Skala übertragen werden.


Für die Dimensionierung der Meßwiderstände R 1, R 2 und R 5 ist folgendes zu beachten: Der Nebenwiderstand R 2 soll 400 W groß sein. Der Wert von R 1 richtet sich nach der Empfindlichkeit des Instrumentes sowie der des Meßgleichrichters und beträgt bei einem Instrument mit 400 µA Vollausschlag etwa 20 kW. Die Eichung nimmt man am besten mit einer steilen Röhre (EL 41, EF 80 o. ä.) als Prüfröhre vor. Bei einer neuen Röhre soll der Zeigerausschlag ungefähr den Endwert der Skala erreichen. Für die Eichung der unteren Skala (direkt geheizte Röhren) eignet sich gut die RES 164 oder auch eine AZ 1. Die Endbegrenzung des unteren roten Feldes soll ungefähr mit dem Endausschlag dieser beiden Röhren zusammenfallen. Für die Kondensatorenprüfung ist R 5 so zu bemessen, daß bei Anlegen eines Kondensators von 30 µF der Instrumentenzeiger noch etwa 6 mm vom Endausschlag entfernt ist. Die weitere Eichung der Skala nimmt man am besten mit normalen Kondensatoren vor, deren Werte man vorher geprüft hat. Es ist wichtig, einen Selengleichrichter mit geringem Innenwiderstand zu verwenden, um eine gute Skaleneinteilung zu erhalten.

Die Bedienung des Prüfgerätes
Sie läßt sich in sieben Punkten zusammenfassen.
1. Zu Beginn der Prüfung linken Kippschalter (S 5) auf der Frontplatte Bild 4 auf "normal", rechten Kippschalter (S 4) auf "prüfen", Heizspannung der Prüfröhre einstellen.
2. Röhrenvorprüfung auf Heizfadendurchgang und Elektrodenkurzschlüsse mittels des Elektrodenschalters S 9. Bei modernen Röhren innere Verbindungen beachten! Erst dann, wenn die Glimmröhre nur in den Stellungen H 1 und H 2 aufleuchtet,
3. rechten Kippschalter auf "messen" und Elektrodenschalter so stellen, daß Glimmlampe rechts leuchtet (Anheizzeit beachten).
4. Meßtaste drücken und Röhrenzustand am Instrument ablesen (obere Skala für indirekt geheizte, untere für direkt geheizte Röhren).
Liegt der Zeigerausschlag jeweils nur im hellroten Feld, dann sind End- und Gleichrichterröhren bereits als verbraucht anzusehen.
5. Prüfung auf Elektrodenunterbrechung.
Beim Drehen des Elektrodenschalters leuchtet die Glimmröhre so oft links auf, wie die Röhre Elektroden (außer Heizung und Kathode) hat. (Bei Batterieröhren und anderen, bereits sehr schwachen Röhren zeigt die Glimmlampe Anode und freies Bremsgitter meist nicht mehr an.)
6. Prüfung von Röhren mit mehreren Systemen
a) Röhren mit zwei Kathoden.
Glimmröhre leuchtet in zwei Stellungen des Elektrodenschalters rechts, In beiden Stellungen Meßtaste drücken.
b) Mehrsystemröhren mit gemeinsamer Kathode.
Unter den Stellungen des Elektrodenschalters, in denen die Glimmlampe links leuchtet, müssen zwei sein, in denen bei Druck auf die Meßtaste der Zeiger des Instrumentes mindestens im hellroten Feld steht.
c) Prüfung der einzelnen Systeme von Doppelweggleichrichtern.
In beiden Stellungen des Elektrodenschalters, in denen die Glimmlampe links leuchtet, Meßtaste drücken. Ausschlag des Instrumentenzeigers soll mindestens im hellroten Feld der unteren Skala liegen.
7. Vakuumprüfung.
Prüfung für alle indirekt geheizten Endröhren und nur bei rechts leuchtender Glimmlampe. Weiße Taste (Im Foto der Frontplatte rechts unten) drücken, Instrumentenzeiger darf sich nur unmerklich bewegen. Bei Ausschlag über den ersten Teilstrich liegt Vakuumfehler vor. Prüfung auf thermische Gitteremission: schwarze Taste etwa 1/2 bis 1 Min. drücken, sofort danach weiße Taste bedienen; geht der Instrumentenzeiger dann sprunghaft über den ersten Teilstrich hinaus, dann liegt thermische Gitteremission vor.
Abweichende Prüfbedingungen:
ECL113 und UEL71; bei Vakuumprüfung linker Schalter auf "spezial".
E-, U- und VCL 11, U- und VELll: bei Vakuumprüfung Elektrodenschalter auf 9.

Stückliste:
1 Hartpapierplatte 370 x 250 x 4 mm

Röhrenfassungen: 1 achtpolige Topffassung, 1 fünfpolige Topffassung, 1 Europafassung, 1 Stahlröhrenfassung, 1 Hexodenfassung, 3 Octalfassungen, 1 Preßglasröhrenfassung (21er-Serie), 2 Rimlockröhrenfassungen (40er-Serie), 2 Novalfassungen (80er-Serie), 2 Miniaturfassungen (90er-Serie)

1 Drehspulmeßinstrument, Flanschdurchmesser 83 mm, 0,4 mA Endausschlag
1 Netztransformator entsprechend Gesamtschaltbild
1 Elektrodenschalter S 9, 1 x 9 Kontakte, laut Beschreibung
1 Stufenschalter S 1/S 2, 2 Ebenen, je 1x14 Kontakte, laut Beschreibung
1 Federkontakttaster S8 mit weißem Knopf, 6 Ruhe- und 1 Arbeitskontakt
1 Federkontakttaster S 7 mit schwarzem Knopf, 1 Ruhe- und 1 Arbeitskontakt
1 Drucktaste S 3 mit rotem Knopf, 1 Ruhe- und 1 Arbeitskontakt
1 Zwergglimmlampenfassung
1 Zwergglimmlampe
1 Glimmröhre Type UR 110
3 Kippumschalter zweipolig (S 4, S 5, S 6)
1 Kippschalter einpolig (neben S 5 in Bild 2)
1 Meßgleichrichter
1 Selengleichrichter, 1 Zelle, 0,5 A belastbar
1 Summer für Wechselstrom, 6 V

Widerstände:
½ Watt: 15 kW, 20 kW, 60 kW, 300 kW
1 Watt: 400 W
2 Watt: 50 W

1 Sicherungshalter
1 Klemmleiste
3 Buchsen, 2 rote und 1 schwarze
2 Zeigerknöpfe (Mentor-Laborknöpfe)
1 Holzgehäuse
1 Netzschnur mit Stecker
Kleinmaterial: Draht, Schrauben mit Muttern, Haltewinkel







Tip: Anstatt der Glimmröhre UM 110 könnte man auch die Sofitten-Glimmlampe aus einem der Prüfschraubendreher älterer Bauform verwenden ..


Zurück zur Hauptseite