Röhren-Prüfgerät zum Selberbauen
Ein wirklich universell verwendbares Röhren-Prüfgerät gibt es eigentlich nicht, weder in industrieller noch
in Selbstbau-Ansführung. Man kann nämlich die üblichen Schaltungen kaum so wählen, daß mit
Sicherheit alle jemals hergestellten Röhrentypen gemessen werden können. Eine solche Forderung - so schön
ihre Erfüllung wäre - ist aber auch überspitzt, denn in der Praxis kommt doch immer nur eine beschränkte
Typenanzahl für die Prüfung in Betracht.
Zweckmäßigerweise unterscheidet man zwischen den an sich äußerst einfachen "Leistungsprüfern"
und den - meist statisch arbeitenden - Röhrenprüfem mit Meßgeräten. Die erste Art gewährt nur einen
ungefähren Überblick über die Brauchbarkeit einer Röhre und kann nicht ohne Bedenken empfohlen werden,
da man mit diesen Geräten Röhren u.U. überlasten kann, ohne es zu wollen. Mit der zweiten Gruppe lassen sich
die wichtigsten statischen Messungen einwandfrei durchführen; dafür ist der Aufwand erheblich größer.
Trotzdem sollte man sich zum Bau eines Gerätes der zweiten Gruppe entschließen, denn mit den einfachen
Prüfungen kommt man keineswegs in allen Fällen aus.
Eines der wichtigsten Probleme beim Bau von Röhrenprüfgeräten ist mehr mechanischer Art. Es handelt sich um
die bestmögliche Berücksichtigung der unzähligen verschiedenen Sockelarten, die im Verlauf der Jahrzehnte
entstanden sind. Die meisten Prüfgeräte arbeiten mit einer bestimmten Zahl der gebräuchlichsten Sockel, die
dann so geschaltet werden, daß jeder Sockelanschluß an einen beliebigen Punkt der Meßschaltung gelegt werden
kann. Nachteilig dabei ist die Möglichkeit des Entstehens wilder UKW-Schwingungen, da man wegen der möglichen
hohen Strombelastung nicht einfach Schutzwiderstände in jeden Sockelanschluß legen kann. Deshalb ist eine im
eigentichen Prüfgerät angebrachte Universalfassung zweckmäßiger, auf die dann in Form eines Adapters
der jeweilige Prüfsockel aufgesteckt wird. Der Prüfsockel kann für jeden Röhrentyp individuell verdrahtet
und mit Schutzwiderständen versehen werden, wodurch sich UKW-Schwingungen vermeiden lassen. Natürlich werden diese
Adaptersockel verhältnismäßig teuer, wenn man sie sich auch nur für die wichtigsten Röhrentypen
beschaffen muß.
In den folgenden Abschnitten wird zunächst ein sogenannter Leistungsprüfer und anschließend ein
Röhren-Prüfgerät mit Meßinstrumenten, das bereits weitgehenden Ansprüchen genügt, vorgestellt.
Beide Geräte sind leicht nachzubauen.
1. Ein einfacher Leistungsprüfer
Das folgende Bild zeigt die Schaltung eines solchen Prüfers. Sämtliche Röhrenelektroden mit Ausnahme von
Kathode und Heizfaden werden miteinander verbunden, so daß außer der Heizung nur zwei Anschlüsse für
Kathode und Anode nebst Hilfselektroden übrig bleiben.
Die zu prüfende Röhre V ist derart geschaltet. Sie liegt in einem Meßstromkreis, der aus dem Potentiometer
P, einen Schutzwiderstand R, einem mit G kapazitiv überbrückten Strommesser I und einem Netztransformalor T besteht.
An P wird die Prüfspannung dosierbar abgegriffen, an I liest man einen Gleichstrom ab, der ein ungefähres
Maß für die Brauchbarkeit der betreffenden Röhre ist. Bei dieser Schaltung läßt es sich nicht
vermeiden, daß die der Kathode am nahesten liegenden Elektroden, hier also z. B. Steuergitter und Schirmgitter,
außerordentlich stark belastet werden. Es sind auch leicht Überlastungen denkbar, so daß die Prüfzeit
so kurz wie möglich sein soll. Bei Entnahme größerer Ströme empfiehlt es sich u.U., die
Primärspannung mit einem Potentiometer, das parallel zum Netz liegt, zu regeln. Dessen Strombelastung ist geringer als
die sich bei Einschaltung in der Sekundärseite ergebende Belastung, weil dort die Spannung wesentlich kleiner ist.
Für das Instrument I empfiehlt sich wiederum ein Vielfachinstrument, da ja die Röhrenströme je nach Typ recht
unterschiedlich ausfallen können. Der praktische Aufbau des Gerätes ist natürlich sehr einfach und bedarf
keiner besonderen Vorsichtsmaßnahmen. Je vielseitiger die eventuell parallel geschalteten Sockel für die
Prüfröhre V sind, um so umfangreicher wird das Gerät. Es eignet sich, wie schon erwähnt, nur für
ganz oberflächliche und flüchtige Prüfungen; als Meßgerät darf es nicht bezeichnet werden.
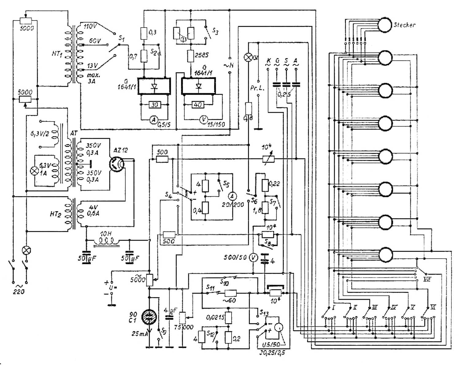
2. Ein größeres Röhren-Prüfgerät
Die Schaltung ist im nächsten Bild wiedergegeben. Das Gerät enthält fünf verschiedene Meßinstrumente;
es genügen kleine und billige Typen, da Präzisionsmessungen kaum erforderlich sind. Im Mustergerät wurden
Instrumente mit Vollausschlag bei 0,25 mA verwendet, denen jeweils abgeglichene Vor- bzw. Nebenwiderstände für die
betreffenden Meßbereiche zugeordnet sind.
(Mit der Maustaste das Bild anklicken, es wird dann in voller Auflösung
dargestellt.)

Die Heizspannungen werden einem Netztransformator HT 1 entnommen, der sekundärseitig Anzapfungen von 13, 60 und 110 V
auf weist. Die kleinste Wicklung soll minimal 3 A liefern können, die anderen dürfen eine kleinere Belastbarkeit
haben. Die Heizspannung wird durch ein Potentiometer von 500 W eingestellt, an dem sich die
Netzspannung für die Primärseite beliebig abgreifen läßt. Das Heizstrom-Meßinstrument arbeitet
mit einem Meßgleichrichter (im Mustergerät wurde der Siemenstyp G 16 41/1 verwendet). Wechselstromseitig sind die
benötigten Parallelwiderstände angeordnet, wobei mit S2 zwei verschiedene Meßbereiche gewählt
werden können. Der Schalter Sj dient zur Grobeinstellung. Die Heizspannung wird mit einem Voltmeter gemessen, das
ebenfalls einen Meßgleichrichter nebst Vorwiderstand erhält. Die Vorwiderstände werden mit S3
umgeschaltet. Der Heizstrom fließt zu der im Schaltbild rechts sichtbaren Halteranordnung; die Röhrenhalter sind
durch mehrere Kreise angedeutet. Dabei wird die Heizleitung immer dort angeschlossen, wo sie üblicherweise zu finden
ist.
Die für den Anoden-, Hilfsgitter- und Gitterkreis erforderliche Gleichspannung wird mit einem Transformator AT und einer
Gleichrichterröhre, z. B. der AZ 12, erzeugt. Die Heizung der Gleichrichterröhre erfolgt durch einen besonderen
Transformator HT 2, weil die Spannung von AT veränderlich sein soll, was ebenfalls mit Hilfe eines in der
Primärseite liegenden Potentiometers von 5 000 W geschieht. Der Transformator HT 2 sorgt
demnach für eine konstante Heizung der EZ 80.
Die Siebung erfolgt mit Kondensatoren von jeweils 50 µF und einer Drossel von 10 H. Von dort wird die Spannung auf die
einzelnen Elektroden verteilt, wobei die nach oben führende Leitung zur Speisung der Anoden dient. In dieser Leitung
liegt ein Widerstand von 500 W als Parallelwiderstand für den Strommesser, der Widerstand
kann mit S4 in der oberen Stellung in den Kreis eingeschaltet werden. Mit S5 kann man zwischen den
beiden Meßbereichen umschalten. Ferner ist ein kurzschließbarer Widerstand von 10 W
vorgesehen, um auch gelegentlich dynamische Messungen durchführen zu können. Von dort geht eine Leitung auf je
einen Kontakt von 6 Vielfachschaltern I - VI. Damit kann die Anodenspannung an jeden beliebigen Anschluß des
Röhrenhalters geführt werden. Benötigt z.B. die untere Röhre am obersten linken Anschluß die
Anodenspannung, so stellt man den Schalter I auf den äußersten rechten Kontakt. Auf diese Weise ist jede nur
denkbare Verbindung möglich.
Die Anodengleichspannung wird mit einem weiteren Voltmeter in der oberen Stellung von S6 gemessen. Mit S7
kann man einen anderen Meßbereich wählen.
Die Meßspannung für die verschiedenen positiven Hilfsgitter kann an dem Widerstand von 5 000
W geregelt werden, der ebenfalls mit der Siebkette verbunden ist und dessen unteres Ende mit dem oberen Anschluß
einer Stabilisatorröhre 90 C 1 in Verbindung steht. Die Spannung wird an dem Potentiometer abgegriffen, über einen
Meßwiderstand von 500 W geführt und gelangt über einen weiteren Widerstand von
10 W, der mit S8 überbrückt werden kann, auf jeweils einen weiteren Kontakt
der Stufenschalter I - VI. Demnach kann auch diese Spannung an ganz beliebige Röhrenanschlüsse geschaltet werden.
Der Strom in den Hilfsgitterkreisen läßt sich mit dem zu S4 gehörenden Amperemeter messen, wobei
S4 dann nach unten gestellt werden muß. Zur Spannungsmessung dient dasselbe Instrument wie für die
Anodenspannung; der Schalthebel von S6 liegt dann unten.
Als Nullpunkt der Anoden- und Hilfsgitterspannung ist der obere Anschluß des Stabilisators zu betrachten, der mit einem
weiteren Kontakt der Schalter I - VI in Verbindung steht. Der Stabilisator soll die negativen Gittervorspannungen konstant
halten. Parallel dazu liegt außer einem weiteren Beruhigungskondensator ein Potentiometer von 75 kW zum Abgriff der negativen Spannungen. Der Abgriff führt zu S10 und S11, womit verschiedene
Meßbereiche eingestellt werden können. Mit S13 kann man das zugehörige Instrument entweder so
schalten, daß die negative Gittervorspannung oder daß der eventuell auftretende Gitterstrom bestimmt werden kann.
S12 dient zur Umschaltung des Meßbereiches. Ein Widerstand von 10 kW in der
Gitterleitung kann wieder für dynamische Messungen verwendet werden und ist bei statischen Messungen kurzgeschlossen.
Von diesem Widerstand führt eine andere Leitung zu jeweils einem weiteren Kontakt der Schalter I - VI. Mit S9
kann man die negative Vorspannung kurzschließen, falls eine besonders große Anodenspannung gebraucht wird.
Die beiden Potentiometer für die Spannungsregelung müssen entsprechend hoch belastbar sein. An besonderen Klemmen
kann man die Anodenspannung gegebenenfalls ebenso wie die Heizspannung unmittelbar entnehmen. Die Anschlüsse K, G, S
und A, die jeweils über Kapazitäten von 0,25 pF mit den Elektrodenanschlüssen für Kathode, Gitter,
Schirmgitter und Anode verbunden sind, dienen zur Untersuchung der Röhre in ihrem dynamischen Verhalten. Dann liegen in
sämtlichen Arbeitskreisen Widerstände, und man steuert das Gitter der Röhre mit Wechselspanmmg. Die
verstärkten Spannungen können einem Kathodenstrahloszillographen zugeleitet werden, so daß die unmittelbare
Kennliniendarstellung auf dem Leuchtschirm möglich wird.
Die Prüf-Glimmlampe Gl kann für Elektrodenschlußprüfungen verwendet werden. Eine Erweiterung des
Prüfgerätes durch zusätzliche Röhrensockel ist jederzeit möglich. Aufbau und Verdrahtung sind
unkritisch, weil man es nur mit niederfrequenten Wechselspannungen und Gleichspannungen zu tun hat. Die Gefahr des Auftretens
wilder UKW-Schwingungen besteht bei diesem Gerät natürlich; beobachtet man solche Erscheinungen, so muß man
gegebenenfalls provisorisch in die Gitterleitung einen Schutzwiderstand legen oder aber grundsätzlich zu Adaptern
übergehen, was allerdings relativ umständlich und nicht ganz billig ist.
Selbstverständlich stellt dieser Aufbauvorschlag nur ein Beispiel dar. Jeder Praktiker kann die Schaltung gegebenenfalls
seinen Bedürfnissen entsprechend anpassen.
Für die Prüfung der heute auf dem Markt befindlichen zahlreichen Spezialröhren läßt sich ein
Selbstbau-Beispiel kaum angeben, weil die Ausführungen und Anforderungen außerordentlidi verschiedenartig sind.
Man muß hier von Fall zu Fall ein Spezialgerät selbst entwerfen, was dem Spezialisten kaum Schwierigkeiten machen
dürfte.