Einen Super-Vorsatzempfänger - Selbstgebaut !


Wenn auch nicht verkannt werden soll, daß mit einem guten Einkreiser oft beachtliche Empfangsleistungen zu erzielen sind, so dürften diese trotzdem kaum ausreichen, um die Forderungen eines anspruchsvollen Radio-Hörers zu befriedigen. Deshalb stellte sich die Frage, warum nicht einen Super zu bauen. Klar, ich habe auf meiner Bastelschul-Seite bereits einen Super-Het vorgestellt. Dieser ist aber doch sehr, sehr aufw√§ndig nachzubauen, nicht zuletzt wird durch die Anzahl der verwendeten Röhren auch noch sehr teuer.
Als ich die Seite mit dem Kurzwellen-Vorsatzempfänger erstellte kam ich auf die Idee, doch auch einen "Vorsetzer" als Super zu bauen, möglichst mit Kurzwelle, Mittelwelle und auch Langwelle...
Nach einigem Suchen fiel mir dann die im folgenden beschriebene Schaltung in die Hände, der alle meine Wünsche erfüllt - alle Wellenbereiche (na klar, ohne UKW...), - ein Vorsatzgerät, welches vor den eigentlichen Empfänger - ein einfacher Einkreiser - geschaltet wird, - die Ankopplung erfolgt, indem der Einkreiser-Spulensatz entfernt wird und der Vorsetzer an Stelle dessen an die Eingangsröhre des Einkreisers vorgesetzt wird (deshalb auch dieser Name..), - ein einfacher Aufbau.., - nur eine Röhre, die zudem auch noch einfach zu beschaffen ist - ja was will man denn noch mehr ?

Der Aufbau dieser Mischstufe, die vor den Einkreiser gesetzt werden kann und diesen zu einem leistungsfähigen Super macht bereitet dem erfahrenen Bastler kaum Schwierigkeiten.
Zunächst die Röhrenfrage; sie richtet sich im wesentlichen nach der Art des nachgeschalteten Rundfunkempfängers. Im allgemeinen werden sich aber die beiden recht gut erhältlichen Mischröhren ECH 4 und UCH 5 verwenden lassen - besonders dann, wenn man von der Möglichkeit Gebrauch macht, die UCH 5 evtl. auch aus der Primärseite eines Netztrafos zu heizen (z. B. zwischen den Abgriffen 110 - 130 oder 220 - 240 V). Aber auch andere ECH - Röhrentypen modernerer Art lassen sich verwenden, - hier muß aber, wie man im weiteren Text lesen wird angepasst werden.

Das Hauptproblem liegt in der Herstellung des Spulensatzes. Wählen wir die nachfolgend vorgeschlagene Art, so sind Mißstände praktisch kaum zu erwarten. Um Umrechnung auf verschiedene Eisenkerne zu vermeiden, werden für den Aufbau des Spulensatzes die besonders brauchbaren und leicht montierbaren Siemens-Haspelkerne verwendet.
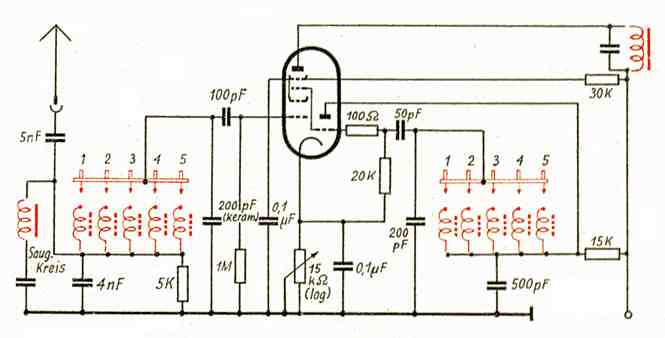
Die nachfolgende Zeichnung zeigt das Schaltbild des Vorsatzgerätes. Für die Antennenankopplung wurde auf KW die induktive gewählt. Für Mittel- und Langwelle wurde der kapazitiven Ankopplung am Fußpunkt des Spulensatzes der Vorzug gegenüber der induktiv-kapazitiven Ankopplung gegeben, obwohl sie letzterer gegenüber einige Nachteile, wie geringere Empfindlichkeit für höhere Frequenzen, evtll. eindringen von Brumm-Modulationsstörungen u.s.w. mit sich bringt.


Der Vorteil dieser Ankopplungsart liegt aber andererseits in der hohen Antennenunabhängigkeit und nicht zuletzt in der verhältnismäßig großen Spiegelfrequenzsicherheit.
Der Ankopplungskondensator CK soll möglichst ein keramischer sein, um eine zu große Dämpfung des Vorkreises zu vermeiden. Für den Oszillator wurde (ähnlich dem Eingangskreis) die KW induktiv gekoppelt, während für Mittel- und Langwelle die bequeme Spannungsteiler-Schaltung benutzt wurde. Die Serien-Kondensatoren CSM und CSL sollen möglichst eine Toleranz von 2% nicht überschreiten.
Im Oszillator kann grundsätzlich Volldraht 0,1 CuL verwendet werden. Im Eingangskreis ist dagegen die Mittelwellenspule aus HF-Litze zu wickeln, während die übrigen Spulen ebenfalls aus Volldraht hergestellt werden können. Die LW-Oszillatorspule erhält einen festen Parallelkondensator Cp, um eine Anpassung an handelsübliche Skalen zu erreichen.
Der Einfachheit halber sind im Vorsatz insgesamt bloß zwei Trimmer benutzt und nur auf Mittelwelle eingestellt. Für die KW erscheinen die Siemens-Haspelkerne nicht besonders geeignet, so daß es für die Herstellung der KW-Spulen noch einiger Hinweise bedarf.
Stehen keine keramischen Wickelkörper zur Verfügung, so werden Papp- oder Pertinaxröhrchen von etwa 10 mm Durchmesser benutzt.
Zur Bewicklung benutzen wir am besten etwa 0,5 - l mm starken Kupferdraht mit Baumwoll- oder Seideumspinnung. Durch die Umspinnung kann nicht nur leicht die erforderliche Wickellänge erreicht werden, sondern auch durch Zusammenkleben der einzelnen Wicklungen mit Zaponlack o. dgl. eine große Verschiebesicherheit.
Zum Abgleich sind unbedingt HF-Ferritkerne (z. B. die Abgleichstifte aus den Siemens-Haspelkernen) zu verwenden, da sich auch auf KW durch genauen Abgleich eine erhebliche Empfindlichkeitasteigerung erzielen läßt. - Die praktische Ausführung der KW-Spulen zeigt die nächste Zeichnung.


Grundsätzlich können Eingangskreis, Oszillatorkreis und Wellenschalter zu einer Einheit zusammengebaut werden. Eine Abschirmung der einzelnen Kreise gegeneinander erübrigt sich. Als zweckmäßig ist die in der nachfolgenden Zeichnung gezeigte Anordnung zu empfehlen.


Die Seele des Gerätes stellt das Bandfilter dar, dessen Herstellung zwar keine Schwierigkeiten bereitet, aber mit besonderer Sorgfalt ausgeführt werden muß.
Benutzen wir auch hier die Siemens-Haspelkerne, so ergeben sich die in der nächsten Zeichnung dargestellten Daten und Abmessungen.


Ordnen wir einen Kern verschiebbar an, so ist eine Bandbreitenregelung in gewissen Grenzen möglich, die nur ein einziges mal auf einen günstigen Wert eingestellt wird. Die geforderte Bandbreite von etwa 9 kHz erhalten wir ohne Berücksichtigung des Einflusses der Rückkopplung bei einem Spulenabstand von 45 mm, von Kernmitte zu Kernmitte gemessen. Kleinere Abstande ergeben größere Empfindlichkeit bei geringerer Trennschärfe, größere Abstände kleinere Empfindlichkeit bei besserer Trennschärfe - hier muß man also etwas "fummeln", um sich seine persönlich beste Einstellung herauszufinden.

Eine Entdämpfung des Filters und damit eine wesentliche Verbesserung der Empfindlichkeit läßt sich durch Rückkopplung des Bandfilters erreichen. Wenn die Rückkopplung auch fest durch einen Trimmer eingestellt werden könnte, so empfiehlt es sich, den ohnehin vorhandenen RK-Kondensator im Ziel-Empfänger, an welchem der Vorsetzer angeschlossen wird weiterhin zu benutzen, um die Möglichheit zu haben, den Rückkopplungsgrad den jeweiligen Empfangs- und Spannungsverhältnissen anzupassen.
Im Bandfilter sind zur Erreichung hoher Resonanzwiderstände Parallelkondensatoren von 100 pF verwendet (keramisch, mit geringer Toleranz). Beim Auswechseln, bzw. der Verwendung anderer Röhren muß das Filter evtl. wegen des großen Einflusses der Röhren- und Schaltkapazitäten nachgestimmt werden.
Die Ankopplung der fertigen Mischstufe an den Einkreiser bedarf kaum irgendwelcher Hinweise, da das Bandfilter BF nur an Stelle des Eingangs-Spulensatzes zu schalten ist (siehe Schaltbild oben.) Um Übersteuerungen zu vermeiden muß ein evtl. vorhandener niederfrequenter Lautstärkeregler gegen einen solchen, der bereits in der Mischstufe wirkt, ausgewechselt werden. Zweckmäßigerweise wählen wir einen Kathodenregler von etwa 15 kOhm (log).

Und nun noch einige Worte zum Abgleich. Da die meisten Bastler über keinen Meßsender verfügen, muß der Abgleich nach den Rundfunksendern erfolgen. Er vollzieht auch auf folgender Weise und Reihenfolge:

ZF-Abgleich:
Besteht nicht die Möglichkeit, den Primärkreis des Bandfilters auf die Sollfrequenz von etwa 470 kHz vorabzugleichen, so lassen wir diesen mit etwa zwei Drittel hineingedrehtem Kern unabgeglichen stehen und verkleben ihn mit Wachs o.ä. Jetzt schalten wir auf KW bzw. auf einen Sender auf dem kurzwelligen Ende der Mittelwelle und verdrehen den Ferritkern des Sekundärkreises auf höchste Empfindlichkeit.
Dabei ist die RK allmählich immer fester anzuziehen, wodurch der Sekundärkreis etwas verstimmt wird und laufend nachgestellt werden muß. Ist so größte Lautstärke erreicht, so verkleben wir auch diesen zweiten Kreis.

Oszillator- und Vorkreis-Abgleich:
Antenne bleibt in Antennenbuchse. Skalenzeiger auf einen Sender der Mittelwelle (kurzwellige Seite) einstellen und durch Verdrehen des Osz.-Trimmers auf Skala abgleichen. Drehko jetzt auf Sender (langwellige Seite) einstellen (z.B.Stuttgart, Deutschlandfunk), Osz.-Kern auf Skala trimmen, Abgleich auf 1. Abgleichpunkt wiederholen usw., bis die Skala stimmt (Kontrolle auf Sender, auf etwa 1000 kHz).

Jetzt auf KW schalten und versuchen, stärkeren, bekannten Sender auf 49-m-Band empfangen (z. B. Hamburg).
Anschließend durch Verdrehen des Ferritkerns des Eingangskreises auf höchste Lautstärke einregeln. Vorgang evtll. auf einem Sender des 31-m-Bandes wiederholen und Kerne festkleben. Nochmals auf Mittelwelle schalten und Ahgleich überprüfen, da durch Veränderung der KW-Spulen evtl. eine Bereichsverschiebung eingetreten ist.
Anschließend auf dem 1. Abgleichpunkt (kurzwellige Seite) Eingangstrimmer, auf dem 2. Abgleichpunkt (langwellige Seite) Ferritkern des Vorkreises auf größte Empfindlichkeit abgleichen und Trimmer und Kerne festkleben.
Als letztes auf Langwelle umschalten. Oszillator auf Berlin einstellen und mit Vorkreis auf höchste Empfindlichkeit trimmen. Kann auf Langwelle keine Anpassung an die Skala erreicht werden, so ist der Parallelkondensator Cp durch einen Trimmer entsprechender Größe zu ersetzen und damit die Anpassung auszuprobieren.

Zum Schluß legen wir die spannungsfreie Seite des Gitters des Oszillators an Masse und beobachten, ob Störungen durch Telegrafiesender auf der ZF liegen. Der ZF-Saugkreis ist gegebenenfalls soweit zu vertrimmen, bis der Störton auf ein Minunum ausgeschaltet ist. In den meisten Fallen können Störungen, die unmittelbar auf die ZF wirken, auch im Betriebszustand des Gerätes, d. h. ohne kurzgeschlossenen Oszillator, bemerkt und beseitigt werden. Wenn der Abgleichvorgang auch besonders eingehend behandelt wurde, wird man in der Praxis feststellen, daß kaum irgendwelche Schwierigkeiten auftreten.

Die von empfindlichen Empfangsgeräten aufgenommenen Störgeräusche sind besonders bei Verwendung unabgeschirmter Antennen oft so beträchtlich, daß ein guter Empfang schwacher Sender kaum oder nur zeitweise möglich ist. Verzichtet man nun bewußt auf diese Sender und beschränkt sich auf den Empfang der Großsender, die auch unter mäßigen Empfangsverhältniasen lautstark, verhältnismäßig störungsfrei und zuverlässig aufgenommen werden können, so läßt sich der vorstehend beschriebene Supervorsatz sehr vorteilhaft mit Drucktasten, die auf die Großsender fest abgestimmt sind, ausführen.
Aber auch die Leistungsfähigkeit des Vorsatzgerätes ist bei entsprechender Bemessung der Kreise wesentlich zu vergrößern. Durch Verwendung von kleinen Parallelkondensatoren und großen Induktivitäten können die Resonanzwiderstände der Eingangskreise erheblich gesteigert werden. Dazu kommt noch der Vorteil, daß bei dieser Ausführung die Kreise auf absoluten Gleichlauf zu bringen sind, während das beim Normalsuper nur auf drei Punkte jedes Bereiches möglich ist.
Die größte Schwierigkeit wird in der Beschaffung der Drucktastenleiste liegen. Sehr gut sind z.B. die von Zeit zu Zeit noch erhältlichen Druckknopfleisten aus alten Telefonen geeignet - bei Oppermann-Elektronik werden sie häufig " für ein paar Pfennig " angeboten. - Der Selbstbau von einwandfrei schaltenden Anordnungen stößt wegen Mangels an Material und geeigneten Werkzeugen auf große Schwierigkeiten. Das nächste Bild soll jedoch für denjenigen, der über die notwendigen Mittel verfügt, sich eine Drucktastenleiste selbst zu basteln, die zweckmäßigste Form im Schema zeigen.
Mit dem gleichen Erfolg können natürlich auch Rastenschalter, einzelne Kippschalter usw., benutzt werden.


Und nun der Spulensatz selbst. Die Schaltung des Eingangs- und Oszillatorkreises entspricht prinzipiell der behandelten Drehko-Ausführung. Auch hier verwenden wir der Einfachheit halber wieder Siemens-Haspelkerne.


Um jedem Bastler die Möglichkeit zu geben, ohne Rechenarbeit die Windungszahlen für die von ihm gewünschten Sender unmittelbar abzulesen, wurde die Abhängigkeit der Frequenzen zur Windungszahl für Eingangs- und Oszillatorkreis in den Kurven der nächsten Skizze dargestellt. Hierbei sind eine ZF von 470 kHz, Siemens-Haspelkerne und die in der Abbildung eingezeichneten, den Schwingkreis beeinflussenden Kondensatoren zugrundegelegt.


Die Verwendung dieser Kurvenbilder soll an einem Beispiel gezeigt werden. Es sollen - z.B. - die Wickeldaten für den Sender München (740 kHz) bestimmt werden. Aus den Kurven der Zeichnung entnehmen wir für den Eingangskreis am Schnittpunkt 740 kHz (Kurve 1) = 74 Windungen. - Für den Oszillator analog am Schnittpunkt mit Kurve 2 = 52 Windungen.
Dabei beziehen sich die Windungszahlen des Eingangskreises auf die Verwendung von HF-Litze 10 x 0,07 CuLS und die des Oszillatorkreises auf Volldraht 0,2 CuS.
(CuLS = HF-Litze, Seidenumsponnen; CuS = Kupferdraht, Seideumsponnen. - Wird jedoch nur CuL angegeben, so bedeutet dies Kupferdraht, lackiert.)
Müssen andere Drahtsorten verwendet werden, so sind (Faustregel) bei dickerem Draht einige Windungen weniger, bei dünnerem Draht einige mehr aufzuwickeln.

Beim Abgleich, der sich äußerst einfach gestaltet, stellt sich heraus, ob die Windungszahlen richtig gewählt wurden, da sonst 1. beim Oszillator der gewünschte Sender nicht einzustellen ist, und 2. beim Vorkreis der Abgleichkern bereits ganz hinein- oder herausgedreht werden kann, ohne ein Maximum an Lautstärke zu erzielen.
Zum Abgleich braucht eigentlich nichts Besonderes gesagt zu werden. Er ist auch ohne Meßsender einwandfrei durchführbar und - obwohl er sich kompliziert anhören mag - sehr einfach und leicht, auch für den Neuling.

Nach Abgleich der ZF - in der gleichen Weise wie oben beschrieben mit Drehko - drücken wir die erste Taste, stellen den Eisenkern des Oszillators so ein, daß der auf dieser Taste gewünschte Sender scharf erscheint. Darauf verdrehen wir den Eisenkern des Eingangskreises so weit, daß größte Lautstärke erzielt wird. Den gleichen Vorgang wiederholen wir auf den übrigen Tasten.
Die Kerne werden festgeklebt, der Abgleich ist beendet. Der Supervorsatz mit Drucktasten ist betriebsfertig...

Viel Spass beim Nachbau !

Zurück zur Hauptseite