Aufbau eines Zweiröhren-Superheterodyne-Empfängers für Mittelwelle
Quelle: Funkschau, Heft 14 / 1958


Bekanntlich übertreffen auch bei einfacher Ausführung eines Superheterodyne-Empfängers Selektivität und Empfindlichkeit die eines Zweikreisers. Deshalb sei hier der Bau eines solchen Gerätes beschrieben, das mit geringstem Aufwand hergestellt werden kann. Schaltungsmäßig kann man es aus einem Geradeaus-Empfänger entstanden denken, dessen Hochfrequenzstufe als Frequenzwandler arbeitet.

Schaltungseinzelheiten
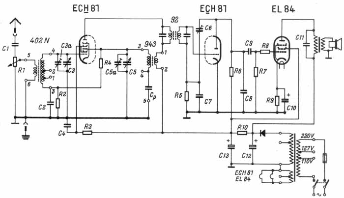
Die Eigenart der Schaltung besteht darin, daß für die Hf- und Zf-Stufe eine Röhre ECH 81 verwendet wird. Ihr Heptodenteil ist als Misch- und Oszillatorröhre geschaltet, während ihr Triodenteil als Zf-Gittergleichrichter dient.





Die mit dem Kondensator C 3 abstimmbare Universalspule 402 N (Hersteller Amroh, Gronau/Westfalen) liefert das hochfrequente Empfangssignal direkt an das Steuergitter der Heptode. Die an deren drittem Gitter liegende Oszillatorspannung wird von der Heptode selbst erzeugt, indem die Anode über die Wicklung 1 - 2 der Spule 943 (Hersteller Amroh, Gronau/Westfalen) auf den mit dem Kondensator C 5 abstimmbaren Gitterkreis zurückkoppelt. Die Spule ist in dieser Schaltung mit ihrem Primär- und Sekundärteil umgekehrt als sonst üblich angeschlossen. Die Kapazität Cp, die bereits im Spulensatz eingebaut vorhanden ist, bildet den notwendigen Verkürzungskondensator, um den Gleichlauf zu erzielen. Cp dient außerdem als Gitterkondensator. Die negative Vorspannung des Steuergitters der Heptode wird dadurch erhalten, daß der Gitterwiderstand des Oszillators in die Einzelwiderstände R 2 und R 4 aufgeteilt wurde, zwischen denen das Steuergitter angeschlossen ist. Dabei dient der Kondensator C 2 zur Entkopplung. Diese Gitteranschaltung hat zur Folge, daß dem Gitter erst dann eine negative Vorspannung zugeführt wird, wenn der Oszillator schwingt.
Das einwandfreie Arbeiten des Oszillators würde durch die Zuführung einer Schwundregelung beeinträchtigt. Da in diesem Gerät ohnehin kein Verstärkungsüberschuß vorhanden ist, wurde auf eine Schwundregelung verzichtet.
Das Zwischenfrequenz.-Bandfilter 921 (Hersteller Amroh, Gronau/Westfalen) koppelt die Frequenzwandlerstufe an den Gleichrichter, der zur Erhöhung der Selektivität und der Empfindlichkeit eine mit dem Trimmer C 6 einstellbare Rückkopplung erhält.
Da zwischen Masse und Gitterkreis der Gitterkondensator C 7 und der Gitterwiderstand R 5 liegen, entsteht eine Art Colpitts-Schaltung, in der die Kapazität C 7 zusammen mit der Gitter-Kathoden-Kapazität des Triodenteils der ECH 81 einen kapazitiven Spannungsteiler bildet. Deshalb liegen die beiden Ausgänge des Gitterkreises zur Kathode in Gegenphase und ermöglichen über den Kondensator C 6 eine positive Rückkopplung. - Die Endstufe bildet die Röhre EL 84.
Die Lautstärkeregelung erfolgt mit dem Potentiometer R 1 im Antennenkreis, um bei stärkeren Empfangssignalen eine Übersteuerung der Mischstufe verhindern zu können.
Die größte Empfindlichkeit wird bei einer Ankopplung nach folgendem Schalbild erreicht.


Sie ist also bei kleinen Antennen vorzuziehen. Würde man aber in dieser Schaltung eine größere Antenne anschließen, dann könnten wegen der schlechteren Empfangsselektivität Spiegelfrequenzstörungen in Form von Pfeiftönen auftreten. In diesem Fall ist eine kapazitive Antennenkopplung, wie im Gesamtschaltbild gezeigt, vorteilhafter. Kreisspule und Kondensator C 3 bilden hierbei ein Tiefpaßfilter, das die Spiegelfrequenzen abschwächt.

Aufbau und Abgleich
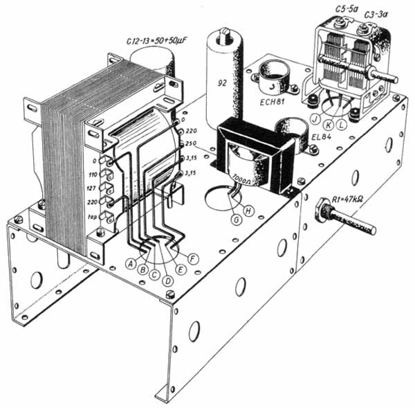
Der Aufbau des Gerätes bereitet keine Schwierigkeiten. Die beiden folgenden Skizzen geben dafür genaue Anhaltspunkte, während die folgenden Fotos Ober- und Unteransicht des fertigen Empfängers zeigen. Beim Aufbau verdrahte man möglichst viel, ehe man die Oszillatorspule 943 einbaut. Die Universalspule 402 N wird zuletzt angeschlossen.








Der Abgleich sämtlicher Kreise ist ohne Meßinstrument möglich. Zuerst wird das Zwischenfrequenz-Bandfilter 92 abgeglichen. Dazu wird nach dem Anschluß des Empfängers der Rückkopplungstrimmer C 6 auf seinen Minimalwert gestellt. Dann wird mit der Abstimmung C 3/C 5 auf einen nahegelegenen lautstarken Sender eingestellt und die beiden Kerne des Bandfilters werden auf höchste Lautstärke verstellt, wobei zur Erhöhung der Einstellgenauigkeit der Lautstärkeregler des Gerätes möglichst zurückzudrehen ist. Nach dem Bandfilterabgleich sind Hf- und Oszillatorkreis abzugleichen. Zu diesem Zweck suche man einen Sender am langwelligen Ende des Empfangsbereiches. Durch Verdrehen des Kernes der Spule 943 wird diese Station auf die gewünschte Stelle der Abstimmskala abgeglichen. Dann wird der Kern der Eingangsspule 402 N auf höchste Lautstärke nachgestellt, während der Lautstärkeregler R 1 wiederum möglichst zurückzudrehen ist.
Nunmehr suche man einen Sender am anderen Ende der Skala und gleiche die Trimmer C3a und C5a des Abstimmkondensators auf höchste Lautstärke ab. Dabei kann mit dem Kondensator C5a die Skala nachgestellt werden, während C 3 a nur auf Lautstärke einzustellen ist. Der ganze Abgleichvorgang wird mehrere Male wiederholt, bis keine Verbesserungen mehr wahrgenommen werden können. Zuletzt stellt man den Rückkopplungskondensator C 6 ein, dessen Wert wie bei der Rückkopplung in einem Zweikreiser vorsichtig vergrößert wird, bis zu einer Stellung, in der Lautstärke und Trennschärfe merklich besser werden, aber noch keine Schwingungen einsetzen. Diese Einstellung erfolgt zweckmäßig beim Empfang eines schwachen Senders.

Hinweis: Mir ist nicht bekannt ob es die angegebene Firma Amroh in Gronau/Westfalen noch gibt. Wenn ja, wird sie die hier angegebenen Spulensätze sicherlich nicht mehr in ihrem Lieferprogramm haben.
Abhilfe schafft hier oft ein Besuch auf den Radioflohmärkten (s. hierzu auch meine Seite Termine), auch läßt sich oft der komplette Spulensatz eines alten, nicht mehr restaurierungsfähigen Radios verwenden.
Man sollte aber unbedingt des öfteren auf der entsprechenden Seite von www.roehrentechnik.de, Gerd Reinhöfer, vorbeischauen. - Gerd ist unermüdlich dabei, diese alten Spulensätze von damals wieder neu herzustellen, hilft unserem Hobby damit gewaltig wieder "auf die Beine".


Zurück zur Hauptseite