Einkreis-Dreiröhren-Ultrakurzwellen-Reflexempfänger

Einen leistungsfähigen Geradeausempfänger für UKW stelle ich mit der nächsten Schaltung vor.


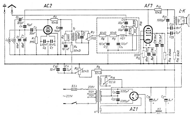
Um eine einwandfreie Antennenunabhängigkeit und damit ausreichende Eichbarkeit zu erzielen, benutzt das Gerät die bekannte T-Glied-Antennenankopplung, deren Lautstärkeverlust eine Reflexstufe wieder ausgleicht. Die Hochfrequenzenergie gelangt über die Kopplungskondensatoren C15 und C16 zum Steuergitter der Röhre AF 7, die die HF-Spannung aperiodisch verstärkt. Die verstärkte Hochfrequenz wird nun über C4 zum Gitterabstimmkreis des rückgekoppelten UKW-Audions geleitet und mittels Gittergleichrichtung gleichgerichtet. Die entstehende Niederfrequenz-Wechselspannung erfährt im NF-Verstärker mit der Röhre AF 7 eine für Kopfhörerempfang ausreichende Verstärkung.
Zur Lautstärkeregelung dient das Potentiometer R7, während das folgende, dreifache Siebglied R8, R9, HD1 in Verbindung mit den Kondensatoren C13, C14 Hochfrequenzreste vom NF-Verstärker fernhält. Der UKW-Reflexempfänger arbeitet also in Wirklichkeit als Vierröhrengerät mit aperiodischer HF-Stufe, Audion und Niederfrequenzverstärkcr (plus Gleichrichterstufe).
Im UKW-Audion, dessen Schaltung keine bemerkenswerten Abweichungen von der gewöhnlichen Audionschaltung zeigt, findet man eine kapazitive Rückkopplungsregelung mit Hilfe des Rückkopplungskondensators C5, und zusätzliche Feinregelung durch R5
(Anodenspannungsänderung). Der Gitterabstimmkreis benutzt Bandabstimmung, und zwar ist C2 mit 10 pF Kapazität der eigentliche Abstimmkondensator und der Drehkondensator C1 mit 30 pF Kapazität wirkt als Bandkondensator.
Mit Hilfe von drei auswechselbaren Spulen läßt sich der UKW-Bereich von 3 bis 7,7 m bestreichen. Für das Band von 3 m besitzt L1 eine halbe Windung (U-Schleife), L2 eine ganze Windung.
Von 3 m bis etwa 6 m werden für L1 etwas mehr als eine halbe Windung, für L2 werden anderthalb Windungen gewickelt.
Für den Bereich 6 bis 7,7 m besitzt L1 eine Windung und L2 zwei Windungen.
Gitter- und Rückkopplungsspulen werden mit 0,8-mm-bzw. 0,5 mm-Cu-Draht (Gitterspule L1 versilbert, Rückkopplungsspule L2 lackiert) mit einem Durchmesser von ca. 10 mm gewickelt. Hierzu werden beide Wicklungen gleichzeitig eng aneinander auf einen Kunststoff-Wickelkörper aufgebracht.
Das Netzteil ist als Vollweggleichrichter mit der Röhre AZ 1 ausgeführt. Die HF-Drossel HD1 müssen wir selbst herstellen (60 Windungen auf Pertinaxkörper mit 15mm Durchmesser; Draht 0,5 mm Cul).
Die beschriebene Schaltung eignet sich in erster Linie für Kopfhörerempfang. Für Lautsprecherempfang empfiehlt sich im Anschluß an die AF 7-Stufe ein Endverstärker mit den Pentode AL 4 zu benutzen, der mit üblichen Regeleinrichtungen (z.B. Klangregler) ausgestattet werden kann.
Auch in dieser Schaltung können die verwendeten Röhren gegen andere ausgetauscht werden, wie beispielsweise RV12P2000 und andere.

Wichtig : Auch für diese Schaltung gilt, wie in der vorherig beschriebenen UKW-Empfangsschaltung (und wie für alle UKW-Schaltungen !) : äußert kurze Leitungsführungen im HF-Teil, die Spule L1 und L2 wird direkt und unmittelbar an die Röhrenfassung gelötet !

Viel Spass beim Nachbau !

Zurück zur Hauptseite