Superheterodyne- oder Ultradyne-Empfänger mit 6 Röhren


Zu den in meiner Einleitung erwähnten Superheterodyne-Empfängern gehört der Ultradyne-Empfänger von Lacault, der eine Verbesserung des Armstrong'schen Superheterodyne darstellt. - Während bei diesem die Empfindlichkeit des Empfängers durch die Reizschwelle des Audions begrenzt ist, ist beim Ultradyne praktisch keine Reizschwelle der als Detektor geschalteten ersten Röhre vorhanden. Diese Röhre dient als Steuer- oder Modulationsröhre für die zweite, als Schwingungserzeuger - Oszillator - wirkende Röhre.
Das Gitter der ersten Röhre wird durch die ankommenden schwachen Schwingungen angeregt, und durch Überlagerung dieser Schwingungen derselben mit der in der zweiten Röhre erzeugten regelbaren Hilfsschwingung entsteht die Zwischenfrequenz, die in einem mehrstufigen Hochfrequenzverstärker verstärkt wird.
- Das folgende Bild zeigt nun die Schaltung.


Mit der aperiodischen Antennenspule L1 ist induktiv die Spule L2 gekoppelt, die mit dem Drehkondensator C1 den Gitterkreis der ersten Röhre bildet. Die Anode dieser Röhre liegt am Gitterkreis der zweiten Röhre, die als Oszillator geschaltet ist (Spule L3 und Drehkondensator C2). Durch die Spule L4 ist der Anodenkreis der Oszillator-Röhre II auf den Gitterkreis rückgekoppelt.
Zwischen L3 und L4 liegt ein Kondensator C3 = 1000 pF oder größer, der die Schwingungsneigung erhöht. Ferner liegt zwischen dem Gitter der Röhre II und der Anode der Röhre I die auf eine bestimmte Zwischenfrequenz (ZF) abgestimmte Primärwicklung des ersten Hf-Transformators HF 1. - An diesen schließen sich weitere HF- Transformatoren, HF 2, HF 3 und HF 4 an.
Die dazugehörigen Röhren sind die mit III - VI bezeichneten. Die letztere Röhre ist durch das RC-Glied (Gitter-Widerstand mit parallelgeschaltetem Kondensator) als Gleichrichter geschaltet.
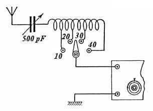
Durch das Draht-Potentiometer (400 Ohm) kann man die einzelnen ZF-Verstärkerstufen zum Selbstschwingen bringen. - Die richtige Einstellung des Poties liegt kurz vor dem Einsetzen der Eigenerregung des ZF-Verstärkers.
Ein einziger Heizungsregler dient, mit Ausnahme der zweiten Röhre, als Heizwiderstand - diese Röhren müssen daher gleiche Charakteristik aufweisen, d.h. es müssen alles die gleichen Röhren sein.
Die zweite Röhre kann dagegen direkt an die Heizleitung gelegt werden.
Die eingezeichneten Widerstände W haben einen Wert von 2 MegOhm, der vor dem Gitter der Röhre VI liegende Kondensator hat einen Wert von 250 pF.

Für den Aufbau werden zunächst die Spulenrohre angefertigt. Diese bestehen aus Pertinax, Kunststoff oder auch aus Pappe. - Wird eine Papp-Röhre verwendet, muß sie, wie ich es mittlerweile genügend oft beschrieben hatte mit Zaponlack lackiert werden.
Die Rohre müssen einen Außendurchmesser von 75 mm aufweisen. Das Rohr für die Spule I muß eine Länge von 150 mm, das Rohr für Spule II eine Länge von 100 mm haben. Sie werden, so wie man es im folgenden Bild erkennt mit 0,8 mm dickem Kupferdraht bewickelt. - Ich verwende CuL, diese ist 2-fach mit Naturseide umsponnen, grün eingefärbt - also ganz genau so wie diese Spulen damals hergestellt wurden.


Der längere Spulenkörper I wird zunächst mit 8 Windungen bewickelt, welches die aperiodische Antennenspule L1 ergibt. Im Abstand von 35 mm von dieser Wicklung wird in gleicher Wicklungsrichtung die nächste Wicklung L2 aufgebracht, sie wird mit 60 Windungen gewickelt. - Damit ist die Spule I fertig.
Der kürzere Spulenkörper II erhält ebenfalls zwei Wicklungen, in gleicher Wicklungsrichtung, auch in gleicher Wicklungsrichtung wie bei Spule I.
Die obere Wicklung L3 besteht aus 25 Windungen, wobei Anfang 1 und Ende 2 mit dem Gitter und dem Heizfaden der zweiten Röhre in Verbindung stehen - siehe Schaltbild.
Die zweite Wicklung L4 wird mit einem Abstand von 10 mm von der ersten aufgebracht, sie besteht aus 30 Windungen, deren Anfang 3 mit der Anode der Röhre II und dem Ende 4 mit der Anodenbatterie verbunden wird - siehe Schaltbild.
Die Drahtenden der Spulen werden durch je zwei Löcher gesichert und später an die Verbindungsdrähte gelötet. Diese Spulen gelten für einen Wellenbereich von 200 - 600 m, also für Mittelwelle.
Idealerweise wird die fertig gewickelte Spule einmal mit Zaponlack-Spray (!!) zum Fixieren eingesprüht - es kann aber auch Kunststofflack-Spray, z.B. der Fa. Kontakt-Chemie, verwendet werden. - Wird mit Seide umsponnener Draht verwendet, vorher mit einer Probe des Drahtes einen Test machen, ob die Seide den Lack überhaubt verträgt und sich nicht dadurch auflöst. - Bei Verwendung von Zaponlackspray ist allerdings nichts zu befürchten.
Am unteren Ende werden - als Füße - drei kleine L-Stücke aus Messingblech angebracht um die Spulen auf dem Grundbrett befestigen zu können.

Nun kommen wir zu den HF-Transformatoren.
Zunächst werden die vier Körper HF 1 bis HF 4 hergestellt, wie es aus der Zeichnung im folgenden Bild erkennbar ist.


Die Spulenkörper bestehen aus Hartgummischeiben oder, idealerweise, "aus dem vollen" gedrehten Hart-PVC oder ähnlichem Isoliermaterial. - Auch Pertinaxscheiben oder, auch hier, "aus dem vollen" gedrehtes Pertinax wäre sehr empfehlenswert. - Zu beachten ist, daß keinerlei Maßabweichung zwischen den vier Körpern entstehen darf, es müssen absolut identische Körper sein ! - Die Maße des Spulenkörpers entnimmt man der Zeichnung.
Die Mitte der Spule wird, wie zu sehen ist durchbohrt, damit sie mit einer 4- oder 5-mm-Messingschraube an einem Messingwinkelstück befestigt werden kann - bei Verwendung von Scheiben werden diese auch gleichzeitig damit zusammengehalten.
Die Wicklungen der Spulen HF 2 bis HF 4 sind identisch. Sie werden in der Mitte jeweils mit einem 0,3 mm dickem Kupferdraht mit je 500 Windungen bewickelt. Die beiden sekundären seitlichen Spulen werden, in gleicher Wickelrichtung, mit je 550 Windungen 0,25 mm-Draht bewickelt.
Ist eine Seite fertig gewickelt wird der Draht durch je ein durch die inneren Seitenwände gebohrtem 1-mm-Loch durchgezogen bis zur nächsten Außenkammer, wo dann mit den nächsten 550 Windungen weitergewickelt wird - der Draht wird also über die mittlere Primärwicklung geführt.
Durch kleine seitliche Löcher oder Einschnitte werden dann alle Drahtenden zu einer Seite herausgeführt - siehe Zeichnung.
Die Anfänge der Primärwicklungen gehen zum + Pol der Anodenbatterie, bzw. dem drehbaren Arm des Draht-Poties, während die Enden der Primär- und Sekundärwicklungen mit Anode und Gitter der ZF-Verstärkerröhren verbunden sind.
Eine Ausnahme macht die Primärwicklung des ersten als Filter dienenden Transformators HF 1 - dieser wird nicht mit 500 sondern mit nur 300 Windungen in der Mitte gewickelt. Da zwischen seinen Drahtenden ein Kondensator von genau 280 pF liegt, entspricht seine Eigenfrequenz trotzdem der der anderen Spulen. - Sehr wichtig ist, daß dieser Kondensator (nach Möglichkeit ein Keramischer) genau diese angegebene Kapazität besitzt ! - Mit Meßgerät ausmessen !! - Es wäre ratsam, einen Drehkondensator zu verwenden und diesen einmalig auf diesen Wert einzustellen, falls ein Festkondensator mit diesem Wert nicht zu beschaffen ist.

Äußerst wichtig ist auch, daß alle HF-Trafos auf die gleiche Frequenz, die zwischen 4500 und 10000 m liegen kann, abgestimmt sind. Meistens genügt es nicht, sie mit der genau gleichen Windungszahl zu bewickeln. Es wäre ratsam, sie in einem Meßlabor durch Präzisionsmeßgeräte abstimmen zu lassen.

Damit die HF-Trafos sich nicht gegenseitig beeinflussen können werden sie, wie in der folgenden Zeichnung zu erkennen, die den Gesamtaufbau darstellt, um jeweils 90 Grad zueinander versetzt auf dem Bodenbrett befestigt - jeweils vor dem dazugehörigen Röhrensockel, damit die Drahtverbindungen so kurz wie möglich werden.


- Leider ist beim Zeichnen der Europa-Röhrensockel der Fehlerteufel aktiv geworden - keiner ist unfehlbar.. - auch ich nicht.. : die hier eingezeichneten Anschlüsse F, F und A, für Faden (Heiz-Faden), Faden und Anode sind falsch eingesetzt worden. Dieses aber nun zu korrigieren würde bedeuten : alles neu zeichen... Man muß nun auf folgendes achten : Das links eingezeichnete F für Faden (Heizung) soll A, für Anode, sein, der mit A bezeichnete Anschluß ist dann der zweite F - Anschluß, der nach links unten gehört !

Als letztes werden auf der Bodenplatte dann die weiteren Bauteile, die sechs Röhrensockel und die beiden Eingangsspulen, wie ersichtlich angebracht.
Auf der Frontplatte werden dann, wie man in der folgenden Skizze erkennt, die beiden Drehkondensatoren C1 und C2 befestigt, sowie das Drahtpotentiometer, der Heizungsregler, die Ausgangsbuchsen für den Kopfhöreranschluß, der Schalter sowie die Buchsen für Antenne und Erde.
- Ob man die Stromanschlußbuchsen auf der Frontplatte oder lieber auf der Rückseite befestigen will, möge jeder für sich selbst entscheiden.


Will man einen Lautsprecher anschließen, so ist noch die Zuschaltung eines NF-Verstärkers erforderlich, dessen Eingang an die mit V bezeichneten Anschlußbuchsen auf der Frontplatte angeschlossen wird.
Will man den NF-Verstärker mit dem Empfänger zusammen in ein Gehäuse bauen ist die Grundplatte vorher entsprechend größer herzustellen.

So. Ich gehe nun mal davon aus, daß der Bastler, der diesen Superhet nachbaut, bis hierher gekommen ist. Der Aufbau ist also fertig. Das kleine bißchen Verdrahtung - was war das schon. Kleinigkeit..

Jetzt geht's aber an's eingemachte - der Empfänger muß ab-ge-glich-en   wer-den..
- Keine Angst, war nur Spaß. Oder : fast. Es muß wirklich so etwas in der Art gemacht werden. Also los geht's :
Zwecks Abstimmung dreht man den Antennen-Drehkondensator C1 immer um etwa 2 Grad weiter und den Drehkondensator C2 des Oszillators jedesmal langsam über den ganze Bereich, bis ein Empfang wahrnehmbar ist.

- ??? - Also noch einmal, gaaanz langsam. Drehko C1 wird auf Anschlag nach rechts gedreht. Drehko C2 wird langsam über den gesamten Bereich, von Anschlag rechts nach Anschlag links, gedreht. Ist nichts zu empfangen, wird C1 um 2 Grad nach links gedreht, dann C2 langsam zurück an das entgegengesetzte Ende. Ist wieder nichts zu hören, C1 wieder weiter, wieder nur 2 Grad gedreht, dann C2 wieder an das andere Ende zurück.. - und so weiter.
Ein leises Rauschen oder Pfeifen zeigt, wenn Empfang eintritt, die Anwesenheit einer fremden Trägerwelle an. Tritt ein stärkeres Pfeifen ein, dreht man den Knopf des Draht-Poties, bis das Pfeifen aufhört. - Auch durch Drehen des Heizreglers kann man eine Abstimmung erzielen.
Jeder Sender kann bei zwei verschiedenen Stellungen des Drehkondensators empfangen werden, von denen man den günstigsten, am klarsten zu empfangenden beibehält. - Diese Sender-"Verdoppelung" ist die Spiegelfrequenz, sie ist - leider - bei den alten Schaltungsprinzipien nicht zu umgehen.

Mit der Beschreibung, wie die Sender eingestellt werden habe ich aber nun "das Pferd vom falschen Ende aufgezäumt".. - zuerst muß der Empfänger überprüft werden, dabei fängt man mit den Röhren an.

Als bestens geeignete Röhren sollten die RE 084 verwendet werden - aber auch die RE 074 ist ganz O.K. - Geradezu Ideal wäre ja die RE 144 - aber die kann ja heute keiner mehr bezahlen...

Zunächst muß man das richtige Arbeiten der Oszillator-Röhre II prüfen, indem man ausschließlich nur diese in ihren Sockel setzt und beheizt, indem man die Spannungen anlegt und das Gerät einschaltet.
Den Kopfhörer (ein hochohmiger Typ, etwa 2000 - 4000 Ohm) schaltet man - provisorisch - in die Anodenleitung dieser Röhre zwischen, dabei legt man, auch nur provisorisch, einen Kondensator von 1500 - 3000 pF zum Kopfhöreranschluß parallel.
Um nun festzustellen, ob die Röhre über den gesamten Einstellbereich von C2 schwingt, berührt man mit einem angefeuchteten Finger die Gitterleitung, wobei sich im Kopfhörer ein kurzes Knacken ergeben muß - dasselbe muß auch beim Loslassen der Gitterleitung geschehen.
Hierbei ist der Drehko C2 über den gesamten Bereich zu drehen, und das Knacken muß mindestens zwischen 10 Grad bis 170 Grad der - 180-Grad-Skalenaufteilungung - dieses Drehkos auftreten. - Gemeint ist hierbei die 180-Grad-Skala eines Drehkondensator-Knopfes mit einer flachen Außenskala, welche Bestandteil des Knopfes ist und sich am Außenrand befindet.
Erfolgt das Knacken nicht oder nur stellenweise, so schwingt die Röhre nicht oder sie hat "Schwing-Löcher", sie muß ausgewechselt werden und durch eine andere ersetzt werden, die beim Berühren der Gitterleitung ein über fast den gesamten Bereich durchgehendes Schwingen erkennen läßt.

- Solche bei verschiedenen Frequenzen auftretenden Frequenz- oder Schwing-Löcher waren damals, bei den alten Röhren, gar nicht so selten - wenn man die damaligen Technologiemöglichkeiten bedenkt. Es war zu dieser Zeit sehr schwer, auf galvanischem Wege eine so hochwertige und gleichmäßige Beschichtung der Aoden- und Kathodenoberflächen zu erreichen. Auch die eigentlichen Fertiungsprozesse der Röhren waren alles andere als modern, von staubfreien Räumen, die unbedingt erforderlich gewesen wären war man noch meilenweit entfernt. Aus diesen Gründen muß man eben damit Leben, daß man die eine oder andere Röhre - teilweise als neue Röhre (...) für teures Geld gekauft hatte und sie dann doch nicht für seine Zwecke verwenden konnte. Der Verkäufer hat meist keine Schuld an dieser Misere ..

Um den ZF-Verstärker zu prüfen, steckt man nur die Röhren 3, 4, 5,und 6 in ihren jeweiligen Sockel. Daraufhin dreht man den Knopf des Poties, der im Normalzustand etwa auf Mitte steht ganz bis auf das positive Ende und schaltet den Kopfhörer in die Anodenleitung der Röhre 6 ein. Dann dreht man das Potie langsam zur anderen Seite, bis - etwa in der Mittelstellung - ein Rauschen im Kopfhörer die Selbsterregung, das Selbstschwingen des ZF-Vertsärkers anzeigt. br> Dieses läßt sich auch überprüfen, wenn man mit einem angefeuchtetem Finger die Audio-Gitterleitung berührt, wodurch sich ebenfalls ein Knacken im Kopfhörer ergeben muß. - Tritt ein Knacken selbst nahe dem negativen Ende des Poties nicht ein, so liegt irgendein Schaltungs-Fehler vor. Häufig hat das Potie keinen Kontakt auf der Drahtwendel, oder die Anodenspannung ist nicht richtig eingestellt.

Mögliche weitere Fehlerquellen:

Setzt das ZF-Teil beim Drehen des Poties sehr hart und sehr plötzlich mit seinem Selbstschwingen ein, muß die Anodenspannung kleiner eingestellt werden. Im normalen Betrieb sollte das Potentiometer dicht vor dem Schwingungs-Beginn, also etwa die Mittenstellung, stehen.

Bei manchen Röhren wird es auch erforderlich werden, für die Röhren 3, 4, und 5 eine eigene Gittervorspannungs-Batterie zu verwenden, wenn der Zwischenfrequenzteil sich mittels dem Potie nicht zum Schwingen bringen läßt. In diesem Falle wird in die Leitung, die zum Potentiometer-Arm - also den Mittelabgriff - eine (Taschenlampen-) Batterie von 3 bis 4,5 Volt zwischengeschaltet, mit dem Pluspol am Potie-Arm, der Minuspol geht zur gemeinsamen Gitterleitung, - wie es im Schaltbild gestrichelt eingezeichnet wurde, - mit einem 5000 pF-Kondensator, der mit seinem anderen Pol auf die Minus-Heizleitung führt.

Ebenfalls punktiert eingezeichnet wurde der Gitterableitwiderstand W sowie der 330 pF-Kondensator in der Gitterzuleitung der Röhre 1. - Diese bringen bei manchen Röhren eine wesentliche Verbesserung des Empfangs - es muß aber ausprobiert werden.
Ein gutes Merkmal für das richtige Arbeiten aller Röhren ist das Eintreten von Überlagerungs-"Gezwitscher" im Kopfhörer, wenn der Drehko C2 gedreht wird und der ZF-Teil richtig schwingt.

Man kann noch folgenden Versuch ausprobieren : Anstatt eines festen Kondensators C4 sezt man einen Drehkondensator ein, in größter Nähe zum ersten HF-Transformator - also direkt in die Schaltung. Dieser Kondensator bleibt nach einmaliger Einstellung dauernd in dieser Stellung stehen. Hierdurch könnte noch eine weitere Verbesserung der Schwingfreudigkeit erzeugt werden.

Im Anodenkreis der Röhre 6 setzt man zweckmäßigerweise den Schalter H ein, um den Kopfhörer - oder die NF-Verstärker mit Lautsprecher - einschalten zu können.

Der Schwing-Kreis - Röhren 1 und 2 - wird durch eine Trennwand (gestrichelt eingezeichnet) aus dünnem Kupfer- oder Messingblech, auch Aluminiumblech ist verwendbar - abgeschirmt.
Natürlich müssen dann alle stromführenden Leitungen und alle Bauteile gegen dieses Blech isoliert werden, es darf zu keinem Kurzschluß kommen - nur die negative Heizleitung wird mit diesem Blech gut verbunden.
Auch ist es empfehlenswert, von der Innenseite auf die Frontplatte ein solches dünnes Abschirmblech anzubringen, - auch um die unvermeidbaren Handkapazitäten, bei der Bedienung der Drehkos und des Poties, zu vermeiden.
Auch hier, natürlich, darauf achten daß keine Kurzschlüsse enstehen könen.
An dieses Blech sollten auch evtll. die isolierten Endplatten der Drehkondensatoren und die Transformator-Gehäuse gelegt werden.
- Apropo Transformator-Gehäuse : es wird sich wohl nicht vermeiden lassen, die HF-Transformatoren mittels Blechgehäusen zu isolieren, sie abzuschirmen. - Dünnes Kupferblech oder Messingblech ist auch hier wieder sehr gut geeignet.

Arbeitet der Empfänger - trotz richtig aufgebauter Scahltung - nicht, so könnten noch einige weitere Ursachen vorhanden sein; wie schlechte Löt- und Kontaktstellen, defektes (oder mangelhafter Kontakt aufweisendes) Potie (evtll. die Drahtwendel des Draht-Poties mit feinem Schmirgelpapier kurz sauberschmirgeln), es könnten schlechte Röhrenstecker - oxydierte Kontakthülsen -, oxydierte Kontakttstifte der Röhren, fehlerhafte Kondensatoren, falsch gekoppelte Rückkopplungsspule, .. auch eine zu niedrig eingestellte Anodenspannung oder zu geringe Batterie- Heizspannung sein. - Auch eine zu hohe Heizspannung führt zu fehlerhafter Arbeitsweise - von der Gefahr von durchgebrannten Röhrenheizungen nicht zu reden..

In das Schaltbild - oben auf dieser Seite - ist zur Verdeutlichung ein zweistufiger Verstärker mit eingezeichnet.
Hierfür werden beispielseise für die Röhre VII eine RE 084 verwendet, für die Röhre VIII eine RE 144. Die beiden NF-Übertrager-Transformatoren sind, zur Verdeutlichung, im Gegensatz zu den HF-Transformatoren sinnbildlich in das Schaltbild eingezeichnet.
Für diese beiden Röhren wird ist je ein weiterer Heizregler - W3 und W4 - eingezeichnet. - Der Regler W4 kann aber, wenn eine RE 134 verwendet wird, entfallen. Nur bei der Verwendung einer RE 084 sollte er immer mit eingebaut werden.

Als Lautsprecher wird, wie üblich, ein hochohmiger Freischwinger-Lautsprecher verwendet, mit einer Impedanz von ca. 2000 Ohm. - Alternativ könnte auch ein Ausgangsübertrager verwendet werden, der in etwa primär diesen Wert aufweist - an der Sekundärseite kann dann ein normaler dynamischer Lautsprecher angeschlossen werden.

Die Länge der (Außen-) Antenne spielt für den Empfang keine wesentliche Rolle, da der Antennenkreis aperiodisch ist. - Sollte jedoch die Abstimmbarkeit nicht scharf genug sein, empfiehlt es sich, an die Antenneneingangsbuchse einen Sperrkreis anzubringen, wie er schon im Reflex-Empfänger beschrieben wurde.
Da hierbei aber der Sperrkreis anders aufgebaut wird, zeige ich auf der nächsten Zeichnung die Schaltung dieses Sperrkreises, man sieht wie dieser an den Super-Het angeschlossen ist.


Es wird eine sogenannte "Quetsche" verwendet, welche etwa einen Wert von 500 pF aufweisen sollte. Diese wird mit einer Stufenspule von 4 x 10 Windungen Windungen angeschlossen, wie es die Zeichnung darstellt. Die Windungen werden mit einem 0,5 - 0,8 mm dickem Draht, CuL, auf einem Rohr von ca. 75 mm Aussendurchmesser gewickelt. Mit einem Stufenschalter werden dann die einzelnen Kreise dieser Sperrkreisspule geschaltet.

Hat man alle evtll. Problem überwunden wird man mit einem außergewöhnlich gutem Empfang - und mit außergewöhnlicher Klangreinheit verwöhnt !

Tja, das war's, - ich hoffe, ich habe nichts vergessen...
- Ach ja, ich habe doch noch etwas vergessen.. - im Schaltbild ist links, an der Audionspule ein Schalter R eingezeichnet. - Diesen habe ich schon einmal vorsorglich eingesetzt - im nächsten Artikel auf der Bastelschul-Seite kommt eine Rahmenantenne. Die kann dann anstelle dieser Spule eingesatzt werden - im Sommer wirkt diese besser als eine Außenantenne..
Und noch etwas, als Nachtrag ein hilfreicher Tip: Es geht um die ZF-Trafos. Sie müssen unbedingt identisch sein, wie ich schon schrieb. Um dieses zu ermöglichen, ohne extra eine evtll. teure Überprüfung - mit teuren Meßgeräten - machen zu müssen, gibt es auch eine wie ich finde ganz gute Ausweichmöglichkeit.
Schaut man sich die runden Innenkerne des ZF-Trafos an, erkennt man die Maße von 20 mm bzw. 35 mm Durchmesser. Wenn man diesen Durchmesser auf den Umfang berechnet, kommt man bei dem 20-mm-Kern auf etwa 68 mm, bei dem 35-mm-Kern auf ca. 120 mm. - Dieses jeweils mit der Wicklungszahl multipliziert ergibt einen Wert von ca. 40 Meter bei der 550'er Windung und ca. 62 Meter bei der 500'er Windung. (Da der Umfang ja dauernd größer wird, habe ich noch je ein paar Meter dazu addiert.) - Es kommt hier nicht - unbedingt - auf die exakte Windungszahl an, wichtig ist, daß alle Spulen gleich gefertigt und gewickelt sind - es müssen also alle Drähte auch gleich lang sein !
Wenn man sich nun die Mühe macht und vier mal die gleichen Drahtlängen ausmißt (nur drei mal für die Primärwicklung - der erste Trafo hat ja eine andere Windungszahl !), dann hat man dadurch auch die Gewähr, daß die Trafos gleich sind. - Evtll. die Drähte im Garten von der Rolle abwickeln, ausspannen und abmessen..

Jetzt bleibt mir nur eines noch zu wünschen :
Viel Spaß beim Nachbau !


Zurück zur Hauptseite