Neuformieren (Auffrischen) alter, "taubgewordener" Elektrolytkondensatoren.


Ich besuchte vor einigen Tagen einen Bekannten, der mir die hochinteressante Möglichkeit, Elkos aufzufrischen vorstellte.
Er zeigte mir ein von ihm erbautes Netzgerät mit regelbarer Ausgangsspannung bis 360 Volt.
(Auf meiner Homepage, im Bereich "RIM", findet man ein solches, mit einer Röhre bestücktes Netzteil.)
An dieses Netzteil schloß er über einen 10 kOhm-Widerstand (15 Watt Keramik) den neu zu formierenden Elko an.
- Probleme bei einem Elko, der schon einen Kurzschluß aufweist, hat man nicht zu befürchten da hier nur ein Strom von 35 mA fließt.
Das Netzteil selber steuerte er mit einem Timer an, welches 15 Minuten lang das Netzgerät einschaltete, wobei der Elko über den 10 kOhm-Widerstand aufgeladen wurde, danach wieder vom Timer 15 Minuten lang abgeschaltet wurde.
Dabei wurde der Elko über den 10 kOhm-Widerstand gegen Masse entladen - eine Relay-Schaltung ermöglichte die Umschaltung dieses Widerstandes.
Nach den 15 Minuten wurde das Netzgerät wieder für 15 Minuten eingeschaltet - dieses widerholte sich über einige Stunden.
Eine solche Zeitsteuerung kann auch mit Leichtigkeit mit einem Schaltuhr-Timer - ich meine ein Gerät welches wie ein Steckernetzteil in die Steckdose gesteckt wird, mit einem motorgesteuerten Timer - realisiert werden. Hierbei kann man in 15-Minuten-Schritten über kleine Schaltnoppen den Timer einstellen. Also eigentlich genau das, was benötigt wird : ein Schaltnoppen hineinschieben (einschalten), der nächste bleibt draußen (ausschalten), der übernächste wird wieder hineingeschoben, u.s.w., u.s.w.
Ein Problem bleibt dann nur der Widerstand, der dann, in der Ausschalt-Zeit, gegen Masse geschaltet werden muß.

Mein Bekannter zeigte mir einen solchen Elko, der vor der Neuformierung schon sehr, sehr niederohmig war ;-), er schloß die 360 Volt des Netzgerätes an den Elko an, nahm ihn dann wieder von der Spannung und schloß ihn mit einer Zange kurz, wobei es - wie bei einem neuen Elko - kräftig funkte und knallte.
Wir unterhielten uns danach noch so etwa eine Viertel Stunde, dann nahm er diesen Elko wieder und schloß ihn noch einmal mit der Zange kurz - und siehe da : es knallte und funkte schon wieder sehr heftig. - Was bedeutete, der Elko war tatsächlich wie neu.

Und wer nun sagt, was soll’s, da kaufe ich mir lieber einen neuen.. - der hat den Sinn nicht verstanden.

Denn der liegt darin, ein altes, ein URALTES Radio so zu belassen wie es der Herrgott - oh, Verzeihung, der Hersteller - erschaffen hatte. - Also mit den Originalteilen.
Wird aber ein neuer Elko eingebaut, so ist das Radio eben NICHT mehr im Originalzustand.

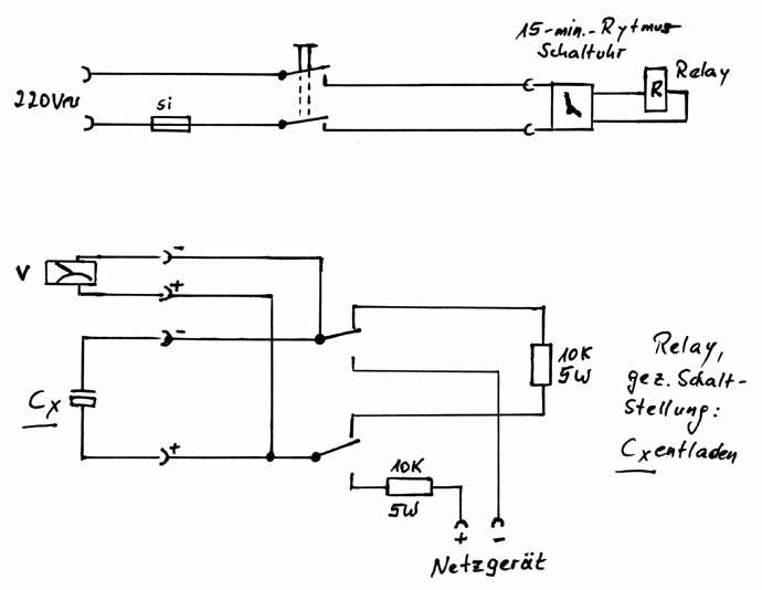
Die folgende Skizze zeigt den doch recht einfachen Aufbau der Schaltung, wichtig war die Beschaltung des Relays zum Laden und Entladen des Elektrolytkondensators.


Der obere Teil stellt die Schaltuhr mit ihrem Anschluß an das Relay dar, der untere Bildteil die Relaykontakte.
Von einem Besucher dieser Seiten, vom Joerg, bekam ich einen Verbesserungsvorschlag, den ich gerne hier vorstellen will:
Wenn man den Widerstand zum Ent- und Aufladen gleichermassen nimmt, spart man eine Relais-Ebene und einen Widerstand. Im Anhang habe ich die Schaltung aufgezeichnet.
Und hier die Zeichnung:



Zurück