Doppelmono Röhrenverstärker mit der Tetrode 12E1
von Andreas Fuss


Ich möchte hier mein jüngstes Projekt mit einer interessanten Tetrode, der 12E1, vorstellen.
Ich beschäftige mich seit 20 Jahren mit Röhrentechnik und habe schon viele und vor allem teure Verstärker gebaut, u.a. mit Aa, RE 604, RS 241, 300B / 845 usw. Diese Röhren werden heute zu Phantasiepreisen verkauft, weshalb für viele Freaks nur die neueren Produktionen aus dem Osten in Frage kommt.
Ich habe mir zum Ziel gesetzt, einen Verstärker mit bezahlbarer NOS Ware, mit gutem Sound und schicker Optik zu bauen. Die 12E1 kann man bei Ebay mit etwas Geduld für 10 Euro erwerben. Sie ist eine bildschöne, kräftige Tetrode.




Hier steht noch mehr: http://frank.pocnet.net/ short/054/2/229.pdf

Als Teiber nehme ich ½ 6SL7 und im Netzteil einen Quecksilber Gleichrichter 83. Diese ist schon etwas seltener, doch denke, eine 5U4 oder so tut's auch.
Die Röhren sollten für insg. 40 Euro inkl. Fassungen zu haben sein. Dazu kommen die Widerstände und Kondensatoren: 10 Euro, der Netzteilelko 30 Euro, der Ölpapierkondensator 10 Euro, Netztrafo 70 Euro, Drossel 30 Euro, Buchsen 10 Euro, Alu 10 Euro, Holzrahmen 30 Euro und leider der AÜ für ca. 150 Euro.
Dann liegen wir bei knapp 400 Euro / Kanal. Man kann sicher noch was einsparen, wenn man sich den Luxus von Doppelmono schenkt.

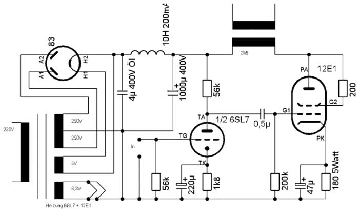
Erst mal das Schaltbild:


Dazu gibt`s nicht viel zu sagen, die 12E1 wurde zu Triode geschaltet, der Rest ist auf ein Minimum reduziert. Die Arbeitspunkte wurden durch Ausprobieren festgelegt. Ich habe zuerst gerechnet, und dann angepasst. So gefällt mir der Sound am besten. Man braucht einen relativ fetten Elko im Netzteil, da die Schaltung sich etwa 170mA genehmigt, sonst brummt`s.
Man könnte natürlich auch mit mehr Siebgliedern arbeiten und den "uneleganten" Elko sparen, aber dann wird die Endstufe ziemlich gross und das Netzteil hochohmig. Das ist bei dem Strom ein Argument.

Die ganze Schaltung passt locker auf ein 30 x 30 cm grosses Blech, aber der Reihe nach.
Ich fange immer mit einem "Brettchenaufbau" an, besser nicht so genau hinsehen:



Dann wird sauber angezeichnet und gekörnt:



Das Bohren erfordert Geduld, und speziell die 35 mm Löcher sollten langsam und mit viel Fett angefertigt werden. Wer keinen teuren Stufenbohrer hat, hier mein Tipp: Früher habe ich das Loch mit einem Zirkel angezeichnet, dann einen Kranz 3 mm Löcher gebohrt und dann mit einer Rundfeile sauber nachgearbeitet. Das geht gut in die Knochen...



Jetzt wird geschliffen, also einmal die Oberfläche anrauen und Kratzer wegschleifen. Und weiter geht`s mit dem Grundieren:



und zum Schluss mit Hammerschlagfarbe lackiert.



So, alle Bauteile auf einen Haufen, und los geht`s.



Der Aufbau ist leicht. Erst mal die kleinen Bauteile verschrauben:



Dann die Trafos



Die Verkabelung, Widerstände und Kondensatoren werden zwischen den Fassungen und dem zentralen Massepunkt frei verlötet.





Noch ein schicker Holrahmen drum, fertig:










Ist wirklich hübsch geworden.
Jetzt wollt ihr bestimmt wissen, wie das Teil klingt, oder? Also zuerst sei gesagt, dass hier ca. 4 Watt an Leistung rauskommt - da kann man an Lautsprechern mit kleinem Wirkungsgrad keinen Blumentopf gewinnen. Ich habe ein Lowther Horn und dafür langt es dicke. Charly Antolini kann man aber trotzdem vergessen, das ist eher was für High-Ender.
Ich habe mir die Teile mit einem breiten Spektrum angehört, von Nat Adderley, Jim Hall, Joe Satriani, über United Jazz & Rock Ensemble bis Zappa. Sie spielen kräftig, fett aber nicht polterig. Der Pop-Fan wird also eher Gefallen finden. Auf jeden Fall für den Preis eine lohnende Investition.
Ganz klar, alte Trioden, die für teures Geld weggehen sind besser, aber wenn man den Aufwand und die Anfälligkeit sieht - mir ist die 12E1 lieber und die Optik: Unschlagbar.

Hier noch ein Foto meines Messplatzes



und meines Röhren-"Lagers"


Zum Schluss noch ein Wort des Dankes an:
Meine Kollegen Jo R. für das Abkanten der Bleche -
und an Martina K. Für die genialen Holzrahmen.

Gruss, Andreas Fuss
eMail : andreas.fuss@aesculab.de

Zurück zur Hauptseite