Gegentakt-Verstärker mit der EL 84
von Andreas Hippel

Hallo Jochen,
Mitte April 2001 geriet ich per Zufall (Suchmaschine) auf Deine Seite, nachdem ich mir in den Kopf gesetzt hatte, mal wieder einen Verstärker bauen zu wollen und im Internet nach guten Design - Ideen surfte.
Die Erfahrung, Endstufen per Transistor oder IC zu produzieren besaß ich.
Allerdings sind Röhrenverstärker wesentlich schwieriger herzustellen als Halbleiterverstärker.
Diese Erfahrung hatte ich vor 15 Jahren gemacht, als ich meinen ersten Röhrenverstärker mit 2 Stück PCL 86 baute. Ein kräftiges Brummen war stetiges Hintergrundgeräusch in beiden Boxen und bei voll aufgedrehtem Höhenregler zischte es immer etwas.
Nun ja, danach war das Thema Röhre erst einmal beiseite gelegt und die schönen IC - Schaltungen hielten Einzug, die ja so einfach mit nur ein paar Bauteilen zu bestücken waren.
Irgendwann in 2000 fand ich im ELV Katalog einen Bausatz - Röhrenverstärker, der nun wieder mein Interesse weckte.
Mir fiel ein, daß mein Vater irgendwo im Keller noch eine Sammlung Röhren haben mußte.
ECC 81 / 83, EL 84, EL 41, EF 803 - Valvo, Telefunken, ITT - alles vorhanden, nur gebraucht.
Jetzt war also der Zeitpunkt gekommen, nach Schaltplänen sowie einem schönen Gehäuse zu suchen.
Schaltpläne fand ich bei Dir, nach Gehäusen oder Design - Ideen habe ich lange gesucht.
Mir gefallen vor allem zierliche Geräte, den Klötzen mit den dicken Trafos und Übertragern on board kann ich nichts abgewinnen.
Das Gehäuse habe ich mir dann endgültig selbst gebaut.


Es besteht aus 2 Stück V4A Teilen; das Unterteil gesandstrahlt, das Oberteil poliert.


Die Trafos, Übertrager und Drosseln sind intern jeweils in Stahlkäfigen gekapselt; eine Erfahrung aus meinem ersten Röhrengerät.


Die Potis sind intern an einem Halteblech befestigt. Die Knöpfe sind von außen aufgesteckt. Das Schlimmste ist, wenn Bedienelemente am Deckel befestigt sind.
Die 3 schwarzen Türme im Hintergrund sind die Siebelkos für Heizung und Anode.
In alten Stromrichtern fand ich die Kondensatoren, 2 Stück 2500uF / 300V und 1 Stück 10000uF / 63V.
Den Rest der erforderlichen Bauteile erwarb ich bei Reichelt, Conrad und Schuricht, wobei ich wirklich sagen muß, daß eine so große Röhrenauswahl bei Schuricht äußerst beeindruckend ist. Im Preisvergleich ist Conrad die sprichwörtliche Apotheke.
Auch die Röhrenfassungen von Conrad sind primitiv. Schon nach 1 Woche Betriebsdauer schmolzen die EL - Fassungen dahin, weil aus Kunstoff.
Auch hier hat Schuricht Print - Fassungen aus Keramik anzubieten.
Damit sind wir bei der Verdrahtung. Diese "fliegende" Verdrahtung in Röhrenverstärkern hat mir noch nie zugesagt, im Internet fand ich auch bei namhaften Firmen Lösungen mittels Printtechnologie.
So befinden sich in meinem Gerät alle Bauteile auf einer geätzten Platine.
Und so verging nun ein ¾ Jahr, bis das Gerät sein Endstadium erreichte.


Die Beschriftung der Frontplatte ist eingraviert.


Gehäusemaße: 440 x 300 x 75 mm
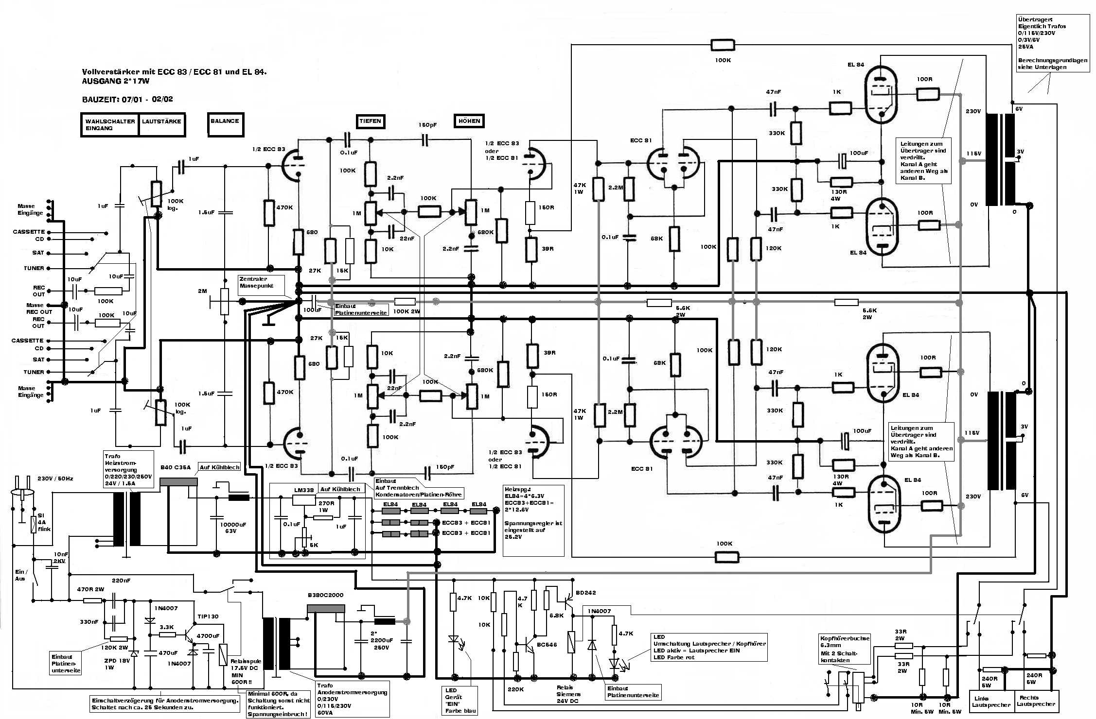
Im Schaltplan habe ich leichte Veränderungen vorgenommen:
So habe ich einen anderen Klangregler verwendet, sowie einen Zeitschalter eingebaut, der die Anodenspannung erst nach ca. 25 Sekunden an die vorgewärmten Röhren schaltet.

Schaltbild Andreas-Hippel-Amp
Mit einem Mausklick auf das Schaltbild wird dieses in voller Größe geladen - ca. 300 kB.

Einigen wird die Art und Weise, wie Andreas seine Schaltung zeichnete ungewöhnlich und stark gewöhnungsbedürftig vorkommen. Doch sollte man sich die Zeichnung genauestens ansehen - man erkennt schnell daß Andreas sich dabei einiges gedacht hatte. Die komplette Leitungsfüung, die Verdrahtung, ist genauestens erkennbar und eine enorme Hilfe für den, der noch nie einen Verstärker gebaut hatte, der die Problematik der Masseleitungen nicht kennt...

Zum Schluß muß ich sagen, daß ich, bei allem Spaß am Basteln, jetzt froh bin, ein Ende gefunden zu haben. Denn bei weitem funktionierte nicht alles auf Anhieb, Test hier, Ausbau da....... Uns es brummt und zischt diesmal nicht !


Gruss, Andreas



Zurück zur Hauptseite