Vorverstärker mit steilen Pentoden
von Andreas Schwarz


Anlaß für diesen Verstärkerbau waren Veröffentlichungen über den sogenannten µ-Folger, insbesondere der Artikel von Alan Kimmel und die Schaltungen von "Triode Dick"; dort wird auch der konstruktive Hintergrund erläutert: http://www7.taosnet.com/f10/mustage.html
http://www.triodedick.com/
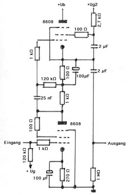
Um der Triode eine möglichst hohe Anodenlast zu bieten, wurde für die obere Röhre eine Pentode gewählt; die gleiche Pentode sollte als Pseudotriode beschaltet auch die Spannungsverstärkung übernehmen.


Der Ausgangswiderstand der als Kathodenfolger arbeitenden Pentode sinkt mit der Steilheit der Röhre, daher wurden besonders steile Pentoden gesucht. Die Auswahl ist nicht einfach, da diese Röhren i.d.R. auch einen geringen Durchgriff haben. Ich entschied mich für die 8608, da ich keine E55L zur Hand hatte: eine Röhre mit einem µ von 30, also ausreichend für die Verstärkung des Ausgangspegels älterer Geräte auf den Eingangspegel meiner Endstufen (+6dBm). Der Erweiterung des Eingangsspannungsbereiches dient der Anschluß des Bremsgitters an ein niedrigeres Potential als die Kathode.
Sollte weniger Verstärkung gewünscht werden, läßt sich mit einer Spannungsgegenkopplung - möglich u.a. in den Fußpunkt des Lautstärkestellers - die Linearität noch verbessern. Ab einem Strom von 25 mA zeigt die Gitterspannungskennlinie dieser Röhre sehr geringe änderungen der Durchgriffes - beste Voraussetzungen, um in Verbindung mit dem hohen Lastwiderstand eine Verstärkerstufe mit minimalen Verzerrungen zu schaffen. Untersuchungen zu den nichtlinearen Verzerrungen dieser Röhre sind auf der Internet-Seite von Pete Millet zu finden. http://www.pmillett.com/pentodes.htm Die angewandten Maßnahmen zur Arbeitspunktstabilisierung der steilen Pentoden sind: bei der Triode der erhöhte Kathodenwiderstand in Verbindung mit einer positiven Vorspannung am Gitter, bei der Pentode der Schirmgittervorwiderstand. Zur Verringerung unerwünschter Oszillation dienen Schutzwiderstände an den Gittern sowie Ferritperlen unmittelbar an allen Anschlüssen.


Das Netzteil hat Zweiweggleichrichtung mit EZ80, CLCRC-Siebung für die Anodenspannung, ein RC-Siebglied für die Schirmgitterspannung sowie einen Spannungsteiler, der der Heizspannung der 8608 am Entbrummer eine Gleichspannung in Höhe der Kathodenspannung der oberen Pentode überlagert sowie die positive Vorspannung des Gitters liefert. Letztere ist einstellbar - damit wird die Kathodenspannung der oberen Pentode auf etwas mehr als die halbe Betriebsspannung eingestellt.


Aufgebaut wurde der Vorverstärker auf einem selbstgebauten Chassis, welches eine 19'-Frontplatte mit 4 HE erhielt. Netztransformator und Siebdrossel sind Ausbauteile von Parmeko aus der Bastelkiste; mit dem Netztschalter werden auch zwei IEC-Einbaustecker für die Versorgung der Endstufen zugeschaltet. Lautstärkesteller und der Balancesteller sind zur Erzielung logarithmischer Kennlinien diskret mit 26-stufigen Schaltern aufgebaut.


Gruss, Andreas



Zurück zur Hauptseite