EL 84-PP - Gitarren-Combo
von Andreas Schiefen
Hallo Jogi !
Mein Name ist Andreas (49)und ich habe, was das "Röhrenbasteln" betrifft, 1965 mit einem Kosmos Radiomann
angefangen. Später machte ich die Elektronik zu meinem Beruf.
Doch trotz all der modernen Technik hat mich die Röhre weiterhin fasziniert und so habe ich im Laufe der Jahre einige
Projekte mit Röhren realisiert :
- Einen kleinen MW-Empfänger mit der EF 98, mit Netzbetrieb (kleine 1,5 VA Print-Trafos)
(Demnächst auf dieser Seite)
- Einen Stereo-Verstärker (je 2 x EL 84 u. 1 x ECC 83) sowie 1 x GZ 34. - Besonderheit: von mir handgefertigtes
Messing-Chassis, hochglanzpoliert. (Demnächst auf dieser Seite)
- Einen Stereo-Verstärker mit je 4 x 6550, 2 x ECC 82, 1 x ECL 86 und vernickeltem Stahlblech-Chassis.
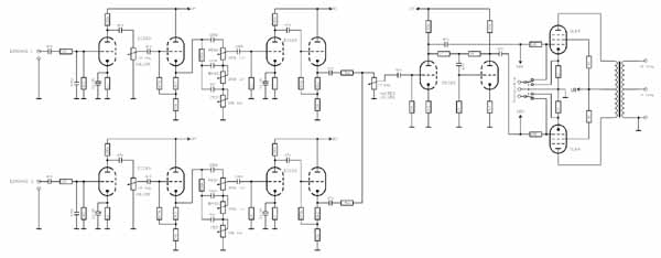
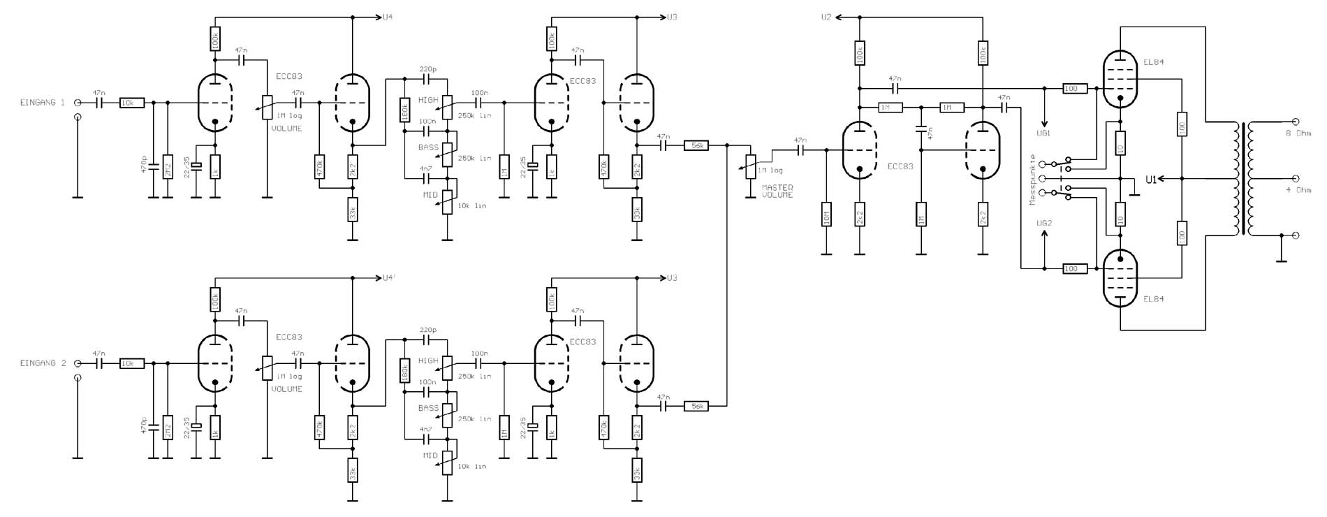
- Und da ich auch Gitarre spiele, darf der selbstgebaute Voll-Röhren-Combo mit zwei getrennt klangregelbaren
Eingängen nicht fehlen. (5x ECC83, 2 x EL 84, 1 x EZ 81) (Auf dieser Seite)
Ein paar Einzelheiten zum Gitarren-Combo: Das Verstärkergehäuse besteht aus MDF, welches mit
Kunstleder überzogen ist. Als Speaker werkelt ein 10" - Lautsprecher, den ich mal aus einer alten YAMAHA-Orgel
ausgebaut habe. Der Bespannstoff ist von Conrad. Damit man die schönen Röhren bei ihrer Arbeit auch betrachten
kann, habe ich als Abdeckung eine 10 mm starke Plexi-Haube angefertigt (sehr stabil, kann man sich auch draufsetzen).
Das eigentliche Verstärker-Chassis habe ich aus Aluminium-Teilen selbst gefertigt und ist als 19"-Einheit in das
restliche Gehäuse eingeschoben. Die Frontplatte ist mit Anreibe-Symbolen und Buchstaben beschriftet und anschließend
mit Zaponlack versiegelt.
Das folgende Bild zeigt das Innenleben mit abgenommener Bodenplatte.
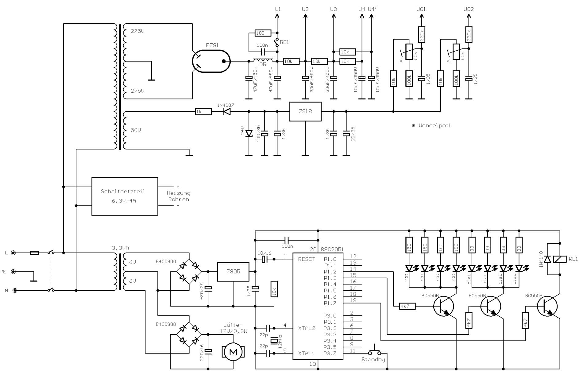
Weil ich keine klobigen Teile auf der Oberseite des Chassis haben wollte, habe ich mir einen Ringkern-Netztrafo wickeln
lassen, der unter dem Chassis Platz findet. Der Ausgangsübertrager ist ebenfalls unter dem Chassis montiert. Das Teil
mit dem Lochblechgehäuse ist ein fertiges 5 Volt Schaltnetzteil, welches ich auf 6,3 Volt umgestrickt habe und ist
für die Heizung der Röhren zuständig. Links unten, neben dem Schaltnetzteil, befindet sich ein blauer
Flachtrafo, den ich als Siebdrossel für die Anodenspannung zweckentfremdet habe (wegen der Bauform).
Darüber erkennt man eine Platine mit einem blauen Print-Trafo. Das ist eine kleine Elektronik mit einem Mikrocontroller,
der die Funktion des Standby-Tasters (Anodenpannung Ein/Aus) mit der dazugehörigen Kontrollbeleuchtung (Plexi-Leuchtring
mit LED's um den Standby-Taster) steuert.
Funktionen: Rot blinkend = Aufheizphase, Anodenspannung aus; Rot Dauerlicht = Röhren aufgeheizt, Anodenspannung aus;
Blau Dauerlicht = Anodenspannung ein.
Da es unter dem Chassis doch etwas warm wird und nur seitlich zwei Lochreihen zur Belüftung vorhanden sind, sorgt ein
kleiner Lüfter für den nötigen Luftdurchzug. Dieser ist rechts oben, neben dem Ringkerntrafo zu sehen.
Links neben dem Ausgangsübertrager befindet sich eine kleine Platine, auf der die Erzeugung der negativen
Gittervorspannung mit den zugehörigen Einstellpotentiometern untergebracht ist. Die Messpunkte hierfür sind auf
die kleinen Buchsen darüber herausgeführt und lassen sich mit einem daneben liegenden Schiebeschalter umschalten
(Gitter/Kathode).
Bei den beiden Eingänge lassen sich die Bässe, Mitten und Höhen, sowie die Lautstärke
getrennt regeln. Auserdem gibt es noch einen Summenregler für die Lautstärke.
Beide Eingänge haben auch noch einen Schalter für Bassboost/Neutral/Höhenboost. Dieser ist allerdings noch
nicht beschaltet.
Der Schaltplan zu dem guten Stück ist aus verschiedenen Schaltungsvorschlägen zusammengestellt. Die Teile
für die Klangregelung habe ich teils durch herumprobieren angepasst.
(Mit der Maustaste das jeweilige Schaltbild anklicken, es wird dann in voller Auflösung
dargestellt.)

- Anbei außerdem noch das Assembler-Programm für den Mikrocontroller (hat zwar die
Endung ASS, ist aber eine einfache Textdatei). Soll ja, wenn schon, denn schon, auch alles vollständig sein.
Tschüß bis dahin,
Gruss, Andreas
eMail: Andreas.Schiefen@t-online.de