Bau- und Gerätebeschreibung für 80m Kurzwellen Einfach-Superhet-Empfänger
- von Marco Bonaconsa




Ursprung und Gesamtanforderungen:
Es entstand in meiner Jugend der Wunsch einen Superhetempfänger selber zu bauen. Bis heute bin ich nicht dazugekommen. Nun wurde der Wunsch Wirklichkeit.
Anstoss dazu gab, das Vorhandensein eines einfachen 80m CW-Senders.




Dadurch wurden auch die mechanischen Eckpunkte festgelegt. Der RX (Empfänger) soll im gleichen Design wie der schon länger vorher gebaute TX (Sender) entstehen. Es soll ein Ueberlagerunsempfänger nur für 80m Amateurfunk mit BFO und NF Endstufe entstehen. Eine Ausbaumöglichkeit für verbesserte Trennschärfe (Keramikfilter) muss vorliegen. Der Aufbau soll mechanisch einfach und in vollständiger Röhrentechnik gemacht werden. Einzige Ausnahme soll der Netzgleichrichter darstellen.

1.) Mechanik:
Die Mechanik besteht aus einem einfach gebogenen Alu - C-Profil Chassis mit vertikal angeschraubter 1 mm dicker Alu-Frontplatte.
Dimensionen: C-Profil Chassis: 250 x 150 x 35mm
Frontplatte: 250 x 130 x 1 mm







2.) Empfängerkonzept:
Einfachsuper mit selbstschwingender Mischröhre, HF Vorstufe, einstufigem ZF Verstärker ca.455kHz mit Reinhöfer Filterspulen, NF Vorstufe mit Demodulatordioden sowie einer NF Endstufe für Lautsprecherbetrieb. Für CW und SSB Empfang muss die Schwundregelung abschaltbar sein und ein variabler stabiler BFO zugeschaltet werden können.
Alle Röhren sollen 7-Pol-Miniaturausführungen mit 6,3Volt Heizung sein.
Die meisten Bauteile sollen ab privatem Lagerbestand kommen und sind noch im Handel erhältlich.

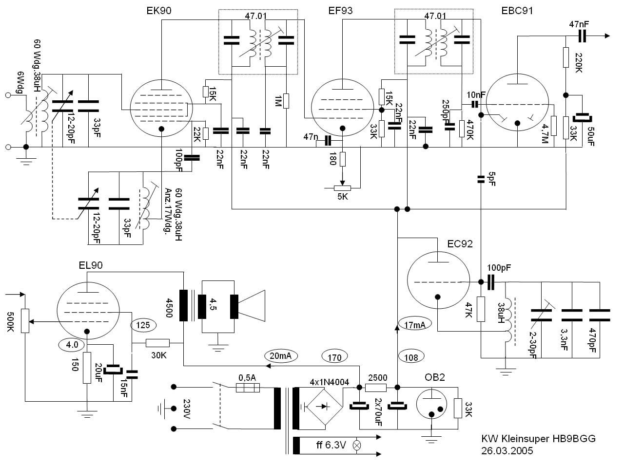
Schaltung 80m Kurzwellen Einfach-Superhet-Empfänger
(Mit der Maustaste das Schaltbild anklicken, es wird dann in voller Auflösung dargestellt.)

Technische Daten: Frequenzbereich: 3.500 bis 3.800 MHz
Einfachsuperhet mit 455 kHz ZF
Empfindlichkeit: 2 uV bei 10 dB S+N/N
50 Ohm Antenneneingang
AM Empfang mit Schwundregelung;
SSB+CW Empfang mit BFO und manueller HF Regelung
Lautsprecherbetrieb ca. 1 Watt an 4 Ohm
Netzbetrieb ca. 40 Watt Leistungsaufnahme
Gewicht: ca. 3.5 kg
3.) Elektronik:
Multiplikative Mischstufe mit Oszillator im Gitter-Kathodenkreis, einfacher Antennenkreis an Gitter 3 der Röhre 6BE6 = EK90.
1. ZF Filter mit variabler Kopplung von Reinhöfer Elektronik für 455 kHz (im Foto sind noch Filter eines uralt Radio von 1934 eingebaut.)
ZF Verstärker mit Handregelung und der Röhre 6BA6 = EF93.
2. ZF Filter wie oben.
Demodulatorstufe mit einer 6AV6 = EBC91 Röhre. Eine Diode für AM Demodulation, Diode 2 für die Schwundregelung und relative Feldstärkeanzeige. Triode für NF Vorverstärkung.
NF Endstufe mit der Röhre 6AQ5=EL90 welche einen kleinen Ausgangstransformator (4000 - > 4 Ohm) treibt.
BFO im ECO Prinzip mit der Röhre EC92 und kleinem L/C Verhältnis für grosse Frequenzstabilität.
230V Netzteil mit Kleintrafo 6.3V 2,5 A und 130V, 130mA; Sicherung, Hauptschalter und Stabilisatorröhre für 150 Volt. Alle Röhrenspannungen ausser NF Endstufe sind mit 150 V stabilisiert. (Modifikation auf 105 Volt für Oszillatoren vorgesehen sofern die erreichte Stabilität verbessert werden muss.)
Die Verdrahtung ist freitragend, Massepunkte sind an den Röhrensockeln mittels Lötösen angebracht.




4.) Spezielles: - Frequenzkonzept: Oszillatorfrequenz = Eingangsfrequenz (von der Antenne kommend) + Zwischenfrequenz des Empfängers
- Zuerst soll der Empfänger für anspruchslosen 80m CW Empfang einwandfrei und stabil funktionieren.
- Spulen habe ich aus meiner Junkbox entnommen. Wichtig ist deren Abstimmbarkeit, Befestigung auf dem Chassis, evtl. Abschirmung und die Bewickelbarkeit.
- Stiefelkörper mit und ohne Kammern bewährten sich. Als Draht habe ich 0.4mm CuL verwendet.
- Oszillatorspulen mit Abgriff für ECO - Schaltung benötigen einen Abgriff vom kalten Ende her, in der Grössenordnung 1/3 bis ΒΌ der Gesamtwindungszahl. So ist ein sicheres Anschwingen des Oszillators gewährleistet.
Weitere Ausbaustufen sind: - Keramikfilter für 2,4 kHz SSB Empfang
- S-Meter Anzeige
- verbesserte Schwundregelung
- Produktdetektor im NF Teil,
- evtl. 9MHz Quarzfilter in der ZF;
Ich habe den Empfänger von "hinten" her aufgebaut.
Zuerst also das Netzteil, die Gleichrichtung, Siebung, 150V Stabilisierung, NF Endstufe, NF Vorstufe, ZF Filter und ZF Verstärker, BFO und Mischstufe.

5.) Betrieb:
Der 478 kHz ZF Verstärker mit dem NF Teil bringt eine Empfindlichkeit von 7uV bei 10 dB S+N/N.
Nach Erstellung der Mischstufe und des Antennenkreises, funktionierte der Empfänger bereits.
Nach Abstimmung der ZF und des Eingangsfilters auf maximale Lautstärke erreicht der Empfänger eine Empfindlichkeit von 2 uV an 50 Ohm für 10 dB S+N/N.
Die uralt ZF Filter haben eine optimale Uebertragung bei 478 kHz.
Hilfsmittel: einfaches Multimeter; Stationsempfänger und Griddipmeter.
Zusatzhilfsmittel zur Vereinfachung der Arbeiten, jedoch nicht zwingend notwendig:
Oszilloskop; LCR-Messgerät; Signalgenerator; NF-Milivoltmeter; Frequenzmesser.





6.) Spulendaten

Spule Kern / Typ Wickeldaten
BFO 478 kHz Amidon T68-2 (rot) 38uH 54 Anzapfung bei 20 Wdg
Oszillator Körper mit Ferritkern 60Wdg=38uH; Anz.17Wdg
Antenneneingangskreis Dito 60Wdg=38uH
ZF Filter Reinhöfer 47.01  

Zusammfassung RX: RX für 80m 3.5-3.8 MHz
Einfachsuper mit 455 kHz ZF und BFO
HF 6AU6
Mischer EK90
ZF 6BA6
NF EBC91 + EL90
BFO EC92
Stabi OA2
Die folgenden Fotos zeigen den schon weiter oben angesagten Sender, passend zu diesem Empfänger.
In Kürze werden Baubeschreibung und Schaltung zu diesem Sender folgen - sie werden hier, auf dieser Seite, weiterführend gezeigt.










Zusammfassung TX: TX für 80m 3.510-3.570 MHz
CW ; 14Watt output
ECO Oszillator mit 6AU6
PA mit 2E26
Stabi OA2
Marco Bonaconsa
CH-8426 Lufingen

Zurück zur Hauptseite