






| Menge | Wert | Bauteile |
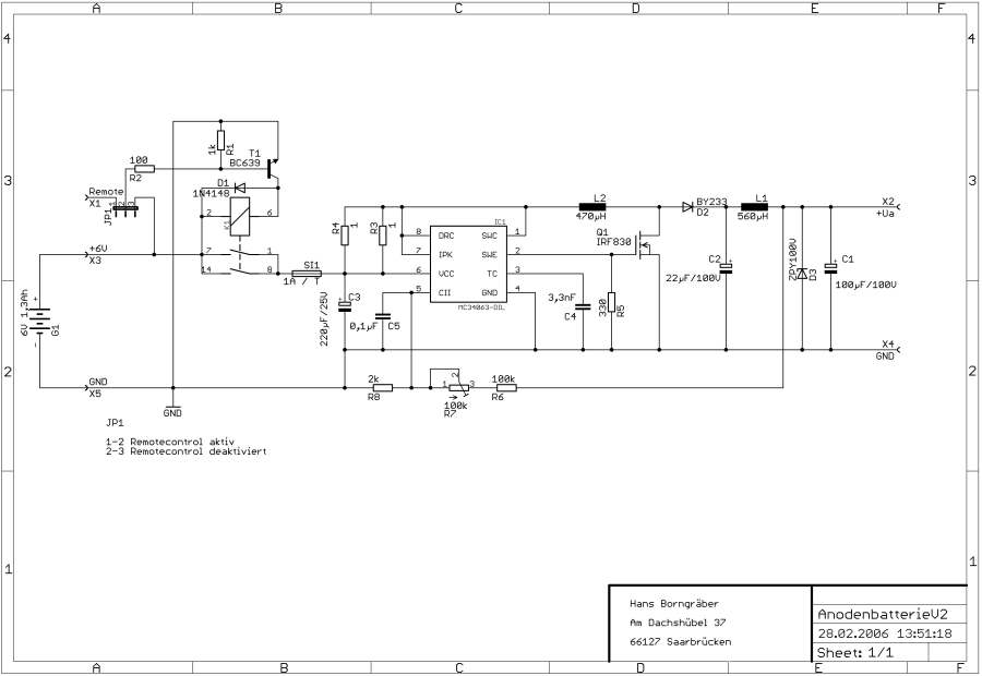
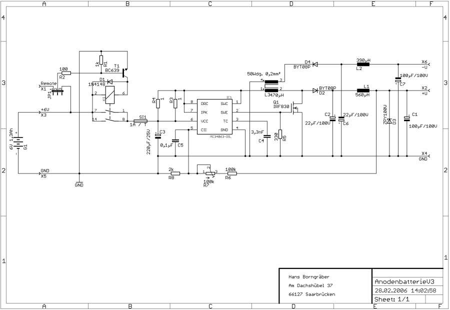
| 1 | 100µF/100V | C1 |
| 1 | 22µF/100V | C2 |
| 1 | 220µF/25V | C3 |
| 1 | 3,3nF | C4 |
| 1 | 0,1µF | C5 |
| 1 | 1N4148 | D1 |
| 1 | BY233 | D2 |
| 1 | ZPY100V | D3 |
| 1 | Akku 6V 1,3Ah Panasonic | G1 |
| 1 | MC34063-DIL | IC1 |
| 1 | Jumper 3polig | JP1 |
| 1 | Meder Dual Inline Relais DIP05-2A72-21L | K1 |
| 1 | 560µH Reichelt 09P560µ | L1 |
| 1 | 470µH Reichelt 09P470µ | L2 |
| 1 | Mosfet IRF830 | Q1 |
| 1 | 1k | R1 |
| 1 | 100 | R2 |
| 2 | 1 | R3, R4 |
| 1 | 330 | R5 |
| 1 | 100k | R6 |
| 1 | Trimmer 50k | R7 |
| 1 | 2k | R8 |
| 1 | Sicherung 1A / T | SI1 |
| 1 | BC639 | T1 |
| 1 | 6fach Klemme 5mm Raster | X1...X5 |
| 1 | Gehäuse Teko 373 106x50x26mm Reichelt TEKO373 |

