Roehrentester
Roehrentester
werden heute nicht mehr gebaut also ist Selbstbau angesagt. Das Konzept meines Testers geht über den reinen
Emissionstest hinaus, es ist eine echte Aufnahme der Kenndaten einer Röhre
möglich. Er besteht aus einer Stromversorgung und einer Testeinheit. Die
Stromversorgung wurde separat aufgebaut damit sie auch zum testen von
Versuchsschaltungen verwendet werden kann.
Es werden
insgesamt 5 verschiedene Spannungen erzeugt :
-
Ua (0-330V / 200mA)
-
Ug2 (0 - 250V / 40mA)
-
Ug- (1,25 - 60V / 40mA)
-
f~ (1,3 - 6,3V ~ / 3A)
-
f= (1,25 - 30 V / 1A)
Alle Spannungen
sind Kurzschlussfest. Das Netzgerät wurde wie schon erwähnt separat aufgebaut
und dient auch als Experimentier Netzteil.
Es ist unbedingt
auf qualitativ hochwertige Bauteile zu achten vor allem die Potis werden im
Kurzschlussfall enorm belastet. Die Spannungsregler müssen mit ausreichend
großen Kühlkörpern versehen werden (s.Foto). Der eingesetzte Trafo wird von der
Firma Bürklin vertrieben. Das IC VB408 befindet sich im Conrad Lieferprogramm.

Folgende Tests
können ausgeführt werden :
-
Röhrensysteme
auf Schluss testen
-
Heizung
prüfen
-
Anodenstrom
Messung Ia
-
Ig2 messen
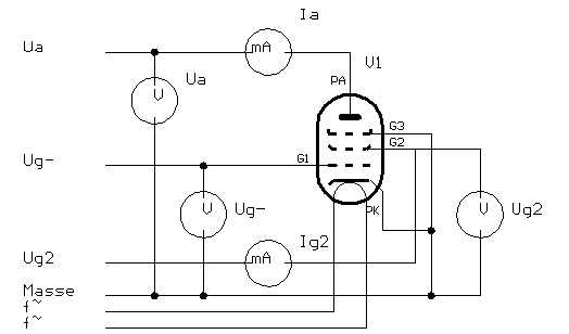
Die Drehschalter
dienen dazu an jeden Pin der Röhrenfassung eine der Spannungen an zu legen.
Welche Spannung an welchen Pin angelegt wird ist von der Beschaltung der Röhre
abhängig und richtet sich nach den Messanordnungen.

Messanordnung Pentode

Messanordnung Triode
Excel Tabelle mit
Beispielen :
|
Schalterstellungen Roehrentester |
|||||||||||
|
|
|
|
|
|
|
|
|
|
|
|
|
|
|
|
|
|
|
|
|
|
|
|
|
|
|
|
S1 |
S2 |
S3 |
S4 |
S5 |
S6 |
S7 |
S8 |
S9 |
S10 |
Sockel |
|
EL34 |
Masse |
f~ |
Ua |
Ug2 |
Ug- |
Masse |
f~ |
Masse |
Masse |
6,3V |
Oktal |
|
EL84 |
offen |
Ug- |
Masse |
f~ |
f~ |
offen |
Ua |
offen |
Ug2 |
6,3V |
Noval |
|
ECC83 System 1 |
offen |
offen |
offen |
offen |
f~ |
Ua |
Ug- |
Masse |
f~ |
6,3V |
Noval |
|
ECC83 System 2 |
Ua |
Ug- |
Masse |
f~ |
offen |
offen |
offen |
offen |
f~ |
6,3V |
Noval |
|
6SN7GT System 1 |
Ug- |
Ua |
Masse |
offen |
offen |
offen |
f~ |
f~ |
offen |
6,3V |
Oktal |
|
6SN7GT System 2 |
offen |
offen |
offen |
Ug- |
Ua |
Masse |
f~ |
f~ |
offen |
6,3V |
Oktal |
|
6V6GT |
offen |
f~ |
Ua |
Ug2 |
Ug- |
offen |
f~ |
Masse |
offen |
6,3V |
Oktal |
(Die Tabelle wird in der nächsten Zeit ständig erweitert.)
Die Drehschalter
sind Standard Schalter der Firma Reichelt. Das Relais ist von Finder. Das
Relais dient zum Schutz des Netzgerätes, sollten Röhren mit Kurzschluss
eingesetzt werden.
Als Messgeräte für
Spannung und Strom können entweder externe Multimeter oder Panelmeter verwendet
werden. Es ist darauf zu achten das sie entsprechend hochohmig sind (>=
10MegOhm).
Ein Röhrentest
sollte in folgenden Schritten ablaufen :
-
Kurzschluss
Test
-
Heizungstest
-
Prüfen der
Kenndaten
Die Reihenfolge
muss unbedingt eingehalten werden.
-
Drehschalter
gemäss Exceltabelle oder laut Datenblatt einstellen
-
Röhre
einsetzen
-
Heizungsschalter
auf AUS stellen
-
Netzgerät
einschalten
-
Kurzschlusstestschalter
betätigen
Es müssen alle 4
Leuchtdioden aufleuchten dann ist die Röhre O.K. Leuchtet eine der Leuchtdioden
nicht liegt ein Systemschluss vor oder ein Schalter steht falsch. Dann darf auf
keinen Fall weiter getestet werden.
-
Mit dem
Heizungswahlschalter die richtige Heizspannung wählen oder über die
Gleichspannungsregelung einstellen.
-
Heizungsschalter
auf EIN und das aufheizen der Röhre abwarten
Sollte die Röhre
nicht heizen hat sie einen Defekt und man kann den Test abbrechen.
Dieser Test darf
erst dann durchgeführt werden wenn die beiden anderen Test erfolgreich waren.
Um die Kenndaten
der Röhre zu prüfen benötigt man das Datenblatt der Röhre.
Die beste Quelle
für Datenblätter im Web befindet sich hier :
-
die
Spannungen gemäss Datenblatt einstellen
-
Heizschalter
auf EIN
-
Testschalter
auf EIN
-
Nun können an
einem Messgerät die entsprechenden Ströme abgelesen werden und mit dem
Datenblatt verglichen werden.
Verändert man die
Einstellungen nicht können nun auch Röhren Paare ausgemessen werden.
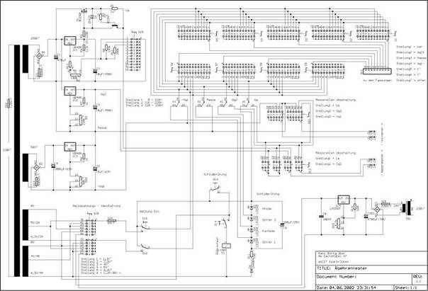
Schaltbild Roehrentester (Auf Bild klicken
für PDF Datei)
Zur Zeit gibt es
„nur“ Baustellen Foto’s




|
Nummer |
Wert |
Nummer |
Wert |
|
B1 |
B400
/ C1000 |
R4 |
1,3k
1% |
|
B2 |
B400 / C1000 |
R5 |
100k |
|
B3 |
B250 / C2200 |
R6 |
100k |
|
C1 |
470µF/400V |
R7 |
1k |
|
C2 |
10µF/450V |
R8 |
220k |
|
C3 |
10µF/450V |
R9 |
1k |
|
C4 |
1000µF/63V |
R10 |
50k |
|
C5 |
10µF/63V |
R11 |
180 |
|
C6 |
100µF/25V |
R12 |
200k |
|
C7 |
4700µF/40V |
R13 |
47 |
|
C8 |
100nF/100V |
R14 |
220 |
|
D1 |
ZPY15 |
R15 |
4,7k |
|
D2 |
LED 5mm rot |
S1 |
1x12
Reichelt |
|
D3 |
LED 5mm rot |
S2 |
1x12
Reichelt |
|
D4 |
LED 5mm rot |
S3 |
1x12
Reichelt |
|
D5 |
LED 5mm rot |
S4 |
1x12
Reichelt |
|
D6 |
1N4004 |
S5 |
1x12
Reichelt |
|
IC1 |
VB408/Conrad |
S6 |
1x12
Reichelt |
|
IC2 |
VB408/Conrad |
S7 |
1x12
Reichelt |
|
IC3 |
VB408/Conrad |
S8 |
1x12
Reichelt |
|
IC4 |
LM350T/Conrad |
S9 |
1x12
Reichelt |
|
K1 |
Relais / Finder
4xUm |
S10 |
2x6
Reichelt |
|
R1 |
2,7 |
S11 |
2x6
Reichelt |
|
R2 |
1k |
S12 |
4x3
Reichelt |
|
R3 |
220k |
S13 |
1xEin |
|
SV1 |
9pol. Steckerleiste |
S14 |
1xEin |
|
T1 |
BUZ80 |
S15 |
1x12
Reichelt |
|
T2 |
BC547 |
S16 |
2xUm |
|
TP1 |
2
x Buchse 4mm |
SI1 |
500mA/T |
|
TP2 |
2
x Buchse 4mm |
SI2 |
1,5A/T |
|
TR1 |
24
V / 1 A |
SI3 |
500mA/T |
|
TR2 |
NTR
150/Bürklin |
SI4 |
6A/T |
|
KK1-3 |
Alukühlkörper |
SI5 |
1,5A/T |