KT88 - Parallel-Single-End - Amp
von Christoph Lassok



Im Herbst 2004 habe ich beschlossen, dass ich noch einen Verstärker bauen werde. Der Neue sollte etwas mehr Leistung aufbringen als seine Vorgänger. Er sollte ein PSE-Amp mit den KT88-Röhren werden. Die passenden Überträger habe ich bei Gerd Reinhöfer bestellt.


Unklar war noch, wie ich die Treiberstufe dimensioniere und das Netzteil aufbaue.
Als nächstes habe ich ein provisorisches Chassis angefertigt, um die verschiedenen Treiberstufen testen zu können. Viele Varianten mit unterschiedlichen Röhren habe ich ausprobiert. Die Ergebnisse waren immer, im Bezug auf den erzielten Klang, gut bis sehr gut. - Bis auf die Tatsache, dass immer ein kleines Restbrummen zu hören war. Es war nicht viel, man musste schon mit dem Ohr direkt an den Lautsprecher kommen. Sollte aber nicht sein.
So habe ich viele Stunden Musik gehört, aber ständig mit dem Gedanken im Kopf, dass das Brummen da ist - bis ich beschlossen habe die Ursache zu finden und zu beseitigen. So schnell sollte mir das aber nicht gelingen, wie sich später herausstellte. Falsche Massenführung bzw. nicht fachgerechter Aufbau habe ich von vornherein ausgeschlossen. Das war schließlich nicht mein erster Verstärker.
Als erstes habe ich die CLC-Siebkette um ein zusätzliches LC-Glied erweitert. Das hat das Brummen etwas minimiert, aber nicht behoben.

Wieder sind aus Zeitmangel ein paar Wochen vergangen. Ich baue meine Verstärker nur in der Freizeit, und die ist immer knapp. Dann wollte ich noch wissen, wie sich das ganze verhält, wenn ich das LC-Glied durch eine Spannungsstabilisierung, die mit MOSFET-Transistoren aufgebaut wurde, ersetze. Das Resultat war dasselbe: Brummen etwas minimiert, aber nicht ganz weg.
Eine andere negative Erscheinung konnte ich dabei beobachten: Die Schwingungen, die im Ausgangsüberträger entstehen, waren stärker ausgeprägt. Das sieht man deutlich, wenn man sich das Rechtecksignal auf dem Osziloskop anschaut. So bin ich wieder zur CLCLC-Siebung zurückgekehrt.

Zweiter Versuch, Umstellen von Wechselspannungsheizung auf Gleichspannungsheizung: Statt erhoffter Verbesserung, noch lauteres Brummen hörbar. Das hat mir mehr zum Denken gegeben. Die Ursache für das Brummen lag woanders.
Nach längerer Pause bin ich zu dem Entschluss gekommen dass ich alles von vorne systematisch überprüfen muss, sonst finde ich die Ursache nie.
Zu diesem Zeitpunkt waren die Endröhren mit einer SRPP-Stufe (ECC82) befeuert. Und diese wiederum mit der Hälfte einer ECC82. Das hat auf Grund der niedrigen Verstärkung der ECC82-Röhren das geringste Brummen verursacht.
So habe ich als erstes die Vorstufenröhren entfernt. Das Resultat: Keine nennenswerte Brummminderung. Zweiter Schritt, Entfernung der SRPP-Stufen. Es brummte weiter. Das darf nicht war sein!
Als nächstes Anodenspannung abgeklemmt, das heißt der ganze "Verstärker" bestand aus KT88-Röhren, die mit Gleichstrom geheizt wurden, und dem Ausgangsüberträger. Es brummte immer noch weiter!

Jetzt war die Sache klar. Der Ringkerntrafo strahlte in die Ausgangsüberträger hinein. Das erklärte auch, warum es stärker mit der Gleichstromheizung brummte. Das Trafo war durch den Gleichrichter und die großen Elkos stark belastet.
Zu lange habe ich an die Streuarmut von Ringkerntrafos geglaubt. Ab diesem Moment war ich auf alle Ringkerntransformatoren der Welt schwer beleidigt.
Schnell eine Email geschrieben und einen neuen Trafo mit "viel Eisen" war bestellt.
Bevor ich in dem Chassis die Löcher gebohrt habe, wurde der Trafo hin und her gedreht, bis sich die geringsten Brummgeräusche ergaben. Nach erneuter Umstellung von DC- auf AC-Heizung war das Brummen in meinen JBL-Boxen (89 dB) nicht mehr hörbar.

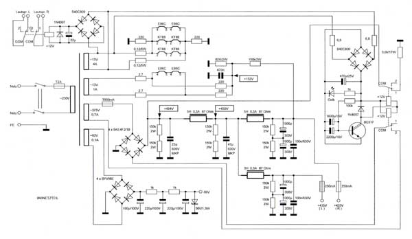
Das Netzteil:

Schaltbild Netzteil
Durch anklicken mit der Maustaste wird das Schaltbild in Originalgrösse angezeigt

Jetzt konnte ich mich noch einmal auf die Treiberstufe konzentrieren. Nach ein paar Versuchen habe ich mich schließlich für eine SRPP-Stufe mit den E86C-Röhren entschieden. Auch die ECC99-Röhre hat mir sehr gut gefallen.
So langsam hat die Schaltung ihre endgültige Form angenommen. Dass das Netzteil eine sehr wichtige Rolle spielt und sich stark auf den Klang auswirkt ist bekannt. Möchte man wirklich kein Brummen haben, muss die Anodenspannung gut gesiebt werden. Für SE-Varianten ist eine einfache CLC-Siebung meist unzureichend. Die Wechselstromheizung reicht für einen zweistufigen Verstärker aus. Die ersten zwei Kondensatoren in der Siebkette haben niedrige Werte, weil die 375 V vom Trafo zu viel sind. Die Spannung sollte etwa um 10 - 15 V niedriger sein, dann kann man höhere Werte nehmen (max. 100uF).
Alle drei Siebdrosseln haben die gleichen Werte. Durch die erste Drossel fließen 385 mA. Dadurch sinkt die angegebene Induktivität von 5 H auf einen niedrigeren Wert. An dieser Drossel werden etwa 13 Watt Leistung in Wärme umgesetzt. Man muss dafür sorgen dass sich kein Hitzestau bildet.
Eine bessere Lösung wäre es eine größere Drossel zu wählen, mit kleinem Gleichstromwiderstand. Dafür war leider kein Platz da.
Die Anodenspannung wird mit Verzögerung zugeschaltet. Das schont die Röhren. Nach dem Abschalten werden alle Kondensatoren durch den 5,6 k/17W-Widerstand in wenigen Sekunden entladen.
Über den 2 x Um-Relais, oben links im Schaltplan, werden die Lautsprecher nach dem Abschalten kurzgeschlossen, um den Ausschaltknack zu unterdrücken.

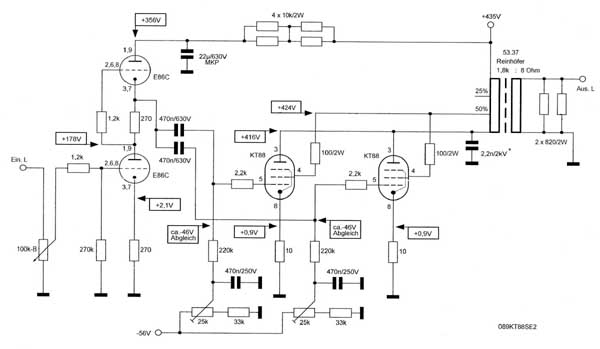
Die Endstufe:

Schaltbild Endstufe
Durch anklicken mit der Maustaste wird das Schaltbild in Originalgrösse angezeigt

Die Ausgangsleistung beträgt 2 x 27 W (Clippinggrenze) bei 1 kHz, Ausgang durch 8,2 Ohm Drahtwiderstand geschlossen.
Der Frequenzgang erstreckt sich < 10 Hz - 37000 Hz (- 3dB) und ist von oben durch den 2,2 nF-Kondensator begrenzt. Dieser mindert die Schwingungungen die in den Ausgangsüberträgern entstehen.


Jede Endröhre hat eine separate Ruhestromeinstellung. Dadurch muss man keine gematchten Röhren einsetzen.
Am Ausgangsüberträger habe ich die 50%-Anzapfung gewählt. Läuft aber auch mit 25 % gut. - Beim Umlöten immer Ruhestrom neu einstellen! Welche Anzapfung im Bezug auf K besser ist, muss erst ausgemessen werden. Leider fehlen mir dazu die Messgeräte.
Das Gehäuse ist aus Edelstahl, die Seiten aus hellem Buchenholz. Das Gerät wiegt 28 kg.
Lange hat es gedauert bis der Amp fertig geworden ist, aber die Mühe hat sich gelohnt. Dieser Verstärker liefert einen ausgezeichneten Klang und ist der Stern in meinem HiFi-Equipment.






















Ein paar zusätzliche Bilder werde ich bald auf meiner Homepage www.dh1cl.homepage.t-online.de platzieren.

Gruß
Christoph Lassok DH1CL

Jochen möchte ich danken, dass er dieses Projekt auf seiner Web-Seite veröffentlicht.

Nachtrag:
Hallo Jochen,
hier noch die Platinen zu dem KT88-PSE-Verstärker. Die Platine Nr.017 muss zweimal gemacht werden (einmal spiegelbildlich), für den linken und rechten Kanal.

Platine 011: Heizspannung 12,6V, Stabilisierte G1-Spannung, Relais für Ausschaltknack-Unterdrückung.

Platine 011

Schaltbild Endstufe
Durch anklicken mit der Maustaste wird das Bild in Originalgrösse angezeigt


Platine 015: Anodenspannung-Gleichrichter, verzögerte Anodenspannung-Zuschaltung.

Platine 015

Schaltbild Endstufe
Durch anklicken mit der Maustaste wird das Bild in Originalgrösse angezeigt


Platine 016: Siebelkos für beide Kanäle, 250mA - Sicherungen.

Platine 016

Schaltbild Endstufe
Durch anklicken mit der Maustaste wird das Bild in Originalgrösse angezeigt


Platine 017: NF-Platine (2 mal)

Platine 017

Schaltbild Endstufe
Durch anklicken mit der Maustaste wird das Bild in Originalgrösse angezeigt


Platine 019: Ladekondensator 22µf/630V und der erste Siebkondensator 47µF/630V.

Platine 019

Schaltbild Endstufe
Durch anklicken mit der Maustaste wird das Bild in Originalgrösse angezeigt


Gruss, Christoph

Zurück zur Hauptseite