Detektorempfänger
von Stefan Schmitz



Inspiriert durch Detektorschaltungen aus der Röhrenbude und dem Buch Schneider`s Selbstbaumappen, "Die besten Detektorschaltungen" von 1925, wollte ich meine eigene Schaltung entwerfen und mein Universal-Detektorradio bauen.
Drehkondensatoren und 1 mm Durchmesser HF-Litze besorgte ich mir auf dem Radio-Flohmarkt in Saarbrücken. Die Luftspule fertigte ich aus schwarzem PVC und 7 mm Durchmessr Glasröhrchen.






Da ich mit verschiedenen Spulenanzapfungen und Dioden experimentieren wollte, baute ich mir aus Pertinax, Messing, Messingschrauben und Druckfedern meine Stufenschalter selbst. Auch habe ich alle benötigten Buchsen aus Messing auf der Drehmaschine gefertigt.
Ich kann den Empfänger auch von Ein- auf Zweikreiser umschalten.

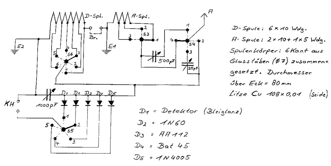
Schaltbild
(Mit der Maustaste das Bild anklicken, es wird dann in voller Auflösung dargestellt.)

Da gekaufte Germanium- und Schottky-Dioden zwar einen prima Empfang bieten, aber furchtbar langweilig sind, beschloß ich zum Schluß, meine eigenen Detektoren zu bauen.
Den ersten, waagerecht liegenden, baute ich eigentlich nur schnell zusammen um Erfahrungen mit Bleiglanz und Graphit zu sammeln.


Er funktionierte auf Anhieb, so daß ich dann die "Edelausführung" in Angriff nahm. Das Ergebnis seht ihr auf den folgenden Fotos :




Er steht in seiner Leistung den gekauften Dioden in nichts nach. Außerdem passt er optisch zum Rest des Radios.
Die Graphitspitze fertigte ich aus einer Bleistiftmine, die ich auf einem Arkansasstein vorgeschliffen habe und anschließend auf Seidenpapier und zum schluß auf Tempo-Taschentuch poliert habe. Die Spitze steckt mit ihrem Schaft in einer 2mm Durchmesser Druckfeder, die wiederum mit der Stellschraube verbunden ist. Die Aufnahme des Kristalles ist exzentrisch gelagert, so daß ich mehrere Stellen abtasten kann.
Wie schon gesagt, er funktioniert hervorragend und ist zudem relativ stabil gegenüber Erschütterungen. - Wer kleine Kinder hat, wird wissen wovon ich rede....


Viel Spaß beim Anschauen und eventuellen Nachbau,
Euer "Drehko-Stefan"

Zurück zur Hauptseite