ECC82-Radio
von Stefan Schmitz


Diese Schaltung verwendete Stefan für seinen Empfänger, er fand die Schaltung im Internet und passte sie für seine Bedürfnisse an.
Die beiden hier verwendeten Drehkos, der Spulenschieber, die Flachspulen, das Gehäuse, die Knöpfe für Drehko und Schalter bzw. für den Spulenschieber, die Messingkappen für die Elkos und über den AÜ - alles wurde von Stefan in Handarbeit hergestellt.

Der hier verwendete Spulenschieber wurde von mir bereits auf Stefans Seite Selbstbau-Drehko in 'Leserprojekte' ausführlich gezeigt.

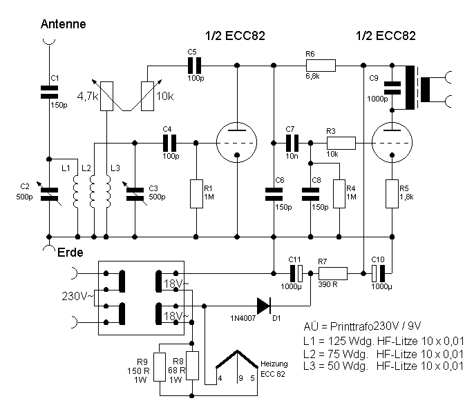
Schaltbild
(Mit der Maustaste das Bild anklicken, es wird dann in voller Auflösung dargestellt.)

Die Schaltung zeigt einen so genannten Geradeaus-Empfänger, aufgebaut mit der Zweifach-Triode ECC 82.
Das erste Röhrensystem der ECC82 ist als rückgekoppeltes Audion geschaltet. Das Audion demoduliert das amplitudenmodulierte HF-Signal und verstärkt gleichzeitig das dabei entstehende NF-Signal. Der aus Spule L2 und Drehko C3 bestehende Audion-Schwingkreis liegt über C4 am Gitter; R1 ist der Gitter-Ableitwiderstand. Die Kathode ist unmittelbar mit Masse verbunden.
Drehko C1 und Spule L1 bilden den Antennen-Schwingkeis. Die von der Antenne kommenden Empfangssignale werden von Spule L1 in Spule L2 des Audion-Schwingkreises induziert. Über C1, P1/P2 und die dritte Spule L3 wird ein Teil des hochfrequenten Anteils zum Audion-Kreis zurückgeführt. Dieses Signal ist normalerweise mit dem HF-Signal am udion-Schwingkreis (L2/C3) in Gegenphase. Da aber L3 zu L2 gegenläufig geschaltet ist, wird die Phase noch einmal um 180 Grad gedreht, sodaß die Signale wieder in Phase sind. Die Rückkopplung bewirkt eine Verstärkung des am Gitter liegenden HF-Signals, und gleichzeitig wird der Gütefaktors Q des Audion-Kreises stark angehoben.
Über C7 und R3 gelangt das demodulierte Signal zum Gitter der zweiten Triode, die als NF-Verstärker arbeitet.
C6, R3 und C8 wirken als HF-Filter, sodaß praktisch nur noch das NF-Signal übrig bleibt.
Der Kathodenwiderstand der zweiten (Ausgangs-) Triode, R5, wird nicht wie sonst üblich von einem Elko überbrückt. Die daraus resultierende Gegenkopplung ist beabsichtigt und mindert röhrenbedingte Verzerrungen.
Der Ausgangstrafo ist ein Printtrafo 230 V / 9 V, an seinem Ausgang ist ein niederohmiger Kopfhörer, etwa 16 - 32 Ω, gut geeignet (z.B. Walkman-Kopfhörer).
Wird der gleiche Printrafo verwendet wie er zur Erzeugung der Heiz- u. Anodenspannung genutzt wird, dieser dann so wie im Schaltbild erkennbar auf 36 V prim. geschaltet, so können 300 - 600 Ω-Kopfhörer verwendet werden.

Berechnungsgrundlage :
Ra einer Triodenhäfte der ECC 82 = 20 kΩ
Gewünschte Ausgangsimpedanz = 300 Ohm.
20 000 (Ω) / 300 (Ω) = 66,7 = 68
Wurzel aus 68 = 8,24 (= Übertragungsverhältnis)
230 (Netzrafo prim. Volt) / 8,24 = 27,9 = 28 Volt (Netzrafo sek. Volt)

Geht man von einer Ausgangsimpedanz von 600 Ohm aus, so erhält man nach dieser Berechnungsgrundlage 40 Volt.
Da ich von einem sek.-Voltausgang von 2 x 18 = 36 Volt ausgegangen bin, ist ein Kopfhörer von 300 - 600 Ohm Impedanz sehr gut geeignet.

~~~~~~~~~~~~~~~~~~~~~~~~~~~~~~~~~~~~~~~~~~~~~~~~~~~~~~~~~~~~~~~~~~~~~~~~~~


















Diese Flachpulen im Foto sind noch die mit CuL-Draht bewickelten Versuchsspulen. Die neuen Spulen wurden, wie im Schaltbild beschrieben, aus HF-Litze hergestellt. - Der Unterschied in Lautstärke und Trennschärfe ist enorm !




















Das folgende Bild ist der Scan eines Spulenrohlings. Er besteht aus 1,5 mm dickem Pertinax.


Das näcshte Bild zeigt eine bereits fertig gewickelte Spule mit 124 Windungen (62 Wdg. pro Seite) :


(Ich höre soeben, um 20:15 Uhr am 16. Februar, Radio China mit diesem Radio.)

Zurück zur Hauptseite