Kurzwellenaudion für AM und DRM
von Burkhard Kainka


Ich habĀ“s wollen wissen: Bekommt man ein Röhren-Kurzwellenaudion so stabil, dass es sogar für DRM taugt?
Und das ganze sollte mit 6 V auskommen, damit nur eine Spannung für Heizung an Anode nötig ist...
Da bietet sich die EL 95 an, zwar eigentlich keine HF-Röhre sondern eine Endpentode, aber mit ordentlicher Steilheit, auch bei kleiner Anodenspannung. Außerdem braucht sie nur sparsame 200 mA für die Heizung.
Alles kann mit einem kleinen Akku betrieben werden, so dass es keine Probleme mit 50-Hz-Brummen gibt.


Die Stabilität steht und fällt mit dem Schwingkreis. Also wurde eine kräftige Spule mit 20 Windungen aus 1,5 mm dickem Draht auf ein PVC-Rohr mit 18 mm Durchmesser gewickelt. Mit kurzen Verbindungen zum Luftdrehko erhält man eine hohe Leerlaufgüte weit über 300.
Auch alle anderen Verbindungen sind sehr stabil ausgelegt. Nichts darf wackeln oder mechanisch schwingen. - Sogar die Röhre wurde an ihrem Glasstutzen schwingungsdämpfend abgestützt.



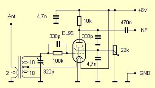
Die Schaltung zeigt ein ECO-Audion mit Rückkopplung über die Kathode. Über die Schirmgitterspannung stellt man die Rückkopplung ein.
Am Ausgang liegt ein Anodenwiderstand, an dem die NF-Signalspannung kapazitiv ausgekoppelt wird. Mehr Verstärkung ist nicht nötig. Die Spannung reicht für den direkten Anschluss an den Line-Anschluss der PC-Soundkarte. Zur Verbindung wird ein abgeschirmtes Kabel verwendet.


Am kalten Ende des Schwingkreises liegt eine Antennenspule mit zwei Windungen. Die Antenne ist damit sehr lose angekoppelt, was für eine gute Stabilität wichtig ist.
Und so sind auch die Ergebnisse. Trotz der offenen Bauweise driftet die Frequenz weniger als 1 Hz pro Minute. So muss es sein, wenn man DRM empfangen will.
Die Rückkopplung sollte stark angezogen werden, das Audion arbeitet dann wie ein Direktmischer oder wie eine selbstschwingende Mischstufe.
Übrigens lässt sich die Frequenz mit dem untersetzten Drehkotrieb leicht einstellen. Mit dem Programm "DREAM" sieht man jedes starke DRM-Signal und kann es auf 12 kHz bringen.
In einzelnen Fällen hat es sich als günstig erwiesen, etwas höher oder tiefer abzustimmen, um Spiegelstörungen aus dem Weg zu gehen. In diesem Punkt ist der Empfänger sogar einem quarzstabilen DRM-Empfänger überlegen.


Das Bild zeigt DREAM beim Empfang von RTL DRM 2 auf 5990 kHz.

Insgesamt konnten sechs verschiedene DRM-Frequenzen im 49- und 41-m-Band empfangen werden.
Aber wenn mal keine guten DRM-Stationen vorhanden sind, kann der Empfänger auch AM-Sender aufnehmen. Die Rückkopplung muss nur weiter zurück gedreht werden. Der PC darf dann aus bleiben, denn nun reicht eine direkte Verbindung zur PC-Aktivbox.
Am Abend macht AM-Rundfunk viel Spaß, besonders mit diesem Empfänger, dessen Bau weniger als zwei Stunden gebraucht hat.


Nachtrag :
Mein eigener kleiner DRM-Empfänger (auch eine Entwicklung von Burkhard), mit einem 6-MHz-Quarz fest auf die Sendefrequenz von RTL eingestellt, mit dem IC SA612AN (Philips) bestückt, zeigt das folgende Bild und die dazugehörige Schaltung, nachfolgend das Empfangsspektrum, welches mir DREAM anzeigt.








Ein Link zu Burkhards DRM-Seite zeigt diesen kleinen Empfänger (und vieles mehr), u.a. auch eine Bezugsadresse woher man ihn beziehen kann.

Zurück zur Hauptseite