
Hallo ,
Hier wie versprochen der Bericht über den Zweikreiser.
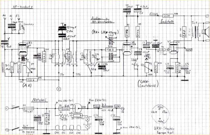
Schon seit längerem interessiert ich mich für die Bücher von Heinz Richter. Sowohl in "Radiobasteln für Jungen"(1963) als auch in "Radiotechnik für alle - Praxis durch Selbstbau"(1952) ist ein Zweikreiser beschrieben. Diesen habe ich etwas abgewandelt und statt mit amerikanischen Röhrentypen (1952) bzw. UF41, UF42, UL41 (1963) habe ich diesen mit CF3, CF7 und CL4 aufgebaut. Als Gleichrichter dient stilecht eine CY1.
Einige werden jetzt nicht mit mir übereinstimmen, ich hab das Gerät wie auch im Original-Bauvorschlag beschrieben als Allstromgerät gebaut. Ich weiss allerdings über die Gefahren Bescheid und weiss was zu tun ist.
AN EVENTUELLE NACHBAUER: Wie man im Schaltplan erkennen kann, liegt ein Netzpol über Dr.1. am Chassis. Ist dieser Netzpol zufällig der Außenleiter, liegen volle 230 V niederohmig am Chassis, und auch an den metalliesierten Röhrenkolben, dem Drehko, dem Lautsprecher... Auch beim Ausschalten kann kurz Spannung anliegen, wenn der eine Schalterkontakt früher öffnet. Also BITTE sehr aufpassen, OK? Und nur über Trenntrafo betreiben.
So. nach dieser Belehrung, die ich aufgrund der hohen Besucherzahl der Röhrenbude für nötig halte, eine Erklärung der Schaltung.
![]() |
![]() |
| Netzschalter / Ug Vorröhre | Netzfilter |
Der doppelpolige Netzschalter ist am Poti montiert. Darauf folgt die obligatorisch Netzsicherung von 315 mA Flink. Diese wurde nach der Auslösekennlinie ausgewählt. Es ist nämlich keineswegs so das eine 315 mA Sicherung bei 316 mA durchbrennt. Nein, beim 1,5fachen Nennstrom braucht sie noch min. 1 Stunde, beim doppelten immernoch 2 min. Erst beim 3-5 fachen Strom brennt sie schnell durch. Daher ist auch der Einschaltstrom von ca. 500 mA kein Problem, und man erhält dennoch die bestmögliche Sicherheit. Dr.1 und C1 bilden ein einfaches Netzfilter, das einerseits Störungen von Schaltnetzteilen etc. fernhält, andererseits die HF des ev. schwingenden Audions am Eintreten ins Netz hindert.
Es ist sehr wichtig für C1 einen X2-Typ zu nehmen(wie auf dem Foto zu sehen), da andere nicht für Betrieb an Netzspannung geeignet sind. Nur diese Kondensatoren halten die Impulse auf der Netzleitung von teilweise einigen kV sicher aus und sind auch brandsicher im Fehlerfall.
Die Röhren werden mit 200 mA in Serie geheizt. Die Heizdaten sind:
| Röhrentyp | Heizspannung | Heizstrom |
| CF3 | 13 V | 200 mA |
| CF7 | 13 V | 200 mA |
| CL4 | 33 V | 200 mA |
| CY1 | 25 V | 200 mA |
| Skalenlampe | 3,5 V | 200 mA |
| Summe | 87,5 V | 200 mA |
Rechnerisch wäre also ein Heizkreis-Vorwiderstand von (230 - 87,5) V : 0,2 A = 142,5 V : 0,2 A = 712.5 Ohm nötig
Leider muss dieser sehr belastbar sein, und sollte auch optisch zu einem Röhrengerät passen, da er eben oberhalb des Chassis montiert ist.
Eine gut aussehende Serie mit 72 W Belastbarkeit fand ich bei RS-Components, allerdings waren nur die Werte 470 Ohm und 1 kOhm erhältlich. Da errinerte ich mich an einen Eisenwasserstoffwiderstand 39 - 117 V 0,19 A den ich einmal günstig bei Ebay erworben habe.

Ein Eisenwasserstoffwiderstand besteht aus einem dünnen Eisendraht in einer verdünnten Wasserstoffatmosphäre. Da Eisen einen recht hohen PTC-Effekt hat, wird der Strom stabiliesiert. Das funktioniert folgendermaßen:
Wenn sich die Spannung erhöht, wird der Draht heisser. Dadurch steigt sein Widerstand und der Strom sinkt, und umgekehrt, so wird der Strom recht konstant gehalten innerhalb des Regelbereichs.
Hier fallen am Heizkreisvorwiderstand 470 Ohm * 0,2 A = 94 V ab. Also bleiben hier für den EW 48,5 V. Das ist nicht optimal, aber in Ermangelung eines passenden Vorwiderstands tolerabel. Außerdem muss auch der Einschaltmoment beachtet werden, wo der Gesamtwiderstand der Röhrenheizungen 76 Ohm beträgt. Damit haben wir 546 Ohm Vorwiderstand vor dem EW, der sehr schnell auf Betriebstemperatur kommt und daher recht schnell den Strom auf 0,2 A begrenzt. Also fallen dort 109 V ab, womit der EW 121 V abbekommt, das ist hart an der Grenze seiner Belastbarkeit, was er auch mit sichtbarem Glühen des Drahtes zeigt, wenn die Röhren warm sind ist nur in dunkler Umgebung eine leicht rötliche Stelle zu sehen.
R2,V4 und C2 (a+b) bilden das Anodennetzteil. Da ich CRC-Siebung nutze, erhalte ich ca. 210 V DC am Ausgang an.
Da man bei Aussenkontaktröhren mit Quetschfuß bedenkenlos freie Fassungskontakte als Lötstützpunkt nutzen kann(bei Pressglassockeln ist das NICHT möglich, da offene Pins oft das System tragen, und die Konstruktion ist von Hersteller zu Hersteller verschieden), kam ich im Netzteilbereich ohne Lötleisten aus. Direkt am Poti unter dem Elko sieht man einen dicken 100 k Widerstand. Diese Kombination erzeugt mit P1 zusammen die Regelspannung von -2 .. -22 V für die HF-Vorstufe. Die CF3 hat eine Regelkennlinie, so das man damit den HF-Pegel wunderbar steuern kann.
![]() |
![]() |
| Heiz-R / EW / Gleichrichter | Verdrahtung |
Die Endstufe mit V3 bietet keine Besonderheiten, ausser das G2 wegen der nun etwas niedriger als gedachten Ub direkt an der postiven Betriebsspannung liegt. Das Siebglied R4/C5 entfällt.
Beachtenswert ist, das die CL4 NICHT der AL4 entspricht, einerseits besitzt sie eine Gitterkappe, andererseits ist sie niederohmiger, um auch an geringerer Ub zu funktionieren. Also ein ähnlicher Sachverhalt wie bei UL84 und EL84.
![]() |
![]() |
CL4 |
AL4 |
Zwischen CL4 und CF7 liegt nun ein normales Koppelglied und eine HF-Siebung. Die CF7 ist als Audion geschaltet
Am Audion mit CF7 ist nun eine Sache bemerkenswert, da ich ev. UKW nachrüsten will, brauchte ich einen HF Eingang. Ich dachte zunächst über eine Einschaltung eines Kathoden-Rs nach, Dann eine Umschaltung des Eingangs ... das wäre allerdings zu aufwendig geworden. So suchte ich alte Radiopläne durch und stiess auf die verblüffend einfache Lösung der Einkopplung via G2. Testen konnte ich dies noch nicht, wird aber nachgereicht. Ansonsten ist es eben ein "normales" Audion nach Datenblatt dimensioniert.
Leider war meine erste CF7 defekt, so dass nun eine CF3 ihren Dienst tut (aber auch die ist genau wie die Vorröhre recht ausgelutscht). Das geht zwar, aber die Empfindlichkeit ging deutlich zurück :(.
... Angebote sind herzlich willkommen, mail an christian@erker.de :) ...
![]() |
![]() |
| Verdrahtung des Audions | Endstufe von oben, dahinter die Audionröhre |
Die Vorstufe ist wie gesagt geregelt und koppelt auf den bedeutenden Teil dieses Empfängers.
Das Bandfilter, für MW und LW sind je 2 abgestimmte Kreise vorhanden. Das erhöht die Selektivität spürbar. Und auch die Verstärkung der Vorstufe macht sich angenehm bemerkbar. Mit den Eisenkernen und Trimmer wird der Gleichlauf eingestellt. D.h. beide Schwingkreise sind stetig auf der selben Frequenz. Ich werde auch noch einige andere Schaltweisen ausprobieren und dann hier vorstellen :)


Zu erwähnen ist, dass ich genau die Spulenkörper verwendet habe, die auch in der Originalanleitung gefordert wurden. Diese sind sehr selten und waren daher recht schwer zu bekommen.
Zum Schluss noch ein paar Bilder
![]() |
![]() |
| Verdrahtung des Wellenschalters | Trimmer zum Abgleich des Gleichlaufs "obenrum" |
Danksagung an: