MWmax
Ein 9/8 Kreis Bandfilter-Vorstufensuper
mit Ferritantenne
von Ernst Schlemm




In den Jahren 1954 und´55 entstanden bei Grundig die Spitzensuper 4040-, 5040- und 5050 W/3D.
Im Gegensatz zu der damals auch in Vorstufen- Supern standardmäßig verwendeten multiplikativen Mischstufe mit der Röhre ECH81 wurde bei diesen Modellen eine EF89 als geregelte Vorstufe und eine ECC82 als additive Mischstufe und Oszillator eingesetzt.
Dieses Konzept bietet gegenüber der Standard ECH81-Schaltung Vorteile [1], die es auch für Selbstbauempfänger sehr interessant machen:
Niedrigerer äquivalenter Rauschwiderstand
Die multiplikative Mischröhre ECH81 hat einen äquivalenten Rauschwiderstand von 30 kΩ, die Regelpentode EF89 ca.4 kΩ und Mischtrioden sogar nur etwa 1,5-2,5 kΩ [3][4]
Obwohl jede Stufe zum Gesamtrauschen beiträgt, kann man erreichen, dass das Rauschen des Empfängers überwiegend von der Eingangsstufe bestimmt wird und zwar dann, wenn die Verstärkung dieser Stufe so groß ist, dass das verstärkte Eingangsrauschen deutlich größer ist, als das Rauschen der Folgestufe. Ist das Rauschen der Mischstufe an sich schon gering, dann kann man die Verstärkung der Vorstufe ebenfalls gering halten, wodurch sich die Gefahr des Auftretens von Kreuzmodulation wesentlich verringert.
Von Bedeutung ist ein niedriger Wert des Röhrenrauschens vor allem im Kurzwellenbereich. Die Resonanzwiderstände der Schwingkreise liegen hier bei nur noch wenigen kΩ, das Röhrenrauschen tritt mit steigender Frequenz immer weiter in den Vordergrund.
Höhere Kreuzmodulationsfestigkeit
Der Effekt der Kreuzmodulation besteht darin, dass bei Empfang eines gewünschten Nutzsenders die Modulation eines benachbarten starken Störsenders als Störmodulation des Nutzsenders in Erscheinung tritt. Die Ursachen dieses Phänomens liegen vor allem in mangelnder Vorkreisselektion und der Nichtlinearität (Kennlinienkrümmung) der Eingangsstufe.
Additive Triodenmischstufen zeigen bei optimalen Betriebswerten eine bis zu zehnfach bessere Kreuzmodulationsfestigkeit, als die ECH81 [1].
Unter Einbeziehung einer schwundgeregelten Vorröhre EF89 ist dieser Wert wegen der Kennlinienkrümmung nicht mehr ganz so günstig, er liegt aber immer noch deutlich über dem einer ECH81. Als Resultat verringert sich die Zahl der Pfeifstellen.
Höhere Mischsteilheit
Wie der niedrigere Rauschwiderstand ermöglicht auch die höhere Mischsteilheit eines Triodenmischers (ECC81 ca. 1,7mA/V gegenüber 0,8mA/V der ECH81)[4] die Verstärkung der Vorstufe gering zu halten und damit die Kreuzmodulation an der ECC81 durch geringere Aussteuerung weiter zu verbessern. Die geringe Verstärkung der Vorstufe wird durch die höhere Mischsteilheit und die zwei ZF Stufen mehr als kompensiert.
Keine Frequenzverwerfungen durch Regelung
änderungen der Oszillatorfrequenz durch änderung der negativen Vorspannung des Steuergitters, wie sie bei geregelten multiplikativen Mischerschaltungen insbesondere im KW-Bereich auftreten können, sind bei einer nicht geregelten Mischstufe ausgeschlossen.
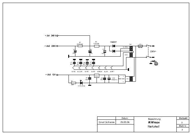
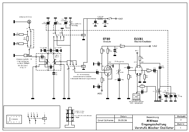
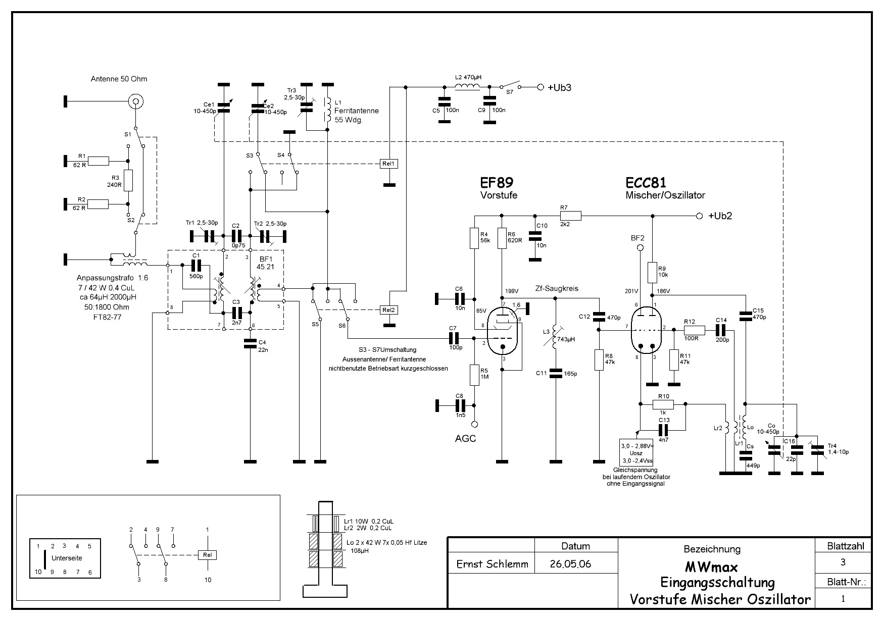
Der MW-max
Eingangsschaltung
Der Empfänger ist ein reiner Mittelwellen-Super. Wahlweise ist Ferritantennenbetrieb oder Empfang mit externer 50 Ω Antenne über ein Eingangsbandfilter möglich. Die Umschaltung zwischen den beiden Betriebsarten geschieht über zwei Miniaturrelais, der jeweils nicht benutzte Eingang wird kurzgeschlossen.
Die Wicklung der Ferritantenne (55 Windungen) ist über ca. 3/4 des Ferritstabes verteilt. Diese Anordnung ergibt eine geringfügig bessere Empfangsleistung als die seitliche Platzierung der Spule, hat aber den Nachteil, dass zum Abgleich zu- oder abgewickelt werden muss.
Um kürzeste Verbindungen zu erhalten, liegen alle Elemente der Eingangsschaltung, wie Antennen- Anpassungsübertrager, Bandfilter, Trimmer, Relais und Zf- Saugkreis inklusive der Oszillatorspule auf einer Platine unterhalb des Dreifachdrehkos.
Das Eingangsbandfilter 45.21 (Reinhöfer) ist für den direkten Anschluss einer (kurzen) Drahtantenne konzipiert und muss, wenn man eine Außenantenne mit einer Impedanz von
50 Ω verwenden will, durch einen Übertrager an diese angepasst werden.
Berechnung des Anpassungsübertragers:
Als Information benötigt man dazu zunächst den Resonanzwiderstand der primärseitigen Kreisspule und das Übersetzungsverhältnis von Kreisspule zu Antennen -Ankoppelspule.
1. Bestimmung des Resonanzwiderstandes Ro der Kreisspule in Bandmitte:
Ro = 2π*f*L*Q (Ohm, MHz, µH). Die Betriebsgüte Q liegt bei 100.
Bei 520 kHz und Drehko 450pF, Trimmer Mitte 15pF und einer Schaltkapazität von ca.10pF hat die Kreisspule eine Induktivität von: L= 25300/ (f˛*C) = 25300/ (0,52˛*475) = 197µH
Ro = 6,28*1*197*100= 123716 Ω = ca.120kΩ
2. Übersetzungsverhältnis innerhalb des Bandfilters:
Die Kreisspulen des Filters haben 130 Wdg., die primärseitige Koppelwicklung hat 15 Windungen (sekundärseitig 30 Wdg.)
Das primärseitige Übersetzungsverhältnis ü ist also 130:15= 8,66. Weil Impedanzen mit dem Quadrat des Übersetzungsverhältnisses transformiert werden, interessiert ü˛ = ca.75.
Der Resonanzwiderstand der Kreisspule von 120 kΩ wird durch das filterinterne Übersetzungsverhältnis auf 120000:75 = 1600 Ω herunter transformiert.
3. Nun muss der Anpassungsübertrager noch von 1600 Ω auf 50 Ω transformieren.
ü˛ = 1600:50 = 32
ü = Wurzel 32 = 5,65
Man benötigt also einen Trafo mit einem Windungsverhältnis von ca.1: 6.
4. Die nötige Mindest-Primarinduktivität des Antennen-Anpasstrafos errechnet sich nach:
L = 4R/ (2π*fmin) (µH, Ω, MHz)
Fmin ist die niedrigste zu übertragende Frequenz (hier 0,5 MHz) und R die Primärimpedanz des Trafos.
L = 4*50/ (6,28*0,5)
L= ca. 64µH
Die Sekundärinduktivität ergibt sich dann automatisch aus dem Übersetzungsverhältnis.
5. Als Material für den Trafo eignet sich beispielsweise gut das Amidon-Ferrit 82-77.
7 Windungen ergeben ca. 64 µH für die Primärwicklung, die Sekundärwicklung erhält 7*6= 42 Windungen.
Die ersten 7 Windungen sind bifilar gewickelt, die restlichen 35 Windungen der Sekundärwicklung dann einfach weitergewickelt. Masse liegt am gemeinsamen Wicklungsanfang.
Im Eingangsbandfilter 45.21 wird die Antenne gemischt induktiv/kapazitiv angekoppelt.
Der Kondensator C2 (0,75pF) zwischen Pin 2 und 3 verbessert die Empfangseigenschaften im oberen Mittelwellenbereich deutlich.
Vorstufe
Die Hf-Vorstufenröhre EF89 ist in die Schwundautomatik einbezogen. Sie arbeitet auf einen Außenwiderstand von nur 620 Ω, es ergibt sich ein Verstärkungsfaktor von nur ca. eins. Die EF89 dient so allein zur Regelung und zur Entkopplung von Mischer, Oszillator und Eingangskreis. Mitzieheffekte (Pulling), also änderungen der Oszillatorfrequenz beim Verdrehen der Abstimmung der Vorkreise, treten mit dieser Schaltung zumindest im Mittelwellenbereich nicht auf.
Mischstufe / Oszillator
Eine ECC81 ist additiver, nicht geregelter Triodenmischer und Oszillator.
Die Kreisspule des Oszillators ist mit Hf-Litze 7*0,05 mit 2*42 Windungen und 108µH in den unteren zwei Kammern einer Reinhöfer Spule OVMW untergebracht, die Rückkopplungsspule Lr1 mit 10 Windungen 0,2 CuL liegt in der oberen Kammer (Wicklungssinn beachten), am 47 kΩ Gitterwiderstand liegen 10-14 Vss (gemessen mit Oszi- Tastkopf 1:10)
Eine Kuriosität am Rande: Bei einer zu hohen Windungszahl der Rückkopplungsspule, oder einem zu großen Widerstand R11 oder zu großem Kondensator C14, also einer zu großen RC- Zeitkonstante, tritt intermittierende Selbsterregung, das sogenannte Überschwingen des Oszillators, ein.
Die Aufladung des Kondensators auf die endgültige Gittervorspannung dauert so lange, dass die Schwingungen schon vorher auf eine zu große Amplitude angewachsen sind. Nach Aufladung von C14 können sie sich nicht mehr länger halten und reißen ab, um nach der Entladung des Kondensators wieder neu einzusetzen. Dieses Spiel wiederholt sich einige tausendmal pro Sekunde und äußert sich durch starkes Rauschen des Empfängers oder multiple Pfeiftöne.
Anbei ein Oszillogramm.

Die Oszillatorspannung gelangt über Lr2 (obere Kammer, 2 Windungen), R10 und C13 an die Katode des Mischsystems. Das Gitter der Mischtriode wird über R10 (1 kΩ) soweit negativ vorgespannt, dass die Summe von Oszillatorsignal (Uoszss) und Eingangssignal (Uess) die Röhre in ihrem gekrümmten Kennlinienteil aussteuert, aber nicht übersteuert.
Dazu muss die bei laufendem Oszillator an R10 abfallende Gleichspannung in etwa Uoszss /2 + Uess/2 + 1,3V (Beginn des Gitterstromgebiets) sein.
Die an der Katode (Tastkopf 1:10) gemessene Oszillatorspannung liegt im unteren MW-Bereich bei 3Vss, im oberen bei 2,4Vss, das maximal zu erwartende Eingangssignal am Gitter der Mischröhre bei 0,5Vss, die Gleichspannung an R10 bei laufendem Oszillator, aber ohne Eingangssignal, zwischen 3,0 und 2,88V.
Das Auskoppeln der Oszillatorspannung über eine separate Koppelspule hat einen wesentlichen Vorteil: Man kann die der Mischerkatode zugeführte Spannung durch änderung der Windungszahl von Lr2 einstellen, ohne das Rückkopplungsverhältnis und damit die Amplitudenhöhe und- konstanz des Oszillators nennenswert zu beeinflussen.
R10 sorgt für die nötige Gittervorspannung und hat gleichzeitig den positiven Effekt, dass er die Röhre durch Gegenkopplung vor Übersteuerung schützt. Denn wird die Oszillator- oder Eingangsspannung größer, dann nimmt auch der mittlere Anodenstrom und damit der Spannungsabfall am Katodenwiderstand zu. Der Arbeitspunkt verschiebt sich entsprechend in Richtung negativer Gittervorspannung.



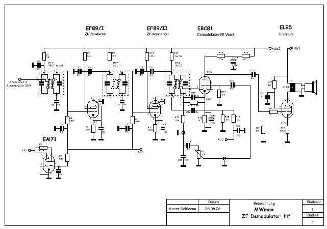
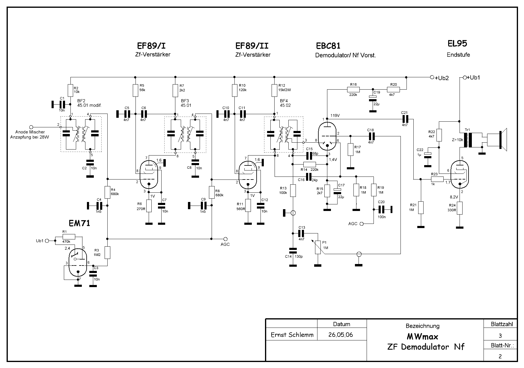
Zf-Verstärker
Mit den Bandfilten 45.01 und 45.02 sind je nach Stellung der Kappenkerne zueinander bei geringer Bedämpfung (560 kΩ) Kopplungsverhältnisse von kritisch k/d = 1 bis überkritisch k/d = 2,5 einstellbar (Info Gerd Reinhöfer).
Nachmessen mit dem Verfahren im Spulenbuch (S. 121-122) [2] bei Dämpfung mit 820 kΩ ergab k/d Werte von leicht unterkritisch bis 2,2.
Unterkritische Kopplung ist bei dieser Bedämpfung nur einstellbar, wenn die Fenster der Kerne maximal voneinander weggedreht werden, und überkritische Kopplung entsteht erst dann, wenn die Fenster beide 90Grad zur Längsachse des Filters stehen oder weiter zueinander hin gedreht werden. Der Bereich kritischer Kopplung ist also sehr breit.
Die Gesamt 0,7 oder 3dB Zf- Bandbreite zweier kritisch gekoppelter Bandfilter liegt unter Betriebsbedingungen im fertigen Gerät bei etwa 3kHz (gemessen ab EF89/I).
Diese Bandbreite der Durchlasskurve eines Zf- Verstärkers wird mit steigender Anzahl der verwendeten Filter immer schmaler.
1 Bandfilter B =1; 2 Bandfilter B =0,63; 3 Bandfilter B= 0,5; 4 Bandfilter B=0,44
Ein Bandfilter hat also die 1/0,63 = ca. 1,6 fache Bandbreite wie zwei Filter, also 4,8 kHz.
Diese Bandbreite von 4,8kHz soll auch das erste Filter erhalten.
Die Gesamtbandbreite des Zf- Verstärkers liegt dann, kritisch gekoppelt, mit drei Filtern bei 4,8*0,5 = 2,4kHz.
Anpassung des ersten Bandfilters an die Mischröhre ECC81
Vorgesehen ist das 455kHz- Zf-Bandfilter 45.01 in der Originalauslegung für Mischhexoden und Pentoden mit ihren hohen Innenwiderständen von mehreren 100 kΩ bis ca.1 MΩ.
Bei Verwendung einer Triodenmischstufe muss das Filter, beispielsweise durch Anzapfen des Primärkreises an den wesentlich niedrigeren Innenwiderstand der Triode (einige kΩ, ECC81 ca.11 kΩ), angepasst werden.
Der Resonanzwiderstand im unbelasteten Zustand Ro liegt bei einer Leerlaufgüte Qo von 240, einem Parallel C von 150pF und einer geschätzten Gesamt- Verdrahtungs- und Röhrenkapazität von 10pF bei etwa 525 kΩ.
Ro= Qo/(2π*f*C) = Qo*2π*f*L (kΩ, MHz, nF, mH) (1)
Die Bandbreite des unbelasteten Einzelkreises liegt bei 1,9 kHz.
B= fo/Qo (kHz); Q = fo/ B (kHz) (2)
(B= 455 kHz/ 240= 1,9 kHz.)
Anzapfung des Primärkreises:
Ausgehend von einer gewünschten Bandbreite des gesamten Filters von 4,8 kHz bei kritischer Kopplung, ist die Bandbreite des Einzelkreises 4,8/ 1,414= 3,4 kHz.
Es ergibt sich daraus nach (2) eine Betriebsgüte von Qb= 455/ 3,4 = 134.
Nach (1) errechnet sich dann der Resonanzwiderstand Rb zu 134/ (6,28* 0,455*0,16)= 293 kΩ.
Da der Resonanzwiderstand im unbelasteten Zustand 525 kΩ ist, muss dem Sekundärkreis ein Widerstand von 663 kΩ parallel geschaltet werden, um die 293 kΩ zu erhalten.
Dieser 663 kΩ (nächster Wert 680 kΩ) Belastungswiderstand ist als Gitterableitwiderstand ausgebildet.
Der Innenwiderstand der ECC81 von 11 kΩ muss nun auf den Belastungswiderstand des Sekundärkreises hoch transformiert werden.
ü˛ = 680:11 = 62
ü = Wurzel 62 = 7,86
Die Windungszahl der Spulen des Zf- Bandfilters 45.01 ist 216.
Um auf das Übersetzungsverhältnis von 1: 7,86 zu kommen, muss die Spule bei der
216: 7,86= ca. 28. Windung angezapft werden.
Die Anzapfung liegt beim kalten Ende.
Die Anzapfung des Primärkreises führt zu symmetrischen Betriebsbedingungen des Filters und gleichzeitig zu einer Hochtransformation der Primärspannung fast um den Faktor 8.
Es gibt zwei Möglichkeiten, die vorhandene Gesamt- Zf- Bandbreite bei Bedarf, allerdings auf Kosten der Trennschärfe, zu vergrößern:
1. Überkritisch koppeln, indem man die Fenster der Kappenkerne zueinander hin dreht.
2. die kritische oder leicht unterkritische Kopplung beibehalten und die Filter durch Parallelwiderstände bedämpfen (bessere Variante hinsichtlich Selektionseigenschaften und Phasengang)


Skala
Die Seilführung ist dem Sansui TU-717 abgeschaut, ein geniales Konzept, mit dem alle Drehko- und Achspositionen realisiert werden können. Durch das gegenläufig um die Antriebsachse geführte Seil ist zudem nur eine geringe Seilspannung nötig.
Das Trägerblech der Skala ist aus 0,5mm starkem Alublech gebogen und mit Bohrungen zur Aufnahme von 10 weißen LEDs versehen. Es ist nur oben und seitlich am unteren Rand an der Frontplatte befestigt. Der aus Hart- PVC gefräste Zeigerschlitten läuft über die untere Biegekante des Trägerblechs. Das Gleiten des Schlittens geschieht in dieser Anordnung leider nicht völlig geräuschlos. Es empfiehlt sich daher, den Schlitten auf einer stabilen, vom Blech getrennten und separat befestigten Schiene laufen zu lassen.
Der Zuschnitt der eigentlichen Skala wurde zunächst in 50kHz Schritten auf Millimeterpapier aufgenommen, die Skala dann mit dem Programm Technobox CAD6 im Maßstab 1:1 gezeichnet, auf Fotopapier ausgedruckt und aufgeklebt.
Eine durch Anschleifen mattierte Plexiglasleiste direkt unter den LEDs sorgt für diffuses Licht.


Bauteile und Gehäuse
Alle Filter, Trafos, Spulenkörper und die 200mm-Ferritantenne stammen von Reinhöfer-Electronic, die Frontplatten, Plexiglasabdeckung und die Chassisplatte von Schaeffer- Apparatebau, die Platine des Eingangsteils von GS Electronic- Platinenservice und der Dreifachdrehko von Oppermann. Die Eckprofile sind Meterware von Fischer-Elektronik.
Um die Ferritantenne nicht Hf- dicht abzuschirmen, sind die Seitenteile, die Abdeckplatte und die Gehäuserückwand aus Pertinax.
Eine vorsorglich eingefügte Abschirmwand entkoppelt Zf- Verstärker und Eingangsschaltung.
Ausblick
Um das Gesamtrauschen des Empfängers weiter zu verringern, könnte man eine Regelpentode mit höherer Steilheit und geringerem äquivalentem Rauschwiderstand, wie z.B. die EF85 (raeq.1,4 kΩ) oder die EF183 (raeq 0,49 kΩ) verwenden.
Da jedoch der Mittelwellenbereich durch Überschneidung der Sender und hohe Feldstärken komplett „dicht“ ist und zudem das Röhrenrauschen erst bei höheren Empfangsfrequenzen gegenüber dem Rauschen des Gitterkreises in Erscheinung tritt, wäre diese Maßnahme erst bei Kurzwellenempfang sinnvoll.
Literatur
[1] Funktechnik Nr.2/1955 S.38-40
[2] Sutaner: Das Spulenbuch RPB 80/80b
[3] Pitsch: Lehrbuch der Funkempfangstechnik
[4] Gerzelka: Amateurfunk-Superhets RPB 108
Dank
Mein besonders herzlicher Dank gilt Peter Treytl für seine Unterstützung bei der Auslegung der Mischstufe und des Zf Verstärkers.
Syke, Juni 2006
Gruß Ernst Schlemm