KT88 SE-Amp
von Franz Wichlas



Hallo Jogi,
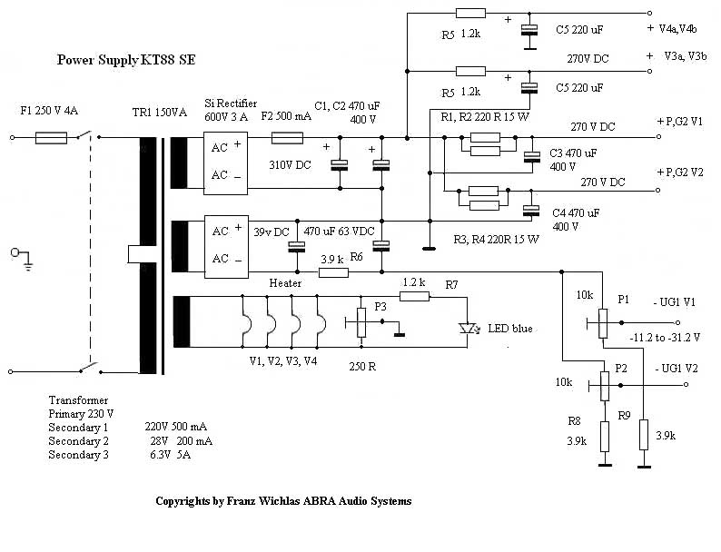
Mit dieser Mail übersende ich Dir die Bilder und die Schaltpläne für den KT88SE Amp.
Die Schaltpläne sind mit Spannungsangaben gemessen ohne Signal, das Lautstärkepoti ist auf Mitte (würde aber ohne Signal sowieso keine Rolle spielen) - als Richtwerte, für evtl. Nachbauer.

Im Eingang ist eine 6SN7 cascaded pro Kanal. Damit erübrigt sich ein weiterer Vorverstärker.
Die 6SN7 ist klangneutral und hat den geringsten Klirr und passt in Design zur KT88 (ausgenommen ECC88), die soll noch besser sein. Diese Röhre konnte ich aber hier in Singapore nicht bekommen.

Das Gerät braucht circa 15 Minuten bis die Röhren voll aufgeheizt sind. Die negative Gittervorspannung ist auch ohne Stabi 7924 stabil.

Die Ausgangsübertrager habe ich nach Deiner Excel Tabelle gerechnet. Sie sind verschachtelt wie folgt: S1, P1, S2, P2, S3 - alle S in Parallel und alle P in Parallel. Die Drahtstärken habe ich wie im Original übernommen. Dadurch wurde der Trafo ziemlich gross, mein Trafowickler konnte die Windungen nicht auf den 16 QFe-Kern bekommen. Die neuen Daten für den grösseren Kern habe ich ihm dann telefonisch durchgegeben (QFe 19 Japanische EI Bleche 0.9 Luftspalt).
Die Impedanzen sind im Schaltbild mit angegeben.
Brumm ist keiner vorhanden. (Poti voll aufgedreht). Wenn der Arbeitspunkt der 6SN7 ohne Gegenkopplung richtig eingestellt ist, dann ist die Röhre mikrophonisch. - Das erledigt sich aber mit der Gegenkopplung.

Der Netz Trafo ist: Primär: 230V
Sekundär:
220V 500mA
28V 200mA
6,3V 5A
Das Chassis ist rot anodisiert (kostete ein Schweine Geld)
Als Lautsprecher habe ich jetzt Celestion DL6, ein Geschenk vom KT66PP Kumpel (siehe (nachfolgenden) KT66-PP - Bericht).
Der AMP wurde auch auf den alten Speakern und auf Akai und JVC Speakern getest und macht auch da einen guten Sound. Man hört nur, was auf der CD ist, nichts ist geschönt.

Übrigens hatte ich noch nie Probleme mit Brumm, auch nicht in Kurzwellen/UKW Sendern und Empängern. Gleichstrom Heizung war nie nötig. Devise:
Verdrillt eure Heizleitungen so dicht wie möglich und verlegt sie so dicht wie möglich am Chassis.
Keine Signal- oder DC-Leitungen parallel.
Signalleitungen können kreuzen, dürfen aber nie parallel sein.
(Habe ich von meinem Vater der, solange ich denken kann, mit dem &qzut;Zeug" gespielt hat. Alle Radios bei uns waren Eigenbau. Von der alten Musiktruhe U-K-M-L, Gross Super nannte man sowas damals. - E 40iger Serie, später neu mit E 80iger Serie. Die Spulensätze waren von Görler.) Übrigens ich bin gelernter Radio-und Fernsehtechniker mit Prüfung bei der IHK Nürnberg. Damals war Röhrentechnik noch Pflichtfach.

Der Amp macht guten Sound und hat genügend Leistungsreserven. Ich konnte ihn nur kurze Zeit mit Vollpower laufen lassen (Lärmbelästigung).

Bei Fragen könnt Ihr mich über Franzw465@yahoo.de anmailen, oder mit SKYPE: f-wichlas

Meine nächsten Projekte: Guitar Amp mit KT66PP so ca 20 bis 25 Watt im UL Betrieb. Die Trafos habe ich heute berechnet und werde sie nächste Woche in Arbeit geben (dauert so ca. 2 Wochen). Alle anderen Teile sind in ausreichender Menge vorhanden.
Kurzwellen Kleinsuper für Amateur 20 m Band (vielleicht auch mehr) mit den E90er Röhren - ausser im Eingang EF85, die hatte ich früher immer und sie ist gut. Ein Exemplar habe ich bereits. Ausserdem konnte ich eine EF97 für Versuche an Land ziehen.
Beste 73
und viel Spass beim Nachbau
Franz
DK6NL






(Die Dame im Bild ist meine Frau, auch ein begeisterter "Firebottle" Fan.)






Zurück zur Hauptseite