
Diese schöne Anzeigeeinheit wäre niemals ohne das Forum zu Jogis Röhrenbude entstanden, dafür möchte ich mich bei allen, die daran mitgewirkt und diskutiert haben, bedanken! - Besonders den direkt (oder als Ideenlieferanten) an diesem Display beteiligten: Oliver, Matthias, Gert, und Rainer Fredel.
Mit diesem simplen Test hat es begonnen und der Ehrgeiz wurde geweckt, das Display zum Laufen zu bekommen:


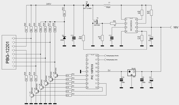
Dieser Teil der Schaltung ist ein Produkt des Forums...! Der grundsätzliche Aufbau ist zuerst von Matthias aufgezeichnet und gepostet worden. Von Oliver wurde sehr schnell ein Programm für den PIC geschrieben und im Laufe eines regen Mailverkehrs ständig verbessert.
PICs waren und sind völliges Neuland für mich - die Möglichkeiten sind aber beeindruckend. Wer die Originalapplikationen zu dieser Anzeigeröhre kennt, weiß was wir hier gespart haben! So ganz nebenbei (um überhaupt zum Ziel kommen zu können) habe ich ein kleines Programmiergerät für PICs gebaut:

Es ist ein Nachbau des "Brenner5" von sprut, der dazu auch die notwendige Brennsoftware bereitstellt (Freeware). Zum Assemblieren des Programms habe ich "MPLAB IDE" von Microchip, dem Hersteller der PICs, verwendet. Ist ebenfalls Freeware und auf der Webseite von Microchip zu finden
Die Steuerschaltung selbst ist völlig problemlos aufzubauen (wer dicke Finger hat, braucht eine Pinzette ;-). R24, R25, R30, R31, R32 habe ich geteilt in je zwei 0,6 W - Typen, es ist kein Platz fur klobige Widerstände.
Die Schaltung (siehe oben) ist streng nach den Vorgaben des Datenblattes erstellt worden. Problematisch ist einzig die Teileauswahl. Den Siebkondensator mit 1µF habe ich aus einem alten Schaltnetzteil (immer eine Quelle feinster Bauteile!), genauso wie den Schalt-Mosfet. Sucht einen Mosfet mit möglichst kleiner Gate-Kapazität aus, sonst wird es heiß. Der von mir verwendete 2SK1808 kommt hier ohne Kühlkörper auf ca. 90 Grad. Der probierte BUZ80A war zum Wasserkochen geeignet... Auch die Drossel wird warm und sollte für mindestens 1A ausgelegt sein. Der Wandler muß etwa 18mA Strom liefern können.
So sieht es aus, wenn es fertig ist:

Ich wurde gefragt, ob der Wandler irgendwelche Störungen im Rest der Schaltung verursacht. Davon ist nichts zu bemerken. Der analoge Vorverstärker und der PIC lassen sich jedenfalls nicht aus der Ruhe bringen, trotz der wirklich geringen Entfernüng.

Der Vorverstärker funktioniert nur mit stabilisierter Versorgungsspannung vernünftig. Ich habe 16V gewählt, weil mir mehrere Laptop-Netzteile mit dieser Spannung zur Verfügung stehen. Kritisch ist die Spannung für den Vorverstärker, da sich schon bei kleiner änderung der Spannung der Arbeitspunkt verschiebt. Und wir brauchen den kompletten Aussteuerungsbereich, bei der niedrigen Eingangsspannung.
Für den Nachbau empfehle ich die Verwendung von 18V als Betriebsspannung, hierfür gibt es Spannungsregler. Dann MUSS mit den Widerständen R1 und R9 der Arbeitspunkt (Spannung an DRAIN des IRF7403) auf ca. 9V abgestimmt werden. Für 18V geschieht das mit 510k-Widerständen anstelle der für 16V verbauten 270k.
Wer lieber theoretisch probiert als praktisch Widerstände aus- und einlötet und keine Lust zum Rechnen hat, kann sich mit der Simulation des Vorverstärkers an den richtigen Wert herantasten.
Link zur Simulationssoftware LTSpice/Switchercad (Freeware)
Der Rest der Schaltung muß nicht angepaßt werden. Eine niedrigere Eingangsspannung als 16V ist nicht ratsam.
Die Mosfets sind SMD-Typen und kleben auf der Kupferseite. Im Layout muß hier noch jeweils eine Kupferbahn unterbrochen werden (siehe Foto). Die winzige Trennfuge zwischen Gate und Source des IRF7403 habe ich erst direkt vorm Einlöten der Mosfets gesetzt.

Es ist Platz genug im Layout, um auch andere Mosfets einzusetzen, auch normal bedrahtete... Dann müssen nur geeignete Löcher gebohrt werden und die Leiterbahnen entprechend schlau unterbrochen werden ;-). Der Arbeitspunkt sollte dann wie oben beschrieben auf halbe Betriebsspannung gebracht werden.
Mit den Stellwiderständen kann später der Pegel justiert werden. Wenn die Stellwiderstände in ihren Werten verkleinert werden, ergibt sich eine feinere Regelung. Allerdings wird dann der Eingangswiderstand kleiner... Ich habe es mit 1M aufgebaut, wenn ich es noch einmal machen wurde, wären 470k meine Wahl.
Bestückung des Vorverstärkers und der Steuerschaltung:

Beim Ausdrucken bitte so skalieren, daß das Bild 30mm hoch ist. Die Länge ergibt sich durch das proportionale Skalieren... Es ist gespiegelt.
Das Layout:

Der Bestückungsplan:

Ach so: ich bin nicht perfekt... ;-) Bitte mitdenken bei der Bestückung. Der erste erfolgreiche Funktionstest sah bei mir so aus (ich liebe es, wenn etwas funktioniert...!):

Hier muß jeder selbst kreativ werden... Die Fassung ist bei mir aus 3 Lagen Plexiglas, die Kontakte sind 0,5mm Stahldraht, vermutlich kupferbeschichtet. Das ist nicht optimal, aber es funktioniert. - Vielleicht hat ja jemand noch eine Fassung übrig... Die Seiten sind aus Alu.


So, jetzt fehlt mir nur noch der passende Verstärker zum Stereo-Display, aber da habe ich auch schon eine Idee...! Falls jemand Fragen oder Anregungen hat, ich freue mich über Mails.
Ach so, ja... beziehen könnt ihr die Anzeigeröhre PBG12201 von Jan Wüsten. In der Nixie Rubrik.