Bauanleitung für ein Röhrenprüf- und Regeneriergerät
von Dieter Haase

Hallo Jochen,
hier meine Version zum Dauerbrenner Röhrenprüfung.
Die erste Anregung kam aus dem Buch "Radios von Gestern" von Ernst Erb. Hier ging es um das Thema Regenerieren von Röhren. 2 Jahre ging ich mit dem Thema schwanger, hauptsächlich wegen einer vernüftigen Lösung zur Einstellung der Spannungen. Die vernünftigste Lösung waren dann Ringkernstelltrafos.
Die zweite Anregung war die Beschreibung eines einfach aufzubauendes Prüfgerätes auf Deiner Homepage.
Herausgekommen ist eine Lösung bestehend aus zwei Geräten. Das eine dient der Stromversorgung und ist auch separat zu benutzen, das zweite ist das Teil mit den Röhrenfassungen. Beide Geräte sind über eine mehradrige Steckleitung verbunden.
Die Prüfung ist zwar nicht so komfortabel wie z.B. auf einem "Funke", aber für einen Fachmann durchaus zumutbar. Außerdem kann man damit auch Kennlinien aufnehmen. Für die extern anzuschließenden Meßgeräte benutze ich mittlerweile die guten alten analogen Multizetts, die ich auf Flohmärkten erworben habe. Das bin ich gewohnt und Trends sind hierbei (besonders bei der Regenerierung) viel besser abzulesen.
Das Thema Regenerierung habe ich in Tabellenform aufbereitet, da die Angaben bei Ernst Erb doch etwas unübersichtlich dargestellt sind. Das artete bei der praktischen Arbeit jedesmal in hektische Sucherei aus. Ich hoffe, mir ist bei der Umsetzung kein Fehler unterlaufen.

Gruß, Dieter

Schaltbild des Röhrenprüf- und Regeneriergeräts

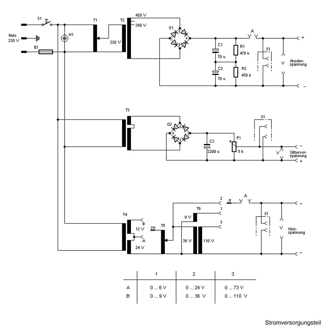
Netzteil zum Röhrenprüf- und Regeneriergerät
(Mit der Maustaste das jeweilige Bild anklicken, es wird dann in voller Auflösung dargestellt.)







Es folgt eine Excel-Tabelle, erstellt von Dieter Haas, in welcher, in einzelnen Abschnitten, die Daten der verschiedenen Röhrentypen mit ihren Heizungsmateriealien sortiert sind. Die in der Tabelle angegebenen Daten wurden ermittelt um die unterschiedlichsten Röhren erfolgreich regenieren zu können.
Leider kenne ich keine Methode, eine komplette Excel-Tabelle innerhalb einer HTML-Seite darstellen zu können, ich mußte die Tabelle deshalb als ZIP-File packen und sie dann hier zum Download anzubieten.

Im unteren Tabellenbereich können die diversen Röhrentypen angewählt werden; sie sind dort sortiert nach 'Barium1', 'Barium2', 'Barium3', 'Barium4', 'Paste 5' (Pastekathoden), 'indirekt Oxyd 6', 'indirekt Oxyd End 7', 'Gleichrichter 8' vorzufinden.