Der Heizspannungs-Teil:
Der Netzeingang:
(Mit der Maustaste das jeweilige der folgenden Bilder anklicken, es wird dann in voller Auflösung dargestellt.)
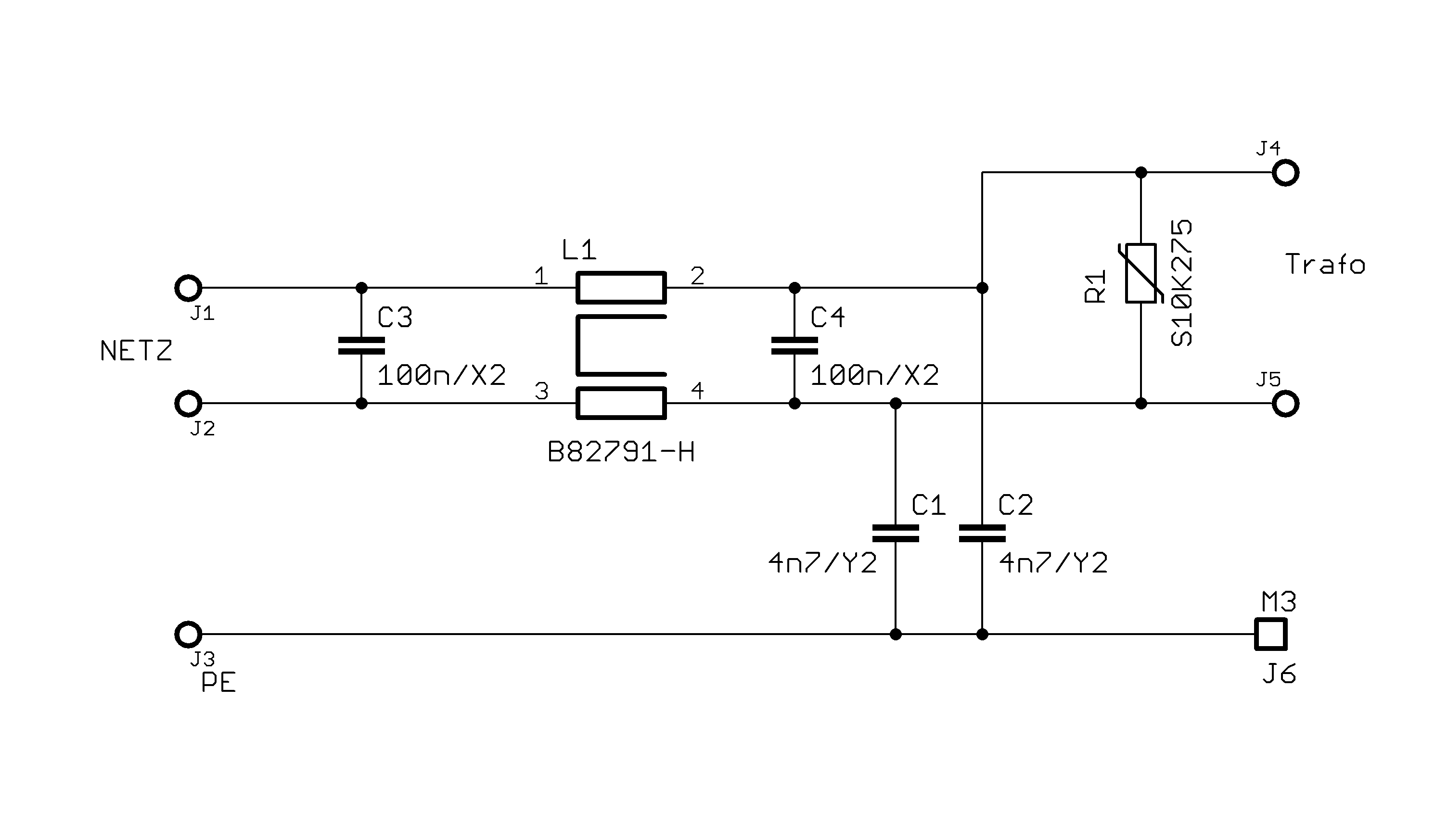
Der Netzfilter:
Netzfilter-Print:
Die RIAA-Verstärkerschaltung:
Schaltung Anodenspannung-Netzteil:
Schaltung Heizung-Netzteil:
