SGRK-1
(Schüttgut-Russenkracher-Verstärker Modell Nr. 1)




Der Auslöser für den Amp war das Projekt "6C19-Amp nach Tim de Paravicinis 6080-Schaltung" von Jens Rothe auf Jogis Röhrenbude.
Paravicini hat richtig erkannt, daß der große Steuerspannungsbedarf von Low-Mu-Trioden wie der 6080 am besten durch eine Pentoden- bzw. Kaskoden-Treiberstufe zu beherrschen ist. Um die Leerlauf-Gesamtverstärkung nicht zu groß werden zu lassen, darf die Eingangsstufe dann nur mäßig verstärken.
Paravicini nimmt eine Hi-Mu-Triode (ECC 83) und reduziert die Verstärkung durch einen nur teilweise überbrückten Kathodenwiderstand, was den Nachteil eines erhöhten Ausgangswiderstandes dieser Stufe hat.

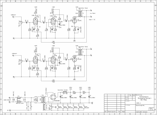
Schaltplan des Verstärkers
(Mit der Maustaste das Bild anklicken, es wird dann in voller Auflösung dargestellt.)

Mir erschien eine eine Medium-Mu-Triode an dieser Stelle sinnvoller. Eine Gegenkopplung von der Anode der Endtriode an die Kathode der Eingangsröhre ist wegen der falschen Phasenlage hier nicht möglich, also geht nur eine Gegenkopplung von der Sekundärseite des Ausgangsübertragers aus.
Da ich gerade außer einigen 6C19pi größere Mengen EF 95 und EF 80 zur Verfügung hatte, war die Bestückung sofort klar. Die EF 95 gibt eine sehr gute Triode ab. Die EF 80 macht sich als NF-Pentode auch gut, sie läßt sich vor allem mit relativ großen Anodenströmen und kleinen Lastimpedanzen gut betreiben, was sie als Treiberröhre für Endtrioden mit großem Spannungsbedarf und großen Eingangskapazitäten geeignet macht (Hat sie schon mal jemand zusammen mit der 6C33C ausprobiert?). Deshalb konnte ich mir auch den Bootstrap für hohe Frequenzen, in der Originalschaltung C9, sparen.
Man darf nur Ug2 nicht zu niedrig machen, sonst ist die Steilheit zu klein. Deshalb ist hier Ug2 größer als Ua, was solange nicht stört, als die max. Pg2 nicht überschritten wird. Ich wollte mir eine separate Versorgung der Vorstufen mit höherer Ua ersparen.
Das Konzept sollte prinzipiell auch mit der ECF 80 funktionieren, ich hatte aber gerade keine da. Man müßte selbstverständlich einige Bauteile anpassen. Auf jeden Fall ist die Schaltung ein geeignetes Recycling-Projekt für gängiges "Schüttgut".
Die einfache Übernahme aller Bauteile und sonstiger Parameter vom 6080-Entwurf auf die 6C19pi stimmt so nicht. Die Werte sind nicht so weit weg, daß gar nichts mehr funktioniert, aber weit genug vom Optimum, um die Schaltung noch einmal durchzurechnen.
Als Ausgangstrafo habe ich den 53.61 von Gerd Reinhöfer genommen. Mit den beiden Primärwicklungen paralell geschaltet hat er eine Primärimpedenz von 2,5k, was sehr gut zur 6C19pi paßt. Der Frequenzgang ist nach oben hin sehr gut, am unteren Ende zeigt er aber deutliche Schwächen. Soweit ich weiß, gibt es jetzt einen verbesserten Nachfolgetyp. Eine andere Möglichkeit wäre sicher der 53.06
Der (Kleinsignal-) -3db-Frequenzgang der Schaltung liegt bei ca. 45 Hz..140 kHz(!). Bei Vollaussteuerung (ca. 3,5 W) ist unten bei 55 Hz Schluß. Genaue Messungen, auch was die Verzerrungen angeht, werde ich nachholen, sobald ich Zeit habe.
Die ersten Hörproben gefielen mir jedenfalls sehr gut, mit Ausnahme der Schwäche im Baß.

Das Gehäuse ist eigentlich viel zu klein, ich hatte halt noch eins davon übrig. Es ist ein älteres Strangguß-Profil von Alutronic mit zwei Deckeln, was nicht mehr hergestellt wird.
Die Ausgangsübertrager sind quer an einer Seitenwand montiert, Netztrafo und Drossel stehen auf dem Boden. Der Ausgangsübertrager eines Kanals liegt leider zu dicht am Netztrafo, was man am leichten Brumm auf diesem Kanal hört. Die Dose ist so voll, da paßt auch keine Abschirmung mehr dazwischen. Die Alternative wäre ein vollständiger Neubau.


Der Verstärker kurz vor der Endmontage

Das Netzteil im Rohbau


Das Netzfilter


Ansicht des Deckels von unten. Die beiden Messingringe habe ich gebraucht, weil ich die Fassungen unbedingt von unten montieren wollte.

Ich lasse das Teil jetzt aber so, wie es ist. Hier bei mir liegen noch genug offene Baustellen herum.

Gruß, Hans-Peter Völpel

Zurück zur Hauptseite