Kopfhöhrer-Verstärker mit der 6AS7G
von Harald Redlin


Hallo Jogi,
Gestern ist mein seit einem Jahr geplanter Kopfhörerverstärker endlich fertig geworden. Ein paar schnelle Fotos habe ich Dir hier mal mit angehängt. Er ist einfach fantastisch vom Klang, am Gehäuse war ich nicht ganz so geschickt und ein VDE-Ing. würde die Hände überm Kopf zusammenschlagen. Die Röhren liegen offen und werden dabei "schweineheiß".


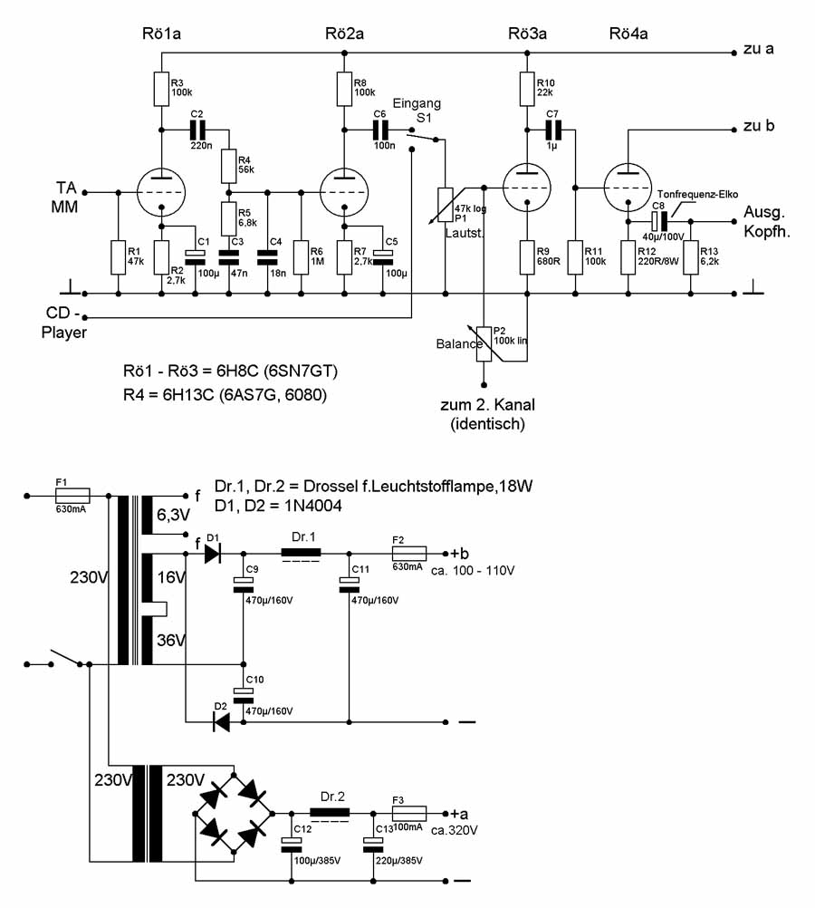
Zur Schaltung gibts nichts besonderes, ich verwende 3 x 6H8C (6SN7GT)und 1 x 6H13C (6AS7G, 6080, ECC 230).


Die 1. Stufe ist eine normale Kathodenbasischaltung mit RC-Kopplung an die Endröhre 6H13C in Anoden-Basisschaltung. Die NF-Auskopplung erfolgt am Kathoden-R über einen unüberbrückten(!) Tonelko. Mit den restlichen beiden 6H8C habe ich eine Phono-Entzerrung, die zuschaltbar einen sep. Eingang haben.
Besonderes Kopfzerbrechen bereitete mir das Netzteil. Dieses habe ich nach Gefühl dazu gestrickt.
Ich brauchte ca. 300V für den Entzerrer und die Vorröhre und 100 - 130V für die Endröhre, allerdings bei ca 200mA max. - Nicht zu vergessen die 6,3V 4,5A. Dafür habe ich dann einen Ringkerntrafo von Pollin mit einer zusätzlichen Wicklung versehen. Der Draht stammt aus einen alten Chromat-Trafo (DDR-FarbTV). Der Ringkern hatte zwei Wicklungen 12V u. 36V, diese habe ich in Reihe gelegt und mit zwei 4007 verdoppelt. (Elkos 470µ/160V). Ein Sieb-R mit anschl. 3. Elko brachte nur brummen, lautes brummen. Also probierte ich eine Drossel aus einer Leuchstofflampe. Kein Brummen, und wird auch nicht mal handwarm! Geht also doch!




Für die 300V hatte ich noch einen Printtrafo 230/230V 5W. Daran Graetzbrücke - Elko 100µ/385V -> noch eine Leuchtstofflampendrossel -> Elko 220µ/385. Kein Brummen hörbar! Die Heizung ist AC und nicht mal symmetriert.. Es brummt wirklich nichts.


Als Koppel-C´s und im Entzerrnetzwerk hab ich billige rote von Reichelt genommen. Alles ohne Voodoo, und spielt trotzdem.
Die Chassisplatte ist übrigens von Schaeffer-Apparatebau. Das Gehäuse hab ich aus Leimholzplatten selbstgeschraubt und mit einem liebvollen Handanstrich versehen. Daher auch die etwas verlaufenen Farbnasen. Hab eben für sowas zwei linke Hände(mit 10 Daumen!).




Mein Kollege hat mich das ganze Jahr belächelt, wo ich von dem Teil vorgeschwärmt hab und vom Baufortschritt erzählt habe. Gestern habe ich ihm mal ausgiebig probehören lassen. Er wurde ziemlich wortkarg... - Heute hat er mir erzählt, das seine gestrige Abendbeschäftigung das vergleichen mit seiner Anlage war. Er hat als Discotheker und Informationstechnikermeister nichts schlechtes zu Hause, seine teure Technics-Einzelkomponenten-Anlage rauscht wesentlich mehr und er sagt, mit dem Röhrenkopfhörerverstärker hört man Details, die er auf seiner Anlage (mit Kopfhörer) nicht wahrnehmen kann.
Davon schwärmte er auch seiner Frau vor. Sie soll gesagt haben: "Willst Du jetzt etwa sowas auch noch haben!?" - Ende der Diskusion. So sind sie, die Ehefrauen.
Ich werde mal sehen, ob ich die Schaltung auch mit 6H1P und 6C19P nachbauen kann. Das passt dann in ein Gehäuse und ist auch vor seinem Kind sicher. Dann gibt es wohl endgültig einen Röhrenfan mehr, und seine Frau muß daß nicht mal merken.
Hier ist der Link, wo die Schaltung meines Verstärkers herstammt. Ich habe sie nur unvesentlich verändert. Besonders die Stromversorgung ist anders geworden, aber das Grobe blieb:
http://home.att.net/~gurevise/Headphone_amplifier.html
Nochmals zum Schaltplan: Ist alles schon mal da gewesen. Wichtig ist noch die Aufteilung der Doppeltrioden. Je Röhre ist je eine Triode für den rechten und die andere Triode für den linken Kanal zuständig Ich hätte auch im Entzerrer je Kanal eine komplette Röhre nehmen können. Allerdings hatte ich Angst, wenn es zu Mitkopplungen in der Röhre kommt, dann gibt es Schwingungen die ich nicht beherrschen kann. So konnte es maximal zu übersprechen kommen, damit hätte ich leben können, bzw. mit Tricks wieder beseitigen können. Aber Tricks sind garnicht nötig: die Räumlichkeit im Stereosignal ist so gut, so daß ich garnicht nach übersprechen kontrolliert habe. Der Verstärker läuft mit 32 Ohm sehr gut und mit 600Ohm Hörern richtig super.
Ich habe AKG, Sennheiser und Vivancokopfhörer probiert. Den Vivanco (69,-Euro) kann man gleich wegtun. Der Sennheiser NP: 320,-DM (ausgeliehen) sitzt unspürbar überm Ohr und bringt den Ton seidenweich direkt ins Hirn. Er hat ca. 200 Ohm. Der AKG K141 monitor(600 Ohm) ist meiner und sitzt nicht so perfekt, aber der scheint mit meinem Kopfhörerverstärker eine ideale Kombination zu sein. Lautstärke bis fast an die Schmerzschwelle, kaum Verzerrung. Nur wenn die Membran "anschlägt", dann nehme ich den Lautstärkeregler ein Grad zurück und ich höre HiFi!
Zum nächsten Foto: Das dicke runde Ding auf der Oberseiten, mittig unten im Bild, das ist eine veriegelte 6,3mm Klinkenbuchse der Fa. Neutrik. Echt massives Teil. Gibts bei Reichelt und ist die Ausgangsbuchse für den Kopfhörer.


Die beiden weißen Dinger links und rechts im folgenden Bild sind die 18-20 Watt-Leuchstofflampendrosseln. Diese sind von Pollin, 1,-Euro per Stück. Je eine für die Endröhre und für die 320V der 6H8C.


An den Seitenwänden innen im Gehäuse verschraubt Dr.1 und Dr.2 in der Schaltung.
Gemessen habe ich die dort verbauten nicht. Habe aber soeben noch eine andere Sorte Leuchtstofflampendrossel mit dem Ohmmeter getestet: 45 Ohm Gleichstromwiderstand (mit Digital-Multimeter) gemessen. Diese Drossel hatte ich in der Testphase probiert, bevor ich die beiden dort verbauten Drosseln neu bei Pollin bestellt habe. Eine andere Drossel habe ich mal auf Arbeit am Induktivitätsprüfer gehabt. Es waren etwa 5H.
Was ich erstaunlich finde, ist das sie nicht groß heiß werden, auch die Drossel für die Endtrioden bleibt cool., obwohl fast 200mA DC durchfließen. Und eigendlich haben sie keinen Luftspalt, so daß die Drosseln im Gleichstrom eigentlich gesättigt sein müssen und es brummt trotzdem nicht! - Mit Widerständen hatte ich das Brummen nicht wegbekommen, egal welchen Wert ich probiert hatte. Von 100 über 220 -> 500 Ohm in der Endstufenversorgung und auch in der Vorstufe habe ich von 100 - 3 KOhm alles probiert was ich leistungsmäßig "rumliegen" hatte. Nur die Dinger aus den Leuchtstofflampen funktionierten.






Der 230/230V Trafo ist auf der Platine (kaum zu sehen) und der Ringkern liefert die Heizspannung 6,3V AC unsymmetriert und die 100V Anodenspannung (ca 48V AC verdoppelt) für die 6H13C.






Gruß, Harald.

Zurück zur Hauptseite