Konstuktion eines Hochvolt-Netzteils mit Einschaltverzögerung
von Volker Jeschkeit

bild 1,2,3,4 sind bilder der schaltbox des HV-netzteiles, das schaltbild überarbeite ich noch, da ich alles auf DC umgestellt habe.






die näxten bildchen sind der HV-trafo vom rainer baule (EI 150) und sein gehäuse (fa.jaeger, bern). das gehäuse wird noch schwarz lackiert.
der trafo ist richtig knackig mit der üblichen 30 % reserve und wird ausserhalb des amps gebaut oder in einen holzsockel unterhalb des amps.




die nächsten 2 bilder zeigen zum einen die heiztrafos im 80 x 80 mm stahlrohrgehäuse 180 mm hoch.
in dem einen sitzen 3 heiztrafo a 6 volt 4 A übereinander, die sind von pollin, der andere hat 2 x 12 volt 4 amp (auch von pollin) und ein trafo mit 22 volt (für die positive G1 spannung der endröhre) und 50 volt 20 mA um die narva-SR1 schaltröhre zu betreiben, die schaltzeit wird über den spannungsregler LM317 in der schaltbox eingestellt (3-10 sec). das andere bild zeigt jeweils 2 stück 10 Hy 150 mA drosseln von der fa. engel im stahlrohr gehäuse.
das röhr hab ich hier von thyssenschulte in d-dorf inner abfallkiste gefunden,zuschneiden lassen. den deckel hab ich dann auf der baustelle aufgeschweisst. die trafos und drosseln sind damit sehr gut abgeschirmt (3mm stahl!).




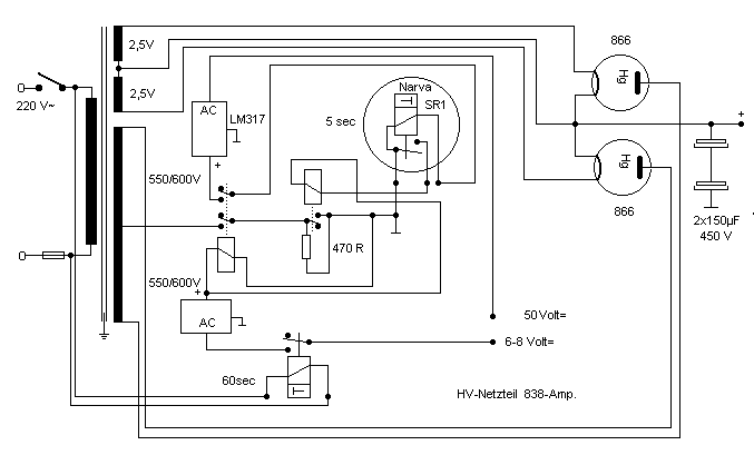
mit dem schaltbild des HV-netzteiles und dem kleinen detailschaltbild in der anlage sieh man wie man mit potentialfreien kontakten HG-gleichrichter betreibt (egal welchen), die einen eingang mit ladeelko haben.
hierbei wird nach der ersten schaltstufe der elko über den 470 ohm vorgeladen, die 2.schaltstufe schaltet nach 5 sec den vollen saft auf die siebkette. ich habe hier ne schaltröhre verwendet, kann man auch sparen.





der amp hat die abmessungen 400 x 300 mm, höhe 85 mm. die lundahl trafos kommen unter das chassis. das chassis hab ich auf der baustelle gebogen und geschweisst, es besteht aus 2 mm alu.





Zurück zur Hauptseite