ACROSOUND 6-50 Monoblöcke
von Jochen Wankmiller
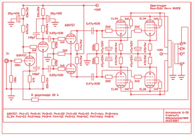
Der Acrosound 6-50 Amp basiert auf einem Schaltungsvorschlag, der vor ca. 40 Jahren von der Firma ACROSOUND (welche damals
hochwertige Ausgangsübertrager herstellte) publiziert wurde.
Es handelt sich um einen Ultralinear Class A PP Verstärker mit Gegenkopplung über alles. Dem Schaltungskonzept
nach ist der Amp als "Williamson-Schaltkreis" einzustufen. Was heißt 6-50 ? 6 Röhren, 50 W sin.
Vorstufe und Phasensplitter sind mit 2 x 6SN7 realisiert. In der Endstufe 4xEL 34 pro Kanal in Class A Betrieb mit Autobias
durch Kathodenwiderstände.
Der Verstärker enthält keine Potis und erfordert keine Abgleicharbeiten oder Einstellarbeiten ("Bias").
Er ist leicht nachzubauen und arbeitet stabil und zuverlässig.
Da es sich bei diesem Amp um einen ziemlich dicken Brummer handelt, ist es nicht ratsam das Gerät als Stereogerät
auf einem Chassis aufzubauen. Ein Mono wiegt satte 18 kg.
So ein Riesending mit nur 50 Watt ???
Der Amp hat echte 50 W sin Dauerton Leistung im Klasse A Betrieb die (im Gegensatz zu einem Halbleiteramp der >hart
klippt< ) auch wirklich "benutzt" werden können, da der Amp darüber sehr weich klippt. Die gefühlte
Leistung liegt bei etwa 200 Transistor-Watt.
Mit der Maustaste das jeweilige Schaltbild anklicken, es wird dann in voller Auflösung
dargestellt.

Der Link zur Gehäusezeichnung als PDF
Folgende Teile wurden verwendet:
Bauteil (evtll Lieferant/Hersteller)
Übertrager 4xEL34
Netztrafo
Elkos 3x220µF/500V + 1x470µF/450V
Gehäuse Edelstahl 2mm nach AUTOCAD Zeichnung lasergeschnitten, 90° gekantet, in den Ecken von innen verschweißt.
Abmessungen B=675 H=80 T=200
Masseverdrahtung: Silberdraht 1mm; Conrad
Endröhren: JJ/Tesla; BTB oder TAD
Vorröhren: 6SN7GT; BTB oder TAD
Koppelkondensatoren: Mundorf MCap oder Wima FKP1 Thel
Widerstände: 1 Watt 1% MOX; Conrad, 5 Watt 5% MOX; Thel
Generell zu den Bauteilen:
- Verwenden Sie mögl. generell Widerstände > = 1 Watt, falls nicht anders vermerkt. Ich verwende bevorzugt 1W/1%
Metalloxid von Conrad. Als HF Dämpfungswiderstände kann man auch 1/8 oder 1/4 Watt Typen einsetzen.
- Bypasskondensatoren für Elkos sollten WIMA FKP-1 Typen sein.
- Gute Koppel-C`s : WIMA FKP-1; Mundorf M-Cap; TAD Mustard; Sprague orange drops, Vintage Öl/Papier (die sind leider
ziemlich groß)
- Elkos mit hoher Strombelastbarkeit verwenden. (z.B. Schaltnetzteilelkos)
- Ich empfehle 6SN7 Röhren von TAD; speziell die 6SN7GT premium selected.
- Ich empfehle EL34-STR von TAD falls Sie den Amp für PA Zwecke nutzen und voll ausfahren.
- Für normale Anwendung sind andere EL34 auch o.k.
Gegenkopplung Acro 6-50:
Da die heutigen Übertrager einen wesentlich breiteren Frequenzbereich übertragen als die alten Acrosound, ist es
erforderlich die Gegenkopplung gegenüber der Originalschaltung runterzunehmen, sonst oszilliert der Amp in Frequenzen
oberhalb des Hörbereichs.
Originalgegenkopplung: 12 k an der 16 Ohm Wicklung; neuer Wert für den Übertrager: 20 k an der 16 Ohm Wicklung.
Gegenkopplung allgemein für Vintage Schaltungskonzepte:
Das Thema "korrekter Wert der Gegenkopplung" ist ein Problem das durch die Bank alle Vintage Amp Schaltpläne
betrifft, da die modernen Ausgangsübertrager einfach in Ihren Werten sehr stark von den Vintage Übertragern
abweichen. Nach folgender Vorgehensweise kann der Experimentator sich an den besten Wert herantasten:
Den Gegenkopplungswiderstand durch ein Poti ersetzen. Dieses wird im Betrieb vom grösstmögl. Widerstand ganz
langsam soweit runtergedreht, bis der Amp anfängt zu oszillieren.
ACHTUNG: Die Oszillation ist evtl. NICHT im hörbaren Bereich. Daher am AÜ ein Digitalmultimeter
anschließen; von der Anode einer Endröhre gegen Masse, Messbereich DC 1000 V. Es sollte immer ca. +Ub1 angezeigt
werden.
Zeigt das DMM aber nur ständig wechselnde Anzeige oder Spannungen die mehr als ca. 5 Volt von +Ub1 abweichen, dann
oszilliert der Amp im HF Bereich !!!
Dass bei dieser Aktion ein Billigwegwerflautsprecher angeschlossen wird und NICHT z.B. ein Klangfilm KL406 oder eine
Lowther Kobaltbombe versteht sich von selbst.
Wenn der Wert gefunden ist bei dem der Amp gerade noch nicht oszilliert, sucht man einen passenden Widerstand der einen
Wert hat, der etwa 20-30% größer ist als der Messwert, und lötet ihn rein. Fertig.
Gleichstromheizung für 6SN7:
Wenn Sie nicht ausschl. die neue TAD 6SN7 GT oder alte RCA 6SN7 GT verwenden, dann brummt die Endstufe ohne DC Heizung der
Vorröhren.
Daher ist die Endstufe mit DC Heizung für die 6SN7 ausgerüstet; somit können auch Sovtek o.ä. Fabrikate
eingesetzt werden. Die gemessene Spannung bei der Kombination B40C3300/5000 mit 15000 µF und 2x 6SN7 beträgt 6,2 Volt.
Größere Gleichrichter haben niedrigeren Innenwiderstand und erfordern dann einen zusätzl. Vorwiderstand
für die Heizung.
Gehäusematerial:
Edelstahlgehäuse aus 1.4301 oder 1.4571 sind nichtmagnetisch und leiten somit die magnet. Feldlinien des Netztrafos
nicht in Regionen weiter, wo sich die Vorstufe befindet.
Gehäuselayout:
Netztrafo und Übertrager sind weit voneinander entfernt und um 90° verdreht.
Die empfindlichen Eingangsröhren sind weit vom Netztrafo entfernt. Ansonsten ist die Anordnung klassisch-konservativ.
Eine Kollegin hat mich mal gefragt, ob ich meine Amps von Darth Vader oder Flash Gordon designen lasse... - So schlimm
find ich's aber eigentlich nicht, oder ?
Falls Sie den Amp in ein Gehäuse EINbauen möchten (also Röhren im Gehäuse statt auf dem Chassis), bitte
beachten Sie folgendes: Der Amp strahlt ca. 100 Watt an thermischer Verlustleistung ab. UNBEDINGT den Kamineffekt ausnutzen;
und vermeiden Sie brennbares Gehäusematerial.
Masseführung:
Nur die Chinchbuchse hat Verbindung mit dem Gehäuse und ist der zentrale Massepunkt. Alle Masseverbindungen gehen zu
dem "Massebusdraht"; ein 1mm Silberdraht; ca. 100 mm lang, der an der Chinchbuchsenmasse angelötet ist.
Trafokerne:
Verwenden Sie Isolierscheiben und Isolierschlauch für die Befestigungsschrauben der Trafos.
Trafokerne NICHT anschleifen - sonst unweigerlich starke Verschlechterung der Kerneigenschaften. Wer das nicht glaubt:
Messen Sie den Leerlaufstrom eines Wegwerf-Netztrafos.
Schleifen Sie nun allseitig den Kern des Wegwerftrafos glatt.
Messen Sie jetzt nochmals den Leerlaufstrom. (er geht um 10...25% hoch)
Warum ? ---> Wirbelstromverlust durch gegenseitig kurzgeschlossene Blechpaketlamellen.
Bilden Sie sich nunmehr Ihr eigenes Urteil über Trafos mit geschweißtem Kern....
Erstaunlich der Frequenzbereich: Die SDR Test CD mit Sinustönen von 15 Hz bis 25kHz liefert auf dem Oszi ein
sauberes Signal mit konstantem Pegel.
Viel Spaß beim Nachbauen wünscht
Jochen Wankmiller