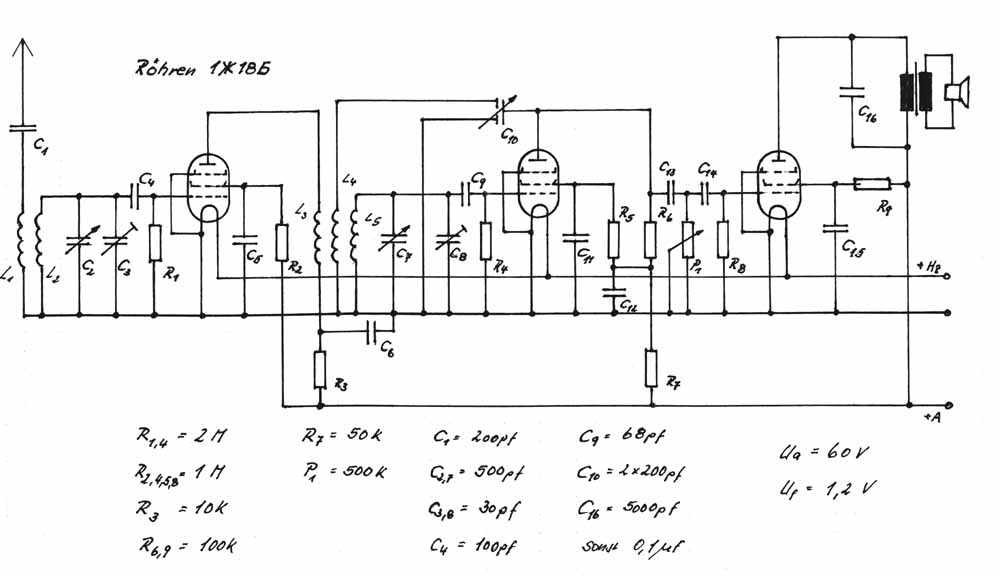
Bauanleitung für einen Zweikreis-Batterieempfänger mit der russischen Subminiatur-Röhre 1 SH 18 B

Vom Jochen Becher bekam ich die folgende Schaltung mit russischen 1SH18B zugesandt, mit Foto des Fertiggerätes.
Jochen schrieb mir dazu:
Hallo Jochen,
hier die Schaltung des 2 Kreisers, sicher läßt sich noch einiges verbessern z.B. die Antenne durch einen Drehko ankoppeln statt der Lautstärkeregelung.
Windungszahlen L1 = 20 Wdg ; L2 = 90 Wdg; L3 = 30Wdg; L4 = 25 Wdg und L5 = 90 Wdg, abhängig von den verwendeten Spulen.
Als Ausgangstrafo habe ich einen 100 V Übertrager von Conrad verwendet, Anschluss� 0,625 Watt. Die Stromaufnahme beträgt etwa 4 - 5 mA bei Ua = 60V.





Zurück zur Hauptseite