Der 6C33C-Verstärker vom Klaus.


Hallo Jochen,
als ich Dich zum ersten mal im Internet traf, es war im Januar 2001, war ich überrascht, mit wieviel Elan Du das Hobby Röhrentechnik verbreitest.
Da ich jahrzehntelang mit diesem Thema beschäftigt bin, sah ich dort viele interessante Schaltungen und Geräte die mich sehr interessierten. Vor allem eine Triode - groß und schön anzuschauen -
die russische 6C33C.
Man könnte einen Verstärker bauen dachte ich. Einen Eintaktverstärker oder Gegentaktverstärker mit viel Leistung. Oder man stellt sich die Röhre mit Fassung in den Wohnzimmerschrank - ein schöner Anblick. Die 6C33C ist sehr stabil gebaut - ich meine mechanisch. Was weniger schön ist, lieber Jochen, dass die Stifte der Röhre sehr kurz sind und ich immer Angst hatte, dass die Röhre aus der Septarfassung rausfallen könnte.

Nun das Gehäuse.
Einen Röhrenverstärker ohne Metallgehäuse kann ich mir nicht vorstellen, schon der Sicherheit wegen. Ich sah einmal einen Designer-Verstärker, Gehäuse aus Eiche und oben drauf die riesige 845. Mein Gott - würde ich sagen, schafft Hund und Katze beiseite, wenn das Ding läuft.
Einen Elcal-Profileinschub (Best.-Nr. 012.21.L) 19 Zoll, 440 mm breit, 300 mm tief und 44 mm hoch, würde für die Röhre passen.
Nun lieber Jochen, jetzt wirst Du sagen, es funktioniert doch nicht bei einer Höhe von 44 mm. - Ich mache es Dir vor, es geht!
Das Gehäuse hat nämlich eine Lochblechabdeckung. Wir drehen das Gehäuse einfach um, das Lochblech ist unten. Damit erreichen wir einen Kamineffekt, den wir bei dieser Röhre (Heizleistung 40 W) bitter nötig haben.
Ich bin auch der Meinung, dass 90% der Röhrenverstärker falsch entwickelt wurden. Man vernachlässigt die thermischen Effekte. Das Gehäuse ist nach unten zu, die Wärme kann nicht abfließen, Resultat : Kurze Lebensdauer der Endröhren.
Das Elcal-Gehäuse ist ideal für Röhrenverstärker. Nach unten luftdurchlässig,- für die 6C33C Lebenswichtig !
Das untere Blech des Gehäuses ist jetzt oben. Wir bohren ein Loch für die Röhre von 75 mm Mindestdurchmesser oder größer. Also, 10 mm größer als die Röhre im Durchmesser ist.
Nun wirst Du sagen, lieber Jochen, da hält die Fassung der Röhre nicht mehr. - Falsch gedacht!!
Wir setzen ein 2. Chassis unter das Deckblech in 5 mm Abstand und verschrauben die Septarfassung damit. Wir bohren Löcher um die Fassung. Der Kamineffekt ist vorhanden. Die Röhre saugt die kalte Luft von unten nach oben und kühlt sich dadurch ab. Wir haben gewonnen! 40 Watt Heizleistung werden so absorbiert. - Klasse, nicht ?
Ich sprach vorhin telefonisch mit Klaus, er sagte mir folgendes : "Ich habe die 6C33C 1 Stunde in Betrieb gehalten, ihre Temperatur gemessen. Dann habe ich eine Maske so über die Röhre gestüpt daß die Chassisvergrößerung durch die die 6C33C 'Luft' bekommt verdeckt ist. Dann habe ich die 6C33C eine weitere Stunde in Betrieb genommen, die Temperatur gemessen - sie ist um 60 Grad Celsius gestiegen. Dadurch wäre die Lebensdauer der 6C33C um etliche Jahre verkürzt !"
Bei den anderen Röhren kann man ebenso verfahren. An das Lochblech, welches jetzt das Bodenblech ist, werden 4 Stück Gummifüße geschraubt (20 mm hoch).
In sämtliche Teile des Gehäuses habe ich außerdem noch Löcher gebohrt - 3 mm Durchmesser- mit Lötösen verbunden und mit mindestens 0,75 mm2 Schaltdraht, Farbe gelb-grün verlötet. - Das gehört zur Sicherheit. Die VDE Sicherheitsbestimmungen verlangen das.
Danach werden die Löcher für die Röhren, Schalter, Buchsen usw. gebohrt, auch das entgraten nicht vergessen.
Man kann das Gehäuse selbstverständlich auch nach eigenen Ideen spritzen, bemalen usw.. Meine Gehäuse werden geschliffen, grundiert und mit weißen Buchstaben versehen und Hochglanz schutzlackiert.

Die Front des Gerätes.



Der schwarze Lack ist hochglanzpoliert und die silbernen Knöpfe sind massiv. - Ein toller Anblick. Links der Einschalter mit grüner LED-Anzeige, Kippschalter 2polig 6 A schwarz.
Dann der Wahlschalter 4 Stellungen, 3 Kontakte mit Leuchtdioden 3 mm rot, rechts daneben sitzt der Lautsprecherschalter, der die angeschlossenen Lautsprecher ausschaltet, 2 Stellungen, 10 Kontakte, Leuchtdiode 3 mm rot.
Dann kommt der Schalter für die mA-Anzeige, 3 Stellungen, 4 Kontakte, die Anzeige zeigt 50 mA, 100 mA und 175 mA, Leuchtdiode 3 mm rot.
Daneben sitzt der Kippschalter 2 x UM in schwarz :
GK=Gegenkopplung ein. 0 = Gegenkopplung aus.
Weiter rechts, der Schalter für die LED-Anzeige mA, 3 Stellungen, 4 Kontakte, links für die linke Endröhre, mitte LED-Anzeige aus, rechts für rechte Endröhre.
Daneben der Regler Balance, mitte, links und rechts, 50 KOhm Poti Stereo.
Rechts weiter das Poti für die Höhen 2 x 1 MOhm, und die Bässe 2 x 1 MOhm.
Weiter rechts der Kippschalter schwarz:
G+ gehörrichtige Lautstärke ein,
N= gehörrichtige Lautstärke aus.
Rechts das Poti Lautstärke, mit 41 Stellungen 100 KOhm mit Anzapfung 19 KOhm.

Abdeckung des Gehäuses.
Auf dem Deckel des Gehäuses sitzen die Röhren.
Einstellung der GK (Gegenkopplung) links und rechts, Einstellung des Ruhestroms 50 mA, 100 mA und 175 mA. Die LED-Anzeige rot für die, die den Ruhestrom der Endröhren direkt in mA anzeigt.
Auf dem hinteren Teil des Gehäuses sitzen 2 Ringkerntrafos 2 x 160 Watt, daneben die 2 Ausgangsübertrager El 130/46; ca. 6 kg schwer.

Die Rückseite des Gerätes.



Wieder von links nach rechts:
getrennte Masseklemme, daneben 12 Cinchbuchsen.
4 Eingänge 100 KOhm Eingangsimpedance, 2 Ausgänge Aufnahme 10 KOhm,
2 Klinkenbuchsen, Lausprecher 8 Ohm, 2 Feinsicherungen für Endröhren 400 mA mittelträge, 1 Feinsicherung für Hochspannung der Vorröhren 160 mA mittelträge, 1 Feinsicherung für Netz 230 V 2,5 A mittelträge, 1 Netzbuchse 230 V mit Stecker und Kabel 3 x 1,5 mm2.

Die Röhrenbestückung.
Nach Versuchen mit verschiedenen Anodenspannungen 80 V, 120 V, 150 V und 300 V :
Mit Gleichrichter und Gleichrichterröhre und verschieden Ruheströmen, zeigte die 6C33C seltsame Klangszenen.
Bei hohen Spannungen bis 300 V und ca. 50 mA Ruhestrom, mit Gleichrichter bei ausgeschalteter GK war das Klangbild etwas scharf und seltsam mittenbetont.
Wurde eine Gleichrichterröhre z.B. GZ 34 oder 5U4G dazwischengeschaltet, kam Ruhe in das Klangbild die Höhen kamen seidig und die Bässe etwas überbetont.
Nahm man die Anodenspannung zurück bei ausgeschalteter GK und einen Ruhestrom von ca. 100 mA bei 120 V war das Klangbild s u p e r ! (mein persönlicher Eindruck)
Meine Messungen ergaben, die Röhre zeigt bei mittleren Anodenspannungen mit Gleichrichterröhre und ohne GK die gehörmäßig besten Werte.

Ach ja, Jochen, ich hätte da noch einen Traum, vielleicht geht er in Erfüllung, einen Vollverstärker mit 2 mal 6C33C Parallel-Single Ended bei IL 300 mA RA 300-400 Ohm Output 30 Watt bei 8 Ohm und der russischen Gleichrichterröhre 5U8C (5Z8S), die Du auf Deiner Russenröhren-Seite vorstellst.

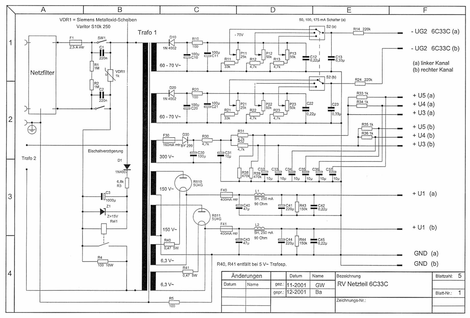
Nun zur Gleichrichterröhre: zur Auswahl kamen AZ 50, AX 50, GZ 34 und 5U4G.
Die AZ 50 ist sehr teuer (4 V-Heizung).
Die AX 50 ist günstig zu bekommen aber ekelhaft in Betrieb (flackern der Gasfüllung).
Die GZ 34 ist super! Spannung kommt verzögert - Schonung der Endröhren, aber sehr klein - schaut nicht gut aus !
Die letzte, lieber Jochen, kam dann zum Einsatz - die 5U4G : tolles Aussehen - großes Flaschengehäuse - sehr stark : 300-400 mA, direkt geheizt, Heizwendel hängen über Federn in der Anode. - Ich bevorzuge die russische Version 5U3C.
Bei den anderen Röhren wollte ich zuerst auf die üblichen Röhren zurückgreifen. (ECC 81-83).
Aber wie sieht so ein Supergerät mit so kleinen Röhren aus? (besch...........)
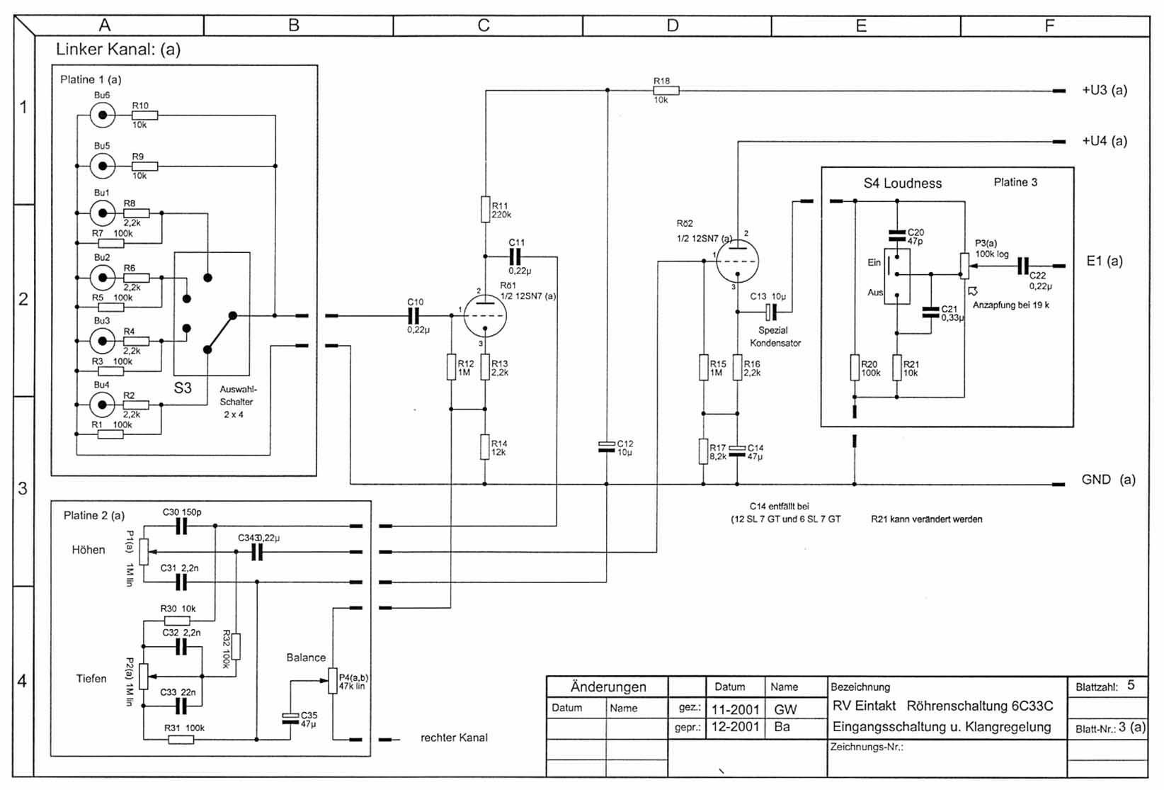
Meine Wahl fiel schließlich auf die 12SN7GT. Sie hat einen Oktalsockel und ist ideal für NF-Zwecke. Das µ ist günstig, der Innenwiderstand von 7,7 KOhm auch.
Die Röhrenfassungen sind alle aus Keramik, mit versilberten Kelchfederkontakten. Die Röhrenbestückung pro Kanal ist einmal 6C33C, einmal 5U4G und 3 x 12 SN7GT.

Die Schaltung.
Sämtliche Röhren sind handverdrahtet.
Beim Versuch die Röhre 6C33C mit Gleichspannung zu beheizen wurden folgende Erfahrungen gemacht:
Der Regler war kein Problem, Linear-Technology LT084CT, bei voller Ausregelung nur 1 V Differenz zwischen Eingang und Ausgang. - Nur der Gleichrichter machte nicht mit, sehr großer Kühlkörper, Spannungsabfall pro Diode ca. 1 V.
Also wurde die 6C33C mit Wechselspannung beheizt. Bei den Vorröhren 12SN7GT ist es Gleichspannung.
Da die Ringkerne beim Einschalten viel Strom ziehen, wurde eine Einschalt-strombegrenzung eingebaut (s. Schaltbild).

Ich muß nochmals betonen, daß beim Bau eines Röhrenverstärkers ungeahnte Schwierigkeiten auftreten können. Es ist unbedingt wichtig, die Masseleitungen sämtlicher Schaltungsstufen nur an einem Punkt miteinander zu verbinden.
Sehr wichtig ist es die Betriebsmasse mit einen Widerstand von 100 Ohm auf das Gehäuse (Schutzleiter) zu legen. (Abschirmwirkung, kein Brumm)
Beim Testen darf der Verstärker bei aufgedrehten Lautstärkeregler kein Brumm oder Rauschen über die Lautsprecher zu Gehör bringen.
Zum verdrahten das Aufbauschaltbild verwenden.
Beim Einschalten läuft die Heizspannung langsam auf Sollwert = 12,6 V. Diese Spannung wird auch benutzt, um das Lautsprecherrelais zu schalten. Man kann damit auch auf der Frontplatte den Lautsprecher abschalten und den Kopfhörer bedienen.

Die Endröhre 6C33C läuft mit 150 V.
Die sechs 12SN7GT Röhren laufen je nach Schaltstufe mit 300 V.
Heizspannung der 6C33C 12,6 V,
Heizspannung der 12SN7GT 12,6 V Gleichspannung,
Heizspannung der 6U4G 5V3A,
die negative Betriebsspannung beträgt -58 V.

Bei der Herstellung der Schaltung wurde auf Betriebssicherheit geachtet.
Um Nachbauwilligen entgegenzukommen wurde auf bekannte Schaltungen zurückgegriffen, die tausendfach bewährt sind.
Die Kondensatoren im Verstärkerzweig sind WIMA-MKP 10-400 V-630 V, Raster 27,5 mm. Es können auch andere Kondensatoren Verwendung finden, zB. WIMA-MKS-4 630 V usw.

Über die Cinchbuchsen gelangt die NF auf den Wahlschalter (4 Stellungen) und das Gitter der ersten 12SN7GT. Der Eingang ist mit 100 KOhm abgeschlossen. Die nachfolgende Klangregelstufe ist ähnlich wie in der Internetseite " Klangregelung für Röhrenverstärker" aufgebaut. Manche Leute werden jetzt sagen "Klangregelung - nein danke !" Ich bin jedoch der Meinung, das eine Klangregelung unter Umständen nötig ist, weil jede Lautsprecherbox anders ist und man sich so "sein" Klangbild, passend zur Lautsprecherbox, einstellen kann.
Einstellbereiche von etwa +/-10 dB sind ausreichend. Die Kathodenfolgerstufe wurde kapazitiv überbrückt um den Lautstärkeregler nach unten lautstärkemäßig zu verlängern.
Der Lautstärkeregler hat 41 Stellungen und vom kalten Ende bei 19 kOhm eine Anzapfung. Der 2-polige Kippschalter überbrückt in Stellung N das R-C-Glied und schaltet die gehörrichtige Lautstärkeregelung aus.

Nun, Jochen, möchte ich zu der Bemerkung "Aufbauschaltbild" kommen.
Auf das Papier, in Originalgröße, ist das gesamte Schaltbild aufgetragen. Man braucht nur die Bauteile vom Aufbauschaltbild in die Schaltung zu übertragen. Die in der Klangregelstufe vorkommenden Anodenwiderstände sind mehrfach aufgeteilt und entkoppelt. Es ergibt sich in der Linearstellung eine 10fache Spannungsverstärkung.
Man kann ab hier die Schaltung auch als Endstufe aufbauen.
Um einen optimalen Störabstand zu erreichen und eine ausreichende Verstärkung zu erhalten, wurden in der nächsten Stufe die beiden Triodensysteme parallel geschälten. Wir erreichen dadurch eine hohe Leerlaufverstärkung, und die Spannungsverstärkung wird entsprechend größer. Am überbrückten aufgeteilten Kathodenwiderstand wird die GK angeschlossen. Der 2-polige Kippschalter schaltet die GK aus.
Die Treiberstufe ist als SRPP-Schaltungsprinzip bekannt. Das garantiert niedrigen Klirrfaktor, hohe Verstärkung, hohe Übersteuerungsreserve, gute Linearität usw.
Die Stufe arbeitet mit 320 V.
Die Schaltung ist aufgebaut wie in der Internetseite "Röhrenverstärker mit der Triode 6C33C".
Die Endröhre wird mit 0,47 uF 400 V von der Kathode der SRPP angesteuert. Die Kathode der 6C33C liegt mit 10 Ohm hoch - dort ist das mA-Meter angeschlossen.
Über die Einstellregler auf der Oberseite des Gerätes lassen sich 3 verschiedene Ruheströme einstellen und anzeigen - 14 mm LED-Anzeige.
Die GK läßt sich mit einen Einstellregler regeln.
Durch das Aufbauschaltbild wurde erreicht, daß mit Handverdrahtung absolute Brumm- und Rauschfreiheit gegeben ist. - Zur Ausgangsleistung möchte ich mich nicht äußern...
Der Vergleich mit einer Endstufe mit 40 Endtransistoren und zwei 1000 W - Ringkernen enttäuschte, die 6C33C arbeitete nicht an der Musik, sie spielte sie, sie war damit viel näher der Musik.

Mein nächstes Projekt steht jefenfalls fest ! Ich hoffe der Traum wird wahr !!

1.: Der Röhrenlautsprecher für die 6 C33C mit 3 ltr. Gehäusevolumen.

2.:Der Vollverstärker mit 2 x 6C33C Parallel-Single Ended bei IL 300 mA Output 30 W bei 8 Ohm und der russischen Gleichrichterröhre 5U8C (5Z8S).

3. Der Vollverstärker mit der Doppeltriode 6AS7G im Eintakt und der russischen Spanngittertriode 6C19N-B als Treiber Gleichrichterröhre 5Z4S (5Z4G).

Tschüss Jochen !!

Klaus sandte mir die beiden oben bereits dargestellten Fotos, mitsamt den nachfolgenden, zu - sie zeigen einen "Rundgang" um den Verstärker herum.







Klaus hatte das Schaltbild (die Aufbauschaltung wird nur dem Verstärker beigegeben) noch nicht fertigbekommen, er wird es mir demnächst zusenden - ich werde es dann unverzüglich hier mit einsetzen.
Die auf den Fotos sichtbaren Lautsprecherboxen (leider bisher noch in weißem Gehäuse - sie werden, passend zum Verstärker, in schwarzem Gehäuse ausgeliefert) wurden speziell (mitsamt Frequenzweichen) auf diesen Verstärker abgeglichen.
Klaus ist absolut ein Fachmann auf diesem Gebiet, er hatte es beruflich ausgeübt; man kann ihm dahingehend ruhigem Gewissens vertrauen.

Ich habe den Lautsprecher abgeschaltet (mit dem zweiten Schalter von links kann man ihn abschalten, um nur über Kopfhörer zu hören) und meinen Kopfhörer angeschlossen.
Erst mal ohne Signal - NICHTS von Rauschen, NICHTS an Brummen war hörbar.
Dann mit Signal... herrlich. Einfach nur : herrlich.
Leider hat Klaus eine Höhen- und Tiefenbeeinflussung von nur +/- 5 db eingebaut; hier wäre meiner Meinung nach etwas mehr angebracht gewesen, zumindest auf +/- 10 db.
(Es kann aber auch an meinem Gehör liegen, ich habe durch überlaute Disko-Musik früher wohl doch mein Gehör zu sehr geschädigt, zumindest höre ich die Höhen schlechter als andere...)
Auch die bestellten und mitgelieferten Boxen, die Klaus baut und anbietet, habe ich getestet - selbst bei der Overtüre Solonelle, beim Kanonenschlag, machen die kleinen Boxen nicht schlapp, es war ein große Überraschung, diese Boxen zu hören.
Ich habe dann vorhin auch noch (neugierig) die Bodenplatte abgeschraubt, um mir die Verdrahtung anzusehen : ein Hammer. Ein echter Hammer, was der Klaus da eingebaut hat, mit einer überzeugenden, sauberen Verdrahtung darin.
Selbst bei der Lautstärke - mein 6C33C-Verstärker leistet um 20 Watt, dieser hier "nur" 15 Watt - ist kein Unterschied hörbar.
Wenn diese beiden Verstärker mit voller Leistung losbrüllen bleibt eh' kein Auge trocken....

P.S.: Ich hoffe, es denkt jetzt keiner ich bekomme vom Klaus Provision, weil ich das hier alles geschrieben habe !
Dem ist wirklich nicht so. Ich bin nur so sehr begeistert von diesem Verstärker, so überzeugt - ich MUSSTE dieses hier einfach schreiben !

Um auch nur annäherungsweise zu verdeutlichen was in diesem Verstärker eingebaut wurde, habe ich ein Foto von der Unterseite gemacht. Unglaublich, was Klaus da alles eingebaut hat !



Zum Abchluß noch ein kleines "Stimmungs-Foto", welches ich soeben noch angefertigt habe.



Mittlerweile sind sämtliche Schaltpläne, professionell gezeichnet, bei mir eingetroffen. Ich stelle sie hier, als stark verkleinerten Link, vor. Mit einem Mausklick auf das jeweilige Bild kann man es sich dann in voller und unkomprimierter Größe ansehen und herunterladen.

Eingangsschaltung und Klangregelung (linker Kanal)
Endstufen-Schaltung
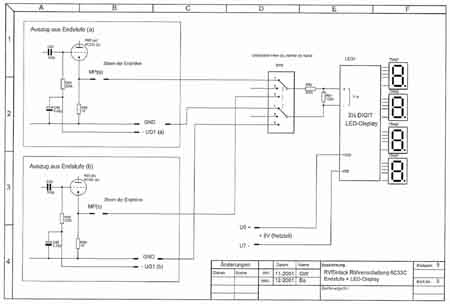
LED-Anzeige - Schaltung
Netzteil Röhrenverstärker 6C33C
Netzteil Röhrenverstärker 6C33C

Die neuesten Bilder die Klaus mir zusandte stelle ich hier vor, das erste zeigt den Netztransformator. Es ist, wie man unschwer erkennen kann, ein Ringkern-Typ - aber was für einer !! Mit seinen 13 cm Durchmesser und 8 cm Höhe stellt er die beachtliche Leistung von 400 Watt zur Verfügung ...



Das nächste Foto zeigt den Ausgangsübertrager, ein 10-fach-verschachtelter EI - 130er.



Das nächste Bild zeigt einige der Baugruppen, die Klaus in den Vollverstärker einbaut. Es sind die Einschaltverzögerung Netz, die Einschaltverzögerung Anodenspannung (mit Lautsprecher-Aus) sowie die Gleichstromheizung der Vorstufenröhren.



_____________________________________________________________________________________
Ich habe inzwischen neue Fotos des neuen Verstärkers vom Klaus erhalten. Klaus "feilte" erheblich am Gehäuse-Design, konnte es auf 44 mm Höhe verkleinern. Sagenhaft...
Die Kommentare zu den folgenden Fotos stammen vom Klaus

Die schwarze Ausführung.


Von oben - einfach toll.


Das Gehäuse - nur 44 mm hoch.


Die Seite - auch ganz schön..


Die Rückseite.


"Der Schwarze" in der Wohnung - sieht sehr klein aus...


Hier nun einige Bilder des Werdegangs. - Hier die zweite (innere) Deckplatte, Oberseite).


Die zweite (innere) Deckplatte , Unterseite (Bestückungsseite).


Die Deckplatte.


Die Frontplatte.


Die Rückplatte (Anschlüsse).


Der Bausatz. (Kommt vielleicht...)


Die Abdeckung der Trafos (neu).


Anmerkung von mir zur Trafoabdeckung: Klaus verwendet schwarzes Platinenmaterial, Kupferseite = Innenseite der Abdeckung, von innen verlötet, abschließend außen schwarz lackiert. Der mittlere Teil nimmt später den mächtigen Ringkern-Netztrafo auf. - Ich finde, es ist eine hervorragende Idee, die Trafohauben aus diesem Material herzustellen!

Gruß, Klaus.

Zurück zur Hauptseite