Der "Große Vollverstärker vom Klaus" mit 4 x 6C33C Parallel-Single-Ended
von Klaus


Hallo, Jochen.
Es ist nun ein Jahr her als ich Dir mitteilte, dass ich mich mit der russischen Triode 6C33C beschäftigen möchte.
Daraus wurde der "6C33C-Verstärker vom Klaus".
Der Vollverstärker ist ausgereift, mit einem formschönen, schmalen Gehäuse versehen und ist absolut nicht reparaturanfällig.
Ich habe Dir bereits im vergangenen Jahr angekündigt, einen Vollverstärker vorzustellen der mit zwei 6C33C im Parallelbetrieb arbeitet und mit der russischen Gleichrichterröhre 5U8C bestückt ist, welche Du auf Deiner Russenseite vorgestellt hast. - (Siehe hier)

Ich möchte diesen Vollverstärker hier vorstellen und beschreiben.
Anlaß waren auch die vielen Anfragen zu diesem Gerät und ob man es auch an mit weniger empfindlichen Boxen betreiben kann.

Zuerst das Gehäuse:
Einen Elcal Profileinschub (Best.-Nr. 01 2.61.L) 19 Zoll hoch, 440 mm breit, 406 mm tief - also 100 mm tiefer als der kleinere 6C33C-Verstärker - und 44 mm hoch würde für diese Superröhre passen.
Es wurden alle Möglichkeiten ausgenutzt und alle Techniken angewandt um thermisch die Sache in den Griff zu bekommen. Das Elcal Gehäuse ist ideal für Röhrenverstärker, es ist luftdurchlässig, für die 6C33C lebenswichtig. Es wurde ein zweites Deckblech eingezogen und damit der Kamineffekt verbessert.
Unter sämtlichen Schrauben kamen Zahnscheiben zum Einsatz, welche die Stabilität verbessern und die einzelnen Gehäuseteile kontaktmäßig super verbinden. In den Seitenteilen befestigte ich Stahlmuttern die das Bodenblech -Lochblech- fest miteinander verbinden, bei 25 kg Gesamtgewicht ist das wichtig.
Es ist pulverbeschichtet, die Frontplatte kantenmäßig Alu natur und die Ansicht eloxiert.
Die Knöpfe sind, je nach Wahl, vergoldet, Alu eloxiert oder Kegelknöpfe mit eingelegter Aluplatte.
- Alles andere gleicht meinen ersten Brief an Dich.
Es wurde daraus ein formschönes Gerät!


Die Front ist - wie bereits gesagt - eloxiert. Links ist die blaue Led zu sehen, weiter rechts der Kippschalter (Hauptschalter), weiter kommt der Wahlschalter : 1 Eingang Plattenspieler MM, 3 Eingänge CD usw., dann der Schalter für die Kopfhörer, weiter für den Ruhestrom (5 Einstellungen), rechts der Kippschalter für die GK, dann der Schalter für die Ruhestromhöhe, außerdem Balanceregler, Höhen- und Tiefenregler 5 dB, dann Kippschalter G+ oder aus, rechts Lautstärkeregler 100 kOhm mit Anzapfung 19 kOhm.
Ganz rechts die KH-Klinkenbuchse.
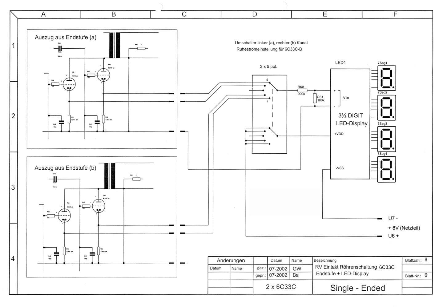
Auf der Abdeckungdes Gehäuses sitzen die Röhren. Vorne links und rechts befinden sich die Einstellungen des Ruhestroms -80 mA bis +120 mA (oder andere Einstellungen).


Zu sehen ist eine Led-Anzeige die den Ruhestrom der Endröhren direkt in mA anzeigt. Im vorderen Bereich sind die Vorstufenröhren befestigt (8 Stck.), links und rechts je 2 Stck. 6C33C, im hinteren Teil links und rechts je eine 5U8C, außerdem die Übertrager EI 130 spezial mit je 7 kg Gewicht.
In der Mitte der Netztrafo mit ca. 600 Watt und 6 kg schwer.
Auf der Rückseite des Gerätes befinden sich von links nach rechts:
Masseklemme, 12 vergoldete Chinchbuchsen, Eingang: 1 Plattenspieler MM 3 mV, 47 kOhm.
Eingang: 2-4 für CD usw. 100 kOhm. 2 Ausgänge: 10 kOhm (Tonband).


Weiter rechts die Polklemmen 25 A für die Lautsprecher 8 Ohm, dann die Sicherungen : 2 x Anode 0,7 A mtr, 1 x Hochspannung 0,315 A tr, 1 x Netz 3,15 A tr, 1 x Netzbuchse mit Kabel.

Die Röhrenbestückung: es wurden insgesamt 14 Röhren eingesetzt. In sämtlichen Vorstufen ist die amerikanische JAN-Röhre 12 SL 7-GT im Einsatz (4 Stck). (Sie wird auch als Treiberröhre für die 300 B in den USA verwendet.)
Die verwendeten 6C33C-B müssen unbedingt matched pairs (gepaarte) sein !
Das folgende Bild zeigt die verwendeten Röhren; im Bild fehlt versehentlich eine 5U8C.


Die 12 SL7 GT ist eine spezielle NF-Röhre, verwendbar auch als Ph (Phasenumkehrröhre). Die Anodenverlustleistung beträgt 1 Watt, das µ ist günstig und beträgt 70, das Ri ist 44 kOhm.
Als Gleichrichterröhre kommt die russische 5U8C zum Einsatz, sie schaut toll aus, ist leistungsstark und hat eine enorme Standzeit. Nebenbei ist zu sagen, das sie sehr gut zur 6C33C passt (mechanisch fast die gleiche Form). Die Röhrenfassungen sind, selbstverständlich, alle aus hochwertiger Keramik mit hochwertigen Kontakten.
Die Röhrenbestückung pro Kanal: 2 x 12 SL 7-GT für Vorverstärkung und für Plattenspieler MM, 2 x 6 SN 7-GT für Vortreiber und Treiberstufe 1 x 5U8C für Gleichrichtung, 2 x 6C33C-B für einen Endstufenkanal.

Nun Jochen, beginnen wir mit der Schaltung!
Die Schaltung: Es muß vorweg gesagt werden, daß der große Aufwand, der betrieben wurde, sich in einer Verdrahtungsarbeit von ca. 100 Stunden niederschlägt, das erkennt man deutlich an den weiter unten zu sehenden Fotos. Sämtliche Röhren sind handverdrahtet.
Die Vorröhrenheizung geht mit Gleichspannung die langsam hochläuft und das Lautsprecherrelais schaltet.
Bei der Herstellung der Schaltung wurde auf Betriebssicherheit geachtet, außerdem wurden die VDE-Richtlinien eingehalten.
Der Netztrafo ist ein Ringkerntrafo spezialimprägniert, er besteht aus 2 Teilen und ist zusammengegossen. Auf einen Teil des Trafos sind die Heizspannungen gewickelt. - Die Heizleistungen, welche die Röhren brauchen ist enorm. Es sind ca. 230 W oder, anders ausgedrückt, bei 6,3 V = 35 A : Wahnsinn! Nur durch eine spezielle Verdrilltechnik war es möglich die Sache in den Griff zu bekommen. Durch das Aufspalten der Heizkreise links und rechts getrennt, ist die Schaltung brummfrei zu beherrschen.
Nun zur Anodenseite - diese Seite wurde wieder aufgeteilt und für die linke und rechte Seite getrennt die Anodenwicklungen bereitgestellt.
Jochen, Du kennst ja meine Meinung zu den verschiedenen Anodenspannungen der 6C33C (beschrieben im ersten Brief).
Es wurde eine Netzteilschaltung entwickelt, Gleichrichterröhre + Silizium, die in Verbindung mit der 5U8C eine sehr gute saubere Anodenspannung zur Verfügung stellt. Die Anodenwicklungen sind geteilt, jede Seite hat 220 V mit Anzapfung bei 190 V. Die Ströme betragen über 1,2 A. (Es ist auch möglich am Röhrensockel der 5U8 das Kabel umzulöten und die Röhre mit 300 V zu fahren.) Die Treiberröhre läuft mit 320 V.
Das Hochspannungsnetzteil ist vielfach entkoppelt und liefert die Spannungen der verschiedenen Röhren. Die Gleichrichterröhre 5U8C arbeitet mit 5 V und 5 A.
Die Kondensatoren sind von der Fa. ERO 0,22 uF 250 V und 630 V - selbstheilend.
Es sind 2 Netzdrosseln eingebaut, jede verträgt ca. 400 mA und mehr.

Nun zur eigentlichen Schaltung:
(Die Schaltpläne werde ich Dir, sobald sie fertig gezeichnet sind, wieder zukommen lassen - es ist ein riesiger Aufwand sie zu erstellen, habe bitte noch Geduld.)
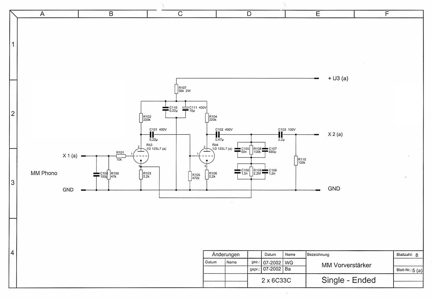
Über die Chinchbuchsen gelangt die NF auf den Wahlschalter (3 Stellungen und 1 MM) auf das Gitter der ersten 12 SL 7-GT, der MM Eingang ist mit 47 kOhm abgeschlossen.
Die in der Klangregelstufe vorkommenden Anodenwiderstände sind mehrfach aufgeteilt und entkoppelt.
Der Einstellbereich der Höhen- und Tiefenregler wurde verlängert. Ich möchte betonen, daß die Einstellregler in der Nullstellung keine Anhebung oder Absenkung bewirken.
Die vor der Treiberstufe kommende Schaltung (Vortreiber) ist auf optimalen Störabstand getrimmt, dabei wurden beide Triodensysteme parallel geschaltet. Die Treiberstufe arbeitet mit SRPP, das garantiert niedrigsten Klirrfaktor, hohe Verstärkung, hohe Übersteuerungsreserve. Die Endröhren werden mit 0,22 uF, 630 V von der SRPP angesteuert.
Die Kathoden der 6C33C liegen mit 10 Ohm hoch, dort ist das mA-Meter angeschlossen.
Über die Einstellregler lassen sich 2 verschiedene Ruheströme einstellen und anzeigen.
Durch das Aufbauschaltbild, welches zum Verdrahten unbedingt verwendet werden muß, wurde erreicht daß mit Handverdrahtung Brumm- und Rauschfreiheit gegeben ist. Die Augangsleistung erreicht bei 270 V Anodenspannung ca. 30 W, bei 300 V werden gut 35 W erreicht.
Die Ruhestromeinstellung läuft etwas anders als gewohnt. Da beide Endröhren parallel geschaltet sind, beeinflussen sich beide, d.h. dreht man bei der einen den Ruhestrom hoch, geht bei der anderen er etwas zurück. Durch wechselseitiges Schalten des Stellers beim Einstellen läßt sich der Ruhestrom aber ganz einfach einrichten.
Die Abdeckungen für die Trafos sind aus kaschierten Epoxyd mit Cu-Auflage 35µ, gelötet, geschliffen und lackiert. Die Deckplatten sind aus verzinkten Lochblech.
In das Gerät ist ein 6 A - Netzfilter eingebaut und alle Gehäuseteile sind zur Sicherheit mit dem Schutzleiter verbunden - es ist, mit allen Buchsen und Köpfen, ca. 450 mm tief, die Leistungsaufnahme beträgt ca. 400 W.

Zu guter Letzt - ein Satz zur Sicherheit: da der Vollverstärker eine enorme Hitze entwickelt ist es absolut wichtig ihn, wenn er in Betrieb ist, grundsätzlich immer frei aufzustellen! Also, niemals in Schränke oder nach oben geschlossene Regale stellen!
- Bitte auch für die nötige Belüftung sorgen!

Das war's, Jochen - Tschüss und Grüße an Deine Familie!

Klaus















Endlich komme ich dazu, die Fotos die ich beim Klaus anfertigte auch hier mit hineinzustellen.



Das nächste Bild zeigt ein Detail welches man im Schaltbild des Netzteils, welches ich in den kommenden Tagen hier mit einsetzen werde, wiederfindet. Es zeigt die Fassung der Gleichrichteröhre mit einer zusätzlichen Siliziumdiode.



Eine Aufnahme die ein bestimmtes Detail zeigt, es befindet sich im unteren Bereich, zwischen den Kondensator-Blöcken.



Hier dieses Detail in Nahaufnahme. Es ist die sternförmige Masseverbindung, hier läuft alles zusammen.



Nun weitere Aufnahmen die ich mit einer anderen Digitalkamera machten, ich stelle sie kommentarlos hier vor, sie sprechen für sich selbst (und für Klaus...) :













Und nochmals ein Foto, welches Klaus Bastelplatz zeigt.



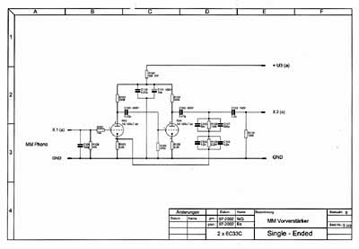
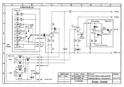
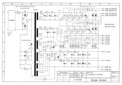
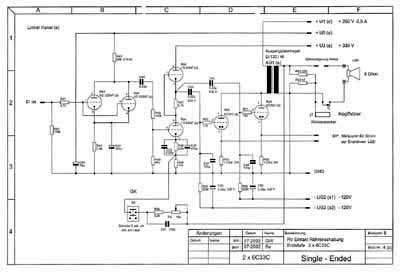
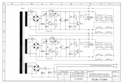
Ich stelle nun sämtliche Schaltpläne, als stark verkleinerten Link, hier vor. Mit einem Mausklick auf das jeweilige Bild kann man es sich dann in voller und unkomprimierter Größe ansehen und herunterladen.

Eingangsschaltung und Klangregelung (linker Kanal)

Endstufe

Display-Anzeige

MM - Vorverstärker

Netzteil Anodenspannungen

Netzteil Heizspannungen

Netztransformator u. Ausgangsübertrager

Röhrensockel und -fassungen

Zurück zur Hauptseite