Das KT 66 Projekt
von Klaus
Hallo lieber Röhrenfreund!
Dieser Röhrenvollverstärker ist mit der chinesischen KT 66 aufgebaut, es können auch andere Fabrikate z.B.
von Sovtek Verwendung finden. - Alle technischen Daten zu diesen Röhren sind in "Jogis-Röhrenbude" unter
der Rubrik "Röhren-Geschichtliches/Röhren-Neuvorstellungen" zu finden.
Das KT 66 Projekt ist etwas besonderes - die Röhren, das Gehäuse, der Netztrafo, der Ausgangsübertrager, der
Lautstärkeregler - alles nur vom Feinsten!
Es finden Spanngitterröhren Verwendung. Die Anodenspannung wird mit Gleichrichterröhren erzeugt. Der Amp ist
umschaltbar auf Triode oder Ultra-Linear. Durch die Umschaltung von 4 auf 8 und 16 Ohm kann man den Verstärker mit fast
allen LS-Boxen betreiben.
Der Netztrafo ist ein Ringkern mit 550VA, die AÜ’s (Übertrager) sind Ringkerntypen höchster Qualität.
In der Schaltung sind WIMA C’s und Audyn-Cap höchster Güte präsent.
Der Amp ist handverdrahtet - nach einem erstellten Aufbauschaltbild!
Die Ruheströme der Endröhren werden mit zwei Instrumenten angezeigt.
Die Maße: breit 435mm, tief 400mm und 88mm hoch.
Er erreicht eine Ausgangsleistung von ca. 16 -17 V effektiv an 8 Ohm = ca. 35 W Sinus an 8Ohm.
Wenn Sie gut löten können, technisches Verständnis haben und im Lesen von Zeichnungen und Skizzen erfahren
sind, sich in den Grundregeln der Elektronik auskennen, sollten Sie es anpacken - diesen High-End Amp bauen - ihn Hören
und genießen!
Die Röhren:
Um herauszufinden, welche Röhren in den Vor- und Treiberstufen den besten Klang bringen, wurde ein Verstärker
entwickelt und gebaut, bei den man alle Einstellungen, Spannungen und Arbeitspunkte verändern kann.
Zum Test wurden "eingeladen" :
die achtziger Trioden:
ECC81, ECC82, ECC83, 6SL7 GT, 6SN7 GT, E88CC (6922) und E86C (EC86).
Sie waren ca. 50 Stunden wechselnd bei verschiedenem Musikmaterial in Aktion.
Der Verstärker kann in Trioden und Ultra-Linear-Betrieb eingestellt werden, er wurde mit der neuen KT 66 von Sovtek,
alternativ mit der chinesischen KT 66 Tetrode betrieben + Ub 425V und ca. 50mA Ruhestrom.
Nach der Testphase wurde mir klar, das die Röhren ECC81, ECC82, ECC83 sehr gut abgeschnitten haben. Besonders die ECC81
klingt sehr rein und seidig.
Die 6SL/6SN Typen sind zwar sehr übersteuerungsfest, aber der Klang ist weniger warm.
Die E88CC (6922) ist nicht nur wegen ihres kleinen Innenwiderstands, der hohen Steilheit, großen Aussteuerungsbereichs
und ihrer hohen Linearität ein Traum - sie klingt auch so! Die Musik kommt seidig und löst sich von den Boxen!
Die E86C (EC86) - Spanngitterröhre - ein Wahnsinn, leicht sauber und luftig ist der Klang, man muss das einfach einmal
gehört haben!
Für das KT 66 Projekt kammen also nur die Röhren E88CC (6922) und E 86C (EC86) in Frage.
Die Röhrenbestückung:
8 x KT 66 Sovtek oder die Chinesische - Endstufe
2 x 5U8-C Svetlana - Gleichrichtung
2 x 6SN7 GT EH Elektro-Harmonix - Treiber
2 x E88CC (6922) - Phasenumkehr
2 x E 86C (EC86) - Vorverstärker
Die KT 66, damals von GEC (General Electric Company, der die Firmen Osram und Mullard angehörten) ist die Krönung
aller Röhren. Vor einigen Jahren habe ich Hörproben mit der Originalversion von GEC vorgenommen und in
Triodeneinstellung ein Klangbild erreicht, welches traumhaft ist. Der Verstärker klingt sehr verfeinert, luftig und ist
von guter Durchzeichnung geprägt. (Dieser Verstärker, ein 2 x KT66-Amp, verrichtet heute bei Jochen seinen Dienst,
und Jochen ist nach wie vor hellauf von ihm begeistert.)
Um eine große Standzeit zu erreichen, sind 2 Röhren pro Kanal parallel geschaltet.
Sie, die neue KT66, ist sehr stabil gefertigt und es werden nur gepaarte Röhren eingesetzt. Die Anodenspannung ist
moderat und liegt bei 400V - mehr dazu im technischen Teil.
Für die Gleichspannung in der Endstufe ist die Gleichrichterröhre 5U8-C zuständig. Dieser Typ ist sehr
stabil gefertigt und sieht außerdem gut aus. Ich hatte sie auch in meinen 6C33C-Projekten schon eingesetzt und konnte
ausschliesslich nur allerbeste Erfahrungen mit ihr sammeln.
Der Treiber 6SN7 GT EH arbeitet mit gemeinsamem Kathodenwiderstand - wir erreichen zwar keine Gegenkopplung, aber die
Röhren befinden sich in perfekter Wechselstrombalance.
Die Eingangsverstärkerröhre E 86C ist eine Spanngittertriode, sehr rauscharm, früher war sie in Fernsehtuner
eingesetzt, da wurde besonders auf geringes Rauschen und Stabilität Wert gelegt.
Das Gehäuse:
Für diesen Vollverstärker findet ein ELCAL Gehäuse Verwendung.
Best.-Nr. 012.62.L.SE Profileinschub 2 HE, Deckblech gelocht, Front schwarz eloxiert, 4 mm dick, Griffe in schwarz, es ist
völlig zerlegbar. Auf die Führungsschienen werden die Blechteile gesteckt und mit den Front- und Rückblech
verschraubt. Das Gehäuse wird verkehrt herum verwendet, d.h. Lochblech unten und das geschlossene Blech oben.
Sämtliche Schrauben sind aus VA und in Kreuzschlitzausführung:
M3 x 6mm, M3 x 10mm, M3 x 12mm,
Front: M5 x 15mm, Rückwand: Original-Schrauben M5 x 15mm.
Das Gehäuse wird nun umgedreht d.h. das Lochblech ist oben - das Lochblech ist 1,5 mm dick und lässt sich nur vom
Gehäuse lösen, wenn man die seitlichen Aluprofile entfernt - das ist unerwünscht - es muss das
Lochblech an einer Breitseite gekürzt werden, damit man es auch entfernen kann, wenn die Aluprofile verschraubt sind.
Das Kürzen ist mit einer Laubsäge mit Metallsägeblätter leicht möglich. Wenn das Blech passt,
werden in die Aluprofilnuten flache M3 Muttern geschoben, ausrichten, anreißen, bohren und Schrauben eindrehen -
Muttern in den Nuten verkleben.
Frontplatte 4 mm eloxiert bearbeiten:
Mit Kreppband beidseitig bekleben - Schutz gegen Kratzer - Platte kürzen auf 435mm, bündig mit den Aluleisten.
Schnittkante mit Feile bearbeiten und polieren.
Löcher für den Netzschalter bohren Æ 4mm, an jeder Ecke 1 Loch und mit
Metallsäge aussägen, den Schalter anpassen - passt - fertig! Mit den Einbauinstrumenten genauso verfahren - zu
jeden Instrument gehört ein Einbaurahmen - einpassen und mit "UHU-Plus" verkleben. Restliche Löcher
bohren - Lautstärkeregler usw.
Löcher mit Blechbohrer bearbeiten, vorbohren auf Æ des zentralen geschliffenen Zapfen.
Rückplatte genauso bearbeiten wie Frontplatte.
10 x Chinch-Einbaubuchsen, 6 x Lautsprecherbuchsen, 4 x Sicherungshalter für Feinsicherungen 5 x 20mm, 1 x
Netzkaltgerätesteckdose mit Netzfilter.
Diese mechanischen Arbeiten müssen auf + - 1mm genau gefertigt werden! Dazu sollte man die Bohrungen und
Durchbrüche vor den Bearbeiten auf das Front- bzw. Rückblech zeichnen.
An dem gelochten Unterteil des Gehäuses sind 4 Gummifüße Æ40 x 20mm
befestigt, Außenmaß 40 x 40mm.
Im hinteren Teil des Bodenblechs ist mittig ein Loch von Æ4,5mm gebohrt und mit dem
Blechbohrer Æ12mm flächenmäßig angefräst.
Bei einem Abstand von 30mm der Rückplatte ist die Schutzleitermasse angeschlossen - mit Flachstecker 6,25mm.
Beachten Sie die VDE Vorschriften! An sämtliche Gehäuseteile muss ein
Schutzleiter gelegt werden.
Die Seitenteile des Gehäuses bestehen aus Alu dort ist an jeder Seite ein Netzteil befestigt.
Deckplatte aus 1,5mm Stahlblech, schwarz matt beschichtet, dort sitzen die Röhren. Die Löcher in der Deckplatte
sind größer als der Æ der Röhren gehalten, dadurch wird eine sehr gute
Kühlung erreicht.
Die Deckplatte ist mit einer zweiten Platte aus Alu verbunden 390 mm x 270 mm x 1,5 mm, auf dieser befinden sich die Sockel
und sämtliche Bauteile (von unten gesehen) sind handverdrahtet. Ein erstelltes Aufbauschaltbild in gleicher
Größe dient als Vorlage für die Bestückung der Aluplatte.
Mit Klebestift wird eine Kopie des Aufbauschaltbildes auf der Platte fixiert. Man beginnt mit der Bohrung für die
Befestigungslöcher mit der Deckplatte, dann die Zentrumslöcher Æ2mm für die
Röhrensockel. - Zu beachten ist dabei, dass die Deckplatte und die Aluplatte zusammengespannt sein muss, damit sie
nicht verrutschen können.
Die Befestigungslöcher Æ3,5mm für die Zwischenplatte und der Deckplatte bohren,
mit Abstandshalter M3 10mm lang werden später die Platten miteinander fest verbunden.
Platten wieder trennen und die Bohrungen entgraden.
Auf der Zwischenplatte alle angekörnten Löcher bohren - für M3 Æ3,5mm.
Für die Potis und Ruhestromeinstellung sind Rasterplatinen links und rechts vorne auf der Zwischenplatte befestigt
- nach eigenem Entwurf!
Sind alle Löcher gebohrt auch Röhrensockel z.b. Oktal = Æ26mm - nach dem Bohren
die Platte anfeuchten und das aufgeklebte Schaltbild entfernen. Auf der Zwischenplatte Lötösen und Bauteile
verschrauben und verlöten einschließlich der Röhrensockel.
Das Gehäuse wird wieder zusammengebaut und geprüft ob alles passt und die M3 Löcher gebohrt, welche das
Deckblech mit der Frontplatte und der Rückplatte zusammenhalten. Vorne 3 M3 Schrauben, hinten 3 M3 Schrauben. 8 x M3 x
6 VA Kreuzschlitz. 2 x M3 Schrauben Unterseite.
Die Aluplatte kann nach dem Bohren und Entgraten mit Alufarbe beschichtet werden.
Die Bearbeitung der Deckplatte:
Mit einem Zirkel und der 2mm Bohrung im Zentrum der Röhrensockel die 8 Löcher Æ
43mm für die KT66 anreißen.
2 x Æ45mm für die Gleichrichterröhre 5U8C, 2 x Æ
26mm für die 6922, 2 x Æ26mm für die E86C, 2 x >Æ
40mm für die 6SN7 GT EH.
Als Werkzeug kann man einen Kreisschneider, Metallsäge, Metall-Laubsäge usw. verwenden.
Alle Kanten entgraden und nach Bedarf die Deckplatte neu lackieren.
Der Netztrafo:
Eine besondere Ausführung! Das Gehäuse ist aus Alu, geschweißt, gedreht und endfinish gepulvert. Die
Wicklungen führen getrennt aus der Gussmasse und sind überdimensioniert gefertigt.
Es ist eine Ringkern-Ausführung gekapselt und vergossen mit einen M8 Gewinde als Zentralbefestigung, damit die
Gussmasse nicht auf der Deckplatte aufliegt ist er mit Filzscheiben unterlegt.
Die Leistung - ca. 550VA, das Gewicht - ca. 6 kg.
Von der Trafounterseite wird eine Papierschablone angefertigt, diese wird auf das Gehäuseoberblech gelegt - hinten
mittig - dann die Löcher für die Zentralbefestigung M8 und die Kabeldurchführung angerissen, gebohrt wird
wieder mit dem Blechbohrer Æ 8,5mm - passt für M8. Die Kabel zusammenfassen, mit
Schrumpfschlauch überziehen und mit einer + Toleranz von 3 - 4mm durch die Löcher, die mit einer Metallsäge
ausgesägt und entgradet wurden, stecken.
Da der Netztrafo und die Ausgangsübertrager ein enormes Gewicht haben, ist es notwendig einen Alu-Winkel unter das
Deckblech einzubauen. Die Maße des Winkels = 25mm x 15mm x 2mm und 390mm lang. Befestigt wird der Winkel links und
rechts mit einer M3 Schraube und mittig unter dem Netztrafo mit drei M3 Schrauben - mit Sorgfalt arbeiten und alle Bohrungen,
Gewindelöcher und Kanten entgraden.
Der Netztrafo wird für weitere Arbeiten mit Kreppband beklebt damit keine Beschädigungen entstehen können.
Der Ausgangsübertrager - AÜ Push-Pull Ringkern
Die Ausführung - Eingangsseitig ca. 2,5 kW und Ausgangsseitig 4 + 8 + 16
W.
Eingangsseitig sind die 4 Teilwicklungen imprägniert und in einem schwarz-gepulverten Alu-Gehäuse vergossen, die
Größe ist Æ115mm x 102mm hoch. Die 3 Trafos haben an der Oberseite eine kleine
Eindrehung, in die ein Samtbezug eingeklebt ist, dadurch gewinnt das Projekt an Wertigkeit!
Die Frontplatte:
Sie ist gebohrt - 4mm stark und eloxiert. Der ELMA Eingangswahlschalter - 4 Stellungen - hat höchste Qualitätsstufe
- mit einer Verdrehnase und ein Befestigungsgewinde Æ10mm, M10 x 0,75mm. Er ist mit
passender Mutter mit der Frontplatte verschraubt.
Die Betriebs-LED gelb links vom Netzschalter ist in einem Gehäuse mit Vorwiderstand eingebaut, wird durch die
Frontplatte gesteckt und befestigt.
Der Schalter ist eine stabile Ausführung 6 A. Er wird in die Frontplatte gedrückt und festgepresst. Ein Schalter
- 3 Stellungen - 4 Kontakte - lässt die Betriebsweise TR = Triode - UL = Ultra-Linear - zu. In Mittelstellung ist
Anodenspannung abgeschaltet - Stand-Bay. Er hat ein Gewinde M9 x 0,75mm und wird mit der Frontplatte verschraubt, er muss
mittig ausgerichtet werden.
Die beiden Schalter links und rechts neben den Anzeigeinstrumenten haben 5 Schaltstellungen und 2 Kontakte. Die Stellung 1
+ 2 sowie 4 + 5 dienen zur Einstellung des Ruhestroms der 4 Endröhren des linken Kanals für den rechten Kanal
gilt dasselbe.
2 Alps-Poti 1 x 100kW lin für Balance, 1 x 100kW log für die
Lautstärke, sie haben ein M 8 x 0,75 Gewinde und werden in die Frontplatte geschraubt, dabei das Ausrichten nicht
vergessen.
Die Bedienknöpfe Æ35mm für Wahlschalter, >Æ
28mm Betriebsweise, 2 x >Æ 24mm zur Einstellung des Ruhestroms, 1 x
Æ28mm für Balance, 1 x Æ35mm Lautstärke sind zu befestigen.
Zuletzt die Anzeigeinstrumente einbauen, aber vorher die Beleuchtung testen.
Die Rückseite:
Die fertig gebohrte Rückplatte wird auf der linken Seite mit 10 Chinchbuchsen bestückt. Alle Buchsen haben
voreilenden Massekontakt. 8 Buchsen für die 4 Eingänge des Amp und 2 sind für Aufnahme Stereo.
Die Lautsprecheranschlüsse sind Polklemmen mit einer Belastbarkeit von 30 A, sie kommen in die passenden Löcher
mit Verdrehsicherung und sind mit passender Mutter fest eingebaut. Vor dem Einbau sind die Polklemmen vorne mit einem Loch
Æ2mm, 6 - 8mm tief zu versehen, in dieses Loch wird der Draht gesteckt und verlötet.
Polklemme schwarz = - Anschluss Lautsprecher 2 x
Polklemme rot = + Anschluss Lautsprecher 4 x
Innen an die Rückplatte sind mit M4 Schrauben die Netzdrosseln befestigt.
Die Kaltgerätesteckdose + Netzfilter wird in die Platte eingebaut.
Zum Schluss Sicherungshalter mit "UHU-Plus" fixieren und mit der Befestigungsmutter an der Platte festschrauben.
Schaltungsbeschreibung - KT 66 Projekt Vollverstärker
Der Vollverstärker ist mit 16 Röhren bestückt.
Fast alle Schaltungsteile sind in Handverdrahtung hergestellt!
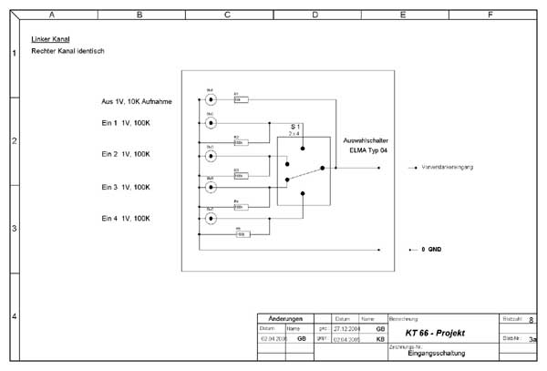
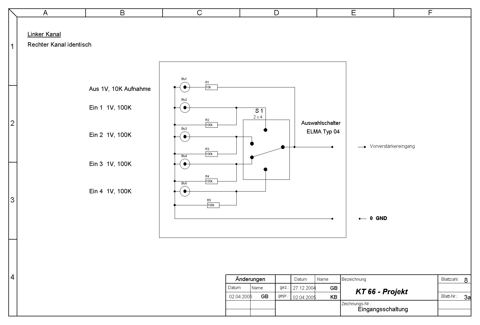
Die Eingangswahlschaltung
(Mit der Maustaste das Bild anklicken, es wird dann in voller Auflösung dargestellt.)
An die ersten 4 Chinch-Buchsenpaare lassen sich CD-Spieler, Kassettendecks usw. anschließen. Die Eingangsimpedanz
beträgt 1V an 100 kW.
Das 5. Buchsenpaar dient zur Aufnahme Kassettengeräte usw.; Ausgangsimpedanz 1V an 10 kW.
Die Umschaltung der einzelnen Eingänge wird mit dem Auswahlschalter ELMA Typ 04 ausgeführt. Der Schalter 2 x 4
Schaltstellungen ist von einer enorm hohen Qualität. Um eine hohe Übersprechdämpfung zu erreichen, wird jeder
Stereokanal mit einem 5adrigen abgeschirmten Kabel übertragen. Alle Leitungen sind einzeln abgeschirmt. Kanalgetrennt
gehen diese vom Auswahlschalter zu den Eingangsröhren der aktiven Verstärkerschaltung.
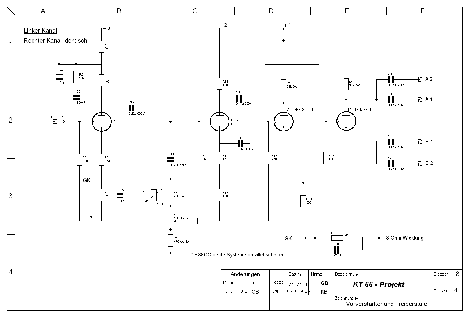
Vorverstärker, Treiberstufe und Phasenumkehrstufe
(Mit der Maustaste das Bild anklicken, es wird dann in voller Auflösung dargestellt.)
Als Eingangsröhre wurde der Siemens-Typ E86C ausgesucht. Diese Röhre ist eine Spanngitterröhre und wurde
früher in FS-Empfängervorstufen verwendet. Technische Daten der E86C :
PAV = 2,2 W; S = 14 mA/V, µ = 68, Ia = 12 mA, rä ~ 230 W
Die erste Röhre präsentiert sich in Standard-Trioden-Schaltung, bei der die Kathode nicht entkoppelt wurde,
dadurch geht zwar einiges an möglicher Verstärkungsreserve verloren aber eine deutliche Senkung des Klirrfaktors
hebt diesen Nachteil wieder auf.
Über den aufgeteilten Kathodenwiderstand wird die GK abgenommen. Die vom Auswahlschalter kommende NF wird ohne Koppel-C
an das Gitter der Röhre gelegt. Der Eingangswiderstand an der Chinch-Buchse beträgt ca. 100 k
W. Über C12 gelangt das Signal zum Lautstärkeregler P1. Die Regler 100 kW
log und der Balanceregler sind von der Fa. Alps.
Über +3 erhält die Vorröhre ihre Betriebsspannung. Der Balanceregler ist neben den 2 Lautstärkeregler
angeordnet und regelt über Entkopplungswiderstände die NF gegen Null.
Die Phasenumkehrstufe
Über den Koppelkondensator C 6 wird die NF auf das Gitter der Phasenumkehrröhre gegeben. Über die Anode und
Kathode gelangt das Signal auf den Leistungstreiber 6SN7 GT EH, diese Röhre wurde schon beim Push-Pull Verstärker
beschrieben. In dieser Schaltung werden die Kathoden dieser Röhre über R 20 330 W
zusammen geschaltet, dadurch befinden sich die Röhren in ausgezeichneter Wechselstrombalance. Durch die kleinen
Anodenwiderstände von 33 kW 2W wurde der Einfluss des "Miller-Effekts" der
Endröhren reduziert. Der "Miller-Effekt" wirkt als parasitäre Kapazität zwischen Anode und Gitter
einer Röhre, er bestimmt im wesentlichen die Leerlaufbandbreite des Verstärkers. Je kleiner die
Anodenwiderstände der Treiberstufe - desto flinker ist der Verstärker und umso schneller kann die Ladung der
Millerkapazität abfließen. An den Anoden der Treiberröhre werden hochwertige Koppel-Cs verwendet, die das
Signal zu den Gittern der Endröhren KT66 bringen.
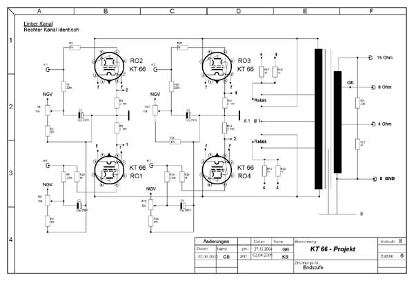
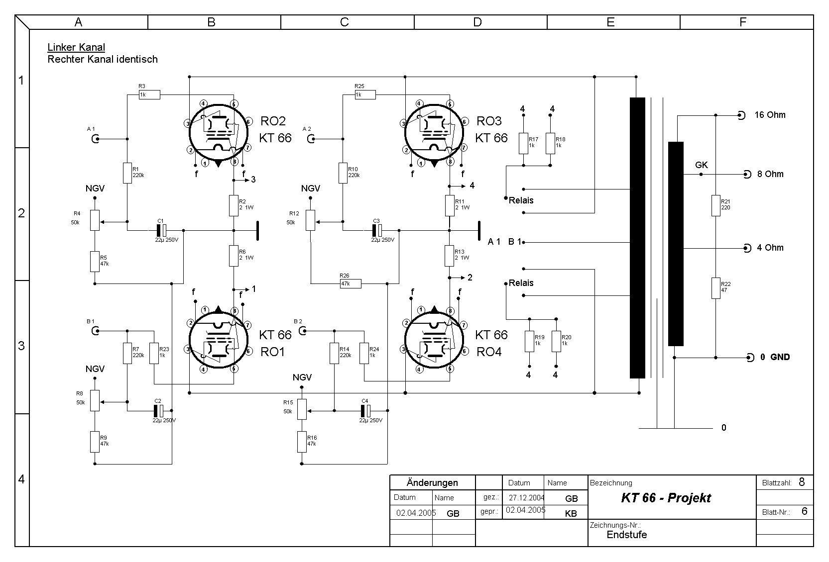
Endstufe - KT66 Push-Pull
(Mit der Maustaste das Bild anklicken, es wird dann in voller Auflösung dargestellt.)
Die genauen gegenphasigen Signale A1 + B1 und A2 + B2 werden über die Schutzwiderstände R3 + R23 + R24 + R25 an
die Endröhren gelegt. Da mit einer festen Gittervorspannung gearbeitet wird muss über die Gitterwiderstände
R1, R10, R7, R14, die Ug usw. zugeführt werden.
An die Anoden ist der Gegentaktübertrager geschaltet, über die mittlere Anzapfung der Primärwicklung
erhält der Übertrager die Anodenspannung für die Endröhren. Die Spannung A1 und B1 kommt von den
Hochspannungsrelais der beiden getrennten Netzteile.
Die Widerstände R21 und R22 schaffen Ruhe am Ausgang. Die an den Kathoden der Endröhre liegenden Messpunkte in
Verbindung mit den Widerständen 2 W dienen zur Einstellung der Ruhestromverbindung mit den
Analogmessinstrumenten.
Ruhestromschaltung
(Mit der Maustaste das Bild anklicken, es wird dann in voller Auflösung dargestellt.)
Die in den Kathoden liegenden Schalter haben 5 Schaltstellungen und 2 Kontakte. Kanalgetrennt wird der Ruhestrom über
die Messinstrumente angezeigt. Die Beleuchtung der Instrumente wird über gelbe LED’s geschaltet. Der
Strombegrenzungswiderstand von 470 W ist an die Heizspannung gelegt, dadurch ist das Hochlaufen
der Beleuchtung sehr gut zu beobachten. Über die Netztrafowicklung von 70 V wird die negative Vorspannung erzeugt. Am
Ladekondensator C1 und den Siebelko wird die NGV an die 8 Trimmpoti gelegt und über den Schleifer wird die Spannung an
die Gitterwiderstände gebracht.
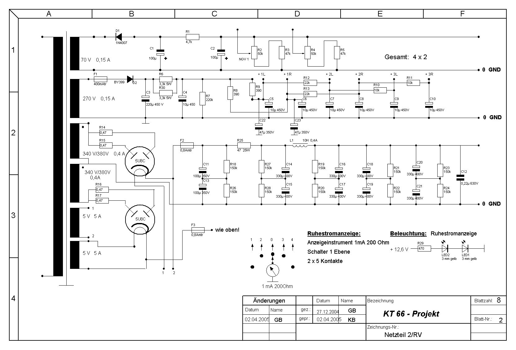
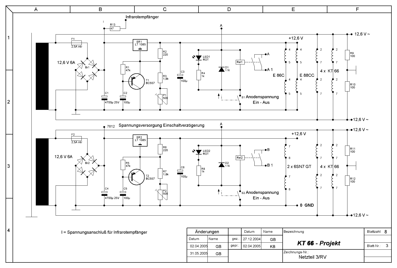
RV-Netzteil

(Mit der Maustaste das Bild anklicken, es wird dann in voller Auflösung dargestellt.)
Der Netztrafo für das KT66 Projekt beinhaltet sämtliche Spannungen und ist vergossen. Durch diese Ausführung
ist er praktisch "brummfrei" und außen ist er endfinish schwarz matt gepulvert.
Die Einschaltverzögerung bewirkt ein Modul aus dem Lieferprogramm der Fa. Reichelt.
Sämtliche Masseleitungen sind zu einem zentralen Punkt zusammengeführt. Mit der 270 V 0,15 A Wicklung wird die
Spannung für die Vorröhren bereit gestellt. Am Ladeelko bei der Diode BY399 stehen ca. 370 V. Die
Siebwiderstände und Sieb-Elkos stellen praktisch eine brummfreie Spannung zur Verfügung. Das Gerät
enthält keine Siliziumgleichrichter im Leistungsteil für die KT66.
Für die Gleichrichterröhren sind 2 Heizwicklungen von je 5V 5A auf den Netztrafo gewickelt worden, (siehe auch
obiges Schaltbild, Netzteil Blatt 1) Hochspannungswicklungen von je 340/380V 0,4A sind für die Betriebsspannung der
Endröhren zuständig. Die Gleichrichterröhren sind als Einweggleichrichter geschaltet, das garantiert eine
höhere Belastung.
Man muss sich die Wirkung der 5U8C so vorstellen, wie zwei außerhalb der Netztrafos liegende Widerstände die vom
Strom der Betriebsspannung durchströmt werden. Im Gegensatz zu Halbleiterdioden gibt eine Gleichrichterröhre bei
den Nulldurchgängen keinerlei Schaltimpulse ab. Damit ist vielleicht zu erklären warum eine Gleichrichterröhre
im Allgemeinen ein natürlich, fließendes und zartes Klangbild abgibt.
Der Nachteil dieser Schaltung (Einweggleichrichtung) ist, dass die Trafowicklungen einseitig belastet werden, was den
Ringkern veranlasst Brummgeräusche zu erzeugen, die im Bereich bei 100 Hz liegen (gehörmäßig). Durch
Vertauschen der Trafoanschlüsse, Anfangspunkt der Wicklung Anode Endpunkt Masse, war das Problem gelöst.
Durch Einfügen der Anodenwiderstände verändert sich das Rs positiv. Da die Lastnetzteilspannung höher
sein kann als 400 V- sind immer 2 Elkos mit Widerständen zusammengeschaltet.
RV-Netzteil

(Mit der Maustaste das Bild anklicken, es wird dann in voller Auflösung dargestellt.)
Die Heizwicklungen für die KT66 sind auf dem Trafo getrennt gewickelt. Es werden pro Kanal 6 A 12,6 V~ bereit gestellt.
Über eine Sicherung von 2,5A tr. Und einen Spannungsregler TL 085 3A wird eine brummfreie Spannung von 12,6 V - 3 A
erzeugt.
Die Spannung läuft von 3,6 V - 12,6 V (einstellbar) langsam auf Sollwert, damit werden die Vorröhren geheizt, die
Relais geschaltet und die Beleuchtung der Anzeigeinstrumente in Betrieb genommen. Die Netzsicherung von 3,15 A tr. ist
ausreichend betriebssicher. Das Gerät nimmt beim Einschalten ca. 352 VA auf, die Leistung geht dann auf ca. 165 VA
zurück. Diese Werte in Watt wurden ohne Signal ermittelt.
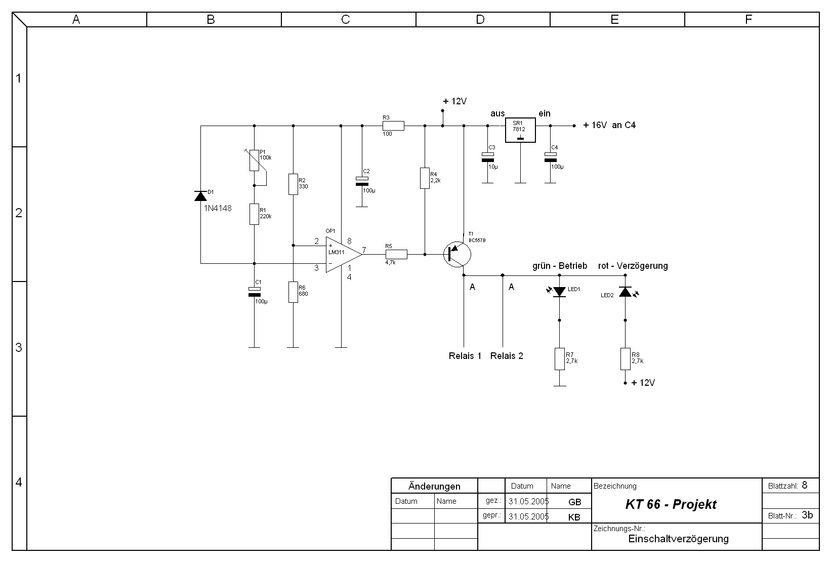
Die Einschaltverzögerung

(Mit der Maustaste das Bild anklicken, es wird dann in voller Auflösung dargestellt.)
Zwischen die Hochspannungsrelais wird eine Verzögerungsschaltung eingebaut die je nach Einstellung nach 20 bis 30
Sekunden die Anodenspannung an die Röhren legt. Eventuelle Einschaltgeräusche werden so vollkommen unterdrückt.
Die Verzögerung ist mit dem Spannungskomparator LM 311 beschaltet und ist sehr einfach aufgebaut.
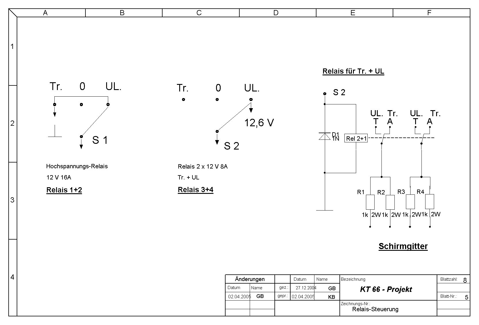
Die Relaysteuerung

(Mit der Maustaste das Bild anklicken, es wird dann in voller Auflösung dargestellt.)
Die Röhrensockel

(Mit der Maustaste das Bild anklicken, es wird dann in voller Auflösung dargestellt.)
Nachdem sich viele Röhrenfreunde an ihren Verstärkern eine Fernbedienung für die Lautstärkeeinstellung
wünschen, habe ich das "KT66-Projekt" damit ausgestattet.
Die Infrarot-Fernbedienung ist mit dem Stereo-Motor-Potentiometer RK 27112 MC 100Kax2 100 k log bestückt (bei Conrad
unter Best.-Nr. 442029-07 erhältlich).
Die Wandlerplatine und Fernbedienung ist als albs-Fernsteuerset 13501 - Fa. Schuro Elektronik "Internet:
www.schuro.dezu haben.
Der Einbau ist sehr leicht möglich - es sind nur 6 Drähte richtig anzulöten, diese sind in dem Schaltbild
Blatt 3 gekennzeichnet (letztes Schaltbild oben).
Ich hoffe, lieber Röhrenfreund, Ihnen mit diesem Gerät eine Möglichkeit gegeben zu haben, einen
Verstärker nachzubauen der klanglich High-End ist, sehr gut aussieht und den Vergleich mit Industriegeräten nicht
zu scheuen braucht.
In einem Zip-File zusammengefasst, befinden sich sämtliche Stücklisten zum
KT66-Projekt, es ist ungefähr 4,5 MByte gross.
Mit vielen Grüßen,
Klaus