Trioden Push-Pull Vollverstärker mit der 6C33
von Klaus
Hallo Jochen!
Die Zeit ist reif - der 'Trioden Push-Pull Vollverstärker' mit der 6C33 ist fertig!
Ein Gerät von dem man sagen kann - es ist ein Röhrenvollverstärker geworden der im Leistungsteil keine
Mosfet und Siliziumgleichrichter enthält.
Der Vollverstärker ist so konstruiert worden, dass er leicht, aber mit hohem Zeitaufwand selbst zusammengebaut werden
kann. Zu 80 % ist die Elektronik auf einer Platte zusammengefasst. Die Bauteile werden aufgesteckt und verlötet. Die
Masseleitungen zu einem Zentralmassepunkt geführt und verbunden.
Wie alle 'Klaus-Verstärker', hat auch hier ein Elcal Profileinschub Verwendung gefunden, allerdings sind hier 2
Höheneinheiten = 88 mm vorgesehen worden. Da das Gehäuse die schweren Trafos ohne Verbiegungen der Deckplatte
nicht standhält, wurde ein Aluwinkel eingezogen und verschraubt.
Sämtliche Durchbrüche und Bohrungen im Gehäuse lassen sich selber herstellen, oder man nimmt einen fertigen
gebohrten Gehäusebausatz, den man in allen Farben - Hochglanz schwarz, seidenmatt schwarz - und auch mit vergoldeten
Knöpfen erhält. Die Gehäuseteile sind pulverbeschichtet und unter sämtlichen Schrauben sind Zahnscheiben
gelegt, welche die Stabilität des Gehäuses verbessern. Alle Schrauben sind aus rostfreiem Stahl. Die Frontplatte
ist schwarz eloxiert. Alle schmalen Kanten sind Alu gefeilt und poliert.
Links auf der Frontplatte ist die blaue Led zu sehen, dann der Netzkippschalter (Hauptschalter). Der Eingangswahlschalter
ist von höchster Qualität, vergoldet mit vier Stellungen Typ Elma 04, dann kommt als nächstes der Standby
Schalter.
Das besondere an diesem Gerät ist, dass der Ruhestrom, linke und rechte Seite getrennt, von analogen Messinstrumenten
500 mA angezeigt wird. Die Beleuchtung der Instrumente wurde in Farbe und Helligkeit an die Röhren angepasst.
Weiter rechts ist der Ruhestromschalter für den zweiten Kanal zu sehen. (Für die Widerstandskombination im
Kathodenkreis wurden englische Lorlinschalter verwendet.)
Dann kommen die Pegelregler, linker und rechter Kanal getrennt. Hierfür wurden selektierte Alps-Potis verwendet. Als
letztes kommt der Lautstärkeregler, er ist auch mit einem selektierten Alps-Potis bestückt.
Wenn die Alps-Poti-Qualität nicht ausreichen sollte, kann der Lautstärkeregler auch mit dem 24-stufigen Elma
Audiodrehschalter 04A2 R 00 bestückt werden: 100 kOhm log. Widerstandsbestückung: Vishay-Dale CMF-55-143 0,1%
TK 25 (unmagnetisch). - Der unmagnetische CMF-55-143 erschließt völlig neue klangliche Bereiche,
unmagnetische Eigenschaften, hohe Genauigkeit und engen TK machen ihn außerdem zur idealen Bestückung für
den 24 stufigen Elma Audioschalter 04 A2 R 00.
Zu den Eingangswahlschalter Elma 04 ist noch zu sagen, das er 4 Stereo-Eingänge schalten kann, angesteuert wird er von
doppelt abgeschirmten Leitungen.
Der Netztrafo ist eine Ringkernausführung total gekapselt Farbe schwarz Ø 140 mm, Höhe 110 mm, Gewicht ca.
7 Kg, Leistung 620 VA, gewickelt von Fa. Rondo-Müller, 08228
Rodewisch.
- Damit die Haussicherung nicht dauernd meckert und abschaltet, wurde eine wirkungsvolle Einschaltstrombegrenzung
eingebaut.
Auf der Rückseite befinden sich - von links nach rechts:
Masseklemme, 12 vergoldete Chinchbuchsen höchster Qualität, mit voreilendem Massekontakt.
Eingang 1 - 4 100 kOhm für CD usw.
2 Ausgänge 10 kOhm (Aufnahme) Ausgang für Subwoofer 1 V (10 kOhm) ½ SN7 RCA.
Weiter rechts die Lautsprecherbuchsen 8 Ohm, Lautsprecherklemmen bester Qualität gefräst und vergoldet 63 A, dann
die Sicherungen - Netzsicherung 3,15 A tr.
Anodenstromsicherung kanalgetrennt 2 x 700 mA mtr.
Anodenstrom der Vorröhre 0,315 A tr., dann die Netzbuchse mit Netzfilter 6 A und voreilenden Schutzkontakt.
Sämtliche Blechteile sind mit dem Schutzleiter verbunden.
Es ist unzulässig Leitungen die mit den Schutzleiter verbunden sind (z.B. bei Brummstörungen) zu lösen !
Nun, Jochen, zur eigentlichen Schaltung:
Auf dem Deckblech sitzen die Röhren, es besteht aus zwei Teilen. Das Oberblech ist größer gehalten
(Kamineffekt). Das Unterblech ist aus Alu und mit den Röhrenfassungen bestückt und hält mit den
Lötleisten die Bauteile.
Zum Bestücken der Bauteile auf dem Unterblech braucht man unbedingt das Aufbauschaltbild. Mit diesem ist es
möglich auch mit weniger geübten Lötern die Bauteile auf +/- 1 - 2 mm Genauigkeit auf das Unterblech zu
bringen.
Das Unterblech besteht aus Alu und stellt einen großen Kühlkörper dar (270 mm x 392 mm u. 2 mm dick) das
wirkt sich thermisch positiv auf die Bauteile aus.
Anmerkung:
Bei gedruckten Schaltungen (ca. 70 µm und mehr) die mit Röhren bestückt sind, treten bereits bei Pav (Qa) - 2 W
nach einem Jahr (nur 100 Stunden Betrieb) erste Gebrauchsspuren auf, z.B. Röhre SN7, ECC99, J5, ECC82 usw.
Ich will die Sache nicht vertiefen, aber was passiert bei Pav 20 W? Macht Euch Eure eigenen Gedanken!
Auf dem Unterblech sind auch Löcher vorhanden, welche mit dem gelochten Bodenblech für Kühlung sorgen.
Auch weitere Kühlmaßnahmen wurden unternommen! Der Abstand Oberblech - Unterblech ist vergrößert, das
Unterblech kühlt dadurch weitaus besser.
Da wir bei der "lebensnotwendigen" Kühlung sind - nehmen wir die 6C33C, es geht ja in diesem Bericht um diese
Röhre!
Vor 2 Jahren fand ich in "Jogis-Röhrenbude" die 6C33C und ich war ehrlich begeistert!
Als ich aber dann die Daten der Röhre sah, war eigentlich meine Begeisterung dahin und als ich noch bei Jogi hörte
wie einer mit geschwellter Brust schrie: "Ich nahm eine 6C33C sie zog beim Einschalten 10 A ....!"
Nun, ich machte meine eigenen Versuche mit der 6C33C, bei welchen Spannungen und Ströme die Röhre klanglich
unter Wohnraumbedingungen am besten klingt - ca. 42 W ist bei der Röhre die Heizleistung. Wo Strom fließt
entsteht Wärme!
Bei Ua 200 V und Ia 200 mA sind es wiederum 40 W die als Wärme anfallen, das bedeutet bei allen vier 6C33C ca. 300 W
und mehr die den Verstärker aufheizen. Dazu kommen noch die Gleichrichterröhren, die das Gerät zusätzlich
erwärmen!
Die 6C33C gibt die Wärme ringförmig ab, daher sollten die Röhren in einem Abstand von 45 mm - 60 mm
zueinander stehen!
Netztrafo und Übertrager ca. 50 - 60 mm im Abstand zu den Endröhren!
Wenn diese Maßnahmen alle eingehalten werden kann der Verstärker im Wohnbereich ohne Gefahr in Betrieb genommen
werden.
Röhrenbestückung:
Die Röhrenfassungen sind aus Keramik und die Kontakte sind versilbert.
Alle Fassungen sind auf dem Unterblech verschraubt.
Pro Verstärkerkanal sind folgende Röhren eingesetzt:
1 x SL7 Vorstufe RCA
1 x SN7 EH Impedanzwandler u. Subwoofer-Ausgang
1 x SN7 EH Push-Pull Treiber
2 x 6C33C Push-Pull Endstufe (Russia)
1 x 5Z8 (5U8) Russia Netzteil Endstufe
Der Vollverstärker ist mit MKP 0,22 µF Koppel Cs bestückt. Dazu kommen Bypaß Kondensatoren Wert 4,7 n in
Glimmerausführung. Die Spannungsfestigkeit der Kondensatoren beträgt 1000 V.
Auf Wunsch auch MCAP-Kondensatoren in Silber/Oel.
Die Lade- und Siebelkos für jeden Kanal getrennt, betragen 2000 µF 450 V - Gesamt: 4000 µF.
Das Leistungsnetzteil ist kanalgetrennt aufgebaut. Es wurden keine Siliziumdioden, Mosfet usw. verwendet. Für jeden
Kanal arbeitet eine 5Z8.
Der Vollverstärker arbeitet ohne Lautsprecherrelais und ohne Gegenkopplung und ist ohne Netzdrosseln aufgebaut!
Anmerkung:
Zu einem Röhrenverstärker gehört einfach die Röhrengleichrichtung ... oder wollt Ihr einen
Röhrenverstärker mit Transistorklang?!
Die Verdrilltechnik der Heizkreise ist verbessert, das war auch nötig bei 30 A Heizleistung! Durch das Aufsplittern
der Heizkreise links und rechts getrennt, ist die Schaltung brummfrei zu beherrschen.
Das Gitter der Eingangsröhre SL7 RCA ist mit den Eingangswahlschalter Elma 04 direkt verbunden. Hier ist kein 'C'
eingebaut, es kommt dem Klang zugute. Ein Spannungsteiler bestimmt die Verstärkung der SRPP. Über die SRPP wurde
im 2. Brief (SE mit 2 x 6C33C parallel) berichtet. Über das Koppel 'C' werden die Pegelregler
angesteuert. Da die Pegelregler kanalgetrennt arbeiten, mit 2 x 2 Alps-Potis, kann man hiermit auch die Balance einstellen.

Die zweite Röhre ½ SN7 RCA arbeitet als Impedanzwandler für den Treiber. Die andere Röhre ½ SN7 RCA ist als
Kathodenfolger geschaltet und über einem Chinchanschluß lässt sich ein Subwoofer kanalgetrennt
anschließen. Ausgang 1 V/10 K.
Versuche mit einem sehr teueren Subwoofer (ca. 2000 €) verliefen Erfolgversprechend.
Der Push-Pull Treiber SN7 EH arbeitet mit hohem Strom. Versuche mit anderen Röhren - ECC 99 usw. wurden schlechter
bewertet!
Bei den Endröhren wird mit fester Gittervorspannung gearbeitet.
Im Kathodenkreis der Endröhren liegen die Analog-Messinstrumente 500 mA, sie werden über Widerstände an die
Röhre gelegt, bei der der Strom zu messen ist.
Der Ausgangstrafo ist ein EI 130 Kern, der parallel zum Netztrafo eingebaut ist. Die Abdeckungen der Trafos ist aus
kaschiertem Epoxyd mit CU-Auflage 35 µm gelötet, geschliffen und lackiert.
Wie bereits gesagt, ist ein 6 A Netzfilter eingebaut und alle Gehäuseteile sind zur Sicherheit mit dem Schutzleiter
verbunden.
Das Gerät ist mit allen Buchsen und Knöpfen ca. 435 mm breit, 180 mm hoch und ca. 460 mm tief - Gewicht ca. 30 kg.
Es ist als Bausatz einfach aufzubauen; dazu muss aber nochmals gesagt werden, dass ein enormer Zeitaufwand notwendig ist.
Da der Vollverstärker sehr viel Wärme entwickelt, ist es von großer Wichtigkeit, dass er frei aufgestellt
wird. Für die notwendige Luftzirkulation muss gesorgt werden !
Der Trioden Push-Pull Vollverstärker wurde für den Wohnraum entwickelt, er lässt im Punkto Klang keine
Wünsche offen!
Der Verstärker erreicht eine Ausgangsleistung von 25 W Sinus und ca. 40 W Musikleistung an 8 Ohm. Es lassen sich auch
weniger empfindliche Boxen und Lautsprecher sehr gut betreiben! - Man muss bedenken, dass man für die doppelte
Lautstärke die 10fache Verstärkerleistung brauchen würde!
Die Leistungsaufnahme des Verstärkers beträgt ca. 450 Watt!
Grüsse aus Selb,
Klaus.

Schaltungsbeschreibung: "Push-Pull" Vollverstärker mit der 6C33.
Der Vollverstärker ist mit 12 Röhren bestückt. Fast alle Schaltungsteile sind in
Handverdrahtung hergestellt.
Das Gehäuse hat eine Basishöhe von 88 mm. Die Stromzuführung erfolgt mit einem Kaltgerätestecker,
Entstörfilter 6 A und voreilendem Schutzleiterkontakt.
Die Schutzleiterkabel "gelb-grün" sind sternförmig mit den einzelnen Gehäuseteilen verbunden.
Das Bodenblech des Gehäuses ist gelocht und mit 4 Stück 25 mm hohen Gummifüßen versehen.
(Mit der Maustaste das Bild anklicken, es wird dann in voller Auflösung dargestellt.)
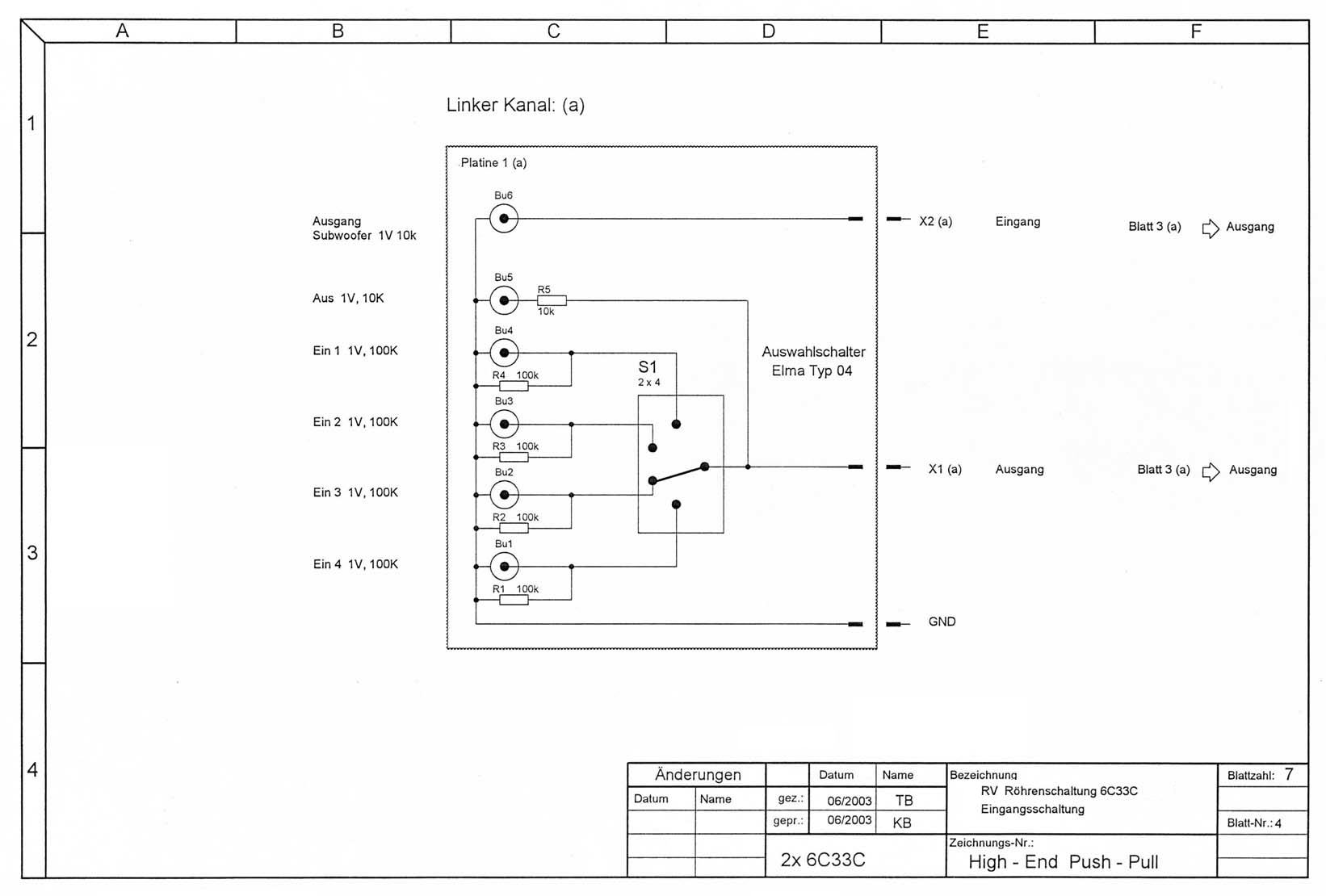
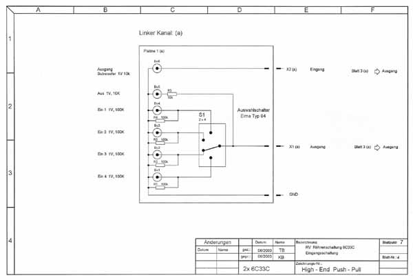
Auf der rechten Rückseite des Gehäuses befinden sich 12 Chinchbuchsen. Diese sind mit einem voreilenden
Massekontakt versehen. Die Oberfläche ist vergoldet, die ganze Ausführung ist sehr stabil und hochwertig.
An die ersten 4 Buchsenpaare lassen sich CD-Spieler, Kassettendecks usw. anschließen. Die Eingangsimpedanz beträgt
1 V an 100 kOhm.
Das 5. Buchsenpaar dient zur Aufnahme für Kassettengeräte usw.
An das 6. Buchsenpaar lässt sich ein aktiver Subwoofer anschließen.
Ausgangsimpedanz 1 V an 10 kOhm.
Die Umschaltung der einzelnen Eingänge wird mit dem Auswahlschalter Elma Typ 04 ausgeführt. Der Schalter 2 x 4
Schaltstellungen ist von einer enorm hohen Qualität. Man muss wirklich einmalt den Schalter betätigen, dann
weiß man was "Schweizer-Qualität" ist. Der Elma-Schalter ist auf der Frontplatte mit einem Knopf
versehen, der einen Durchmesser von 35 mm hat.
Um eine hohe übersprechdämpfung zu erreichen, wird jeder Stereo-Kanal mit einem 5adrigen abgeschirmten Kabel
übertragen.
Alle Leitungen sind einzeln abgeschirmt.
Kanalgetrennt gehen die abgeschirmten Leitungen vom Auswahlschalter zu den Eingangsröhren der aktiven
Verstärkerschaltung.
(Mit der Maustaste das Bild anklicken, es wird dann in voller Auflösung dargestellt.)
Als Eingangsröhre wurde der RCA Typ 6SL7 GT verwendet. Diese Doppeltriode ist sehr stabil gefertigt, leider aber auch
sehr teuer.
Die 6 SL7 GT ist eine NF-Röhre.
das Pav = 1 W
das µ = 70
das Ri = 44 kOhm
Die Röhre arbeitet als Shunt Regulated Push-Pull Verstärker (SRPP). Das garantiert niedrigsten Klirrfaktor, hohe
Verstärkung und Übersteuerungsreserve.
In Verbindung mit dem Eingangsspannungsteiler
R 1 = 100 kOhm
R 2 = 100 kOhm
sind deshalb die messtechnisch erfassbaren Vorzüge und noch stärker die klanglichen Vorteile dieser Schaltung im
Vergleich mit anderen Röhrenschaltungen zu sehen.
Durch den sich ergebenden niedrigen Ausgangswiderstand dieser Schaltung wird eine Parallel-Schaltung der Pegelpotis
notwendig.
P 1 = 100 kOhm lin.
P 2 = 100 kOhmlin.
Anmerkung:
Pegelsteller finden in der Studiotechnik Anwendung. Man kann mit dem Pegelsteller das NF-Signal getrennt für jeden
Stereo-Kanal regeln, als Resultat erhält man eine Balanceeinstellung.
Die hohe Verstärkungsreserve der SRPP ist notwendig, damit wir ohne Vorverstärkung für den Treiber auskommen.
Am Kathodenknotenpunkt der SRPP ist die erste Koppelkondensatorkombination angeschlossen. Sie besteht aus einem
MKP-Kondensator mit 1000 V Spannungsfestigkeit, parallel ist eine Glimmer-"C" geschaltet.
Werte:
MKP 0,22/µF 1000 V Durchmesser 20 x 38 mm
Glimmer 4,7 nF 630 V Durchmesser 10 x 20 mm<
+ 1 ist die Betriebsspannung für die SRPP. Der an die Pegelsteller geschaltete Lautstärkeregler ist von der Fa.
Alps.
Stereo-Poti: Pegel: 2 x 2 x 1OO kOhm lin.
Stereo-Poti: Lautst.: 2 x 100 kOhm log.
Die Wiedergabequalität lässt sich noch steigern!
Es ist der Audiodrehschalter 04 Az ROO mit Vishay-Dale CMF - Widerständen. Fa. Elma
An den Lautstärkeregler ist mit 0,47µF 630 V ein Kathodenfolger für den Subwoofer-Ausgang angeschlossen.
C3 - 0,47/yF 630V Wima MKS-4
An der gleichen Anschlussleitung liegt der Treiber über die 2. Kondensatorenkombination an.
Der Massebezugspunkt für den Kathodenfolger ist R5 R = 10 kOhm
+ 2 Betriebsspannung für den Subwoofer-Ausgang
+ 1, +2, +3 wird bei der Netzteilbeschreibung behandelt.
(Mit der Maustaste das Bild anklicken, es wird dann in voller Auflösung dargestellt.)
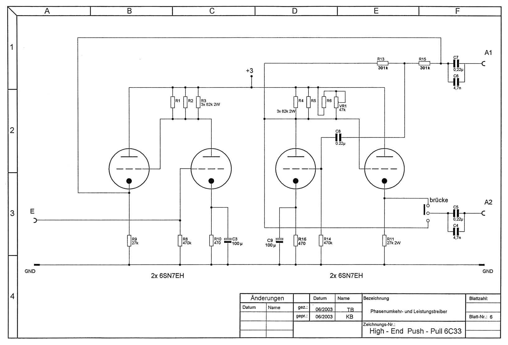
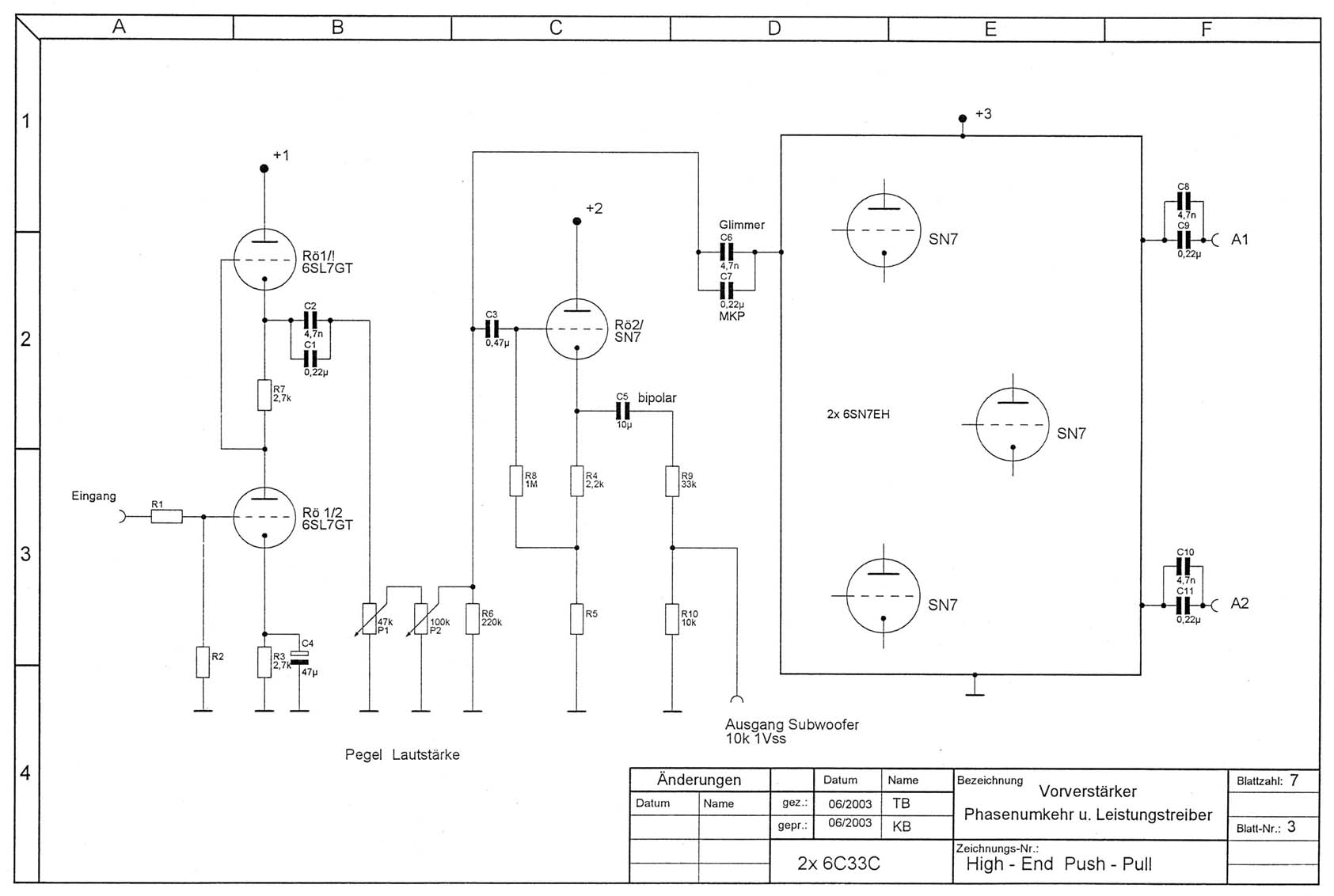
Die für den Leistungstreiber und den Kathodenfolger verwendete 6SN7 EH ist eine Neukonstruktion. Die Röhre ist
von "electro-harmonix" / Russland. Sie ist sehr stabil gefertigt, hat 4 Stabilisierungsstäbe und ist mit
der GTA vergleichbar. Durch das große Glasgehäuse ist die 6SN7 EH thermisch besser beherrschbar als zum
Beispiel eine Novalröhre ECC99, 6CG7 usw. Der verspiegelte Kopf und der Qualitätsaufdruck geben ihr ein tolles
Aussehen.
Über die 2. Kondensatorenkombination gelangt das verstärkte Signal auf das Gitter der ersten Hälfte der
Röhre 6SN7 EH. Die Triode ist über C 3 kathodenseitig entkoppelt.
Das Signal an der Anode wird an das Gitter der zweiten Hälfte der 6SN7 EH gelegt das als Kathodenfolger arbeitet. Das
niederohmige Signal wird zum Knotenpunkt R 15 und der 3. Kondensatorenkombination geführt. Das ist der Anschluss A 1
für die linke Endröhre 6C33. Über R 15 und C 8 wird das Signal an das Gitter der ersten Triode der zweiten
6SN7 EH zugeführt, dessen Kathode ebenfalls entkoppelt ist. Durch die Widerstände R 15 und R 13 in Verbindung mit
VR 1 kann die phasendrehende Funktion exakt eingestellt werden.
Durch Abgleich von VR 1 wird sichergestellt, das beide Endstufenhälften gleiche Signalspannungen erhalten.
R 15 = 301 kOhm VR 1 = 100 kOhm R 1, R 2, R 3, R 4, R 5;
R 13 = 301 kOhm R 10 = 470 Ohm 82 kOhm -100 kOhm
R 6 = 68 kOhm R 16 = 470 Ohm C 3 = 100 µF 25 V C 9 - 100 µF 25V
Die zweite Hälfte der 6SN7 EH ist als Kathodenfolger für A2 verwendbar.
Sollte die noch vorhandene Triode als Kathodenfolger für den Subwoofer Verwendung finden, lässt sich A2 auch ohne
Kathodenfolger betreiben.
Siehe: Brücke
+ 3 ist die Betriebsspannungszuführung für den Treiber.
Fazit:
Mit nur 2 Röhren, ohne Trafos und wenig Bauteilen wurde ein Push-Pull-Treiber gestaltet, mit dem man einen
hervorragenden Gegentakt-Verstärker mit der 6C33 bauen kann.
(Mit der Maustaste das Bild anklicken, es wird dann in voller Auflösung dargestellt.)
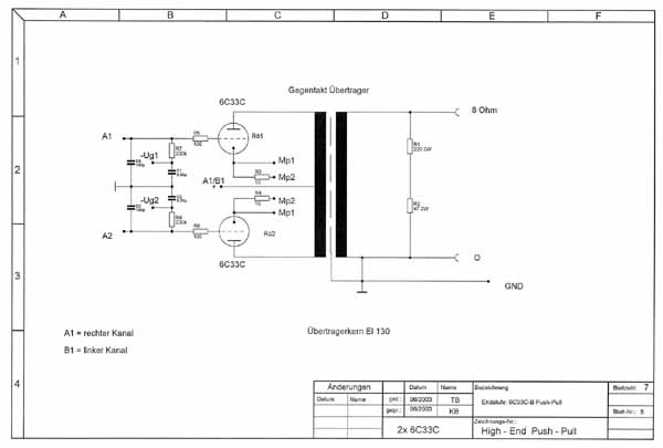
Die genau gegenphasigen Signale A1 und A2 werden über die Schutzwiderstände R 5 und R 6 an die Endröhren
gelegt. Da wir mit fester Gittervorspannung arbeiten wird über die Gitterwiderstände R 7 und R 8 -Ug1 und -Ug2
zugeführt.
An die Anoden ist der Gegentaktübertrager geschaltet. Über die mittlere Anzapfung der Primärwicklung
erhält der Übertrager die Anodenspannung für die Endröhren.
Die Spannung A1 und A2 kommt kanalgetrennt von den Anodenspannungsrelais. (A1 = rechter Kanal, A2 = linker Kanal)
Die Widerstände R1 und R2 schaffen Ruhe am Ausgang.
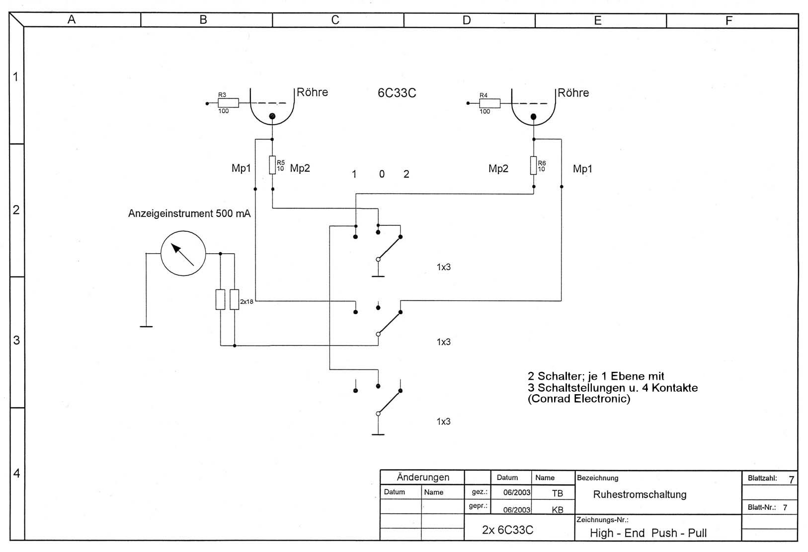
Die an den Kathoden der Endröhren liegenden Messpunkte werden zu dem Ruhestromschaltern geführt, sie dienen zur
Einstellung des Ruhestroms.
(Mit der Maustaste das Bild anklicken, es wird dann in voller Auflösung dargestellt.)
Die in den Kathoden der Endröhren liegenden Schalter haben 3 Schaltstellungen und 4 Kontakte. Kanalgetrennt wird der
Ruhestrom über die Instrumente angezeigt. In der Mittelstellung der Schalter sind die Anzeigeninstrumente ausgeschaltet
und die Kathoden liegen über R5 und R6 auf Masse. Die Beleuchtung der Instrumente wird über
Strombegrenzungswiderstände von 22 Ohm an die Heizspannung gelegt. Dadurch ist das Hochlaufen der Beleuchtung sehr gut
zu beobachten.
(Mit der Maustaste das Bild anklicken, es wird dann in voller Auflösung dargestellt.)
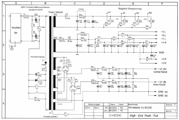
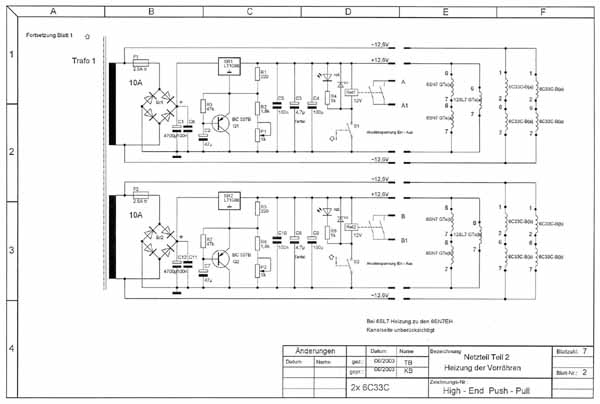
Der Netztrafo für den Push-Pull-Verstärker hat ein Gewicht von 7 kg. Er beinhaltet sämtliche Spannungen und
ist in zwei Schalen vergossen. Durch diese Ausführung ist der Trafo praktisch brummfrei. Die Außenfläche
ist Endfinish schwarzmatt. Die Einschaltverzögerung ist für diesen Trafo angepasst worden.
Der Strombegrenzungswiderstand: R4 = 18 Ohm 10 W
Zu beachten ist noch folgendes: R3 = 6k8 kOhm muss für 10 W ausgelegt sein.
Sämtliche Masseleitungen sind an einen zentralen Punkt zusammengefasst worden.
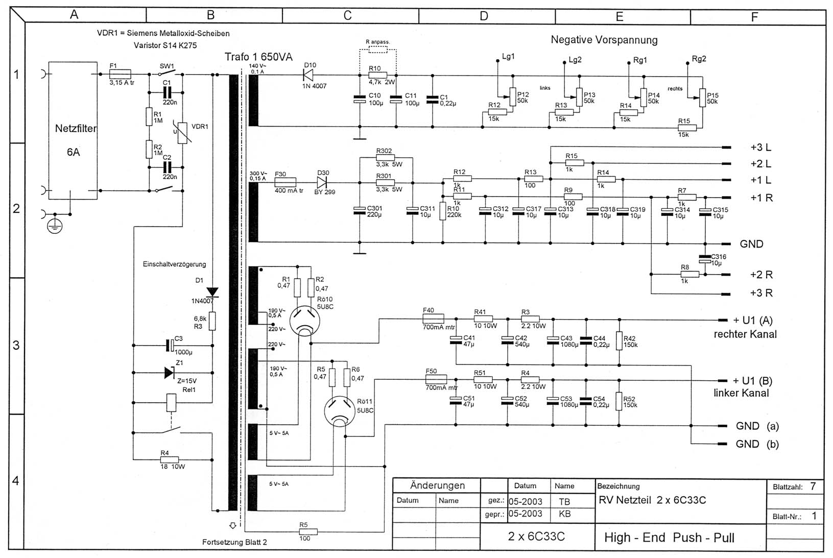
Die negative Vorspannung wird aus einer 140 V Wicklung erzeugt. Mit dem Widerstand R 10 wird die Spannung angepasst. Mit
den Trimmpotis P 12, P 13, P 14, P 15 wird die Einstellung des Ruhestroms vorgenommen.
Lg1 und Lg2 - linke Seite
Rg1 und Rg2 - rechte Seite
Mit der 300 V 0,15 A Wicklung wird die Spannung für die Röhren über die Arbeitswiderstände bereitgestellt.
Über die 0,4 A tr. Sicherung und die schnelle 2A Diode BY299 entstehen am Ladeelko ca. 420 V.
Die Siebwiderstände und die Siebelko stellen eine praktisch brummfreie Spannung zur Verfügung.
Das Gerät enthält keine Siliziumgleichrichter im Leistungsteil für die 6C33. Für die
Gleichrichterröhren sind 2 Heizwicklungen von je 5 V 5 A auf den Trafo gewickelt worden. Zwei Hochspannungswicklungen
von je 22O V 0,5 A mit Anzapfung bei 190 V sind für die Betriebsspannungen der Endröhren zuständig. Bei
diesen hohen Strömen ist es wichtig die richtige Verdrilltechnik anzuwenden, damit Brummfreiheit gewährleistet ist.
Bei den PSE-Verstärkern ist die Sache noch kritischer, hier wurde ein Zwischenmassepunkt geschaffen, der die
Massepunkte mit hohem Strom von denen trennt die mit geringeren Strom arbeiten.
Die Gleichrichterröhren sind als Einweggleichrichter geschaltet, was eine höhere Belastung garantiert.
Man muss sich die Wirkung der 5U8C so vorstellen wie zwei außerhalb des Netztrafos liegende Widerstände, die vom
Strom der Betriebsspannung durchflossen werden. Im Gegensatz zu Halbleiterdioden gibt eine Gleichrichterröhre bei den
Nulldurchgängen keinerlei Schaltimpulse ab. Damit ist vielleicht zu erklären warum eine Gleichrichterröhre
im Allgemeinen ein natürlich fließendes und zartes Klangbild abgibt.
Der Nachteil dieser Schaltung (Einweggleichrichtung) ist, dass die Trafowicklungen einseitig belastet werden, was den
Ringkerntrafo dazu veranlasst Brummgeräusche zu erzeugen die im Bereich bei 100 Hz liegen (gehörmässig).
Durch Vertauschen der Trafoanschlüsse, Anfangspunkt der Wicklung Anode, Endpunkt oder Anzapfung Masse, war das Problem
gelöst (siehe Schaltbild).
Durch Einfügen der Anodenwiderstände verändert sich das Rs positiv. (Rs = Serinwiderstand der
Transformatorwicklung)
Das Lastnetzteil ist pro Seite mit Elko von ca. 1700 µF bestückt (Elkospannung 400 V).
(Mit der Maustaste das Bild anklicken, es wird dann in voller Auflösung dargestellt.)
Die Heizwicklungen für die 6C33 sind auf den Trafo getrennt gewickelt worden. Es wurden pro Kanal 10 A 12,6 V
bereitgestellt. Über eine Sicherung von 2,5 A tr. und einen Spannungsregler wird eine brummfreie Spannung von 12,6 V
1,5 A erzeugt (siehe Schaltbild).
Die Spannung läuft von 3,6 V - 12,6 V (einstellbar) langsam auf Sollwert. Damit werden die Vorröhren geheizt, die
Relais geschaltet und die Beleuchtung der Anzeigeninstrumente in Betrieb genommen. Die Netzsicherung von 3,15 A tr. ist
ausreichend betriebssicher.
Das Gerät nimmt beim Einschalten ca. 600 W auf, die Leistung geht dann auf ca. 430 W zurück.
Bei Einschalten des Gerätes und gleich wieder ausschalten und einschalten kommt die Netzsicherung !
Das ist logisch, weil Relais 1 noch nicht abgefallen ist und C3 noch aufgeladen ist (siehe Schaltbild). Erst nach einigen
Sekunden ist die Einschaltverzögerung wieder betriebsbereit. Diese Schaltung arbeitet sehr gut und effizient.
Gruß, Klaus